Конструкция светомерной установки
Введение
В данном курсовом проекте
мы рассчитываем светомерную установку для измерения светового потока. В эту
установку входят светомерный шар, приемник излучения, нейтральные светофильтры,
светоизмерительные и контрольные лампы, электроизмерительные приборы и
конструктивные элементы. Использование светомерного шара обусловлено более
точным измерением светового потока источника света по сравнению с другими
методами измерения. Так как исходя из теории светомерного шара мы знаем что в
этом методе измеряется полный световой поток источника света с учетом
многократных отражений. Помимо этого в данном курсовом проекте мы по заданной
кривой относительной спектральной чувствительности фотоэлемента рассчитываем
корригирующий светофильтр, который используется для исправлений светового
потока; далее используя рекомендуемую зависимость ρ(λ) = f(λ)
для окраски внутренней поверхности шара оцениваем поправочный множитель С1
учитывающий селективность окраски внутренней поверхности шара. Так же
оценивается поправочный множитель С2, учитывающий отличие спектральной чувствительности
фотоэлемента от относительной спектральной световой эффективности, выбираются
нейтральные светофильтры, оцениваются погрешность С3 учитывающие их
избирательность. Выбираются электроизмерительные приборы, составляются
вспомогательные схемы для учета влияния неактивных элементов, при измерении
светового потока. Описывается технология окраски внутренней поверхности шара,
методика определения его белизны поверхности. Так же описываются условия
эксплуатации и хранения светомерного шара, методика измерения светового потока.
И в заключение оценивается погрешность измерения светового потока.
1. Расчет светомерного
шара
1.1 Теория светомерного
шара
Пусть помещенный внутрь
светомерного шара ИС имеет световой поток Ф. Положение источника в шаре до теоретических
рассуждений безразлично. Делаются следующие предположения: внутренняя
поверхность шара покрыта однородной белой краской идеально матовой, коэффициент
отражения ее (ρ) одинаковый для всей поверхности. Прямые лучи создают от
ИС на поверхности шара освещенность, которая, вообще говоря, различна для
разных мест шара. Прямые лучи, отразившись от поверхности, вновь упадут на шар
и создадут вторичную освещенность его. Вторичное отражение света создаст
третичную освещенность и т.д., пока не установится равновесие между падающим на
внутреннюю поверхность шара световым потоком и поглощенным ею. Надо выяснить
значение вторичной освещенности (Е2). Пусть в точке А прямая освещенность
равняется Е1. Яркость (L1) поверхности при этой освещенности равна:
Около точки А выделяют
бесконечно малую часть (dS) поверхности шара. Освещенность (dE2) создаваемая
поверхностью dS в точке В равна:
Здесь l – радиус шара. В
точке В вторичная освещенность создается не только от части поверхности dS ,
но, именно, от всей поверхности шара полную освещенность (Е2) можно определить
интегрированием выражения для dE2, причем интеграл распространяется на всю
поверхность шара S=4πl2.
Причем
в результате интегрирования должно
дать, очевидно, весь световой поток Ф, упавший на стенки шара при прямых лучах
следовательно:
Вторичная освещенность
оказывается одинаковой для всех точек поверхности шара. Путем подобных же
рассуждений легко найти, что третичная освещенность (l3) равна
Последующие освещенности
определяются по такому выражению:
Полная освещенность (Е)
поверхности шара в какой-либо точке (т.е. после сложения прямой и всех
освещенностей от многократного отражения) равна:
Второй член этого выражения
прямо пропорционален всему световому потоку ИС, одинаков для всех участков
поверхности шара и не зависит от распределения светового потока (т.е. от силы
света в разных направлениях).
Для целей измерения
светового потока светомерный шар (СШ) должен применяться только, чтобы можно
было измерить какую-либо световую величину, пропорциональную второму члену
выражения , т.е. с исключением освещенности от прямых лучей. В некоторых
случаях для упрощения изготовления прибора вместо шара применяют куб, двенадцатигранных
и другие многогранники. Теория шара для них применяется лишь с приближением,
степень которого недостаточно определена. Подобные приборы менее точны чем шар.
В действительности и для шара изложенная теория оказывается лишь приближенной
т.к. представляется весьма сложно выполнить внутреннюю окраску, как требуется:
повсюду одинаковой и идеально матовой. Кроме того, внесение в шар измеряемых ИС
с их принадлежностями и особых щитков, необходимых для производства наблюдений,
также нарушает правильность теоретических выводов. Можно отдельно подсчитать влияние
посторонних предметов находящихся в шаре. Однако, определенные таким путем
поправки не вполне надежны и на практике ими не всегда пользуются. В некоторых
случаях можно опытным путем измерить ошибки от нахождения в шаре предметов.
Обычно же довольствуются соблюдением таких правил: 1) измеряемые или
посторонние предметы (светильники, лампы и т.д.) должны находится в середине
шара; 2) наибольший внешний размер их должен не превышать 0,1 части диаметра шара.
1.2 Определение
минимального диаметра светомерного шара
Основными признаками по
которым рассчитывается фотометрическая измерительная учтановка для контроля
световых параметров, являются габариты лампы, т.е. полная длина и максимальный
диаметр. В зависсимости от указанных величин устанавливаются минимальный
диаметр фотометрического шара для измерения светового потока. Диаметр
фотометрического шара должен составлять для люминисцентных ламп (ЛЛ) не менее
1,2 – кратного значения общий длины лампы.
Все результаты расчетов
пунктов 1.2. -1.5. представлены в сводной таблице 1.
1.3 Определение диаметра
фотометрического отверстия
Диаметр измерительного
(фотометрического) отверстия не должен привышать 1/10 диаметра фотометрического
шара.
1.4 Расчет размера экрана
Размер экрана должен быть
подобран так, что бы обеспечить наименьшее затемнение поверхности
фотометрического шара (ФШ). Диаметр тени не должен превышать двойного диаметра
фотометрического отверстия (ФО).
Экран должен находится от
источника света (ИС) на расстоянии, равным 2/3-1/3 радиуса ФШ. Если же ИС
находится в центре ФШ и плоскость экрана перпендиккулярна оси, проходящей через
центр ФО и световой центр ИС, то форма экрана, и его размеры выбираются в
зависимости от типа измеряемой лампы.
Для трубчатых ИС выбираеся
прямоугольный экран, размеры которого определяются по следующим формулам:
длина экрана –
ширина экрана-
где а – длина ИС, b –
ширина ИС, R – радиус СШ, l – расстояние от ИС до экрана.
1.5 Расчет освещенности от
заданного источника на поверхности приемника излучения
Расчет освещенности на
поверхности фотоэлемента производим по формуле освещеннсти от многократных
отражений:
где Ф – световой поток ИС,
- среднее значение
спектрального коэффициента отражения окраски ФШ.
Таблица 1.
|
D фотометрического шара
|
1759
|
|
D фотометрического
отверстия
|
176
|
|
K коэф-т перекрытия
|
2
|
|
а - длина источника
|
1466
|
|
R радиус свет. Шара
|
870
|
|
L - раст.от ист. до
экрана
|
290
|
|
а`- длина экрана
|
1334
|
|
b` - ширена экрана
|
377
|
|
ρ (берется из
графика)
|
0,893
|
|
Ф (берется из приложения
6)
|
4070
|
|
Е освешеность на фотоэлементе
|
3571,2
|
|
b -ширена источника
|
37,5
|
2. Расчет корегирующего
светофильтра
Чтобы подогнать
относительную спектральную чувствительность селенового фотоэлемента S0(λ)
к относительной спектральной световой эффективности глаза V(λ), нужно
выбрать светофильтр, для которого кривая спектральных коэффициентов пропускания
τ(λ) удовлетворяет уровнению
Из этого уравнения
определяем τ(λ)
где m – постоянный
коэффициент, величина которого рассчитывается исходя из максимально возможных
значений величины [τ(λ)]max и отношение
:
Каждый материал имеет
вполне определенное максимльно возможное τ(λ).
Для стеклянного
светофильтра максимальное значение спектрального коэффициента пропускания
[τ(λ)]max=0,92 . Находим отношение
для различных длин волн. Выбираем
. Для стекла
[τ(λ)]max будет соответствовать максимальному значению частного от
деления
.
Подставив значение
[τ(λ)]max и
в
выражение для вычисления коэффициента m, расчитаем его численное значение.
Затем подставив значение m
в формулу для вычисления τ(λ), находим значение τ(λ) для
коррегирующего светофильтра, изготовленного из выбранного материала, для
остальных длин волн. Результаты расчета записываем в таблицу 2 и строем графики
зависимости τ(λ) коррегирующего светофильтра и спектральной
чувствительности коррегированного селенового фотоэлемента S(λ).
Графики зависимости
τ(λ) коррегирующего светофильтра и спектральной чувствительности
коррегированного селенового фотоэлемента S(λ) приведены в преложении .
3. Оценка поправочного
множителя С1
Внутренняя поверхность
шара должна быть окрашена неселективной матовой краской с коэффициентом
отражения не ниже 0,8. Разница между коэффициентом отражения в разных частях
шара в процессе эксплуатации не должна привышать 3%.
Селективностью окраски
можно принебреч при условии, что цветовая температура светоизмерительной лампы
2800 К, помещенная внутрь ФШ, измеренная через измерительное отверстие прибором
со светорассеивающим стеклом, изменяется не более чем на 200 К.
При большем изменении
температуры вводят поправочный множитель С1, учитывающий селективность окраски,
который вычисляют по формуле
где φ(λ)св ,
φ(λ)из – относительное спектральное распределение энергии излучения
соответственно светоизмерительной и измеряемой лампы; А(λ) – функция
влияния селективности окраски СШ.
;
V(λ)– относительная
спектральная световая эффективность;
ρ(λ) –
спектральный коэффициент отражения окраски ФШ;
Δλ – выделяемый
спектральный интервал измерения, нм.
По результатам расчета С1
= 1,0543.
Результаты расчетов
занесены в таблицу 3 в приложении к курсовому проекту.
4. Оценка поправочного множителя
с2
При отличии спектральной
чувствительности приемника излучения от относительной спектральной световой
эффективности по ГОСТ 8.322-78 поправочный множитель С2 вычисляют по формуле.
где S(λ) –
относительная спектральная чувствительность приемника излучения.
По результатам расчета С2
= 0,999.
Результаты расчетов
занесены в таблицу 4 в приложении к курсовому проекту.
5. Выбор нейтрального
светофильтра. Оценка погрешности С3
Оценка поправочного
множителя С3, учитывающего имеющуюся селективность нейтрального светофильтра
при использовании нейтральных светофильтров, производится по формуле
где τ(λ)–
спектральный коэффициент пропускания нейтрального светофильтра.
Рекомендуется применять
стеклянный светофильтр НС8.
По результатам расчета С3
= 0,2775.
Результаты расчетов
занесены в таблицу 5 в приложении к курсовому проекту.
6. Выбор
электроизмерительных приборов
С заданным источником
света нужно использовать следующую схему систем питания и измерения
электрических параметров:
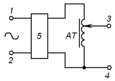
Рис. 3. Схема питания
переменным током: 1, 2 – выводы для подключения источника переменного тока; 3,4
– выводы для подключения системы измерения; 5 – стабилизатор напряжения; АТ –
регулировочный трансформатор.
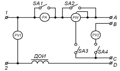
Рис. 4. Схема системы
измерения электрических параметров: 1, 2 – выводы для подключения системы
питания; PV1 – вольтметр для измерения напряжения питания; ДОИ – дроссель
образцовый измерительный; РА амперметр для измерения рабочего тока лампы; PW –
ваттметр для измерения мощности лампы; PV2 вольтметр для измерения рабочего
напряжения лампы; SA1, SA2, SA3, SA4 – выключатели; А, B, C, D – выводы для
подключения измеряемой лампы.
Для измерения
электрических параметров ламп выбираются электроизмерительные приборы,
удовлетворяющие следующим требованиям:
1) класс точности должен
быть не ниже 0.2 при питании лампы постоянным током и не ниже 0.5 – переменным
током;
2) приборы должны
показывать эффективные значения измеряемых электрических величин; показания
приборов должны быть независимы от формы кривой и частоты;
3) ток, потребляемый
подключенными параллельно разрядной лампе электроизмерительными приборами, не
должен превышать 3% от номинальной величины тока лампы, а падение напряжения на
амперметре при последовательном подключении не должно превышать 2% от значения
напряжения разрядной лампы;
4) электроизмерительные
приборы должны быть подобраны так, чтобы при измерениях стрелка прибора
находилась на второй половине шкалы.
На основе выше сказанного
для моей фотометрической установки необходимо использовать измерительные
приборы:
Вольтметр =>Э56 на 300
В.
Амперметр =>Э51 на 1-2
А шкала на 100 делений.
Ваттметр =>Д539 шкала
на 100 делений.
Так как они
однопредельные, что уменьшает их стоимость, а значит и стоимость всей
фотометрической установки в целом. Их пределы достаточны для исследования лампы
ЛД-80.
7. Вспомогательная схема
для учета влияния неактивных элементов. Методика определения коэффициента С4
Вспомогательная схема для
учета влияния неактивных элементов, при измерении светового потока. Методика
определения коэффициента учитывающего влияние неактивных элементов С4.
Рис. 5. Вспомогательная
схема фотометрической установки для учета влияния неактивных элементов при
измерении светового потока: 1 – фотометрический шар; 2 – экраны; 3 -
рассеивающее стекло; 4 – диафрагма; 5 – светофильтр; 6 – корригированный
приемник излучения; EL1 – вспомогательная лампа накаливания; PV – вольтметр для
измерения напряжения питания вспомогательной лампы; SA – выключатель; EL –
измеряемая или светоизмеряемая лампа.
Для учета влияния на
результат измерения приспособлений (неактивных элементов), находящихся в
фотометрическом шаре, внутри него должна быть установлена вспомогательная лампа
накаливания, расположенная противоположно измерительному отверстию. Перед
вспомогательной лампой должен быть установлен непрозрачный экран,
препятствующий попаданию излучения на измеряемую, контрольную или
светоизмерительную лампы и в измерительное отверстие. Вспомогательная лампа
должна обладать стабильными электрическими и световыми параметрами. (Установка
вспомогательной лампы необязательна при измерениях однотипных ламп.)
Систематическая погрешность
Q4, обусловленная влиянием неактивных элементов (приспособлений для крепления
ламп) и разницей в поглощении излучения измеряемой и светоизмеряемой лампами,
определяется по формуле
где m1 – показание
прибора, регистрирующего фотопоток при включенной вспомогательной лампе, но
выключенной светоизмерительной; m2 – то же при включенной вспомогательной
лампе, но выключенной измеряемой.
Экспериментально определенное
значение этой погрешности достигает 7%. В процессе измерений погрешность
исключается введением поправочного множителя С4:
.
Поскольку она оценивается
через отношение фотопотоков, то оценку погрешности δQ4 определения С4
рекомендуется проводить расчетом среднего квадратического отклонения при
многократных измерениях n≥……
Эксперименты и расчеты,
проведенные с 10 преобразователями излучения, показали, что для всех типов
разрядных ламп составляющая неисключенной систематической погрешности не
превышает 0.3% (δQ4=0.3%).
8. Технология окраски
внутренней поверхности шара
8.1 Окраска
фотометрического шара
Подготовка поверхности
Необходимо очистить всю внутреннюю
поверхность от ржавчины, грязи. Очистку производят стеклянной или наждачной
бумагой.
После очистки поверхность
промывают бензином.
Шпаклевка
Если поверхность шара
имеет вмятины, щели и другие неровности, то они должны быть зашпаклеваны.
Шпаклевка должна быть
приготовлена из сернокислого бария или окиси цинка, замешанного на копаловом
или даммаровом лаке, разбавленном скипидаром.
Шпаклевочную поверхность
после просушки зачищают пемзой, стеклянной или наждачной бумагой.
Грунтовка
Для грунтовки должно быть
взято то же связующие вещество, что и для шпаклевки, т.е. копаловый или
даммаровый лак. В качестве пигмента берут окись цинка или сернокислый барий.
Грунтовку замешивают до густоты обычных масленых красок.
Перед нанесением грунтовки
с поверхности шара удаляют пыль влажной тряпкой или продувкой сжатым воздухом.
Грунтовку наносят
равномерным тонким слоем при помощи широкой мягкой кисти. После просушки слоя
производят зачистку подтеков и неровностей при помощи наждачной бумаги.
Рекомендуется наносить грунт
троекратно. После зачистки третьего слоя, когда удалены все неровности,
поверхность обдувают сжатым воздухом.
Окончательная окраска
Для окончательной окраски
1 м2 шара рекомендуется следующий состав краски:
- барий сернокислый по
ГОСТ 3158-75 - 750 г
- дистиллированная вода по
ГОСТ 6709-72 - 750 г
-поливиниловый спирт по
ГОСТ10779-78 - 7,5 г
-ультрамарин - 0,188 г.
Спектральный коэффициент
отражения рекомендуемого состава приведен на чертеже.
Технология приготовления
состава
Поливиниловый спирт
заливают дистиллированной водой, подогревают до температуры (308±5) К при
постоянном помешивании и доводят до полного растворения.
Ультрамарин растворяют в
дистиллированной воде и процеживают через слой марли.
Сернокислый барий
тщательно растирают в ступке.
Все компоненты помещают в
фарфоровый барабан и тщательно перемешивают при помощи шаровой мельницы или при
помощи деревянного пестика.
8.2 Технология нанесения
краски
Краску наносят
пульверизатором или кистью тонким слоем 5-6 раз через (1-2) дня. Последний слой
рекомендуется наносить только путем пульверизации.
После последней окраски
удаляют неровности с покрашенной поверхности мелкой наждачной бумагой и
обдувают сжатым воздухом.
Приспособления,
находящиеся внутри шара, красят тем же составом, что и внутреннюю поверхность
шара. В большинстве случаев шпаклевка этих приспособлений не требуется.
Оценка окрашенной
поверхности шара
Коэффициент отражения
хорошо окрашенной поверхности должен быть не ниже 0,8.
Для контроля значения
коэффициента отражения необходимо иметь белую пластинку с коэффициентом
отражения 0,8.
Состояние окраски можно
считать удовлетворительным, если яркость любого участка внутренней поверхности
шара не меньше яркости контрольной пластинки при визуальной оценке.
Разница коэффициентов
отражения в различных частях фотометрического шара в процессе эксплуатации не
должна превышать 3%.
Разницу коэффициентов
отражения в разных частях фотометрического шара определяют путем определения
световых потоков источника света с концентрированным светораспределением при
направлении максимального излучения в верхнюю и нижнюю полусферы
фотометрического шара.
Источник света должен
иметь стабильные электрические и световые параметры. Рекомендуется использовать
лампы накаливания зеркальные с концентрированным светораспределением или
люминесцентные рефлекторные.
Разницу коэффициентов
отражения (Δρ) в % вычисляют по формуле
где Фв , Фн - световые
потоки при направление максимального излучения в верхнюю и нижнюю полусферы
соответственно.
9. Методика определения
белизны внутренней поверхности шара
9.1 Методика определения
белизны внутренней поверхности шара
Существуют несколько
методов определения белизны внутренней поверхности шара.
а) берется некоторая
светоизмерительная лампа. Она находясь вне шара должна освещать поле сравнения
в зрительной светомерной головке, которое она же освещает, будучи помещенной в
шаре.
Светомерная головка та же,
что обычно применяется у шара, однако предпочтительно, чтобы она имела
контрастный кубик Люммера-Бродхуна. У светоизмерительной лампы поддерживают
обычное напряжение. У лампы сравнения, освещающей второе поле сравнения ,
подбирают напряжение так, чтобы цвета обоих полей сравнения были одинаковы, это
легко заметить, если попутно с изменением напряжения все время будет
поддерживаться равенство яркостей полей сравнения. Теперь светоизмерительную
лампу помещают в шар. У лампы сравнения поддерживают только что подобранное
напряжение. Если при прежнем напряжении светоизмерительной лампы вновь
наблюдается равенство полей сравнения, для для определения чего предварительно
нужно установить равенство яркостей, то это означает, что окраска шара
действительно белая. Рассчитывать на полную белизну трудно. Если нет совпадения
цветов, что чаще всего имеет место, меняют напряжение у светоизмерительной
лампы, пока не достигнут равенства цветов. Впрочем, полного совпадения цветов
может быть, и не удастся достигнуть. В таком случае останавливаются на наиболее
похожем цвете. Теперь отмечают, насколько пришлось изменить напряжение у
светоизмерительной лампы по сравнению с обычным. Каких-либо установленных
допусков нет. Они зависят от последующего применения шара. Можно предполагать,
что, например, для практики обычных измерений электроизмерительных ламп
накаливания измерение напряжения в пределах до 2-3% и даже до 5% - вполне
допустимо.
В ответственных случаях
надлежит определить спектральные коэффициенты многократного отражения (ρz)
внутренней поверхности шара, причем измерения делаются именно для многократного
отражения (т.е. сквозь окошко шара – с молочным стеклом или без него). Зная их,
не трудно выяснить в каких случаях измерений могут получать те или иные
погрешности. Пусть, например, в шаре измеряются ИС (Ф1 и Ф2), для которых
относительное распределение лучистой мощности по спектру различно и притом
известно. Если бы окраска шара была белой, то отношение световых потоков было
бы равно:
При наличии не белой
окраски:
Отсюда получаем:
(*)
Относительная же
погрешность измерений составит:
Выражение может служить не
только для определения возможной ошибки при измерениях, но в некоторых случаях
и для поправки к измерениям.
Если Тцв лампы, с помощью
которой проверялась белизна окраски шара известна (Тс1), то на основании ее
измененного напряжения, которому соответствует новая Тцв (Тс2), приближенно
можно судить об изменении введения ряда допущений. Именно, делается
предположение, что относительные значения спектральных коэффициентов отражения
для каждой длины волны пропорциональны (к) отношениям спектральных лучистых
мощностей для той же длины волны при соответствующих цветовых температурах,
т.е.
Это выражение дает
возможность воспользоваться формулой (*), т.к. в нее можно подставить
относительные значения коэффициентов отражения вместо абсолютных; коэффициент к
сокращается, температура Тс2 определяется приближенно. Разумеется, если
сравниваемые источники имеют одинаковое распределение лучистой мощности по
спектру, то не белая окраска не оказывает влияния. Можно опытным путем найти
поправки, к измерениям электроизмерительных ламп накаливания в шаре не вполне
белом. На светомерной скамье определяют отношение сил света
электроизмерительной лампы накаливания при различных напряжениях. Одновременно
определяется Тцв, т.е. находятся соотношения:
Здесь С – сферический
переводной множитель, т.е. С = Ф/I; предполагается, что он не меняется с
изменением температуры тела накала. Значки у (М) означают соответствующие
напряжения или температуры. Затем ищется отношение световых потоков этой же
лампы в шаре при тех же напряжениях, что и на скамье. Находят следовательно:
Поправочный множитель (m)
к измерениям в шаре равен:
Значки Т1 и Т2 означают
цветовую температуру сравниваемых в шаре ламп (например измеряемая и
светоизмерительной).
б) Если отступление в
окраске от белизны большое, то для уменьшения ошибок можно применять при
последующих измерениях в шаре цветной поглотитель на пути лучей от окна в
светомерную головку, который выравнивал бы цвета полей сравнения при обычном, а
не при измененном напряжении у образцовой лампы. Подбор цветного поглотителя
производится на опыте путем проб. Если окраска шара красноватая или желтоватая,
то нужен голубоватый поглотитель, а если голубоватая или зеленоватая – то
желтоватый. Удобно иметь жидкие поглотители, т.к. их легче всего подобрать.
Голубой может быть составлен или из очень сильно разбавленных растворов, или
только из очень слабого водного раствора серно-медной соли. Обыкновенно окраска
имеет желтоватый оттенок. Для устранения его некоторые авторы советуют
подбавлять в белую краску небольшое количество синей. Подсиненную краску
следует применять лишь для последних слоев. Данный способ не является
достаточно благонадежным.
Можно применить такой
прием подбора поглотителя: исследуются относительные спектральные коэффициенты
отражения окраски шара. для этого как уже говорилось, с помощью
спектрофотометра сравнивают спектры света двух одинаковых ламп с одной и той же
цветовой температурой. Из них одна находится вне шара, а другая в шаре и свет
для измерений берется из его окна. Затем подбирают такой поглотитель, чтобы
свет из окна шара, пройдя пройдя поглотитель, становился бы одинаковым по
спектру со спектром одной лампы (без шара), что можно установить или
спектрофотометром, или сравнением цветов в светомерной головке.
10. Условия эксплуатации и
хранения светомерного шара
Внутренняя поверхность
шара, предварительно после изготовления зачищается, шпаклюется, и красится
несколько раз.
В качестве краски
используют цинковые белила, а чаще сернобариевую соль. Покраска осуществляется
периодически.
Шары большого диаметра
изготавливаются из полушариев, которые при длительных перерывах между
измерениями, разъединяются и подвешиваются на цапфы, открытой стороной вниз и
закрываются плотной тканью.
Перед началом измерений,
полушария соединяются и засвечиваются (ИС) в течении восьми, десяти часов,
желательно источником такого спектрального состава, который планируется
использовать для измерения.
11. Методика измерения
светового потока в шаре
В лабораторной практике
интегрирующим устройством для измерения светового потока является светомерный
шар (шаровой фотометр), представляющий собой полый шар, внутренняя поверхность
которого покрыта матовой краской с высоким коэффициентом отражения. Помещенный
внутрь шара источник света будет создавать освещенность отдельных участков
стенки шара в соответствии с характером своего светораспределения. Каждый
освещенный элемент поверхности шара часть светового потока отражает на
внутреннюю поверхность сферы. При этом на стенках шара кроме освещенности,
создаваемой непосредственно источником света, наблюдается и освещенность от
многократных отражений. Из теории известно, что освещенность, получаемая на
стенках шара при многократных отражениях, одинакова для любого участка
сферической поверхности, пропорциональна световому потоку источника света:
где Ф - световой поток
источника света, помещенных в шаре; R – радиус шара; ρ – коэффициент
отражения внутенних стенок шара.
Полная освещенность на
любом участке поверхности будет равна
где Е0 – освещенность,
создаваемая непосредственно источником света; Е1 – освещенность, создаваемая за
счет многократных отражений светового потока от стенок шара.
Ввиду того, что только
второй член этой суммы пропорционален световому потоку источника света,
помещенного в шар, первый член при измерениях исключается. Это осуществляется
расположением непрозрачного экрана, преграждающего доступ света от прямых лучей
на участок, где производятся измерения освещенности от многократных отражений
светового потока стенками шара.
Для измерений через
небольшое отверстие в плоскости сферы располагают приемную пластинку фотометра,
фотоэлемент и пластинку из молочного стекла. Для определения численного
значения светового потока источника в люменах необходимо произвести два
измерения освещенности. Установив внутри шара эталонный источник, световой
поток которого известен, производится первое измерение.
Измеряемая при этом
освещенность
.
Освещенность, измеряемая
при установке в шар исследуемого источника, может быть аналогично выражена как
.
На основании полученных
при измерениях значений освещенности Еэт и Ех определяется световой поток
исследуемого источника:
,
где отношение Фэт к Еэт
есть градуировачный коэффициент (к), который находится как минимум для трех
светоизмерительных ламп:


.
Рис.6. Электрическая схема
измерения светового потока в светомерном шаре.
12. Оценка погрешности
измерения светового потока в светомерном шаре
При световых измерениях
задается интервал границы, в котором погрешность измерения находится с заданной
вероятностью.
Полностью исключить
систематические погрешности не представляется возможным. Систематические
погрешности, которые остаются после внесения поправок, называются элементарными
составляющими. Для оценки границ систематической погрешности после введения
поправок требуется их суммировать, в результате чего элементарные
систематические погрешности предполагается рассматривать как случайные. При
этом считается, что распределение каждой исходной погрешности внутри заданных границ
равновероятно. Тогда границу неисключенной систематической погрешности
результата измерения Θ (без учета знака и для n >4) вычисляют по
формуле
(*)
где К – коэффициент,
зависящий от принятой вероятности p;
Θ – граница
неисключенной систематической погрешности результата i-го аргумента.
Конкретные числовые
значения коэффициента К для различных вероятностей p приведены в табл. 3
Таблица 3
|
p
|
0,90
|
0,95
|
0,98
|
0,99
|
|
К
|
0,95
|
1,10
|
1,30
|
1,40
|
В соответствии с формулой
(*) и данными табл.6 границы неисключенной систематической погрешности
результата измерений светового потока при доверительной вероятности p = 0,95
будут определяться соотношением
(16)
где δΘ1,
δΘ2, δΘ3, δΘ4 – погрешности метода;
ΔΘ6, …,
ΔΘ11 – погрешности средств измерений.
Погрешности метода
измерений светового потока в некоторой степени могут быть учтены путем введения
поправочных множителей, но и они определяются с некоторыми погрешностями,
которые называются неисключенными элементарными погрешностями.
Составляющие неисключенных
элементарных погрешностей, влияющих на результат измерений, приведены в
специальной литературе. Мы ограничимся рассмотрением только четырех основных
видов погрешностей метода при проведение измерений светового потока.
Погрешности метода,
обусловленные:
- селективностью окраски
фотометрического шара Θ1 ;
- отличием относительной
спектральной чувствительности приемника излучения S(λ) от относительной
спектральной световой эффективности V (λ) служит Θ2;
- селективностью
применяемого нейтрального светофильтра Θ3;
- влиянием неактивных
элементов Θ4.
Влияние селективности
окраски шара в соответствии с ГОСТ 17616-82 определяется функцией
.
Окраска шара изменяет
спектральный состав излучения, падающего на приемник излучения после
многократных отражений. Следовательно, относительное спектральное распределение
энергии излучения светоизмерительной лампы, попадающее через фотометрическое
отверстие на приемник излучения, можно представить в виде функции
Функция А(λ)
определяется путем расчета по формуле
.
Погрешность, обусловленная
селективностью окраски шара Θ1, определяется по формуле
Максимальная значение этой
погрешности может изменяться от 1 до 5% при практическом изменении цветовой
температуры в пределах 100-500 К. эти погрешности при измерениях также
учитываются путем введения поправочного множителя С1, определяемого по формулой
Вычисления погрешности,
вызываемой отличием S(λ) от V (λ), в соответствии с ГОСТ 17616-82
производится по формуле
где φ(λ)из и
φ(λ)из – относительное спектральное распределение энергии излучения
измеряемой и светоизмерительной ламп соответственно.
Рассчитанная по формуле
систематическая погрешность составляет 1,3 – 1,5 %. Она может быть исключении
путем введения в формулу поправочного множителя С2, определяемого соотношением
Относительная
систематическая погрешность, вызванная селективностью применяемых светофильтров
типа НС, определяется формулой
где τ(λ) –
спектральный коэффициент пропускания светофильтра.
Погрешность, вызванная
селективностью τ(λ) светофильтра в процессе измерений, учитывается
путем введения поправочного множителя С3, определяемого соотношением
Расчеты показывают, что
составляющая неисключенной систематической погрешности за счет использования
нейтральных светофильтров может достигать 0,11%.
Систематическая
погрешность Θ4, обусловленная влиянием неактивных элементов
(приспособлений для крепления лампы) и разницей в поглощении излучения
измеряемой и светоизмерительной лампами, определяется по формуле
Экспериментально
определенное значение этой погрешности достигает 7 %. В процессе измерений
погрешность исключается путем введения поправочного множителя С4:
С учетом рассчитанных нами
неисключенных элементарных погрешностей метода при доверительной вероятности p
= 0,95 границы систематической погрешности будут определяться соотношением
Заключение
В данном курсовом проекте
мы осуществили проектирование установки для измерений светового потока
люминесцентной лампы ЛД-80, на основе типовых конструкций отдельных элементов с
учетом типа применяемого источника света и характеристик приемника излучения.
Установка включает в себя
следующую аппаратуру:
-фотометрический шар;
- приемник излучения;
- нейтральный светофильтр;
- светоизмерительную и
контрольную лампу;
- электроизмерительные
приборы.
Достоинства данной
установки в том, что она полностью соответствует требованиям ГОСТа и в полной
мере годится для измерения светового потока лампы ЛД-80, она имеет малые
габариты, что облегчает ее транспортировку.
Недостатки же данной
установки в том, что она спроектирована только для узкого спектра
люминесцентных ламп.
Пути дальнейшего
усовершенствования заключаются в возможности установки электропривода для
раскрытия светомерного шара.
Список использованной
литературы
1.
Гуторов М.М. Сборник задач по основам светотехники: Учеб. Пособие для
вузов. М.: Энергоатомиздат, 1988. 128 с.
2.
Охонская Е.В., Федоренко А.С, Расчет и конструирование люминесцентных
ламп: Учеб. Саранск: Изд-во Мордов. ун-та, 1997. 184 с.
3.
Рыков В.И., Хритина С.Ф. Фотометрия: Учеб. пособие / Мордов. ун-т
Саранск, 1985. 76 с.
4.
Рыков В.И. , Четвергов Д.И. Методы и средства измерения световых
параметров источников света: Учеб. пособие / Мордов. ун-т Саранск, 1988. 96 с.
5.
Методические указания к выполнению курсового проекта по фотометрии /
Сост.: В.И, Рыков, С.Ф. Хритина. Саранск: Изд-во Мордов. ун-та, 2001. 36 с.
6.
ГОСТ 17616-82 Лампы электрические. Методы измерения электрических и
световых параметров. М.: Изд-во стандартов, 1982. 41 с.
Приложение
Таблица 2
|
λ нм
|
S0 (λ)
|
V(λ)
|
V(λ)/S0 (λ)
|
τ(λ)
|
S(λ)
|
|
380
|
0.48
|
0.00004
|
0.000083
|
0.00007636
|
0.0000366
|
|
390
|
0.52
|
0.00012
|
0.000231
|
0.000212308
|
0.0001104
|
|
400
|
0.56
|
0.0004
|
0.000714
|
0.000657143
|
0.000368
|
|
410
|
0.6
|
0.00102
|
0.0017
|
0.001564
|
0.0009384
|
|
420
|
0.7
|
0.004
|
0.005714
|
0.005257143
|
0.00368
|
|
430
|
0.76
|
0.0116
|
0.015263
|
0.014042105
|
0.010672
|
|
440
|
0.78
|
0.023
|
0.029487
|
0.027128205
|
0.02116
|
|
450
|
0.8
|
0.038
|
0.0475
|
0.0437
|
0.03496
|
|
460
|
0.82
|
0.073171
|
0.067317073
|
0.0552
|
|
470
|
0.84
|
0.091
|
0.108333
|
0.099666667
|
0.08372
|
|
480
|
0.86
|
0.139
|
0.161628
|
0.148697674
|
0.12788
|
|
490
|
0.9
|
0.208
|
0.231111
|
0.212622222
|
0.19136
|
|
500
|
0.94
|
0.323
|
0.343617
|
0.31612766
|
0.29716
|
|
510
|
0.96
|
0.503
|
0.523958
|
0.482041667
|
0.46276
|
|
520
|
0.98
|
0.71
|
0.72449
|
0.666530612
|
0.6532
|
|
530
|
0.992
|
0.862
|
0.868952
|
0.799435484
|
0.79304
|
|
540
|
0.995
|
0.954
|
0.958794
|
0.882090452
|
0.87768
|
|
550
|
1
|
0.995
|
0.995
|
0.9154
|
0.9154
|
|
560
|
0.98
|
0.995
|
1.015306
|
0.934081633
|
0.9154
|
|
570
|
0.96
|
0.952
|
0.991667
|
0.912333333
|
0.87584
|
|
580
|
0.94
|
0.87
|
0.925532
|
0.851489362
|
0.8004
|
|
590
|
0.9
|
0.757
|
0.841111
|
0.773822222
|
0.69644
|
|
600
|
0.86
|
0.631
|
0.733721
|
0.675023256
|
0.58052
|
|
610
|
0.82
|
0.503
|
0.613415
|
0.564341463
|
0.46276
|
|
620
|
0.76
|
0.381
|
0.501316
|
0.461210526
|
0.35052
|
|
630
|
0.68
|
0.265
|
0.389706
|
0.358529412
|
0.2438
|
|
640
|
0.66
|
0.175
|
0.265152
|
0.243939394
|
0.161
|
|
650
|
0.6
|
0.107
|
0.178333
|
0.164066667
|
0.09844
|
|
660
|
0.56
|
0.061
|
0.108929
|
0.100214286
|
0.05612
|
|
670
|
0.5
|
0.032
|
0.064
|
0.05888
|
0.02944
|
|
680
|
0.46
|
0.017
|
0.036957
|
0.034
|
0.01564
|
|
690
|
0.41
|
0.0082
|
0.02
|
0.0184
|
0.007544
|
|
700
|
0.36
|
0.0041
|
0.011389
|
0.010477778
|
0.003772
|
|
710
|
0.32
|
0.0021
|
0.006563
|
0.0060375
|
0.001932
|
|
720
|
0.28
|
0.00105
|
0.00375
|
0.00345
|
0.000966
|
|
730
|
0.24
|
0.00052
|
0.002167
|
0.001993333
|
0.0004784
|
|
740
|
0.2
|
0.00025
|
0.00125
|
0.00115
|
0.00023
|
|
750
|
0.16
|
0.00012
|
0.00075
|
0.00069
|
0.0001104
|
|
760
|
0.14
|
0.00006
|
0.000429
|
0.000394286
|
0.0000552
|
Таблица 3
|
λ нм
|
φ(λ) св
|
φ(λ) из
|
V(λ)
|
ρ(λ)
|
1-ρ(λ)
|
А(λ)
|
φ(λ)св*А(λ)*V(λ)*Δλ
|
φ(λ)из*V(λ)*Δλ
|
φ(λ)св*V(λ)*Δλ
|
φ(λ)из*А(λ)*V(λ)*Δλ
|
|
380
|
2.8
|
0
|
0.00004
|
0.85
|
0.15
|
5.667
|
0.006347
|
0
|
0.0011
|
0
|
|
390
|
3.64
|
0
|
0.00012
|
0.855
|
0.145
|
5.897
|
0.025756
|
0
|
0.0044
|
0
|
|
400
|
4.51
|
28.7
|
0.0004
|
0.86
|
0.14
|
6.143
|
0.110817
|
0.1148
|
0.018
|
0.7052
|
|
410
|
5.52
|
39.7
|
0.00102
|
0.86
|
0.14
|
6.143
|
0.345867
|
0.40494
|
0.0563
|
2.487489
|
|
420
|
6.66
|
52.5
|
0.004
|
0.86
|
0.14
|
6.143
|
1.636457
|
2.1
|
0.2664
|
12.9
|
|
430
|
7.96
|
64.5
|
0.0116
|
0.86
|
0.14
|
6.143
|
5.672069
|
7.482
|
0.9234
|
45.96086
|
|
440
|
9.4
|
75
|
0.023
|
0.86
|
0.14
|
6.143
|
13.28086
|
17.25
|
2.162
|
105.9643
|
|
450
|
10.99
|
84
|
0.038
|
0.865
|
0.135
|
6.407
|
26.75861
|
31.92
|
4.1762
|
204.5244
|
|
460
|
12.74
|
92
|
0.06
|
0.87
|
0.13
|
6.692
|
51.156
|
55.2
|
7.644
|
369.4154
|
|
470
|
14.63
|
98
|
0.091
|
0.87
|
0.13
|
6.692
|
89.0967
|
89.18
|
13.313
|
596.82
|
|
480
|
16.68
|
100
|
0.139
|
0.875
|
0.125
|
7
|
162.2964
|
139
|
23.185
|
973
|
|
490
|
18.87
|
98.3
|
0.208
|
0.875
|
0.125
|
7
|
274.7472
|
204.464
|
39.25
|
1431.248
|
|
500
|
21.19
|
94
|
0.323
|
0.88
|
0.12
|
7.333
|
501.9205
|
303.62
|
68.444
|
2226.547
|
|
510
|
23.66
|
89.6
|
0.503
|
0.88
|
0.12
|
7.333
|
872.7385
|
450.688
|
119.01
|
3305.045
|
|
520
|
85
|
0.71
|
0.88
|
0.12
|
7.333
|
1366.229
|
603.5
|
186.3
|
4425.667
|
|
530
|
28.94
|
81
|
0.862
|
0.885
|
0.115
|
7.696
|
1919.779
|
698.22
|
249.46
|
5373.258
|
|
540
|
31.45
|
82
|
0.954
|
0.885
|
0.115
|
7.696
|
2308.95
|
782.28
|
300.03
|
6020.155
|
|
550
|
34.66
|
90
|
0.995
|
0.89
|
0.11
|
8.091
|
2790.288
|
895.5
|
344.87
|
7245.409
|
|
560
|
37.65
|
95.2
|
0.995
|
0.89
|
0.11
|
8.091
|
3030.996
|
947.24
|
374.62
|
7664.033
|
|
570
|
40.72
|
97
|
0.952
|
0.895
|
0.105
|
8.524
|
3304.292
|
923.44
|
387.65
|
7871.227
|
|
580
|
43.86
|
95
|
0.87
|
0.9
|
0.1
|
9
|
3434.238
|
826.5
|
381.58
|
7438.5
|
|
590
|
47.05
|
92.5
|
0.757
|
0.9
|
0.1
|
9
|
3205.517
|
700.225
|
356.17
|
6302.025
|
|
600
|
50.28
|
82
|
0.631
|
0.9
|
0.1
|
9
|
2855.401
|
517.42
|
317.27
|
4656.78
|
|
610
|
53.71
|
70.3
|
0.503
|
0.905
|
0.095
|
9.526
|
2573.642
|
353.609
|
270.16
|
3368.591
|
|
620
|
56.83
|
56
|
0.381
|
0.91
|
0.09
|
10.11
|
2189.281
|
213.36
|
216.52
|
2157.307
|
|
630
|
60.12
|
45.2
|
0.265
|
0.91
|
0.09
|
10.11
|
1610.882
|
119.78
|
159.32
|
1211.109
|
|
640
|
63.42
|
34.3
|
0.175
|
0.915
|
0.085
|
10.76
|
1194.721
|
60.025
|
110.99
|
646.1515
|
|
650
|
66.71
|
26.4
|
0.107
|
0.92
|
0.08
|
11.5
|
820.8666
|
28.248
|
71.38
|
324.852
|
|
660
|
69.98
|
21
|
0.061
|
0.92
|
0.08
|
11.5
|
490.9097
|
12.81
|
42.688
|
147.315
|
|
670
|
73.22
|
16.7
|
0.032
|
0.92
|
0.08
|
11.5
|
269.4496
|
5.344
|
23.43
|
61.456
|
|
680
|
76.43
|
13.5
|
0.017
|
0.92
|
0.08
|
11.5
|
149.4207
|
2.295
|
12.993
|
26.3925
|
|
690
|
79.59
|
11.4
|
0.0082
|
0.92
|
0.08
|
11.5
|
75.05337
|
0.9348
|
6.5264
|
10.7502
|
|
700
|
82.7
|
9.5
|
0.0041
|
0.925
|
0.075
|
12.33
|
41.81863
|
0.3895
|
3.3907
|
4.803833
|
|
710
|
85.76
|
8.2
|
0.0021
|
0.925
|
0.075
|
12.33
|
22.21184
|
0.1722
|
1.801
|
2.1238
|
|
720
|
88.76
|
7
|
0.00105
|
0.93
|
0.07
|
13.29
|
12.38202
|
0.0735
|
0.932
|
0.9765
|
|
730
|
91.68
|
6
|
0.00052
|
0.93
|
0.07
|
13.29
|
6.333778
|
0.0312
|
0.4767
|
0.414514
|
|
740
|
94.53
|
5
|
0.00025
|
0.935
|
0.065
|
14.38
|
3.399444
|
0.0125
|
0.2363
|
0.179808
|
|
750
|
97.31
|
0
|
0.00012
|
0.94
|
0.06
|
15.67
|
1.829428
|
0
|
0.1168
|
0
|
|
760
|
100
|
0
|
0.00006
|
0.94
|
0.06
|
15.67
|
0.94
|
0
|
0.06
|
0
|
|
404,7
|
5.015
|
35
|
0.00071
|
0.86
|
0.14
|
6.143
|
0.021873
|
0.02485
|
0.0036
|
0.15265
|
|
435,8
|
8.68
|
92.7
|
0.0173
|
0.86
|
0.14
|
6.143
|
0.922436
|
1.60371
|
0.1502
|
9.851361
|
|
546,1
|
33.055
|
45.5
|
0.9745
|
0.888
|
0.113
|
7.893
|
254.2591
|
44.33975
|
32.212
|
349.9861
|
|
577
|
42.29
|
13.4
|
0.911
|
0.898
|
0.103
|
8.762
|
337.5628
|
12.2074
|
38.526
|
106.9601
|
|
|
|
|
|
|
|
36271.39
|
9051.009
|
4168.3
|
74701.04
|
Таблица 4
|
λ нм
|
φ(λ)св
|
φ(λ)из
|
S(λ)
|
V(λ)
|
φ(λ)св*S(λ)*Δλ
|
Φ(λ)из*V(λ)*Δλ
|
Φ(λ)св*V(λ)*Δλ
|
φ(λ)из*S(λ)*Δλ
|
|
380
|
2.8
|
0
|
0.000037
|
0.00004
|
0.00102
|
0
|
0.00112
|
0
|
|
390
|
3.64
|
0
|
0.000110
|
0.00012
|
0.00402
|
0
|
0.004368
|
0
|
|
400
|
28.7
|
0.000368
|
0.0004
|
0.0166
|
0.1148
|
0.01804
|
0.10562
|
|
410
|
5.52
|
39.7
|
0.000938
|
0.00102
|
0.0518
|
0.40494
|
0.056304
|
0.37254
|
|
420
|
6.66
|
52.5
|
0.00368
|
0.004
|
0.24509
|
2.1
|
0.2664
|
1.932
|
|
430
|
7.96
|
64.5
|
0.010672
|
0.0116
|
0.84949
|
7.482
|
0.92336
|
6.88344
|
|
440
|
9.4
|
75
|
0.02116
|
0.023
|
1.98904
|
17.25
|
2.162
|
15.87
|
|
450
|
10.99
|
84
|
0.03496
|
0.038
|
3.8421
|
31.92
|
4.1762
|
29.3664
|
|
460
|
12.74
|
92
|
0.0552
|
0.06
|
7.03248
|
55.2
|
7.644
|
50.784
|
|
470
|
14.63
|
98
|
0.08372
|
0.091
|
12.2482
|
89.18
|
13.3133
|
82.0456
|
|
480
|
16.68
|
100
|
0.12788
|
0.139
|
21.3304
|
139
|
23.1852
|
127.88
|
|
490
|
18.87
|
98.3
|
0.19136
|
0.208
|
36.1096
|
204.464
|
39.2496
|
188.107
|
|
500
|
21.19
|
94
|
0.29716
|
0.323
|
62.9682
|
303.62
|
68.4437
|
279.33
|
|
510
|
23.66
|
89.6
|
0.46276
|
0.503
|
109.489
|
450.688
|
119.0098
|
414.633
|
|
520
|
26.24
|
85
|
0.6532
|
0.71
|
171.4
|
603.5
|
186.304
|
555.22
|
|
530
|
28.94
|
81
|
0.79304
|
0.862
|
229.506
|
698.22
|
249.4628
|
642.362
|
|
540
|
31.45
|
82
|
0.87768
|
0.954
|
276.03
|
782.28
|
300.033
|
719.698
|
|
550
|
34.66
|
90
|
0.9154
|
0.995
|
317.278
|
895.5
|
344.867
|
823.86
|
|
560
|
37.65
|
95.2
|
0.9154
|
0.995
|
344.648
|
947.24
|
374.6175
|
871.461
|
|
570
|
40.72
|
97
|
0.87584
|
0.952
|
356.642
|
923.44
|
387.6544
|
849.565
|
|
580
|
43.86
|
95
|
0.8004
|
0.87
|
351.055
|
826.5
|
381.582
|
760.38
|
|
590
|
47.05
|
92.5
|
0.69644
|
0.757
|
327.675
|
700.225
|
356.1685
|
644.207
|
|
600
|
50.28
|
82
|
0.58052
|
0.631
|
291.885
|
517.42
|
317.2668
|
476.026
|
|
610
|
53.71
|
70.3
|
0.46276
|
0.503
|
248.548
|
353.609
|
270.1613
|
325.32
|
|
620
|
56.83
|
56
|
0.35052
|
0.381
|
199.201
|
213.36
|
216.5223
|
196.291
|
|
630
|
60.12
|
45.2
|
0.2438
|
0.265
|
146.573
|
119.78
|
159.318
|
110.198
|
|
640
|
63.42
|
34.3
|
0.161
|
0.175
|
102.106
|
60.025
|
110.985
|
55.223
|
|
650
|
66.71
|
26.4
|
0.09844
|
0.107
|
65.6693
|
28.248
|
71.3797
|
25.9882
|
|
660
|
69.98
|
21
|
0.05612
|
0.061
|
39.2728
|
12.81
|
42.6878
|
11.7852
|
|
670
|
73.22
|
16.7
|
0.02944
|
0.032
|
21.556
|
5.344
|
23.4304
|
4.91648
|
|
680
|
76.43
|
13.5
|
0.01564
|
0.017
|
11.9537
|
2.295
|
12.9931
|
2.1114
|
|
690
|
79.59
|
11.4
|
0.007544
|
0.0082
|
6.00427
|
0.9348
|
6.52638
|
0.86002
|
|
700
|
82.7
|
9.5
|
0.003772
|
0.0041
|
3.11944
|
0.3895
|
3.3907
|
0.35834
|
|
710
|
85.76
|
8.2
|
0.001932
|
0.0021
|
1.65688
|
0.1722
|
1.80096
|
0.15842
|
|
720
|
88.76
|
7
|
0.000966
|
0.00105
|
0.85742
|
0.0735
|
0.93198
|
0.06762
|
|
730
|
91.68
|
6
|
0.000478
|
0.00052
|
0.4386
|
0.0312
|
0.476736
|
0.0287
|
|
740
|
94.53
|
5
|
0.00023
|
0.00025
|
0.21742
|
0.0125
|
0.236325
|
0.0115
|
|
750
|
97.31
|
0
|
0.000110
|
0.00012
|
0.10743
|
0
|
0.116772
|
0
|
|
760
|
100
|
0
|
0.000055
|
0.00006
|
0.0552
|
0
|
0.06
|
0
|
|
404,7
|
5.015
|
35
|
0.000653
|
0.00071
|
0.00328
|
0.02485
|
0.003561
|
0.02286
|
|
435,8
|
8.68
|
92.7
|
0.015916
|
0.0173
|
0.13815
|
1.60371
|
0.150164
|
1.47541
|
|
546,1
|
45.5
|
0.89654
|
0.9745
|
29.6351
|
44.3398
|
32.2121
|
40.7926
|
|
577
|
42.29
|
13.4
|
0.83812
|
0.911
|
35.4441
|
12.2074
|
38.52619
|
11.2308
|
|
|
|
|
|
3834.85
|
9051.01
|
4168.32
|
8326.93
|
Таблица 5
|
λ нм
|
φ(λ)св
|
φ(λ)из
|
V(λ)
|
τ(λ)
|
φ(λ)св*τ(λ)*V(λ)*Δλ
|
φ(λ)из*V(λ)*Δλ
|
φ(λ)св*V(λ)*Δλ
|
φ(λ)из*τ(λ)*V(λ)*Δλ
|
|
380
|
2.8
|
0
|
0.00004
|
0,120
|
0.00112
|
0
|
0.00112
|
0
|
|
390
|
3.64
|
0
|
0.00012
|
0,240
|
0.001048
|
0
|
0.004368
|
0
|
|
400
|
4.51
|
28.7
|
0.0004
|
0,260
|
0.004690
|
0.1148
|
0.01804
|
0.029848
|
|
410
|
5.52
|
39.7
|
0.00102
|
0,260
|
0.014639
|
0.40494
|
0.056304
|
0.105284
|
|
420
|
6.66
|
52.5
|
0.004
|
0,270
|
0.071928
|
2.1
|
0.2664
|
0.567
|
|
430
|
7.96
|
64.5
|
0.0116
|
0,280
|
0.258541
|
7.482
|
0.92336
|
75.0295
|
|
440
|
9.4
|
75
|
0.023
|
0,290
|
0.62698
|
17.25
|
2.162
|
5.0025
|
|
450
|
10.99
|
84
|
0.038
|
0,295
|
1.231979
|
31.92
|
4.1762
|
9.4164
|
|
460
|
12.74
|
92
|
0.06
|
0,300
|
2.2932
|
55.2
|
7.644
|
16.56
|
|
470
|
14.63
|
98
|
0.091
|
0,300
|
3.99399
|
89.18
|
13.3133
|
26.754
|
|
480
|
16.68
|
100
|
0.139
|
0,300
|
6.95556
|
139
|
23.1852
|
41.7
|
|
490
|
18.87
|
98.3
|
0.208
|
0,300
|
11.77488
|
204.464
|
39.2496
|
61.3392
|
|
500
|
21.19
|
94
|
0.323
|
0,300
|
20.53311
|
303.62
|
68.4437
|
91.086
|
|
510
|
23.66
|
89.6
|
0.503
|
0,300
|
35.70294
|
450.688
|
119.0098
|
135.2064
|
|
520
|
26.24
|
85
|
0.71
|
0,300
|
55.8912
|
603.5
|
186.304
|
181.05
|
|
530
|
28.94
|
81
|
0.862
|
0,310
|
77.33347
|
698.22
|
249.4628
|
216.4482
|
|
540
|
31.45
|
82
|
0.954
|
0,300
|
90.0099
|
782.28
|
300.033
|
234.684
|
|
550
|
34.66
|
90
|
0.995
|
0,300
|
103.4601
|
895.5
|
344.867
|
268.65
|
|
560
|
37.65
|
95.2
|
0.995
|
0,300
|
112.3853
|
947.24
|
374.6175
|
284.172
|
|
570
|
40.72
|
97
|
0.952
|
0,295
|
387.6544
|
923.44
|
387.6544
|
9261.642
|
|
580
|
43.86
|
95
|
0.87
|
0,290
|
110.6588
|
826.5
|
381.582
|
239.685
|
|
590
|
47.05
|
92.5
|
0.757
|
0,285
|
101.5080
|
700.225
|
356.1685
|
199.5641
|
|
600
|
50.28
|
82
|
0.631
|
0,285
|
90.42104
|
517.42
|
317.2668
|
147.4647
|
|
610
|
53.71
|
70.3
|
0.503
|
0,288
|
77.80645
|
353.609
|
270.1613
|
101.8394
|
|
620
|
56.83
|
56
|
0.381
|
0,290
|
62.79147
|
213.36
|
216.5223
|
61.8744
|
|
630
|
60.12
|
45.2
|
0.265
|
0,290
|
46.20222
|
119.78
|
159.318
|
34.7362
|
|
640
|
63.42
|
34.3
|
0.175
|
0,290
|
32.18565
|
60.025
|
110.985
|
17.40725
|
|
650
|
66.71
|
26.4
|
0.107
|
0,290
|
20.70011
|
28.248
|
71.3797
|
8.19192
|
|
660
|
69.98
|
21
|
0.061
|
0,290
|
12.37946
|
12.81
|
42.6878
|
3.7149
|
|
670
|
73.22
|
16.7
|
0.032
|
0,295
|
6.911968
|
5.344
|
23.4304
|
1.57648
|
|
680
|
76.43
|
13.5
|
0.017
|
0,300
|
3.89793
|
2.295
|
12.9931
|
0.6885
|
|
690
|
79.59
|
11.4
|
0.0082
|
0,310
|
2.023178
|
0.9348
|
6.52638
|
0.289788
|
|
700
|
82.7
|
9.5
|
0.0041
|
0,320
|
1.085024
|
0.3895
|
3.3907
|
0.12464
|
|
710
|
85.76
|
8.2
|
0.0021
|
0,320
|
0.576307
|
0.1722
|
1.80096
|
0.055104
|
|
720
|
88.76
|
7
|
0.00105
|
0,320
|
0.298234
|
0.0735
|
0.93198
|
0.02352
|
|
730
|
91.68
|
6
|
0.00052
|
0,310
|
0.0312
|
0.476736
|
0.009672
|
|
740
|
94.53
|
5
|
0.00025
|
0,300
|
0.070898
|
0.0125
|
0.236325
|
0.00375
|
|
750
|
97.31
|
0
|
0.00012
|
0,295
|
0.034447
|
0
|
0.116772
|
0
|
|
760
|
100
|
0
|
0.00006
|
0,290
|
0.0174
|
0
|
0.06
|
0
|
|
404,7
|
5.015
|
35
|
0.00071
|
0,260
|
0.000926
|
0.02485
|
0.003561
|
0.006461
|
|
435,8
|
8.68
|
92.7
|
0.0173
|
0,285
|
0.042797
|
1.60371
|
0.150164
|
0.457057
|
|
546,1
|
33.055
|
45.5
|
0.9745
|
0,300
|
9.663629
|
44.33975
|
32.2121
|
13.30193
|
|
577
|
42.29
|
13.4
|
0.911
|
0,292
|
11.24963
|
12.2074
|
38.52619
|
3.564561
|
|
|
|
|
|
1500.872
|
9051.009
|
4168.317
|
11744.02
|