Частотне регулювання потужності насоса

  • Вид работы:
    Практическое задание
  • Предмет:
    Технология машиностроения
  • Язык:
    Русский
    ,
    Формат файла:
    MS Word
    712,68 kb
  • Опубликовано:
    2010-11-21
Вы можете узнать стоимость помощи в написании студенческой работы.
Помощь в написании работы, которую точно примут!

Частотне регулювання потужності насоса

Міністерство освіти і науки України

Національний університет водного господарства і природокористування

Кафедра електротехніки і автоматики





Розрахунково-графічна робота

з дисципліни

«Монтаж, налагодження та експлуатація систем автоматизації»

Варіант 9



Виконав:

студент 5 курсу

групи АУТП-51

Пастушенко А.В.

Перевірив:

Кованько О.В.



Рівне – 2010







 

 

 

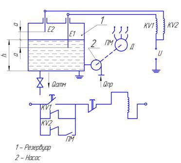
Рис1. Автоматична система регулювання рівня двопозиційним регулятором із зоною нечутливості

 


Задача 1

Визначити на якій відстані відносно заданого hзд необхідно встановити контактні електроди.

Розв’язок

Так як по умовам задачі витрата нагнітаючого і відсмоктуючого насоса практично не залежить від рівня води в резервуарі, то об’єкт регулювання в динамічному відношенні може бути предствлений інтегруючою ланкою


У зв’язку з тим, що витрата насосів пропорційна числу обертів регулююча дія регулятора в приростах від заданого значення рівня В1=К(nном- nзд);

В1=К(2nзд- nзд)=К nзд2=В, де

К- коефіцієнт пропорційності

У відносних одиниціях регулююча дія записується так:

;

=1=B1=B2

 

Так як запізнення в системі рівне нулю, то при обмеженому числі вмикань двигуна, двопозиційний регулятор повинен мати статичну характеристику із зоною нечутливості, що не дорівнює нулю 2а≠0.

Таким чином параметри статичної характеристики регулятора:

B1=B2=B, a ≠ 0

Процес двопозиційного регулювання об’єкта з передаточною функцією

 

розраховується таким чином:

 так як діапазон коливань   

∆x=∆h=2a;

n = 2m;

Тоді            ;

Підставляючи значення величин знаходимо діапазон коливання рівня води в резервуарі у відносних одиницях


Діапазон коливань в абсолютних одиницях:

     м

Таким чином електроди в резервуарі повинні бути встановлені на відмітках:

   м

   м

Задача 2

На нашу систему надходить ступінчаста збурюча дія зі сторони відтоку, для компенсації якої в рівноважному стані необхідне збільшення числа обертів

nзд = 0.5nном

∆n = 0.9nном

Потрібно визначити частоту включень електродвигуна та час його включеного і виключеного стану за один період і тривалість включення ПВ(%).

Розв’язок

Визначаємо регулюючу дію В1 на об’єкт при включеннях електродвигуна в приростах від умовного рівноважного стану у відносних одиницях

n1=0.5nном+0.9nном=0.14nном

 n1 – число обертів електродвигуна при новому умовно-рівноважному стані

При вимкненні електродвигуна регулююча дія рівна

пер/год

Число ввімкнень електродвигуна вм/год

 

 (хв.)

  (хв.)

Задача 3

Розглянемо АСР рівня води в резервуарі зображену на даному рисунку. Умови: вода подається до споживача самотоком.

hзд=9 (м);

h1=5.175 (м);

h2=12.825(м);

В рівноважному стані nзд=0,5nном.

Коефіцієнт передачі об’єкта Kоб=9∙10-3.

Постійна часу Tоб=19 (хв).

Визначити період встановившихся коливань рівня води в резервуарі, так як в даному випадку витрата води в резервуарі залежить від рівня то в динамічному відношенні об’єкт регулювання являється аперіодичною ланкою першого порядку з передаточною функцією:

В1=6.14;

В2=1;

 (хв)

 (хв)

Похожие работы на - Частотне регулювання потужності насоса

 

Не нашли материал для своей работы?
Поможем написать уникальную работу
Без плагиата!
Без нейросетей!