Цветочница – "Многоэтажка"

  • Вид работы:
    Сочинение
  • Предмет:
    Технология машиностроения
  • Язык:
    Русский
    ,
    Формат файла:
    MS Word
    328,16 kb
  • Опубликовано:
    2009-12-07
Вы можете узнать стоимость помощи в написании студенческой работы.
Помощь в написании работы, которую точно примут!

Цветочница – "Многоэтажка"

МИНИСТЕРСТВО ОБРАЗОВАНИЯ РФ









Творческий проект:

Цветочница - "Многоэтажка"



Выполнил: Назаров Фаниль.

Проверил:







с. Кизильское 2008 г.

Содержание

Введение

1. Виды вариантов цветочницы и окончательный выбор конструкции

2. Конечный выбор варианта цветочницы

3. Сборочный чертёж цветочницы

4. Технология изготовления цветочницы

4.1 Чертёж основания цветочницы

4.2 Чертёж стойки

4.3 Чертёж подставки

4.4 Чертёж верхней подставки

5. Технологическая карта. Изготовление цветочницы

6. Экономическое обоснование изготовления цветочницы

Список литературы

Введение


Выбор для разработки цветочницы, послужил тот факт, что подобные изделия, очень востребуем в обществе, и являются как средством украшения интерьера, так и непосредственно вещью для его прямого назначения.

Цветочницы - это подставки под цветы, которые используются для того, чтобы не ставить горшка с цветами прямо на землю. Цветочницы могут быть, как созданными для использования в пределах жилых помещений, так и более масштабными - созданными для установки на улице. Цветочницы предназначены для освобождения пространства комнаты, загроможденными цветами в горшках. Различные варианты исполнения, оригинальный современный дизайн и широкие функциональные возможности обеспечивают любые запросы потребителей.

Актуальностью выбора данной темы послужило то, что моя мама очень любит выращивать и ухаживать за цветами. Их в нашем доме стало так много, что уже, практически, не остаётся свободного места для нас. И я решил разработать цветочницу, имеющую малые габариты, и в тоже время, которая смогла бы удерживать на себе как можно больше горшков с цветами.

1. Виды вариантов цветочницы и окончательный выбор конструкции


Посетив несколько сайтов, для подбора и нахождения рисунков цветочниц, я отобрал несколько изделий.

1). Изделие из древесины и металла. Изготовлена для одного горшка с цветком. (Рис. 1).


2). Изделие из древесины и металла. Цветочница имеет четыре яруса для установки цветов. (Рис. 2)

3). Изделие из древесины. Конструкция состоит из много детальных частей, скрепленных с помощью винтового соединения. (Рис.3)

2. Конечный выбор варианта цветочницы


Каждая из представленных цветочниц мне очень понравилась. И я решил, взяв с каждой по элементу, создать своё новое, не повторимое. Моей идеей было изготовление цветочницы, почти похожей, той, что представлена на рисунке 2. Однако я решил, что четырёх ярусов для горшков с цветами не достаточно, и, подумав, я разработал чертёж для сбора цветочницы в семь ярусов. Большим удовольствием для меня является работа с древесиной. Значит и все стойки цветочницы я планировал изготовить из древесины. Тем более, что точёные стойки цветочницы будут кок раз подходить к интерьеру нашей комнаты. А именно я планировал выточить их по типу формы ножек стола и стульев, расположенного в нашем зале.

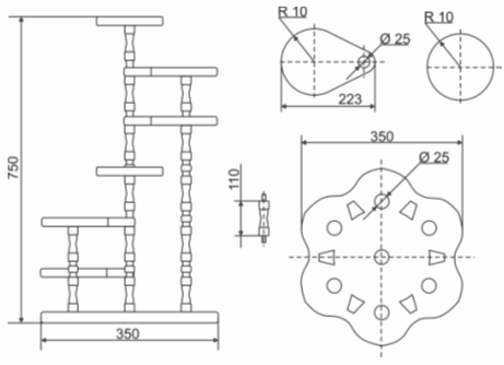
3. Сборочный чертёж цветочницы



Форм.

Зона

Поз.

Обозначение

Наименование

Кол.

Прим.

А4

Ø 60


ТП 00.000

Сборочный







чертёж














Детали



А4


1

ТП 00.001

Основание

1


А4


2

ТП 00.002

Стойка

12


А4


3

ТП 00.003

Подставка

6


А4


4

ТП 00.004

Верхняя подставка

1









 

 

 

 

 

ТП 00.000 СБ

 

 

 

 

 

 

 

 

 

 

 

 

 

 

 

Цветочница

(Сборочный чертёж)

Лит.

Масса

Масштаб

Изм.

Лист

№ докум.

Подп

Дата

 

 

 



Разраб.

Назаров Ф.Г.

 

 

Пров.

 

 

 

Т. Контр.

 

 

 

Лист

Листов

 

 

 

 

 

 

Н. контр.

 

 

 

Утв.

 

 

 


4. Технология изготовления цветочницы


Процесс изготовления цветочницы протекает в 6 стадий.

Стадии изготовления цветочницы:

Выбор варианта с габаритными размерами, по чертёжу.

Подготовка материалов для изготовления деталей с учётом размеров и припусков для обточки и зажима на токарном станке.

Распиливание и обработка деталей по заданным параметрам чертежа.

Отшлифовка деталей вручную и на станке наждачной бумагой.

Скрепление всех деталей с использованием клей.

Окончательная отшлифовка скреплённых, воедино, деталей и лакирование.

4.1 Чертёж основания цветочницы







ТП 00.001

















Основание

Лит.

Масса

Масштаб

Изм.

Лист

Подп

Дата






Разраб.

Назаров Ф.Г.



Пров.




Т. Контр.




Лист

Листов








Н. контр.




Утв.




4.2 Чертёж стойки








ТП 00.002

















Стойка

Лит.

Масса

Масштаб

Изм.

Лист

№ докум.

Подп

Дата






Разраб.

Назаров Ф.Г.



Пров.




Т. Контр.




Лист

Листов







Н. контр.




Утв.





4.3 Чертёж подставки








ТП 00.003

















Подставка

Лит.

Масса

Масштаб

Изм.

Лист

№ докум.

Подп

Дата






Разраб.

Назаров Ф.Г.



Пров.




Т. Контр.




Лист

Листов







Н. контр.




Утв.





4.4 Чертёж верхней подставки






ТП 00.003

















Верхняя подставка

Лит.

Масса

Масштаб

Изм.

Лист

№ докум.

Подп

Дата






Разраб.

Назаров Ф.Г.



Пров.




Т. Контр.




Лист

Листов








Н. контр.




Утв.





5. Технологическая карта. Изготовление цветочницы



6. Экономическое обоснование изготовления цветочницы


Для изготовления цветочницы необходимо: брус длинной 2600 мм (с учётом закрепления деталей на станке и подрезки концов, её стоимость, с габаритными размерами 40 * 3000 мм - составит 60 руб.), и доска габаритными размерами 20 * 200 х 1500 мм (стоимость доски габаритными размерами 20 * 200 х 5000 мм - составляет 160 руб.).

Затрата электроэнергии на работу за токарным станком по дереву, непосредственно при изготовлении стойки цветочницы, а так же работа за сверлильным станком, работе с электролобзиком и фрезерной машинке, по расчёту будет составлять ~ 8 рублей.


Список литературы


1. Балашов К.А., Кобелева И.В. Экономика предприятия и основных отраслей народного хозяйства (задания для практических и самостоятельных работ студентов стационара и ОЗО технологического факультета). Магнитогорск: МаГУ, 2001. - 36с.

Интернет сайты:

2. http://www.titano.ru/

5. Кряков М.В., Гулин В.С., Берелин А.В. Современное производство мебели. - М.: Лесная промышленность, 1986. - 65с.

6. Подласый И.П. Педагогика. Новый курс: Учебник для студ. пед. вузов: В 2 кн. - М.: Гуманит. Изд. центр Владос, 1999. Кн 1: Общие основы. Процесс обучения. - 127 стр.

Похожие работы на - Цветочница – "Многоэтажка"

 

Не нашли материал для своей работы?
Поможем написать уникальную работу
Без плагиата!
Без нейросетей!