Технология деревообработки

  • Вид работы:
    Контрольная работа
  • Предмет:
    Технология машиностроения
  • Язык:
    Русский
    ,
    Формат файла:
    MS Word
    53,05 kb
  • Опубликовано:
    2010-03-08
Вы можете узнать стоимость помощи в написании студенческой работы.
Помощь в написании работы, которую точно примут!

Технология деревообработки

Министерство образования Российской Федерации

СИБИРСКИЙ ГОСУДАРСТВЕННЫЙ ТЕХНОЛОГИЧЕСКИЙ УНИВЕРСИТЕТ

Институт заочно-дистанционного образования и довузовской подготовки

Факультет: Химико-технологический

Кафедра: Технологии деревообработки





КОНТРОЛЬНАЯ РАБОТА

(ТД.000000.851.КнР)

Руководитель: Н.И.Лях

Разработала:

Студентка 1курса спец.0605

0505106, 3группа

Цыганкова О.В.

Расчетная часть

Исходные данные.

Таблица 1. Исходные данные к расчетной части контрольной работы.

Наименование детали (узла)

Материал

Размеры, мм

Конструктивная характеристика

Перечень операций для расчета производительности оборудования

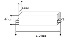
1. Брусок

Бук

110х44х44

Квадратного сечения, на концах шипы

Шлифование, фрезерование шипов

2. Щит

ДСтП, облицованная строганным шпоном ценных пород

1900х332х17

Облицованы пласти и кромки

Облицовывание пластей и кромок


1. Вычертить эскиз деталей

Брусок


Щит


Ведомость расчета древесных материалов

Наименование деталей

Исходные лесоматериалы

Кол-во деталей в изделии, шт.

Размеры деталей в чистоте

Объем деталей на одно изделие, м

Припуски, мм

Размер заготовки, мм

Объем заготовок на одно изделие, м

Объем заготовок на 1000 изделий, м

Процент произв-х и техн. потерь

Объем заготовок на 1000 изделий с учетом потерь, м

Процент выхода заготовок при раскрое

Объем лесоматериалов на 1000 изделий, м

Процент чистого выхода

Объем лесоматериалов на программу, м

Наименование

Порода

Сорт

Длина

Ширина

Толщина

На длину

На ширину

На толщину

Длина

Ширина

Толщина

1

2

3

4

5

6

7

9

10

11

12

13

14

15

16

17

18

19

20

21

22

23

Брусок

Пиломатериал

Бук

1,2,3

1

1100

44

44

0,00213

15

5

5

1115

49

50

0,00273

2,73

5

2,87

49

5,85

36,38

58,54

Щит

Сборочный

1

1900

332

17
















Основа щита

ДСТП

П-1, П-2


1

1900

332

16

0,6308

22

22

0

1922

354

17

0,68038

680,39

2

693,99

92

754,34

83,62

7543,43

Облицовка пласти

Строганный шпон

Бук

1-2

1900

332

0,5

1,2616

20

15

0

1942

369

0,5

1,43319

1433,19

9

1562,18

64

2440,91

51,69

24409,12

Облицовка продольных кромок

Строганный шпон

Бук

1-2

2

1900

17

0,5

0,0646

20

7

0

1942

24

0,5

0,09322

93,22

9

101,61

64

158,76

40,69

1587,59

Облицовка поперечных кромок

Строганный шпон

Бук

1-2

2

332

17

0,5

0,01129

20

7

0

352

24

0,5

0,01689

16,89

9

18,42

64

28,78

39,23

287,76



2. Выбрать оборудование и произвести расчет производительности станков для выполнения указанных операций, определить потребное их количество для обработки 10000 деталей в смену.

Операция: Фрезерование шипов.

Выберем двусторонний шипорезный станок для ящичного прямого шипа, среднего типа, предназначенный для формирования прямых шипов с двух сторон в деталях длинной до 2000мм - Ш2ПА.

Технические характеристики станков для формирования ящичных шипов

1. Наибольший размер обрабатываемых деталей, мм:

Длина – 1250

Толщина – 100

2. Наибольшая длина шипа, мм – 50

3. Наибольшее перемещение, мм:

Шипорезных головок – 200

4. Скорость перемещения м/мин:

Шипорезных головок – 3,2; 4,5; 5,3; 6,5

Схема организации рабочего места.

Производительность двусторонних станков для формирования ящичных шипов

П = шт/смена

Где  - цикл обработки детали (устанавливается в соответствии с паспортными данными и режимом обработки, мин)

*- кол-во одновременно обрабатываемых деталей в пачке, шт

= 0,75 - 0,8 = 0,8 – 0,85

(Справочник мебельщика. Станки и инструменты, 1976. стр. 34)

Принимаем *-5шт, = 15с = 0,25мин

П =  шт/смена

Потребное кол-во станков


где Q = 10000 шт/смена – сменное задание

Принимаем = 2 станка

Операция: Облицовывание пластей.

Выберем линию МФП1.

Линия МФП1 предназначена для двухстороннего фанерования щитов строганным, лущеным и синтетическим (на основе пропитанных бумаг) шпоном по пласти быстрополимеризующихся карбамидными клеями горячего отверждения.

Техническая характеристика линии МФП1.

Расчет производительности линии:

Пересчитываем расчетную производительность линии на щиты заданного формата:

 шт/ч

Тогда сменная производительность

*  шт/смена

Потребное кол-во линий:

(допускается перегрузка 20% 1 станка)

Принимаем = 7 линий

(Q = 10000 – сменное задание)

Операция: Облицовывание кромок.

Выбираем линию форматной обработки щитов МФК1.

Назначение линии: форматная обрезка прямоугольных щитов и последующее облицовывание кромок с помощью клеев – расплавов.

Техническая характеристика линии МФК1

Расчетная производительность (для щитов заданного формата)

щита/час

Сменное задание Q =10000 щитов/смена

Потребное кол- во линий


Принимаем линий.


Не нашли материал для своей работы?
Поможем написать уникальную работу
Без плагиата!
Без нейросетей!