Технологический расчет электродвигателя

  • Вид работы:
    Курсовая работа (т)
  • Предмет:
    Технология машиностроения
  • Язык:
    Русский
    ,
    Формат файла:
    MS Word
    625,25 kb
  • Опубликовано:
    2009-12-07
Вы можете узнать стоимость помощи в написании студенческой работы.
Помощь в написании работы, которую точно примут!

Технологический расчет электродвигателя

Содержание

1. Кинематический и энергетический расчёт привода……………....……..2

2. Расчёт передач редуктора……………………………………………….…4

3. Расчёт цепной передачи…………………………………………………..12

4. Предварительный расчёт валов…………………………………...……...16

5. Определение конструктивных размеров зубчатых колёс и корпуса…..18

6. Эскизная компоновка редуктора…………………………………...…….20

7. Подбор подшипников……………………………………………..……...22

8. Проверка прочности шпоночных соединений………………...………...32

9. Проверочный расчёт валов редуктора…………………………...………33

10.   Выбор муфты…………………………………………………...…………45

11.   Смазка редуктора………………………………………………...……….46

12.   Сборка редуктора……………………………………………………...….47

Библиографический список ………………………………………….............…49

1. Кинематический и энергетический расчёт привода

Определяем требуемую мощность электродвигателя на основании исходных данных.


где N = 1,7 кВт – мощность на ведомом валу привода;

h - КПД привода, равный произведению частных КПД;


где по [1, табл. 1.1]

hЦ. = 0,9 – КПД цепной передачи,

h1,2 = 0,97 – КПД закрытой зубчатой передачи с цилиндрическими колёсами,

hП. = 0,99 – КПД в подшипниках.

При выборе электродвигателя учитываем возможность пуска транспортёра с полной загрузкой. Поэтому выбираем двигатель с повышенным пусковым моментом. По требуемой мощности подходит двигатель АИР112МА8 Nдв.=2,2 кВт, n =750 об/мин.

Передаточное отношение


где nдв. = 750 об/мин. – частота вращения выбранного электродвигателя,

n = 30 об/мин. – частота вращения ведомого вала.

Намечаем, ориентируясь на [1, табл. 1.2] частные передаточные числа: цепной передачи  редуктора .

Разбираем общее передаточное отношение редуктора i: принимаем для быстроходной ступени iБ =4 и для тихоходной iТ =2,5.

Определяем угловые скорости и частоты вращения валов:

Ведущий вал редуктора

;

Промежуточный вал редуктора


Ведомый вал редуктора


Вал барабана

Вращающие моменты на валах определим, исходя из требуемой мощности электродвигателя:


2. Расчёт передач редуктора

Так как в задании нет особых требований в отношении габаритов передачи, выбираем материалы со средними механическими характеристиками. По [1, табл. 3.3] принимаем для шестерен сталь 45 улучшенную с твёрдостью НВ 230; для колёс сталь 45 улучшенную с твёрдостью НВ 200.

Рассчитываем допускаемые контактные напряжения


где =2НВ+70 – предел контактной выносливости при базовом числе циклов по [1, табл. 3.2];

KHL =1 – коэффициент долговечности при длительной эксплуатации редуктора;

[n]H =1,15 – коэффициент запаса прочности.

Принимаем по [1, табл. 3.1] значения коэффициента нагрузки для случая несимметричного расположения колёс .

Коэффициенты ширины венцов по межосевому расстоянию для быстроходной ступени ybaБ =0,25 и для тихоходной ybaТ =0,4.

Расчёт тихоходной ступени

Межосевое расстояние из условия контактной выносливости активных поверхностей зубьев


где KНb =1,25 – коэффициент нагрузки для несимметричного расположения

колёс по [1, табл. 3.1];

ybaT =0,4 – коэффициент ширины венцов по межосевому расстоянию.

Принимаем по стандарту аwТ =140 мм.

Нормальный модуль

По СТ СЭВ 310-76 принимаем мм.

Принимаем предварительный угол наклона зубьев b=10° и определяем числа зубьев шестерни и колеса:


Принимаем z3=28.

Тогда .

Уточняем значения угла b:

; .

Основные размеры шестерни и колеса:

Диаметры делительные

проверка:


Диаметры вершин зубьев:


Ширина колеса


Ширина шестерни


Определяем коэффициент ширины шестерни по диаметру:


Окружная скорость колёс тихоходной ступени


При данной скорости назначаем 8-ю степень точности. Коэффициент нагрузки для проверки контактных напряжений


где КНb =1,072 – по [1, табл. 3.5];

КНa =1,06 – по [1, табл. 3.4];

КНn =1 – по [1, табл. 3.6].

Проверяем контактные напряжения:


Силы, действующие в зацеплении тихоходной ступени:

Окружная


Радиальная


Осевая

Проверка зубьев тихоходной ступени на выносливость по напряжениям изгиба:


где  - коэффициент нагрузки,

здесь KFb =1,12 по [1, табл. 3.7];

KFv =1,15 по [1, табл. 3.8];

YF =3,611 – коэффициент формы зуба;


Допускаемое напряжение и отношения


где - предел выносливости при отнулевом цикле

изгиба;

 - коэффициент запаса прочности по [1, табл. 3.9];

- коэффициент, учитывающий повышение прочности косых зубьев по сравнению с прямыми;

KFa =0,75.

Проверяем зуб колеса .

Расчёт быстроходной ступени

Межосевое расстояние из условия контактной выносливости активных поверхностей зубьев


где KНb =1,25 – коэффициент нагрузки для несимметричного расположения колёс по табл. 3.1 [1];

ybaБ =0,25 – коэффициент ширины венцов по межосевому расстоянию.

Принимаем по стандарту аwБ =125 мм.

Нормальный модуль

По СТ СЭВ 310-76 принимаем мм.

Принимаем предварительный угол наклона зубьев b = 10° и определяем числа зубьев шестерни и колеса:


Принимаем z1=22.

Тогда .

Уточняем значения угла b:

;.

Основные размеры шестерни и колеса:

Диаметры делительные


проверка:

Диаметры вершин зубьев:


Ширина колеса


Ширина шестерни


Определяем коэффициент ширины шестерни по диаметру:


Окружная скорость колёс быстроходной ступени


При данной скорости назначаем 8-ю степень точности. Коэффициент нагрузки для проверки контактных напряжений


где КНb =1,07 – по [1, табл. 3.5];

КНa =1,09 – по [1, табл. 3.4];

КНn =1 – по [1, табл. 3.6].

Проверяем контактные напряжения:


Силы, действующие в зацеплении быстроходной ступени:

Окружная


Радиальная


Осевая


Проверка зубьев быстроходной ступени на выносливость по напряжениям изгиба:

где  - коэффициент нагрузки,

здесь KFb =1,07 по [1, табл. 3.7];

KFv =1,15 по [1, табл. 3.8];

YF =3,605 – коэффициент формы зуба;


Допускаемое напряжение и отношения


где - предел выносливости при отнулевом цикле

изгиба;

 - коэффициент запаса прочности по [1, табл. 3.9];

- коэффициент, учитывающий повышение прочности косых зубьев по сравнению с прямыми;

KFa =0,75.

Проверяем зуб колеса .

3. Расчёт цепной передачи

Выбираем приводную роликовую цепь по [1, табл. 5.12].

Вращающий момент на ведущей звёздочке

.

Передаточное число было принято .

Числа зубьев: ведущей звёздочки

;

Ведомой звёздочки

.

Расчётный коэффициент нагрузки

;

где kД =1- динамический коэффициент при спокойной нагрузке;

kа =1 – учитывает влияние межосевого расстояния;

kН =1 – учитывает влияние угла наклона линии центров;

kР =1,25 – при периодическом регулировании натяжении цепи;

kС = 1,4 – при периодической смазке;

kП =1,25 – при двухсменной работе.

Определяем шаг однорядной цепи:

,

где [p] =32,9 – допускаемое среднее давление по [1, табл. 5.15].

Принимаем t =25,4 мм (ГОСТ 13568-75); Q =5670 кгс; q =2,6 кг/м; F =179,7 мм2.

Определяем скорость цепи:

.

Окружное усилие

.

Проверяем давление в шарнире:


Уточняем по табл. 5.15 допускаемое давление

.

Условие  выполнено.

Усилия в цепи:

от провисания

,

где kf =1,5 – коэффициент, учитывающий влияние расположения передачи по [1, табл. 5.12]; аЦ =1,106 – межосевое расстояние.

.

от центробежных сил

.

Расчётная нагрузка на валы

.

Проверяем коэффициент запаса прочности цепи на растяжение:

.

Основные размеры ведущей звёздочки:


где d1 = 15,88 – диаметр ролика.

Толщина диска звёздочки:

,

где Ввн = 15,88 - расстояние между пластинками внутреннего звена по [1, табл. 5.12].

Основные размеры ведомой звёздочки:


Число звеньев цепи:


где at =40 – коэффициент по межосевому расстоянию;

zS =98 – суммарное число зубьев;

.

Уточняем межосевое расстояние:


Для свободного провисания цепи уменьшаем расчётное межосевое расстояние на 0,4%. Получаем a =1010 мм.

4. Предварительный расчёт валов

Определяем крутящие моменты в поперечных сечениях валов:

Диаметр выходного конца ведущего вала при допускаемом напряжении


Так как вал редуктора соединён муфтой с валом электродвигателя, то необходимо согласовать диаметры ротора dДВ = 32мм и вала dВ1.

Примем мм; диаметры шеек под подшипники мм. Шестерню выполним за одно целое с валом.

У промежуточного вала определяем диаметр по пониженным допускаемым напряжениям


Шестерню выполним за одно целое с валом. Принимаем диаметр под колесом мм; под подшипниками мм.

Учитывая влияние изгиба вала от натяжения цепи, ведомый вал рассчитываем при .

Диаметр выходного конца вала


Принимаем мм; диаметры под подшипниками мм; под колесом мм.

5. Определение конструктивных размеров зубчатых колёс и корпуса

Рассчитываем конструктивные размеры зубчатых колёс по следующим формулам и сводим результаты в табл. 1.

Диаметр ступицы стальных колёс:

,

где dВ – диаметр вала;

Длина ступицы:

.

Толщина обода цилиндрических колёс:

,

где mn – нормальный модуль.

Толщина диска:

,

где b – ширина венца.

Диаметр центровой окружности:

,

где


- внутренний диаметр обода.

Диаметр отверстий:

.

Фаска: .

Таблица№1 Конструктивные размеры зубчатых колёс, мм.

Колеса

mn

z

b

da

d

dСТ

lСТ

d0

C

D0

Dотв

dотв

n

Z1

2,25

22

36

54,5

50

-

1

Z2

88

32

204,5

200

36

60

46

8

10

178

120

30

Z3

2,75

28

62

85,5

80

-

1,5

Z4

70

56

205,5

200

56

90

56

8

17

178

134

22


Конструктивные размеры корпуса редуктора.

Толщина стенок:


Принимаем мм.

Толщина фланцев

мм;

мм; принимаем мм.

Толщина рёбер основания корпуса

 мм.

Диаметр фундаментных болтов

мм; принимаем  мм.

Диаметр болтов: у подшипников

мм; принимаем мм.

соединяющих основания корпуса с крышкой

мм; принимаем мм.

Размер, определяющий положение болтов d2

мм.

Размеры штифта:

диаметр

; принимаем мм.

длина

мм; принимаем мм.

6. Эскизная компоновка редуктора

Компоновку проводим в два этапа. Первый этап служит для приближенного определения положения зубчатых колес и звездочки относительно опор для последующего определения опорных реакций и подбора подшипников.

Выявляем расстояния между опорами и положение зубчатых колёс относительно опор. Выполняем чертёж в масштабе 1 : 1, рис.1.

Выбираем способ смазки: зубчатые зацепления – окунанием зубчатых колёс в масляную ванну, подшипники – консистентной смазкой.

Последовательность выполнения компоновки такова:

Проводим две вертикальные осевые линии на расстоянии awБ = 125мм и слева от второй третью на расстоянии awТ =140мм.

Рис.1. Предварительная компоновка двухступенчатого цилиндрического редуктора.

Ориентировочно намечаем для ведущего вала радиальные шарикоподшипники особо мелкой серии и конические роликовые лёгкой серии для промежуточного и ведомого валов, подбирая их по диаметрам посадочных мест.

Таблица№2 Подобранные подшипники по ГОСТ 8338-75 и ГОСТ 27365-87.

№ вала

Обозначение подшипника

d, мм.

D, мм.

B, мм.

C, кН.

С0, кН.

1

7000106

30

55

9

11,2

5,85

2

7207А

35

72

18,25

48,4

32,5

3

7210А

50

90

20,75

51,9

39,8


Принимаем зазоры между торцами колёс и внутренней стенкой корпуса 10мм.

Вычерчиваем зубчатые колёса в виде прямоугольников и очерчиваем внутреннюю стенку корпуса.

Размещаем подшипники в корпусе редуктора, углубив их от внутренней стенки корпуса на 10мм.

Для предотвращения вытекания внутрь корпуса и вымывания пластичной смазки жидким маслом из зоны зацепления устанавливаем мазеудерживающие кольца. Их ширина 12мм, остальные размеры определяем конструктивно.

Замером устанавливаем расстояния, определяющие положения звёздочки, подшипников и зубчатых колёс.

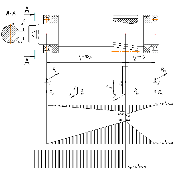
7. Подбор подшипников

Ведущий вал.

Из предыдущих расчётов имеем:


Реакции опор:

в плоскости XZ



Проверка:

.

в плоскости YZ


Рис. 2. Схема ведущего вала.


Проверка:

.

Суммарные реакции:


Подбираем подшипники по более нагруженной опоре 2.

Эквивалентная нагрузка:

,

где Fa =PaБ =154 Н – осевая нагрузка;

V =1 – коэффициент, учитывающий вращение колец;

Kб = 1,1 – коэффициент безопасности по [1, табл. 7.2];

KТ = 1 – температурный коэффициент по [1, табл. 7.1].

Отношение

;

этой величине по [1, табл. 7.3] соответствует .

Отношение

; .

.

Расчётная долговечность, млн. об.


Расчётная долговечность, ч


Промежуточный вал.

Из предыдущих расчётов имеем:


Реакции опор:

в плоскости XZ


Проверка:

.

в плоскости YZ


Рис.3. Схема промежуточного вала.


Проверка:

.

Суммарные реакции:


Осевые составляющие радиальных реакций конических радиально-упорных подшипников:


Осевые нагрузки подшипников в данном случае  тогда

.

Рассмотрим левый подшипник:

;

поэтому осевую нагрузку учитываем .

Эквивалентная нагрузка

.

Расчётная долговечность, млн. об.


Расчётная долговечность, ч


Рассмотрим правый подшипник:

;

осевую нагрузку не учитываем.

.

Расчётная долговечность, млн. об.


Расчётная долговечность, ч


Ведомый вал.

Из предыдущих расчётов имеем:


Реакции опор:

в плоскости XZ


Проверка:

.

в плоскости YZ

Рис.4. Схема ведомого вала.

Проверка:

.

Суммарные реакции:


Осевые составляющие радиальных реакций конических радиально-упорных подшипников:


Осевые нагрузки подшипников в данном случае  тогда

.

Рассмотрим левый подшипник:

;

поэтому осевую нагрузку не учитываем.

Эквивалентная нагрузка


Расчётная долговечность, млн. об.

Расчётная долговечность, ч


Рассмотрим правый подшипник:

;

осевую нагрузку учитываем .

.

Расчётная долговечность, млн. об.


Расчётная долговечность, ч


8. Проверка прочности шпоночных соединений

Для передачи вращающих моментов применяем шпонки призматические со скруглёнными торцами по СТ СЭВ 189-75 и вычерчиваем их:

Ведущий вал - Æ24 мм, b´h´l = 8´7´36 мм;

,

где Мк – крутящий момент на валу;

dк – диаметр колеса;

t1 – глубина шпоночного паза на валу;

 - допускаемое напряжение смятия.

Промежуточный вал - Æ42 мм, b´h´l = 12´8´32 мм;

;

Ведомый вал :

Æ55 мм, b´h´l = 16´10´45 мм;

;

Æ42 мм, b´h´l = 12´8´56 мм;

;

Вал барабана - Æ50 мм, b´h´l = 16´10´80 мм;

.

9. Проверочный расчёт валов редуктора

Примем, что нормальные напряжения от изгиба изменяются по симметричному циклу, а касательные от кручения – по отнулевому (пульсирующему).

Уточнённый расчёт состоит в определении коэффициентов запаса прочности n для опасных сечений и сравнений их с требуемыми значениями [n]. Прочность соблюдена при

Будем производить расчёт для предположительно опасных сечений каждого из валов.

Ведущий вал:

Материал вала тот же, что и для шестерни, т. е. сталь 45, термообработка – улучшение. По [1, табл. 3.3] при диаметре заготовки до 90мм (dа1=85,5мм) среднее значение

Предел выносливости при симметричном цикле изгиба


Предел выносливости при симметричном цикле касательных напряжений


Сечение А-А. В этом сечении при передаче вращающего момента от электродвигателя через муфту возникают только касательные напряжения. Концентрацию напряжений вызывает наличие шпоночной канавки.

Коэффициент запаса прочности

,

где  - амплитуда и среднее напряжение отнулевого цикла;

= 1,68 – эффективный коэффициент касательных напряжений по [1, табл. 6.5];

= 0,8 – масштабный фактор для касательных напряжений по [1, табл. 6.8];

= 0,1 – для углеродистых сталей;

Wк нетто – момент сопротивления кручению.

,

где d = 25мм – диаметр вала;

b = 8мм – ширина шпоночного паза;

t1 = 4мм – глубина шпоночного паза.

.

.

Такой большой коэффициент запаса прочности объясняется тем, что диаметр вала увеличен при конструировании для соединения его муфтой с валом электродвигателя. По этой же причине проверять прочность в остальных сечениях вала нет необходимости.

Промежуточный вал:

Материал вала – сталь 45 нормализованная,

Предел выносливости при симметричном цикле изгиба

Предел выносливости при симметричном цикле касательных напряжений


Сечение А-А. Концентрация напряжений обусловлена наличием шпоночной канавки.

Изгибающие моменты:

относительно оси y

;

относительно оси x

.

Результирующий изгибающий момент

.

Моменты сопротивления сечения нетто:


Амплитуда номинальных напряжений изгиба

.

Среднее напряжение цикла нормальных напряжений

.

Амплитуда и среднее напряжение цикла касательных напряжений

.

Коэффициенты запаса прочности:

,

где

= 1,79 – эффективный коэффициент нормальных напряжений по [1, табл. 6.5];

= 0,844 – масштабный фактор для нормальных напряжений по [1, табл. 6.8];

= 0,21 – для углеродистых сталей;

,

где

= 1,68 – эффективный коэффициент касательных напряжений по [1, табл. 6.5];

= 0,724 – масштабный фактор для касательных напряжений по [1, табл. 6.8];

= 0,1 – для углеродистых сталей.

Общий коэффициент запаса прочности

.

Сечение Б-Б. Концентрация напряжений обусловлена переходом от Æ45мм к Æ34,5мм: при  и  коэффициенты концентрации напряжений . Масштабные факторы .

Осевой момент сопротивления сечения

.

Амплитуда нормальных напряжений

,

где MXY = 49,56´103 Н*мм – изгибающий момент (эпюр моментов в схеме вала).

Полярный момент сопротивления


Амплитуда и среднее напряжение цикла касательных напряжений

.

Среднее напряжение цикла нормальных напряжений

.

Коэффициенты запаса прочности:

;

.

Общий коэффициент запаса прочности

.

Ведомый вал:

Материал вала – сталь 45 нормализованная,

Предел выносливости при симметричном цикле изгиба

Предел выносливости при симметричном цикле касательных напряжений

Сечение А-А. Концентрация напряжений обусловлена наличием шпоночной канавки.

Изгибающие моменты:

относительно оси y

;

относительно оси x

.

Результирующий изгибающий момент

.

Моменты сопротивления сечения нетто:


Амплитуда номинальных напряжений изгиба

.

Среднее напряжение цикла нормальных напряжений

.

Амплитуда и среднее напряжение цикла касательных напряжений

.

Коэффициенты запаса прочности:

,

где

= 1,79 – эффективный коэффициент нормальных напряжений по [1, табл. 6.5];

= 0,805 – масштабный фактор для нормальных напряжений по [1, табл. 6.8];

= 0,21 – для углеродистых сталей;

,

где

= 1,68 – эффективный коэффициент касательных напряжений по [1, табл. 6.5];

= 0,688 – масштабный фактор для касательных напряжений по [1, табл. 6.8];

= 0,1 – для углеродистых сталей.

Общий коэффициент запаса прочности

.

Сечение Б-Б. Концентрация напряжений обусловлена наличием шпоночной канавки.

Изгибающий момент (положим x1= 20,5мм)

.

Моменты сопротивления сечения нетто:


Амплитуда номинальных напряжений изгиба

.

Среднее напряжение цикла нормальных напряжений

.

Амплитуда и среднее напряжение цикла касательных напряжений

.

Коэффициенты запаса прочности:

,

где

= 1,79 – эффективный коэффициент нормальных напряжений по [1, табл. 6.5];

= 0,844 – масштабный фактор для нормальных напряжений по [1, табл. 6.8];

= 0,21 – для углеродистых сталей;

,

где

= 1,68 – эффективный коэффициент касательных напряжений по [1, табл. 6.5];

= 0,724 – масштабный фактор для касательных напряжений по [1, табл. 6.8];

= 0,1 – для углеродистых сталей.

Общий коэффициент запаса прочности

.

Сечение В-В. Концентрация напряжений обусловлена переходом от Æ63мм к Æ55мм: при  и  коэффициенты концентрации напряжений . Масштабные факторы .

Осевой момент сопротивления сечения

.

Амплитуда нормальных напряжений

,

где MXY = 176,5´103 Н*мм – изгибающий момент (эпюр моментов в схеме вала).

Полярный момент сопротивления


Амплитуда и среднее напряжение цикла касательных напряжений

.

Среднее напряжение цикла нормальных напряжений

.

Коэффициенты запаса прочности:

;

.

Общий коэффициент запаса прочности

.

10. Выбор муфты

При выборе муфт руководствуемся следующими соображениями. В приводах, испытывающих ударные нагрузки, следует предусматривать упругие муфты. Упругие муфты рекомендуется применять при не строго выдержанной соосности соединяемых валов в процессе монтажа и эксплуатации. Широкое распространение получили муфты с неметаллическими упругими элементами. Примем наиболее простую из них – муфта упругая втулочно- пальцевая (МУВП) по ГОСТ 21424-75 с цилиндрическим отверстием на концы валов по ГОСТ 12080-66. Упругие втулки из специальной резины, стойкой в минеральном масле, воде, бензине и керосине. Муфты выдерживают кратковременные двукратные перегрузки. Материал полумуфт – чугун СЧ 21-40. Материал пальцев – сталь 45. Муфту выбираем по диаметру вала и по величине расчётного момента

,

где k = 1,4 – коэффициент, учитывающий эксплуатационные условия;

Мном .= 26,75 Нм – номинальный передаваемый момент.

.

Для согласования вала электродвигателя  и вала редуктора  выбираем муфту с номинальным крутящим моментом . Полумуфту для вала электродвигателя выбираем по второму ряду (d = 30мм) и растачиваем до диаметра 32мм.

11. Смазка редуктора

Смазка зубчатого зацепления производится окунанием зубчатого колеса в масло, заливаемое внутрь корпуса до уровня, обеспечивающего погружение колеса на высоту зуба (примерно 10мм). Объем масляной ванны VM определяем из расчета 0,5 дм3 масла на 1 кВт передаваемой мощности  дм3.

По [1, табл. 8.8] устанавливаем вязкость масла в зависимости от окружной скорости. В быстроходной паре при скорости  м/с рекомендуемая вязкость ; в тихоходной  м/с рекомендуемая вязкость . Среднее значение  . По [1, табл.8.10] принимаем масло индустриальное И-100А по ГОСТ 20799—75 с вязкостью .

Уровень масла контролировать жезловым маслоуказателем при остановке редуктора.

Подшипники смазывать пластичной смазкой, которую закладывают в подшипниковые камеры при сборке. Периодически смазку пополнять шприцем через пресс-маслёнки, заполняя на 2/3 объёма узла. Сорт смазки — УТ-1 ГОСТ 1957-73 [1, табл. 7.15].

12. Сборка редуктора

Перед сборкой внутреннюю полость корпуса редуктора тщательно очищают и покрывают маслостойкой краской.

Сборку производят в соответствии с чертежом общего вида редуктора, начиная с узлов валов:

на ведущий вал насаживают мазеудерживающие кольца и шарикоподшипники, предварительно нагретые в масле до 80— 100° С;

в промежуточный вал- шестерню закладывают шпонку 12´8´32, напрессовывают быстроходное зубчатое колесо до упора в зубчатый венец вал- шестерни, насаживают распорную втулку и мазеудерживающие кольца, устанавливают предварительно нагретые в масле конические роликоподшипники;

в ведомый вал закладывают шпонку 16´10´45 и напрессовывают тихоходное зубчатое колесо до упора в бурт вала, затем надевают распорную втулку, мазеудерживающие кольца и устанавливают конические роликоподшипники, предварительно нагретые в масле.

На ведущий и ведомый валы насаживаются распорные втулки и крышки сквозные с впрессованными в них манжетами.

Собранные валы укладывают в основание корпуса редуктора, вкладывают регулировочные шайбы, регулировочные крышки (ранее собранные с регулировочным винтом и стопорным рычагом) и надевают крышку корпуса; покрывая предварительно поверхности стыка крышки и корпуса спиртовым лаком. Для центровки устанавливают крышку на корпус с помощью двух конических штифтов, затягивают болты, крепящие крышку к корпусу.

После этого в подшипниковые камеры закладывают пластичную смазку, регулируют натяг подшипников. Проверяют проворачиванием валов отсутствие заклинивания подшипников (валы должны проворачиваться от руки).

Далее на конец ведомого вала в шпоночную канавку закладывают шпонку, устанавливают звездочку и фиксируют её шайбой. Шайба крепится болтом М6, который фиксируется стопорной шайбой и штифтом.

Затем ввертывают пробку маслоспускного отверстия с прокладкой и жезловый маслоуказатель. Заливают в корпус масло и закрывают смотровое отверстие крышкой с прокладкой; закрепляют крышку болтами.

Собранный редуктор обкатывают и подвергают испытанию на стенде по программе, устанавливаемой техническими условиями.

Библиографический список

1. С. А. Чернавский, Курсовое проектирование деталей машин, М.: «Машиностроение», 1980г.

2. П. Ф. Дунаев, О. П. Леликов, Конструирование узлов и деталей машин, М.: «Высшая школа», 1998г.

Похожие работы на - Технологический расчет электродвигателя

 

Не нашли материал для своей работы?
Поможем написать уникальную работу
Без плагиата!
Без нейросетей!