Составление схем расположения полей допусков стандартных сопряжений. Расчёт соединения подшипника качения с валом и корпусом. Расчет размерных цепей

  • Вид работы:
    Курсовая работа (т)
  • Предмет:
    Технология машиностроения
  • Язык:
    Русский
    ,
    Формат файла:
    MS Word
    440,81 kb
  • Опубликовано:
    2010-01-25
Вы можете узнать стоимость помощи в написании студенческой работы.
Помощь в написании работы, которую точно примут!

Составление схем расположения полей допусков стандартных сопряжений. Расчёт соединения подшипника качения с валом и корпусом. Расчет размерных цепей


 

 

 

Расчётно-графическая работа

 «Составление схем расположения полей допусков стандартных сопряжений. Расчёт соединения подшипника качения с валом и корпусом. Расчет размерных цепей»

Содержание

1. Схемы расположения полей допусков стандартных сопряжений.

2. Соединение подшипника качения с валом и корпусом.

3. Расчет размерных цепей:

а) Решение задачи методом максимума – минимума (способ равных квалитетов);

б) Решение задачи теоретико-вероятностным методом (способ равных квалитетов).

Схемы расположения полей допусков стандартных сопряжений

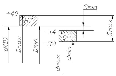
1 Гладкое цилиндрическое соединение 

а) Ø178 H7/g6

Параметр

Значение

d(D) =

 178 мм

es =

 -14 мкм

ei =

 -39 мкм

ES =

 40 мкм

EI =

 0 мкм

dmax = d + es=

 177,986 мм

dmin = d + ei =

 177,961 мм

Dmax = D + ES =

 178,04 мм

Dmin = D + EI =

 178 мм

Td = dmax - dmin = es – ei =

 25 мкм

TD = Dmax – Dmin = ES - EI =

 40 мкм

Smax = Dmax - dmin =

79 мкм

Smin= Dmin – d max =

14 мкм

Scp = (Smax + Smin) / 2 =

 46,5 мкм

TS= Smax – Smin =

 65 мкм

Характер сопряжения

 Зазор

Система задания посадки

 Основное отверстие

б) Ø70 S7/h7


Параметр

Значение

d(D) =

 70 мм

es =

 0

ei =

 -30 мкм

ES =

 -48 мкм

EI =

 -78 мкм

dmax = d + es=

 70 мм

dmin = d + ei =

 69,97 мм

Dmax = D + ES =

 69,952 мм

Dmin = D + EI =

 69,922 мм

Td = dmax - dmin = es – ei =

 30 мкм

TD = Dmax – Dmin = ES - EI =

 30 мкм

Nmin = dmin - Dmax  

 18 мкм

Nmax = dmax - Dmin  

 78 мкм

Ncp = (Nmax + Nmin) / 2 =

 48 мкм

TN = Nmax – Nmin =

 60 мкм

Характер сопряжения

 Натяг

Система задания посадки

Основной вал


в) Ø 178H7/m6

Параметр

Значение

d(D) =

 178 мм

es =

 40 мкм

ei =

 15 мкм

ES =

 40 мкм

EI =

 0

dmax = d + es=

 178,04 мм

dmin = d + ei =

 178,015 мм

Dmax = D + ES =

 178,04 мм

Dmin = D + EI =

 178 мм

Td = dmax - dmin = es – ei =

 25 мкм

TD = Dmax – Dmin = ES - EI =

 40 мкм

Smax = Dmax - dmin =

 25 мкм

Nmax = dmax - Dmin =

 40 мкм

Scp = (Smax + Smin) / 2 = 

 -7,5 мкм

TS = Smax – Smin =

 65 мкм

Характер сопряжения

 Переходная

Система задания посадки

 Основное отверстие

Для комбинированной посадки определим вероятность образования посадок с натягом и посадок с зазором. Расчет выполним в следующей последовательности.

- рассчитаем среднее квадратическое отклонение зазора (натяга), мкм

-

 определим предел интегрирования

табличное значение функции Ф(z)= 0,32894

- вероятность натяга в относительных единицах

PN' = 0,5 + Ф(z) = 0,5 + 0,32894 = 0,82894

-  вероятность натяга в процентах 

PN = PN' x 100% = 0,82894*100%= 82,894%  

-  вероятность зазора в относительных единицах 

PЗ' = 1 – PN = 1 - 0,82894 = 0,17106

-  вероятность зазора в процентах 

PЗ = PЗ' x 100% = 0,17103*100% = 17,103%

2 Соединение подшипника качения с валом и корпусом

Условное обозначение подшипника 0 - 213

Радиальная нагрузка 10300 Н

Характер нагружения – сильные удары и вибрация. Кратковременные перегрузки до 300% номинальной нагрузки.

Рабочая температура подшипника - до 120о С

Соединение жесткое (вал сплошной, корпус толстостенный)

Решение

- определяем размеры подшипника:

Номинальный диаметр отверстия

Номинальный диаметр наружной цилиндрической поверхности наружного кольца

Номинальная ширина подшипника

Номинальная координата монтажной фаски

65 мм

120 мм

23 мм

2,5 мм


- рассчитываем интенсивность нагрузки

Pr = Kd * Kt * Kj * Fr / b

где Kd - динамический коэффициент посадки, зависящий от характера нагрузки Kd = 2;

Kt - температурный коэффициент Kt = 1,05

Kj - коэффициент ослабления натяга в нежестких сопряжениях Kj = 2,3,

Fr = 6000 Н b = B - 2 *r =23 - 2 * 2,5 = 22,2 мм

Отсюда

Pr = 2 х 1,05 х 2,3 х 10300 / 0,022 = 2261 кН/м

- определяем посадки для внутреннего и наружного колец подшипника

Сопоставляя расчетную интенсивность нагрузки с допустимой и уточняя посадку для подшипника 0 класса точности назначаем посадки

Внутреннее кольцо

Наружное кольцо

Поле допуска, определяемое по допустимой интенсивности нагрузки

n5, n6

P7

Уточненное поле допуска (по классу точности подшипника)

n6

P7

Принятые посадки

L0 / n6

P7 / l0


- рассчитываем сопряжения внутреннего и наружного колец подшипника

 

Параметр

Внутреннее кольцо - вал

Наружное кольцо - корпус

Значение

 Значение

d(D) =

 65 мм

 120 мм

es =

 +39 мкм

 0 мкм

ei =

 +20 мкм

 -15 мкм

ES =

 0 мкм

 -24 мкм

EI =  

-15 мкм

 -59 мкм

dmax = d + es=

 65,039 мм

 120 мм

dmin = d + ei =

 65,020 мм

119,985 мм

Dmax = D + ES =

 65 мм

 119,976 мм

Dmin = D + EI =

 64,985 мм

 119,941 мм

Td = dmax - dmin = es – ei =

 19 мкм

 15 мкм

TD = Dmax – Dmin = ES - EI =

 15 мкм

 35 мкм

Smax(Nmin) = Dmax - dmin =

 - 20 мкм

 - 9 мкм

Smin(Nmax) = Dmin – d max =

 - 54 мкм

 - 59 мкм

Scp = (Smax + Smin) / 2 = - Ncp = - (Nmax + Nmin) / 2 =

 - 37 мкм

 - 34 мкм

TS(TN) = Smax – Smin = Nmax – Nmin=

 - 34 мкм

 50 мкм

Характер сопряжения

 Натяг

Натяг

Система задания посадки

 Основное отверстие

 Основной вал


Проверить условие прочности колец подшипника на разрыв, для чего рассчитать максимально допустимый натяг по формуле 

ЭЭ

где [] - допустимое напряжение на разрыв. [] = 400 МПа;

kN - коэффициент. kN = 2,8

d - 65 мм.


  0,231 > 0,054 - условие прочности выполняется.

- изображаем схему расположения полей допусков (внутреннее кольцо подшипника - вал)


- изображаем схему расположения полей допусков (наружное кольцо подшипника - корпус)


определяем шероховатость

Посадочная поверхность вала

1,25 мкм

Посадочная поверхность отверстия корпуса 

1,25 мкм

Поверхность опорных торцев заплечиков вала и корпуса 

2,5 мкм


- определяем допуски формы посадочных поверхностей


Вал

Отверстие

Допуск круглости

Допуск профиля продольного сечения

5

Допуск непостоянства диаметра в поперечном сечении

10

12

Допуск непостоянства диаметра в продольном сечении

10

12

 

- определяем допуски расположения посадочных поверхностей

Допуски торцового биения заплечиков вала

30 мкм

Допуск торцового биения заплечиков отверстия корпуса

63 мкм


- изображаем эскиз подшипникового узла 

3. Расчет размерных цепей 

Решение задачи методом максимума – минимума (способ равных квалитетов)

Схема размерной цепи


Уменьшающее звено

А4, мм

14

Увеличивающие звенья

А1, мм

34

А2, мм

20

А3, мм

21

А5, мм

12

А6, мм

21

Замыкающее звено

допуск A0, мм

0,21

Номинальный размерA0 = ((А3+А2)-А4)+((А6+А5)-А4)-А1 (мм)

 12


  Т.к. звенья размерной цепи являются размерами, величина которых не входит в один диапазон, то задачу решаем по способу равных квалитетов: - для каждого составляющего звена рассчитываем величину единицы допуска

ЭЭ

- рассчитываем сумму единиц допуска всех составляющих размеров

ЭЭ

- определяем расчетное значение числа единиц допуска

ЭЭ

- определяем квалитет с числом единиц допуска ближайшим к расчетному числу единиц допуска – 8 квалитет;

- для выбранного квалитета назначаем, в соответствии со стандартом СТ СЭВ 144-75, допуски на размеры А2, А3,А4,А5,А6

-рассчитываем допуск размера А1

ЭЭ

- из условия ЭЭ подбираем квалитет для размера А1 – 7 квалитет;

- для размеров А1, А2, А3,А5,А6 которые являются увеличивающими звеньями размерной цепи назначаем предельные отклонения как для основного отверстия;

- для размера А4, который является уменьшающим  звеном размерной цепи назначаем предельные отклонения как для основного вала;

- результаты расчетов сводим в таблицу

Размер, мм

i

Результаты промежу-точных расчетов 

IT8, мкм

TАi, расчет, мкм

Принято

Верхнее откл-е 

Нижнее откл-е

Обозна-чение

Номин. вел-на

Квалитет

TАi,мкм

ES (es),мкм

EI (ei),мкм

A1

34

1,492

Сумма i =

39

57

7

25

+25

0

A2

20

1,241

= 7,4

33

33

8

33

0

A3

21

1,263

acp =

33

33

8

33

+33

0

А4

14

1,099

= 28,378

27

27

8

27

0

-27

А5

12

1,042


27

27

8

27

+27

0

А6

21

1,263


33

33

8

33

+33

0


В соответствии с расчетами устанавливаем для размеров  А2, А3,А4,А5,А6 – 8 квалитет точности и основные отклонения ei1= ei2 = ei3 = ei5 = ei6 = 0,  es1 = +0,025 мм, es2 = +0,033 мм, es3 = +0,033 мм, es5 = +0,027 мм, es6 = +0,033 мм. Для размера А1 – 7 квалитет.  Основные отклонения для размера А4 - ES4 = 0 мм, EI4 = -0,027 мм

 Проверка.

- максимальные значения составляющих размеров Amaxi = Ai + ESi(esi) :

A1max = 34 + 0,025 = 34,025 мм ;

A2max =  20+ 0,033 = 20,033 мм ;

A3max = 21 + 0,033 = 21,033 мм ;

A4max = 14 + 0,027 = 14,027 мм ;

A5max = 12 + 0 = 12 мм ;

A6max = 21  + 0,033 = 21,033 мм ;

- минимальные значения составляющих размеров Amini = Ai + EIi(eii) :

 A1min = 34 + 0 = 34 мм ;

A2min = 20 + 0 = 20 мм ;

A3min = 21 + 0  = 21 мм ;

A4min = 14 + (-0,027) = 13,973 мм ;

A5min = 12 + 0  = 12 мм ;

A6min = 21 + 0 = 21 мм - допуски составляющих размеров TAi = Amaxi - Amini  : TA1 = 34,025 – 34= 0,025 мм ; TA2 = 20,033 – 20 = 0,033 мм ; TA3 = 21,033 – 21 = 0,033 мм ; TA4 = 14,027 – 13,973 = 0,054 мм ;

TA5 =12 – 12= 0 мм ;

TA6 =21,033 – 21 = 0,033 мм ;  - допуск замыкающего размера TAо = 0,21 мм ; - проверка условия ЭЭ: 0,025 + 0,033 + 0,033 + 0,054 + 0 + 0,033 = 0,178 < 0,21 - условие выполняется.

 

Решение задачи теоретико-вероятностным методом (способ равных квалитетов)

 Схема размерной цепи


Уменьшающее звено

А4, мм

14

Увеличивающие звенья

А1, мм

34

А2, мм

20

А3, мм

21

А5, мм

12

А6, мм

21

Замыкающее звено

допуск A0, мм

0,21

Номинальный размерA0 = ((А3+А2)-А4)+((А6+А5)-А4)-А1 (мм)

 12


Т.к. звенья размерной цепи являются размерами, величина которых не входит в один диапазон, то задачу решаем по способу равных квалитетов: - для каждого составляющего звена рассчитываем величину единицы допуска

ЭЭ

- рассчитываем сумму квадратов единиц допуска всех составляющих размеров

ЭЭ

- определяем расчетное значение числа единиц допуска

ЭЭ

где ko, ki - коэффициенты рассеивания (для нормального закона распределения ko=1, ki=1);- определяем квалитет с числом единиц допуска ближайшим к расчетному числу единиц допуска – 10 квалитет; - для выбранного квалитета назначаем, в соответствии со стандартом СТ СЭВ 144-75, допуски на размеры  А2, А3,А4,А5,А6;- рассчитываем допуск размера А4

ЭЭ

- из условия ЭЭподбираем квалитет для размера А1 – 10 квалитет; - для размеров А1, А2, А3,А5,А6 которые являются увеличивающими звеньями размерной цепи назначаем предельные отклонения как для основного отв.; - для размера А4, который является уменьшающим звеном размерной цепи назначаем предельные отклонения как для основного вала; - результаты расчетов сводим в таблицу

Размер, мм

i

i2

К

Результаты промежу-точных расчетов 

IT10, мкм

TАi, расчет, мкм

Принято

Верхнее откл-е 

Нижнее откл-е

Обозна-чение

Номин. вел-на

Квалитет

TАi,мкм

ES (es),мкм

EI (ei),мкм

A1

34

1,492

2,226

ki=

Сумма i2 =

100

115

10

100

+100

0

A2

20

1,241

1,540

1

9,25

84

84

10

84

+84

0

A3

21

1,263

1,595

ko=

acp =

84

84

10

84

+84

0

А4

14

1,099

1,208

1

69,056

70

70

10

70

0

-70

А5

12

1,042

1,086



70

70

10

70

+70

0

А6

21

1,263

1,595



84

84

10

84

+84

0


В соответствии с расчетами устанавливаем для размеров А2, А3,А5,А6 – 10 квалитет точности и основные отклонения ei1= ei2 = ei3= ei5 = ei6 = 0,  es1 = 0,100 мм, es2 = +0,084 мм, ei3 = +0,084 мм, es5 =+0,070 мм, es6=+0,084мм.  Для размера А1 – 10 квалитет. Основные отклонения А4 - ES4 = 0 мм, EI4 = -70.

Проверка.- максимальные значения составляющих размеров Amaxi = Ai + ESi(esi)

A1max = 34 + 0,100 = 34,100 мм ;

A2max = 20 + 0,084 = 20,084 мм

A3max = 21 + 0,084 = 21,084 мм ;

A4max = 14 + 0 = 14 мм ;

A5max = 12 + 0,070 = 12,070 мм ;

A6max = 21 + 0,070 = 21,070 мм

минимальные значения составляющих размеров Amini = Ai + EIi(eii) : A1min = 34 + 0 = 34мм ;

A2min = 20 + 0 = 20 мм ;

A3min = 21 + 0  = 21 мм ;

A4min = 14 + (-0,070) = 13,93 мм ;

A5min = 12 + 0 = 12 мм ;

A6min = 21 + 0  = 21 мм ; - допуски составляющих размеров TAi = Amaxi - Amini  

TA1 = 34,100 – 34 = 0, 100 мм ;

TA2 = 20,084 – 20 = 0,084 мм ; TA3 = 21,084 – 21 = 0,043 мм ;

TA4 = 14 – 13,93 = 0,070 мм ; TA5 = 12,070 – 12 = 0,070 мм ;   TA6 = 21,070 – 21 = 0,070 мм ;

- допуск замыкающего размера TAо = 0,21 мм ;

- проверка условия ЭЭ

 - условие выполняется.

Похожие работы на - Составление схем расположения полей допусков стандартных сопряжений. Расчёт соединения подшипника качения с валом и корпусом. Расчет размерных цепей

 

Не нашли материал для своей работы?
Поможем написать уникальную работу
Без плагиата!
Без нейросетей!