Расчет и проектирование приводной станции
Содержание
Задание
Введение
1.
Выбор электродвигателя
2. Выбор
и обоснование оптимального варианта конструкции редуктора
3
Статическое исследование редуктора
4.
Кинематический анализ редуктора
5.
Геометрический расчет зубчатых передач
6.
Выбор материала и термообработки зубчатых передач
7.
Определение допускаемых напряжений
7.1 Допускаемые
контактные напряжения
7.2 Допускаемые
изгибные напряжения
8.
Определение расчетного контактного напряжения в полюсе зацепления зубчатой пары
для тихоходной ступени
9.
Определение расчетного изгибного напряжения
10.
Определение размеров валов зубчатых колес и выбор подшипников
11.
Расчет подшипников промежуточного вала на долговечность
12.
Расчет шпонок
13.
Расчет промежуточного вала на прочность
14.
Расчет соединений
15.
Определение размеров корпусных деталей
15.1
Обоснование выбора конструкции крышек подшипников
15.2
Манжетные уплотнения
15.3
Конструирование прочих элементов редуктора
20.
Подбор системы смазки
21.
Краткое описание сборки редуктора
22.
Эскизы стандартных изделий
Список
литературы
Приложения
Задание № 02
Рассчитать и спроектировать приводную станцию транспортера по схеме 91,
применить тип редуктора 21
Быстроходная ступень с косозубым зацеплением
тихоходная ступень с прямозубым зацеплением
Сила тяги, Fk = 8kH;
Скорость, V = 0,21 м/с;
Длительность работы (ресурс), Lh = 18000час;
Режим работы, 2;
Тип производства – средняя серия
Введение
Привод грузоподъемной машины был сконструирован для передачи крутящего
момента на барабан, который обеспечивает поднятие груза со скоростью 0,21 м/с.
Привод грузоподъемной машины (рис. 2) состоит из электродвигателя,
редуктора, барабана, троса. Электродвигатель и барабан присоединены к редуктору
при помощи муфт. Подъем груза осуществляется тросом, который наматывается на
барабан. Барабан приводится в движение от электродвигателя через редуктор и
муфты. Редуктор осуществляет повышение крутящего момента и снижение частоты
вращения до требуемой величины.
рис. 2. Схема привода барабана
Редуктор состоит из быстроходной шевронной передачи и тихоходной
прямозубой передачи. Смазка зубчатых колес и подшипников осуществляется
разбрызгиванием.
Для корпуса редуктора была применена современная конструкция. Все
выступающие элементы устранены с наружных поверхностей и введены внутрь. Лапы
под фундаментальные болты не выступают за габариты корпуса. Проушины для
подъема и транспортировки редуктора отлиты заодно с корпусом.
Для удобства сборки корпус выполнен с разъемом. Плоскость разъема
проходит через оси валов.
1.
Выбор
электродвигателя
Определим мощность и частоту вращения.
Потребляемую мощность привода (мощность на выходе) определим по формуле
[2]:
Рвых = Ft*V =
8*10 ³*0,21 = 1680 Вт.
Определим потребную мощность электродвигателя [2]:
Рэ.потр = Рвых/ηобщ,
где ηобщ = ηб*
ηозп* ηред*
ηм.
Здесь ηб = 0,95 – КПД барабана;
ηозп = 0,94 – КПД открытой зубчатой передачи;
ηред = ηп ³*
ηззп ³= 0,99 ³*0,97 ³ = 0,886 – КПД
редуктора;
ηм = 0,98 – КПД муфты.
Получаем:
Рэ.потр = 1680/0,95*0,94*0,886*0,98 = 2,17 кВт;
Определим частоту вращения барабана [2]:
60*υ
пб =,
π*Dб
где Dб = 18*dк =
18*0,1* √ Ft = 18*0,1* √8*10 ³=
160,992 мм;
Получим:
60*0,21*10 ³
пб = =
24,9 об/мин.
π*160,992
По таблице 24.8 [2] выбираем электродвигатель 90L4/1425:
P=2,2кВт и п=1425 об/мин.
Определим передаточное число привода [2]:
и = п/пб = 1425/24,9 = 57,23;
Определим передаточное число редуктора [2]:
иред = и/иозп =
57,23/3 = 19,08.
Подготовка
данных и расчетов на ЭВМ
Таблица №1.
Данные на ЭВМ
|
Момент
на вых. Валу,
Н*м
|
Перед
отн-ние
|
Допуск.
напряжения
|
Отн.
Шир.
|
Час-та,
об/
мин
|
Ресурс
ч
|
код
|
№
ред
|
|
SIG1
|
SIG2
|
PSI1
|
PSI2
|
№
|
№
|
|
240
|
19,08
|
500
|
500
|
0,5
|
0,4
|
1425
|
4500
|
3
|
1
|
21
|
2.
Выбор
и обоснование оптимального варианта конструкции
Для того, чтобы найти оптимальный вариант конструкции определим для
всех 6 случаев объем и массу конструкции.
рис. 2 Схема редуктора
1. Диаметр шестерни быстроходной передачи d1б =
29,38 мм;
Диаметр колеса быстроходной передачи d2б =
110,62 мм;
Диаметр шестерни тихоходной передачи d1т =
47,5 мм;
Диаметр колеса тихоходной передачи d2т =
232,5 мм.
Ширина колеса быстроходной ступени вwб =
32,5 мм;
Ширина колеса тихоходной ступени вwт =
51,8 мм;
Межосевое расстояние быстроходной ступени аwб = 70
мм;
Межосевое расстояние тихоходной ступени аwт = 140
мм.
Объем редуктора определим по формуле:
V = LAB,
Где L = d1б/2 + d2т/2 + аwб + аwт;
A = d2т + 2*a;
B = вwб + вwт + 2*с
+2*а;
Здесь а = ³√L + 3мм;
с = (0,3 ÷ 0,5)*а.
Массу редуктора определим по формуле:
т = π*γ*(d1б ²* вwб + d2б ²*
вwб + d1т ²* вwт + d2т ²*
вwт)/4,
где γ=7,8*10ˉ³ г/мм ³ - удельный вес стали.
Получим:
L = 29,38/2 + 232,5/2 + 70 + 140 = 340,94 мм;
а = ³√ 340,94 + 3 = 9,99 мм;
с = (0,3 ÷ 0,5)*9,99 = (2,997 ÷ 4,995) = 4 мм;
В = 32,5 + 51,8 + 2*4 + 2*9,99 = 112,28 мм;
А = 232,5 + 2*9,99 = 252,48 мм;
V = 340,94*112,28*252,48 = 9665122,04 мм ³;
т = π*7,8*10ˉ³*(29,38 ²*32,5 + 110,62 ²*32,5 +
47,5 ²*51,8 +
+232,5 ²*51,8) /4 = 20,47 кг.
2. d1б = 27,59 мм d2б =
122,41 мм d1т = 52,5 мм d2т =
227,5 мм
вwб = 37 мм вwт =
48,6 мм аwб = 75 мм аwт = 140
мм.
L = 27,59/2 + 227,5/2 + 75 + 140 = 342,545 мм;
а = ³√ 342,545 + 3 = 9,996 мм;
с = (0,3 ÷ 0,5)*9,996 = (2,999 ÷ 4,998) = 4 мм;
В = 37 + 48,6 + 2*4 + 2*9,996 = 113,592 мм;
А = 227,5 + 2*9,996 = 247,542 мм;
V = 342,545*113,592*247,542 = 9631951,22 мм ³;
т = π*7,8*10ˉ³*(27,59 ²*37 + 122,41 ²*37 +52,5
²*48,6 + 227,5 ²*48,6)/
/4 = 19,79 кг.
3. d1б = 27,53 мм d2б =
132,47 мм d1т = 55 мм d2т = 215
мм
вwб = 37,2 мм вwт =
50,9 мм аwб = 80 мм аwт = 135
мм.
L = 27,53/2 + 215/2 + 80 + 135 = 336,265 мм;
а = ³√336,265 + 3 = 9,95 мм;
с = (0,3 ÷ 0,5)*9,95 = (2,985 ÷ 4,975) = 4 мм;
В = 37,2 + 50,9 + 2*4 +2*9,95 = 116 мм;
А = 215 + 2*9,95 = 234,9 мм;
V = 336,265*116*234,9 = 9162683,23 мм ³;
т = π*7,8*10ˉ³*(27,53 ²*37,2 + 132,47 ²*37,2 +
55 ²*50,9 +
+215 ²*50,9)/4 = 19,52 кг.
4. d1б = 25.76 мм d2б =
144,24 мм d1т = 60 мм d2т = 210
мм
вwб = 43,1 мм вwт = 49,5
мм аwб = 85 мм аwт = 135
мм.
L = 25,76/2 + 210/2 + 85 + 135 = 337,88 мм;
а = ³√337,88 + 3 = 9,96 мм;
с = (0,3 ÷ 0,5)*9,96 = (2,99 ÷ 4,98) = 4 мм;
В = 43,1 + 49,5 + 2*4 +2*9,96 = 120,52 мм;
А = 210 + 2*9,96 = 229,92 мм;
V = 337,88*120,52*229,92 = 9362640,74 мм ³;
т = π*7,8*10ˉ³*(25,76 ²*43,1 + 144,24 ²*43,1 +
60 ²*49,5 +
+210 ²*49,5)/4 = 20,12 кг.
5. d1б = 24 мм d2б = 156
мм d1т = 65 мм d2т = 195
мм
вwб = 50,8 мм вwт =
48,7 мм аwб = 90 мм аwт = 130
мм.
L = 24/2 + 195/2 + 90 + 130 = 329,5 мм;
а = ³√329,5 + 3 = 9,91 мм;
с = (0,3 ÷ 0,5)*9,91 = (2,97 ÷ 4,95) = 4 мм;
В = 50,8 + 48,7 + 2*4 +2*9,91 = 127,32 мм;
А = 195 + 2*9,91 = 214,82 мм;
V = 329,5*214,82*127,32 = 9012115,75 мм ³;
т = π*7,8*10ˉ³*(24 ²*50,8 + 156 ²*50,8 + 65 ²*48,7
+
+195 ²*48.7)/4 = 20,35 кг.
6. d1б = 25,29 мм d2б =
174,71 мм d1т = 70 мм d2т = 190
мм
вwб = 48,5 мм вwт =
48,9 мм аwб = 100 мм аwт = 130
мм.
L = 25,29/2 + 190/2 + 100 + 130 = 337,65 мм;
а = ³√337,65 + 3 = 9,96 мм;
с = (0,3 ÷ 0,5)*9,96= (2,99 ÷ 4,98) = 4 мм;
В = 48,5 + 48,9 + 2*4 +2*9,96 = 125,32 мм;
А = 190 + 2*9,96 = 209,92 мм;
V = 329,5*214,82*127,32 = 9012115,75 мм ³4
т = π*7,8*10ˉ³*(25,29 ²*48,5 + 174,71 ²*48.5 +
70 ²*48,9 +
+190 ²*48.9)/4 = 21,53 кг.
По полученным значениям объемов и масс построим график для всех шести
случаев и по графику выберем оптимальный вариант.
рис. 3 График объемов и масс редуктора для шести вариантов
По графику видно, что оптимальным вариантом конструкции является третий
вариант, т. к. в данном случае редуктор обладает минимальной массой и небольшим
объемом.
3.
Статическое
исследование редуктора
Определим моменты в зубчатых колесах, а также усилия в зацеплении.
Вращающий момент на колесе тихоходной ступени:
Т2тк = Т2т/
ηп = 240,4/0,99 = 242,82 Н*м;
Вращающий момент на шестерне тихоходной ступени:
Т2тк
Т1тш =,
ηз*ит
где ηз – КПД зацепления;
ит – передаточное число на тихоходной ступени;
Получим:
242,82
Т1тш = =
64,02 Н*м;
0,97*3,91
Вращающий момент на колесе промежуточного вала:
Т1тш 64,02

Т2б = =
= 32,33 Н*м;
2* ηп 2*0,99
Вращающий момент на шестерне быстроходной ступени:
Т2б 32,33

Т1б =
= = 6,93 Н*м;
ηз *иб 0,97*4,81
Вращающий момент на входе в редуктор:
рис. 4 Схема усилий в зацеплении
4.
Кинематический
анализ редуктора
Найдем частоту вращения быстроходного вала:
пэ = п1б =
1425 об/мин;
Частота вращения промежуточного вала:
п2б = п1т = п1б/иб =
1425/4,81 = 296,3 об/мин;
Частота вращения тихоходного вала:
п2т = п1т/ит =
296,3/3,91 = 75,8 об/мин;
Частота вращения барабана:
пб = п2т/иозп =
75,8/3 = 25,3 об/мин;
По формуле ω= π*п/30 определим соответствующие угловые
скорости:
ω1б = π*п1б/30 =
π*1425/30 = 149,15 сˉ¹;
ω2т = π*п2т/30 =
π*78,5/30 = 8,2 сˉ¹;
ω2б = ω1т = π*п2б/30 =
π*296,3/30 = 31,02 сˉ¹;
ωб = π*пб/30 =
π*24,9/30 = 2.61 сˉ¹.
Определим окружные скорости на быстроходной ступени:
υ1б = Т1б*
ω1б/ Ft1б =
6,93*149,15/0,503 = 2,055 м/с;
υ2б = Т2б*
ω2б/ Ft2б =
32,33*31,02/0,488 = 2,055 м/с;
Определим окружные скорости на тихоходной ступени:
υ1т = Т1тш*
ω1т/ Ft1т =
64,02*31,02/2,328= 0,853 м/с;
υ2т = Т2тк*
ω2т/ Ft2т = 242,82*8,2/2,259
= 0,88 м/с;
5.
Геометрический
расчет зубчатых передач
Тихоходная прямозубая ступень
диаметр делительной окружности у шестерни [1 ]:
d1 = т*z1 =
2,5*22 = 55 мм;
диаметр делительной окружности у колеса [1 ]:
d2 = т*z2 =
2,5*86 = 215 мм;
диаметр начальной окружности у шестерни [1 ]:
dw1 = 2*aw/(и+1)
= 2*135/(3,91 +1) = 54,99 мм;
диаметр начальной окружности у колеса [1 ]:
dw2 = 2*aw*и/(и+1)
= 2*135*3,91/(3,91 +1) = 215 мм;
диаметр основной окружности у шестерни [1 ]:
dв1 = т*z1*cos
α = 2,5*22*cos 20º = 51,68 мм;
диаметр основной окружности у колеса [1 ]:
dв2 = т*z2*cos
α = 2,5*86*cos 20º = 202 мм;
диаметр окружности впадин у шестерни [1 ]:
df1 = d1 –
2*(с+т) = 55 – 2*(0,25+2,5) = 49,5 мм;
диаметр окружности впадин у колеса [1 ]:
df2 = d2 –
2*(с+т) = 215 – 2*(0,25+2,5) = 209,5 мм;
диаметр окружности вершин у шестерни [1 ]:
dа1 = d1 +2*т
= 55 + 2*2,5 = 60 мм;
диаметр окружности вершин у колеса [1 ]:
dа2 = d2 +2*т
= 215 + 2*2,5 = 220 мм.
Быстроходная косозубая ступень
диаметр делительной окружности у шестерни [1 ]:
d1 = т*z1/соs
β = 1,5*16/ соs 29,329º= 27,53 мм;
диаметр делительной окружности у колеса [1 ]:
d2 = т*z2/соs
β = 1,5*77/ соs 29,329º= 132,48 мм;
диаметр начальной окружности у шестерни [1 ]:
dw1 = 2*aw/(и+1)
= 2*80/(4,81 +1) = 27,54 мм;
диаметр начальной окружности у колеса [1 ]:
dw2 = 2*aw*и/(и+1)
= 2*80*4,81/(4,81 +1) = 132,46 мм;
диаметр основной окружности у шестерни [1 ]:
dв1 = т*z1*cos
α = 1,5*16*cos 20º = 22,55 мм;
диаметр основной окружности у колеса [1 ]:
dв2 = т*z2*cos
α = 1,5*77*cos 20º = 108,53 мм;
диаметр окружности впадин у шестерни [1 ]:
df1 = d1 –
2*(с+т) = 27,53 – 2*(0,25+1,5) = 24,03 мм;
диаметр окружности впадин у колеса [1 ]:
df2 = d2 –
2*(с+т) = 132,48 – 2*(0,25+1,5) = 128,98 мм;
диаметр окружности вершин у шестерни [1 ]:
dа1 = d1 +2*т
= 27,53 + 2*1,5 = 30,53 мм;
диаметр окружности вершин у колеса [1 ]:
dа2 = d2 +2*т
= 132,48 + 2*1,5 = 135,48 мм.
7. Выбор
материала и термообработки зубчатых передач
Практикой эксплуатации и специальными исследованиями установлено, что
нагрузка, допускаемая при контактной прочности зубьев, определяется в основном
твердостью материала. Высокую твердость в сочетании с другими характеристиками,
а следовательно, малые габариты и массу передачи можно получить при
изготовлении зубчатых передач из сталей, подвергнутых термообработке.
Для шестерни тихоходной ступени выберем марку стали 45 с твердостью
241….285 НВ и термообработку – улучшение. Для колеса выберем марку стали 45 с
твердостью 192…240 НВ и термообработку – улучшение.
Для тихоходной ступени назначим твердость для шестерни 270 НВ и для
колеса 230 НВ [3].
Для шестерни быстроходной ступени выберем марку стали 45 с твердостью
241….285 НВ и термообработку – улучшение. Для колеса выберем марку стали 45 с
твердостью 192…240 НВ и термообработку – улучшение.
Для быстроходной ступени назначим твердость для шестерни 270 НВ и для
колеса 230 НВ [3].
7.1.
Допускаемые
контактные напряжения
Допускаемые контактные напряжения рассчитаем по формуле:
[σН]1 +
[σН]2
[σН] =,
2
где [σН]1 –
допускаемые контактные напряжения для шестерни тихоходной ступени;
[σН]2 -
допускаемые контактные напряжения для колеса тихоходной ступени;
[σН]1 =
σНlim1*zN1/sN1;
[σН]2 =
σНlim2*zN2/sN2;
Рассчитаем пределы выносливости для шестерни и колеса [3]:
σНlim1 = 2*HB + 70 = 2*270 + 70 = 610 МПа;
σНlim2 = 2*HB + 70 = 2*230 + 70 = 530 МПа;
Коэффициенты долговечности определим по формуле [3]:
zN = √NHG/NHE,
где NHG – базовое число циклов нагружения;
NHE – циклическая долговечность;
По графику определим [3]:
NHG1 = 11*10
NHG2 = 10*10
Циклическую долговечность определим по формуле [3]:
NHE = μН* Nк =
μН*60*с*п*LH,
Где с – число зацеплений зуба за один оборот колеса;
п – частота вращения;
LH – длительность работы (ресурс);
μН – коэффициент эквивалентности. Для заданного
режима работы 2 определяем, что μН =
0,25;
Получим:
NHE1 = 0,25*60*1*296,4*18000 = 80*10;
NHE2 = 0,25*60*1*75,8*18000 = 20,47*10;
Рассчитаем коэффициент долговечности:
zN1 = √NHG1/NHE1 = 11*10
/80*10 = 0,72;
zN2 = √NHG2/NHE2 = 10*10
/20,47*10 = 0,89;
т.к. найденные числовые значения коэффициентов долговечности не
удовлетворяют условию 1 ≤ zN ≤
2,4 [3]. То для колеса и шестерни принимаем zN = 1.
Значение коэффициента надежности примем равным SH =
1,1.
Допускаемые контактные напряжения на колесе и на шестерне:
[σН]1 =
610*1/1,1 = 554 МПа;
[σН]2 =
530*1/1,1 = 481 МПа;
Допускаемое контактное напряжение:
554 + 481
[σН] = =
518 МПа.
2
7.2.
Допускаемые
изгибные напряжения
Допускаемое изгибное напряжение определим по формуле [3]:
[σF] = σFlim*KFC*KFL/SF,
где σFlim – предел выносливости зубьев
по напряжениям изгиба, МПа;
KFC – коэффициент, учитывающий влияние
двустороннего приложения нагрузки (при односторонней нагрузке KFC=1;
KFL – коэффициент долговечности;
SF – коэффициент безопасности;
Рассчитаем пределы выносливости для шестерни и колеса [3]:
σFlim1 = 1,8*НВ = 1,8*270 = 486 МПа;
σFlim2 = 1,8*НВ = 1,8*230 = 414 МПа;
Принимаем значение коэффициентов безопасности для шестерни и колеса SF =
1,75 [3];
Коэффициент долговечности определим по формуле [3]:
KFL = √NFG/NFE,
где NFG = 4*10 - базовое число циклов;
NFE – эквивалентное число циклов;
Эквивалентное число циклов определим по формуле:
NFE1 = μFE*Nк1 =
μFE*60*с*п*LH =
0,14*60*1*296,3*18000 = 44,8*10;
NFE2 = μFE *Nк2 =
μFE*60*с*п*LH =
0,14*60*1*75,8*18000 = 11,46*10;
где μFE – коэффициент
эквивалентности;
Nк – расчетное значение циклов;
Получим:
KFL1 = √4*10 /44,8*10 = 0,668;
KFL2 = √ 4*10 /11,46*10 = 0,839;
Полученные значения коэффициентов долговечности не удовлетворяют условию
1 ≤ KFL ≤ 2 [3], тогда для колеса и шестерни
принимаем KFL=1.
Допускаемые изгибные напряжения равны:
[σF]2 =
414*1*1/1,75 = 237 МПа.
8.
Определение
расчетного контактного напряжения в полюсе зацепления зубчатой пары для
тихоходной ступени
Значение расчетных контактных напряжений одинаковы для шестерни и
колеса, поэтому расчет выполняем только для шестерни.
Расчет прочности зубьев по контактным напряжениям для прямозубой
передачи внешнего зацепления произведем по формуле [3]:
Т1Тш*kH*ЕПр (и + 1)
σН = 1,18* √
* ≤ [σН],
d1²*вw*sin
2αw и
где Т1Тш – вращающий момент на шестерне тихоходной
ступени;
kH – коэффициент нагрузки по контактным
напряжениям;
ЕПр = 2*10 МПа – модуль упругости для стали;
d1 = 55 мм – диаметр шестерни;
вw = 50,9 мм – ширина венца шестерни;
αw=20º - угол зацепления;
и = 3,91 – передаточное отношение тихоходной ступени.
Коэффициент нагрузки определяем по формуле:
kH = kHβ* kHV,
где kHβ = 1,02 – коэффициент концентрации
нагрузки (при ψвd = в/d= = 0,93) [3];
kHV = 1,03 – динамический коэффициент (при υ=
π*d*п/30 =
= π*d*Пб*иозп*и/30 = 1,68 м/с);
Тогда:
kH = 1,02*1,03 = 1,0506;
Получаем расчетное контактное напряжение равно:
64,02*10 ³*1,0506*2*10 (3,91 + 1)
σН = 1,18*√
* = 488 МПа;
55 ²*50,9*sin40º 3,91
Следовательно, условие прочности по контактным напряжениям выполняется,
т.к.:
σН = 488 МПа < [σН] =
518 МПа.
9.
Определение
расчетного изгибного напряжения
Расчет прочности зубьев по изгибным напряжениям произведем по формуле [3]:
σF = УFs*Ft*kF/вw*т,
где УFs – коэффициент формы зуба;
Ft – окружная сила, Н;
kF – коэффициент нагрузки по изгибным
напряжениям;
Для шестерни УFs = 4,08 (при z=22 и х=0), для
колеса УFs = 3,73 (при z=86 и х=0) [3].
Окружная сила для шестерни Ft =
2,328 кН, для колеса Ft = 2,259 кН.
Рассчитаем коэффициенты нагрузки по изгибным напряжениям для шестерни и
колеса [3]:
kF = kFβ* kFV,
где kFβ1 = 1,05 и kFβ2 = 1 –
коэффициенты концентрации нагрузки для шестерни и колеса (при ψвd1 = в/d=
= 0,93 и ψвd2 = в/d= = 0,24) [3];
kHV = 1,02 – динамический коэффициент (при υ=
π*d*п/30 =
= π*d*Пб*иозп*и/30 = 1,68 м/с);
Тогда:
kF1 = 1,05*1,02 = 1,071;
kF2 = 1*1,02 = 1,02;
Получаем расчетные контактные напряжения равны:
σF1 = 4,08*2,328*10 ³*1,071/50,9*2,5 = 80
МПа;
σF2 = 3,73*2,259*10 ³*1,02/50,9*2,5 = 68 МПа;
Следовательно, условие прочности по изгибным напряжениям выполняется,
т.к.:
σF1 = 80 МПа < [σF]1 = 278
МПа;
σF2 = 68 МПа < [σF]2 = 237
МПа.
10.
Определение
размеров валов зубчатых колес и выбор подшипников
Диаметры различных участков валов редуктора определим по формулам [2]:
быстроходный вал
d ≥ (7…8) ³√T1Б =
(7…8) ³√6,93 = (13,3…15,25) = 15 мм;
dП ≥ d +2*t,
где t = 2 – высота буртика [2];
Получим:
dП ≥ 15 + 2*2 = 19 мм;
Принимаем dП = 20 мм;
dБП ≥ dп +3*r,
где r = 1,6 – координата фаски подшипника;
Получим:
dБП ≥ 20 + 3*1,6 = 24,8 мм;
диаметр dБП округляем в ближайшую сторону
до стандартного значения dБП = 24 мм.
промежуточный вал
dк ≥ (6…7) ³√T1тш =
(6…7) ³√64,02 = (24…28) = 25 мм;
dБК ≥ dк +3*f,
где f = 1 – размер фаски [2];
Получим:
dБК ≥ 25 + 3*1 = 28 мм;
dП = dк – 3*r
= 25 – 3*1,6 = 20,2 мм;
диаметр dП округляем в ближайшую сторону
до стандартного значения
dП = 20 мм;
dБп ≥ dП +3*r
= 20 +3*1,6 = 24,8 мм;
диаметр dБП округляем в ближайшую сторону до
стандартного значения
dБП = 24 мм.
Тихоходный вал
d ≥ (5…6) ³√T2тк =
(5…6) ³√242,82 = (31,5…37,8) = 36 мм;
dП ≥ d +2*t = 36 + 2*2 = 40 мм;
dБп ≥ dП +3*r
= 40 + 3*1,6 = 44,8 мм;
диаметр dБП округляем в ближайшую сторону
до стандартного значения
dБП = 42 мм;
dк = dБП = 42
мм.
рис.5 Валы редуктора
Для быстроходного вала выбираем роликовые радиальные подшипники с
короткими цилиндрическими роликами тип 2000: d = 20 мм, D = 47 мм, В = 14 мм, r
= 1,5 мм и грузоподъемность С = 11,9 кН;
Для тихоходного вала выбираем шариковые радиальные однорядные
подшипники 208 легкой серии: d = 40 мм, D = 80 мм, В = 18 мм, r = 2 мм и
грузоподъемность С = 25,6 кН;
Для промежуточного вала выбираем шариковые радиальные однорядные
подшипники 304 легкой серии: d = 20 мм, D = 47 мм, В = 14 мм,
r = 1,5 мм и грузоподъемность С = 10 кН.
11.
Расчет
подшипников промежуточного вала на грузоподъемность
Рассмотрим промежуточный вал, а также действующие на него нагрузки:
рис. 6 действующие нагрузки на промежуточный вал
Определим реакции, возникающие в подшипниках от усилий Ft2Б и Ft1т в
плоскости ОУZ:
Ra1 = RB1 = ∑
Ft/2 = -2*Ft2б + Ft1т /2 =
-2*0,488 + 2,328/2 = 0,676 кН;
Определим реакции, возникающие в подшипниках от усилий Fr2Б и Fr1т в
плоскости ОXZ:
Ra2 = RB2 = ∑
Fr/2 = -2*Fr2б + Fr1т /2 =
-2*0,204 + 0,847 /2 = 0,2195 кН;
Реакции в подшипниках от усилий:
Ra = RB = √
Ra1 ² + Ra2 ² = √0,676 ² +
0,2195 ² = 0,711 кН.
Определим радиальную нагрузку, действующую на подшипник [3]:
Р = Х*V* Ra*kσ*kт,
Где Х=1 – коэффициент радиальной нагрузки;
V=1 – коэффициент вращения;
Kσ=1,3…1,5 – коэффициент безопасности,
учитывающий характер нагрузки: умеренные толчки;
Kт=1 – температурный коэффициент.
Получим:
Р = 1*1*0,711*1,4*1 = 0,995 кН;
Определим долговечность работы по формуле [3]:
р
L = а1* а2*(С/р)
*10 /60*п,
где С = 10 кН – паспортная динамическая грузоподъемность;
Р = 0,995 кН – эквивалентная нагрузка;
р = 3 – для шариковых подшипников;
а1 = 1 – коэффициент надежности;
а2 = 0,75 – обобщенный коэффициент совместного
влияния качества металла и условий эксплуатации;
получим:
L = 1*0,75*(10/0,995) ³*10 /60*296,3 = 42826 ч;
Необходимо соблюдение условия:
L > Lhe = Lh*μ
= 18000*0,25 = 4500 ч;
42826 ч > 4500 ч.
12.
Расчет
промежуточного вала на прочность
Определим расстояния между сечениями вала:
а = 31 мм;
b = 38 мм;
Построим эпюры изгибающих моментов в вертикальной плоскости (рис. 7):
1. М(z)
= Ra1*z, при 0 < z < a;
М(0) = Ra1*0 = 0;
М(а) = Ra1*а = 676*0,031 = 20,96 Н*м;
2. М(z)
= Ra1*(а + z) + Ft2б*z,
при а < z < (a + b);
М(0) = Ra1*а = 676*0,031 = 20,96 Н*м;
М(b) = Ra1*(а + b) + Ft2б*b =
676*(0,031 + 0,038) + 488*0,038 = 65,2 Н*м;
3. М(z) =
Ra1*(а + b + z) + Ft2б*(b +
z) - Ft1т*z, при (а + b) < z < (a + b + b);
М(0) = Ra1*(а + b) + Ft2б*b =
676*(0,031 + 0,038) + 488*0,038 = 65,2 Н*м;
М(z) = Ra1*(а + b + b) + Ft2б*(b +
b) - Ft1т*b = 676*(0,031 + 0,038 + 0,038) +
+ 488*(0,038 + 0,038) - 2328*0,038 = 20,96 Н*м;
4. М(z) =
RB1*z, при 0 < z < a;
М(0) = RB1*0 = 0;
М(а) = RB1*а = 676*0,031 = 20,96 Н*м;
Построим эпюры изгибающих моментов в горизонтальной плоскости (рис. 7):
1. М(y)
= Ra2*y, при 0 < y < a;
М(0) = Ra2*0 = 0;
М(а) = Ra2*а = 219,5*0,031 = 6,8 Н*м;
2. М(y)
= Ra2*(а + y) + Fr2б*y,
при а < y < (a + b);
М(0) = Ra2*а = 219,5*0,031 = 6,8 Н*м;
М(b) = Ra2*(а + b) + Fr2б*b =
219,8*(0,031 + 0,038) + 204*0,038 = 22,9 Н*м;
3. М(y) =
Ra2*(а + b + y) + Fr2б*(b +
y) - Fr1т*y, при (а + b) < y < (a + b + b);
М(0) = Ra2*(а + b) + Fr2б*b =
219,8*(0,031 + 0,038) +204*0,038 = 22,9Н*м;
М(a) = Ra2*(а + b + b) + Fr2б*(b +
b) - Fr1т*b = 219,5*(0,031 + 0,038 + 0,038) + 204*(0,038
+ 0,038) - 847*0,038 = 6,8 Н*м;
4. М(y) =
RB2*y, при 0 < y < a;
М(0) = RB2*0 = 0;
М(а) = RB2*а = 219,5*0,031 = 6,8 Н*м;
Найдем суммарный изгибающий момент:
М ∑ = √Му ²
+ Мz ²;
М(0) ∑ = 0;
М(а) ∑ = √М(а) 1 +
М(а) 2 = √20,96 ² + 6,8 ² = 22,04
Н*м;
М(а + b)) ∑ = √М(b) 1 +
М(b) 2 = √65,2 ² + 22,9 ² = 69,1 Н*м;
Максимальный изгибающий момент М ∑ = 69,1
Н*м,
Крутящий момент Т = 64,02 Н*м.
Примем, что нормальные напряжения изменяются по симметричному циклу
(σа = σтах,
σМ = 0), а касательные напряжения - по
пульсирующему циклу (τа = τМ =
0,5*τ). Материал вала - сталь 45
(σТ = 580 МПа, σв = 850
МПа, σ-1 = (0,4…0,5) σв =
(0,4…0,5)*850 =(340…425)= 400 МПа, τ-1 =
(0,2…0,3) σв = (0,2…0,3)*850 = (170…255) =
200 МПа).
Опасным сечением является сечение, где находится максимальный момент на
валу - М ∑ = 69,1 Н*м.
τа = τМ =
0,5*τ = 0,5*Т/0,2*d ³ = 0,5*64,02*10 ³/02*55 ³ = 0,96 МПа;
σа = М/0,1*d ³ = 69,1*10 ³/0,1*55 ³
= 4,15 МПа;
Запас прочности рассчитаем по формуле:
sσ * sτ
s =,
√ sσ ²*
sτ ²
σ-1
sσ
=, где
kσ*
σа/εσ*β
+ ψσ*σT
kσ = 2,5 - эффективный коэффициент
концентраций напряжений при изгибе;
εσ = 0,72 - масштабный фактор;
β = 1 - фактор шероховатости поверхности;
ψσ = 0,15 - коэффициент, корректирующий
влияние постоянной цикла напряжений на сопротивление усталости;
400
sσ
= = 3,94;
2,5*4,15/0,72*1 + 0,15*580
τ-1
sτ
= , где
kτ*
τа/ετ*β
+ ψτ* τМ
kτ = 1,8 - эффективный коэффициент
концентраций напряжений при кручении;
ετ = 0,72 - масштабный фактор;
β = 1 - фактор шероховатости поверхности;
ψτ = 0,1 - коэффициент, корректирующий влияние
постоянной цикла напряжений на сопротивление усталости;
200
sσ
= = 80,1;
1,8*0,96/0,72*1 + 0,1*0,96
80,1*3,94
s = =
3,93.
√80,1 ² + 3,94 ²
условие прочности соблюдается:
s > [s] = 1,5.
Проверим статическую прочность при перегрузках:
σэкв = √σи ²
+ 3*τ ² < [σ], где
σи = 2*М/0,1*d ³ = 2*69,1*10 ³/0,1*55 ³
= 8,3 МПа;
τ = Т/0,2*d ³ = 64,02*10 ³/0,2*55 ³ = 1,92 МПа;
[σ] = 0,8* σT = 0,8*580 = 464 МПа;
σэкв = √8,3 ² + 3*1,92 ² = 8,94
МПа;
σэкв < [σ]
8,94 МПа < 464 МПа.
рис. 7.
14. Расчет
шпонок
рис. 8. Напряжения в соединении призматической шпонкой
Для колеса тихоходной ступени с диаметром вала d = 42 мм
выбираем призматическую шпонку, имеющую размеры [1 ]:
b = 12 мм;
h = 8 мм;
Длину шпонки найдем из условия прочности для призматических шпонок [2
]:
σсм = 4*Т/h*l*d ≥ [σсм], где
Т - вращающий момент на колесе тихоходной ступени;
h - высота шпонки;
l - длина шпонки;
[σсм] = 80…150 МПа - допускаемое
напряжение;
Откуда:
l = 4*Т/[σсм]*h*d = 4*242,82*10 ³/120*8*42
= 24,1 мм;
L = l + b = 24,1 + 12 = 36,1 мм;
Принимаем длину шпонки L = 45 мм.
Для колеса быстроходной ступени с диаметром вала25 мм
выбираем призматическую шпонку, имеющую размеры [1 ]:
b = 8 мм;
h = 7 мм;
Длину шпонки найдем из условия прочности для призматических шпонок [2
]:
σсм = 4*Т/h*l*d ≥ [σсм], где
Т - вращающий момент на колесе быстроходной ступени;
h - высота шпонки;
l - длина шпонки;
[σсм] = 80…150 МПа - допускаемое
напряжение;
Откуда:
l = 4*Т/[σсм]*h*d = 4*32,33*10 ³/120*7*25
= 6,2 мм;
L = l + b = 6,2 + 8= 14,2 мм;
Принимаем длину шпонки L = 21 мм.
14.
Обоснование выбора конструкции крышек подшипников
Размеры крышки определяются, прежде всего, размером внешнего кольца
подшипника. В данном случае используются закладные крышки. Эти крышки не
требуют специального крепления к корпусу резьбовыми деталями. Они удерживаются
кольцевым выступом, для которого в корпусе протачивают канавку. Чтобы
обеспечить сопряжение торцов выступа крышки и канавки корпуса по плоскости, на наружной
цилиндрической поверхности крышки перед торцом выступа делают канавку.
15. Манжетные
уплотнения
Широко применяются при смазывании подшипников жидким маслом и при
окружной скорости до 20 м/с манжетные уплотнения. Манжета состоит из корпуса,
изготовленного из маслобензостойкой резины, каркаса, представляющего собой
стальное кольцо Г- образного сечения, и браслетной пружины. Каркас придает
манжете жесткость и обеспечивает плотную посаду в корпусную деталь без
дополнительного крепления. Браслетная пружина стягивает уплотняющую часть
манжеты, вследствие чего образуется рабочая кромка шириной
b = 0,4…0,6 мм, плотно охватывающая поверхность вала.
Манжеты, предназначенные для работы в засоренной среде. Выполняют с
дополнительной рабочей кромкой, называемой «Пыльником».
Манжету обычно устанавливают открытой стороной внутрь корпуса.
К рабочей кромке манжеты в этом случае обеспечен хороший доступ
смазочного масла.
16. Смазочные
устройства
При работе передач масло постепенно загрязняется продуктами износа. С течением
времени оно стареет. Свойства его ухудшаются. Поэтому масло, налитое в корпус
редуктора, периодически меняют. Для этой цели в корпусе предусматривают сливное
отверстие, закрываемое пробкой с цилиндрической резьбой (рис. 9). Размеры
пробки:
d = М16*1.5 мм;
D1 = 21,9 мм;
D2 = 25 мм;
L = 24 мм;
l = 13 мм;
b = 3 мм.
рис.9. пробка
Для наблюдения за уровнем масла в корпусе устанавливают маслоуказатели
жезловые (щупы) (рис. 10). Исполнение наклонного щупа вызывает некоторые
технологические трудности при формовке корпуса и сверлении наклонного
отверстия, поэтому вертикальное исполнение предпочтительнее.
рис. 10. Щуп
При длительной работе в связи с нагревом масла и воздуха повышается
давление внутри корпуса, что приводит к просачиванию масла через уплотнения и
стыки. Чтобы избежать этого, внутреннюю полость корпуса сообщают с внешней
средой путем установки отдушин в его верхних точках (рис. 11)
рис.11.
17. Конструирование
корпусных деталей и крышек
Размеры корпуса определяются числом и размерами размещенных в них
деталях, относительным их расположением и величиной зазора между ними. Для
удобства сборки корпус выполняют разъемным. Плоскость разъема проходит через
оси валов.
Зазор между колесами и стенками редуктора:
а = 10 мм;
Толщина стенки корпуса редуктора
δ = 2,6* √0,1*Т = 2,6 √0,1*240,4 = 5,75 ≥6 мм.
Принимаем δ = 6 мм.
Толщину стенки крышки корпуса δ1 =
(0,9…1)* δ, где δ = 6 мм -
-толщина стенки корпуса. Толщину стенки крышки корпуса принимаем δ1 = 5
мм. Для уменьшения массы крышки боковые стенки выполняют наклонными.
Диаметр приливов, в которых располагаются подшипники, определяются:
Dп = 1,25*D + 10 мм;
рис. 12
17.1 Крепление
крышки к корпусу
Для соединения крышки с корпусом используются болты с наружной
шестигранной головкой (рис. 13).
Размеры элементов крышки и корпуса принимают:
d = 10 мм;
К = 2,7*d = 2,7*10 = 27 мм;
С = 0,5*К = 0,5*27 = 13,5 мм;
рис. 13
Для точного фиксирования положения крышки редуктора относительно
корпуса применяются штифты. Размеры штифтов (рис. 14):
dшт = (0,7…0,8)*d = (0,7…0,8)*10 = (7…8) = 8
мм,где
d - диаметр крепежного болта;
lшт = 26 мм.
рис. 14
17.2
Конструирование прочих элементов редуктора
Для подъема и транспортировки крышки корпуса и собранного редуктора
применяют проушины (рис. 15), отливая их заодно с крышкой. В данном случае
проушина выполнена в виде ребра с отверстием.
d = 3*δ1 = 3*5 = 15 мм.
рис. 15.
Для заливки масла в редуктор и контроля правильности зацепления делают
люк. Чтобы удобнее было заливать масло и наблюдать за зубчатыми колесами при
сборке и эксплуатации, размеры люка должны быть максимально возможными. Люк
закрывается стальной крышкой из листов толщиной δк. При
среднесерийном производстве крышку выполняют штампованной (рис. 16). Для того,
чтобы внутрь корпуса извне не засасывалась пыль, под крышку ставят уплотняющую
прокладку. Материал прокладки - технический картон марки А толщиной 1,0…1,5 мм.
Крышка крепиться к корпусу винтами с полукруглой головкой.
d = δ1 = 5 мм;
δk = (0,010…0,012)*L = (0,010…0,012)*173 =
1,73…3,46 = 3 мм;
h = (0,4…0,5)* δ1 = (0,4…0,5)*5 = 2…2,5 = 2 мм;
Н ≥0,05*L = 0,05*173 = 8,65 мм.
рис. 16.
19. Подбор
системы смазки
В данном редукторе используется картерная система смазывания, т.е.
корпус является резервуаром для масла. Масло заливается через верхний люк. Для
слива масла в корпусе предусмотрено сливное отверстие, закрываемое пробкой.
При работе передач продукты изнашивания постепенно загрязняют масло. С
течением времени оно стареет, свойства его ухудшаются. Браковочными признаками
служат повышенное содержание воды и наличие механических примесей. Поэтому
масло, залитое в корпус, периодически меняют.
В зависимости от контактного напряжения до 600 МПа и окружной скорости
колес до 2 м/с определяем требуемую вязкость масла 34*10 м ²/с. По
вязкости определяем марку масла - масло индустриальное И-40 А. Потребное
количество масла V = 4 л.
Предельно допустимый уровень погружения колес в масляную ванну hм =
т…0,25*d2т = 2,5…53,75 мм = 50 мм.
21. Краткое
описание сборки редуктора
Данная конструкция редуктора позволяет осуществлять независимую сборку
редуктора. В первую очередь на валы устанавливаются зубчатые колеса, затем
упорные втулки, подшипники, регулировочные кольца, обеспечивающие регулировку
осевых зазоров, маслоотражательные шайбы. Затем устанавливаются манжеты и
крышки подшипников с отверстиями для концов валов. Далее в корпус
устанавливаются валы, а также глухие крышки. На корпус устанавливают крышку, которая
фиксируется штифтами, затем крышка крепится стяжными болтами. На корпус
устанавливают маслоуказатели и сливную пробку. Затем в корпус через отверстие
люка заливают масло. После этого на крышке корпуса устанавливается крышка люка.
19. Эскизы
стандартных изделий
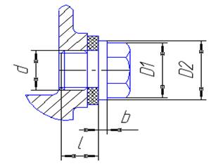
Подшипник
ГОСТ 8338-75
|
Обозначение
подшипника
|
D
|
d
|
B
|
|
304
|
47
|
20
|
14
|
|
208
|
80
|
40
|
18
|
Подшипник
2204 ГОСТ 8328-75
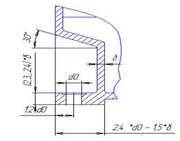
Манжета
ГОСТ 8752-79
|
Обозначение
|
D
|
d
|
h
|
|
Манжета
1-20*40
|
40
|
20
|
8
|
|
Манжета
1-40*60
|
40
|
60
|
10
|
Шпонка
ГОСТ 23360-78
|
Обозначение
|
d
|
b
|
h
|
t1
|
t2
|
l
|
|
Шпонка
12*8*45
|
42
|
12
|
8
|
5
|
3,3
|
45
|
25
|
8
|
7
|
4
|
3,3
|
21
|
|
Шпонка
10*8*42
|
36
|
10
|
8
|
5
|
3,3
|
42
|
|
Шпонка
5*5*9
|
15
|
5
|
5
|
3
|
2,3
|
9
|
Болт ГОСТ
7808-70
|
обозначение
|
H
|
l0
|
l
|
d
|
s
|
D
|
|
Болт
М10*70.5.8.
|
6
|
20
|
70
|
10
|
14
|
15,5
|
Шайба ГОСТ
6402-70
|
обозначение
|
D
|
d
|
b=s
|
|
Шайба
10Н
|
15,1
|
10,1
|
2,5
|
Список
литературы
1.
Анурьев В.И. справочник конструктора-машиностроителя: В 3-х т. Т2. –5-е изд.,
перераб. И доп. – М.: Машиностроение, 1980. – 559с., ил.
2.Дунаев
П.Ф.,Леликов О.П. Конструирование узлов и деталей машин: Учеб. пособие для
машиностроит спец. вузов.-4-е изд., перераб. и доп.-М.:Высш. шк.,1985-416с
3.Иванов
М.Н. Детали машин:Учеб. для студентов высш. техн. учеб. заведений.- М.: Высш.
шк.,1991-383с.