Настенные часы "Морская тематика"
МИНИСТЕРСТВО
ОБРАЗОВАНИЯ РФ
КИЗИЛЬСКАЯ
МУНИЦИПАЛЬНАЯ ОБЩЕОБРАЗОВАТЕЛЬНАЯ ШКОЛА №2
Творческий
проект
По
дисциплине «Технология»
Настенные
часы «Морская тематика»
Выполнил: ученик
9 класса Олег
Проверил:
учитель
технологии
Попков Игорь
Александрович
с.
Кизильское 2009г.
Содержание
Введение
1.
Историческая
справка
2.
Виды
вариантов настенных часов
3.
Окончательный
выбор конструкции часов
4.
Технология
изготовления настенных часов
5.
Сборочный
чертёж часов
5.1 Чертёж ушка якоря
5.2 Чертёж крюка якоря
5.3 Чертёж стойки якоря
5.4 Чертёж колеса штурвала
5.5 Чертёж ручки штурвала
6.
Технологическая
карта. Изготовление часов
7.
Расчёт
материала и экономическое обоснование изготовления настенных часов
8.
Эргономическое
обоснование изготовления часов
Список литературы
Введение
Выбор
для разработки настенных часов, послужил тот факт, что настенные часы – это
вещь, без которых трудно себе представить любой интерьер. Вообще, можно
сказать, что настенные часы - самые распространенные и популярные среди
интерьерных часов, они легко вписываются в любую обстановку. Различные варианты
исполнения, оригинальный современный дизайн и широкие функциональные
возможности обеспечивают любые запросы потребителей.
Не всегда расстояние можно измерить метрами-километрами.
Людей могут разделять даже часы-минуты, которые мирно «бегут» на наших стенках.
Мы считаем минуты до встречи с любимыми, считаем часы до окончания рабочего
дня, считаем дни до вожделенного отпуска на море. Стоя в пробке, мы нервно
поглядываем на электронные цифры, безжалостно отмечающие количество минут
нашего опоздания. С замиранием сердца мы следим за тающими несколькими минутами
до окончания последнего периода в финальном матче между хоккейными сборными
России и Канады, молясь, чтобы за такой короткий промежуток наши успели
сровнять счет и довести дело до овертайма.
Наша жизнь
состоит из непрекращающейся слежки за временем, поэтому часы – важный элемент
любого помещения.
Современный
темп жизни диктует нам свои правила, и жизнь любого активного преуспевающего
человека расписана чуть ли не по часам. Можно, конечно, убить время, "на
рельсы часы положив", но не лучше ли все-таки принять условия, которые
ставит перед нами жизнь, но несколько приукрасив их. Один из способов сделать
свою жизнь ярче - это смотреть не на обыкновенные, скучные часы, особенно,
когда Вы чего-то ожидаете, и время тянется так медленно, а на прикольные часы
необычного дизайна, сделанные собственными руками.
Море
неизменно притягивает к себе удивительной романтикой и простором для дальних
странствий. Наверное, найдётся не так много людей, равнодушных ко всему этому.
Не случайно морская тематика столь популярна в дизайне, выражаясь в оформлении
отдельных вещей или целых интерьеров. При этом она столь же выразительна, как и
любые ассоциации, связанные с морскими приключениями и путешествиями.
Особенно
привлекательны настенные часы с морской тематикой, которые подчеркивают
индивидуальность любого помещения. К слову, морские часы могут разместиться не
только в квартире или в офисе, но и в каюте настоящего судна или катера. Своим
замечательным внешним видом они лучше любых слов расскажут об интересах и
увлечениях своего хозяина.
Настенные
часы с морской тематикой очень разнообразны.
В нашей
творческой работе мы предоставляем Вашему вниманию настенные часы «Морская
тематика», изготовленная в виде корабельного якоря и штурвала. Эти часы
"идут в ногу со временtм": двенадцать ручек штурвала представляют собой часовые
промежутки времени, стрелки часов – точный ориентир во временном пространстве,
которые, в свою очередь, символизируют, так необходимый любому мореплавателю
компас! Эти оригинальные настенные часы будут прекрасно смотреться в любой
комнате: и на кухне, и в гостиной и станут прекрасным подарком на любой
праздник.
1.
Историческая справка
Время появления настенных часов относят примерно к 1600 году.
Именно тогда в английских часовых мастерских появились так называемые
люцерновые настенные часы, Стенка часов обычно была железная, а вот съемные
боковые дверцы изготавливались из латуни, отсюда и одна из трактовок названия
(от слова «лакктен» – латунь). Круглый циферблат был только с одной резной
стальной стрелкой и римскими цифрами. Современному человеку сложно даже
представить, что практически до конца XVI века у люцерновых часов была исключительно
часовая стрелка, и только в XVII веке появилась минутная. Циферблат чаще всего
украшали всевозможными цветочными орнаментами и гравировкой.
В конце XVII века в Германии появились первые экземпляры
настенных «часов-тарелок». Такое название было обусловлено внешним видом
циферблата, который нельзя было отличить от обыкновенной посуды.
Во Франции во времена Людовика XV и Людовика XVI в моду вошли
настенные «картельные» часы. Изящный корпус настенных часов отливался из бронзы, после этого его
золотили. Неудивительно, что именно такие часы очень быстро завоевали любовь
французов – известных на весь мир ценителей прекрасного.
Приблизительно к концу XVII века на сцену плавно выходят
«картинные» часы. Они были декорированы различными пейзажами. Особый шик им
придавали позолоченные рамы.
В начале XIX века в Австрии стали производить часы с
маятником.
Механизмы настенных часов
По механизму измерения часы бывают солнечные, огненные,
песочные, водяные, камертонные, астрономические, атомные. Остановимся мы на самых
привычных для нас – механических, кварцевых и, конечно же, электронных.
Механические часы состоят из основных
четырех частей: двигателя в виде пружины или гири, передаточного механизма
зубчатых колес, регулятора, который обуславливает равномерность движения, а
также из распределителя, который передает регулятору импульсы от двигателя и
подчиняет движение передаточного механизма.
Электронные часы основаны на подсчете
периодов колебаний от стабильного кварцевого генератора с помощью счетчиков
делителей с последующим выводом показаний на электронный дисплей. В настоящее
время в большинство электронных часов встроен микроконтроллер, а также они
обладают различными сервисными функциями, которые так необходимы современному
человеку, – будильником, календарем.
Кварцевые часы представляют собой
разновидность электронно-механических часов. Механизм таких часов состоит
из источника энергии, электронного генератора, счетчика делителя, а также
выходного каскада усилителя, который нагружен на катушку электромотора, который
в свою очередь приводит в движение стрелки часов через систему зубчатых колес.
Механизмы настенных
часов: за и против
Давным-давно пользоваться тем или иным механизмом приходилось
исключительно по «принуждению», так как альтернатива отсутствовала. В наше
время есть возможность выбрать для себя оптимальный механизм.
Можно смело сказать, что по практичности лидируют кварцевые
часы, так как они нуждаются в минимальном уходе. Для исправной работы таких
часов в течение полутора лет необходима одна батарейка, остается лишь иногда
смахивать с них пыль при уборке.
При выборе механических
настенных часов вам просто необходимо относиться к ним не
просто как к элементу интерьера, а, безусловно, по-особенному, так как механизм
данных часов потребует к себе вашего постоянного внимания. Но если вы любитель
старинных часов или, например, вы склонны придавать большое значение «мягкому»
ходу часов, а также неравнодушны к приятным слуху мелодиям, которые присущи в
большинстве своем только механическим моделям, то вы с легкостью пойдете на
такие жертвы. Для ухода за часами вам потребуется не только периодически
сдувать с них пыль, но и регулярно заводить часы, а также выполнять смазку
механизма, которую специалисты советуют делать не реже одного раза в пять-семь
лет. Однако если у вас нет большого желания производить смазку собственноручно
или вы не очень уверены, что все сделаете правильно, не повредив сложного
механизма, то вы можете предоставить это дело специалисту.
2. Виды
вариантов настенных часов «Морской тематики»
На рис. 1,
представлены варианты настенных часов:
а). Часы в
стиле спасательного круга.
б). Часы в
форме штурвала.
в). Встроенные
часы в центральную часть якоря.
г). Усложнённый
вид штурвала со встроенными часами.
Рис. 1.
3.
Окончательный выбор конструкции часов (для его
производства)
|
Вариант
|
Потребное оборудование и инструменты
|
Время изготовления, Час
|
Материалы и комплектующие детали
|
|
А
|
Электрический лобзик и набор пилок, фрезерная
машина и фрезы.
|
3
|
Заготовка из древесины (сосна), стекло, циферблат
и основной механизм часов со стрелками.
|
|
Б
|
8
|
Доска (тридцатка), брус, клей ПВА, стекло,
циферблат и основной механизм часов со стрелками.
|
|
В
|
Электрический лобзик и набор пилок, фрезерная
машина и фрезы, дрель.
|
6
|
Доска (двадцатка и тридцатка), клей ПВА,
обычное стекло, циферблат и основной механизм часов со стрелками.
|
|
Г
|
Токарный станок по дереву и набор стамесок:
плоская, реерная, электрический лобзик, фрезерная машина и фрезы, дрель.
|
21
|
Доска (тридцатка), брус, клей ПВА, стекло,
циферблат и основной механизм часов со стрелками.
|
4. Технология изготовления настенных часов
Рассматривая
виды часов, представленных на рисунке 1, мы приходим к решению изготовить
собственные часы, на подобии этих аналогов. Наши настенные часы будут совмещать
2 представленных варианта, т. е. варианты – б). и в). (см. Рис. 1), но в более
упрощённой и, в то же время, стилизованной форме.
Процесс
изготовления данных часов будет протекать в 7 стадий.
Стадии
изготовления настенных часов:
1.
Выбор
варианта с габаритными размерами, по чертёжу.
2.
Подготовка
материалов для изготовления деталей с учётом размеров и припусков для распилки
и шлифовки.
3.
Распил
досок по заданным параметрам чертежа и шаблонов.
4.
Вытачивание
стойки якоря и ручек штурвала на токарном станке.
5.
Фрезерование
и сверление частей якоря и штурвала.
6.
Подготовка
и скрепление деталей, будущих, часов.
7.
Нанесение
лака и морилки.
5.
Сборочный чертёж часов
|
Форм.
|
Зона
|
Поз.
|
Обозначение
|
Наименование
|
Кол.
|
Прим.
|
|
|
А4
|
Ø 60
|
|
ТП 00.000
|
Сборочный
|
|
|
|
|
|
|
|
чертёж
|
|
|
|
|
|
|
|
|
|
|
|
|
|
|
|
Детали
|
|
|
|
|
А4
|
|
1
|
ТП 00.001
|
Ушко якоря
|
1
|
Доска
|
|
|
А4
|
|
2
|
ТП 00.002
|
Крюк якоря
|
1
|
Доска
|
|
|
А4
|
|
3
|
ТП 00.003
|
Стойка якоря
|
2
|
Стержень
|
|
|
А4
|
|
4
|
ТП 00.004
|
Колесо штурвала
|
1
|
Доска
|
|
|
А4
|
|
5
|
ТП 00.004
|
Ручка штурвала
|
12
|
Стержень
|
|
|
|
|
|
|
ТП 00.000 СБ
|
|
|
|
|
|
|
|
|
|
|
|
|
|
|
|
Часы
(Сборочный чертёж)
|
Лит.
|
Масштаб
|
|
Изм.
|
Лист
|
№ докум.
|
Подп
|
Дата
|
|
|
|
|
1 : 7,5
|
|
Разраб.
|
|
|
|
|
Пров.
|
|
|
|
|
Т. Контр.
|
|
|
|
Лист
|
Листов
|
|
|
|
|
|
|
Н. контр.
|
|
|
|
|
Утв.
|
|
|
|
|
|
|
|
|
|
|
|
|
|
|
|
|
|
|
|
5.1 Чертёж
ушко якоря
|
|
|
|
|
ТП 00.001
|
|
|
|
|
|
|
|
|
|
|
|
|
|
|
|
Ушко якоря
|
Лит.
|
Масса
|
Масштаб
|
|
Изм.
|
Лист
|
№ докум.
|
Подп
|
Дата
|
|
|
|
|
1 : 1,5
|
|
Разраб.
|
|
|
|
|
Пров.
|
|
|
|
|
Т. Контр.
|
|
|
|
Лист
|
Листов
|
|
|
|
|
|
|
Н. контр.
|
|
|
|
|
Утв.
|
|
|
|
5.2 Чертёж
крюка якоря
|
|
|
|
|
ТП 00.002
|
|
|
|
|
|
|
|
|
|
|
|
|
|
|
|
Крюк якоря
|
Лит.
|
Масса
|
Масштаб
|
|
Изм.
|
Лист
|
№ докум.
|
Подп
|
Дата
|
|
|
|
|
1 : 3
|
|
Разраб.
|
|
|
|
|
Пров.
|
|
|
|
|
Т. Контр.
|
|
|
|
Лист
|
Листов
|
|
|
|
|
|
|
Н. контр.
|
|
|
|
|
Утв.
|
|
|
|
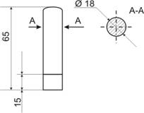
5.3 Чертёж
стойки якоря
|
|
|
|
|
ТП 00.003
|
|
|
|
|
|
|
|
|
|
|
|
|
|
|
|
Стойка якоря
|
Лит.
|
Масса
|
Масштаб
|
|
Изм.
|
Лист
|
№ докум.
|
Подп
|
Дата
|
|
|
|
|
1 : 1,5
|
|
Разраб.
|
|
|
|
|
Пров.
|
|
|
|
Лист
|
Листов
|
|
|
|
|
.
|
|
Н. контр.
|
|
|
|
|
Утв.
|
|
|
|
5.4 Чертёж
колеса штурвала
|
|
|
|
|
ТП 00.003
|
|
|
|
|
|
|
|
|
|
|
|
|
|
|
|
Колесо штурвала
|
Лит.
|
Масса
|
Масштаб
|
|
Изм.
|
Лист
|
№ докум.
|
Подп
|
Дата
|
|
|
|
|
1 : 2,3
|
|
Разраб.
|
|
|
|
|
Пров.
|
|
|
|
|
Т. Контр.
|
|
|
|
Лист
|
Листов
|
|
|
|
|
|
|
Н. контр.
|
|
|
|
|
Утв.
|
|
|
|
5.5 Ручка
штурвала
|
|
|
|
|
ТП 00.003
|
|
|
|
|
|
|
|
|
|
|
|
|
|
|
|
Ручка штурвала
|
Лит.
|
Масса
|
Масштаб
|
|
Изм.
|
Лист
|
№ докум.
|
Подп
|
Дата
|
|
|
|
|
1 : 1
|
|
Разраб.
|
|
|
|
|
Пров.
|
|
|
|
|
Т. Контр.
|
|
|
|
Лист
|
Листов
|
|
|
|
|
|
|
Н. контр.
|
|
|
|
|
Утв.
|
|
|
|
6.Технологическая карта. Изготовление часов
|
Деталь
|
Операции
|
Наименован. операций
|
Эскиз заготовки
|
Оборудование и инструменты
|
|
№ 1
|
Выпиливание из доски по шаблону ушка якоря и
просверливание отверстий под стойки якоря.
|
Изготовление ушка якоря.
|
|
Электрический лобзик, набор пилок, дрель со
сверлом на 18 мм.
|
|
№ 2
|
Выпиливание из доски по шаблону крюка якоря и
просверливание отверстий под стойки якоря..
|
Изготовление крюка якоря.
|
|
Электрический лобзик, набор пилок, дрель со
сверлом на 18 мм.
|
|
№ 3
|
Вытачивание стоек якоря.
|
Изготовление стоек якоря.
|
|
Токарный станок по дереву, стамески (реерный,
плоский,).
|
|
№ 4
|
Вытачивание ручек штурвала.
|
Изготовление ручек штурвала.
|

|
|
№ 5
|
Выпиливание из доски колесо штурвала, сверление
и фрезерование фаски и отверстия под механизм часов.
|
Изготовление колеса штурвала.
|
|
Электрический лобзик, дрель со сверлом на 8 мм, фрезерная машина и набор фрез.
|
|
№ 6
|
Сборка и закрепление всех деталей.
|
Сборка часов.
|
|
Клей ПВА, саморезы, крестовая отвёртка.
|
|
№ 7
|
Нанесение лакокрасочного материала (лак,
морилка, пропитка или масленая краска).
|
Покраска.
|
|
Лакокрасочный материал, кисточка или
пуливизатор.
|
|
№ 8
|
Частичная разборка (отвинчивание саморезов),
для установки механизма часов в заготовленное отверстие.
|
Установка механизма часов.
|
|
Отвёртка.
|
7. Расчёт материала и экономическое обоснование
изготовления
настенных часов
Рассчитаем
затраты и себестоимость продукции на изготовление настенных часов.
Расчёт, для
изготовления одного настенных часов:
·
доска,
габаритами 580 х 140 х 25 мм (стоимость 1 мм3 досок составляет 4500 руб.),
необходимая часть доски от 1 мм3 составляет 49,9 часть, следовательно,
стоимость нужной доски составляет 90 руб.;
·
доска,
габаритами 196 х 196 х 35 мм (стоимость 1 мм3 досок составляет 4500 руб.),
необходимая часть доски от 1 мм3 составляет 743 часть, следовательно, стоимость
нужной доски составляет 6 руб.;
·
брус,
габаритом 1750 х 25 х 25 мм (стоимость 1 мм3 досок составляет 4500 руб.),
необходимая часть доски от 1 мм3 составляет 914 часть, следовательно, стоимость
нужной части бруса составит 5 руб.;
·
в
качестве механизма для часов можно использовать механизм из ненужных часов,
либо купить самый дешёвый «Китайский будильник», цена которого составит
примерно 30 руб.;
·
четыре
самореза на 35 мм, цена одной составляет 0,18 руб., цена 4 шт. составит 0,72 руб.;
·
клей
ПВА, цена за один тюбик 30 руб., с содержанием 1000 гр., для нашего проекта
понадобится 15 гр. – это составит 0,45 руб.
Затрата
электроэнергии за работу на токарным станке по дереву, непосредственно при
изготовлении цилиндрических частей часов, а так же работа с электрическим
лобзиком, дрелью и фрезерной машины при изготовлении деталей часов, по расчёту,
что работа за электро- станками, машинами составляет ~ 4 часа, мощности этих
оборудований в среднем по 1,5 кват – это составляет, в общем, 6 кват.
Следовательно затраты на электроэнергию составляют 6 х 1,134 = 6,8 рублей.
Себестоимость
одного экземпляра часов будет составлять примерно 150 руб.
Конечная
стоимость часов, с учётом потраченной энергии и сил столяра, а так же
оригинальное исполнение и художественная образность изделия, будет составлять
от 600 до 900 рублей.
8.
Эргономическое обоснование изготовления светильника
Наши отношения с предметным миром не могут быть ограничены
любованием эстетическими достоинствами внешней формы. Практическое назначение
предметов, обращение с ними требуют своего осмысления. Вопросами проектирования
удобных орудий труда, быта, а в целом - созданием комфортной
предметно-пространственной среды для самых различных процессов
жизнедеятельности человека занимается эргономика.
В её задачи входит всестороннее изучение функциональных
особенностей и возможностей человека в процессе его деятельности и
взаимодействии с окружающими предметами.
Человек соизмерял создаваемый им предметный мир со своими
физическими параметрами и физиологическими возможностями своего организма.
Непосредственно наше изделие – настенные часы «Морская тематика»,
несёт в себе следующие эргономические задачи:
·
габариты
изделия соответствуют среднестатистическим размерам, что даёт возможность их
расположения, практически, на любой стене;
·
изготовлено
из натуральных материалов;
·
распределённая
тяжесть изделия, что позволяет подвесить часы на один гвоздь, за ушко якоря;
·
стилизация
под главные морские атрибуты – якорь и штурвал, этот внешний дизайн, может
украсить любой интерьер, в, не зависимости офисный ли это кабинет, или же
гостиная или спальная комната.
Список
литературы
1.
Балашов
К.А., Кобелева И.В. Экономика предприятия и основных отраслей народного
хозяйства. Магнитогорск: 2001. – 36с.
2.
http://www.google.ru/
3.
http://www.mail.ru/
4.
http://www.rambler.ru/
5.
Кряков
М.В., Гулин В.С., Берелин А.В. Современное производство мебели. – М.: Лесная
промышленность, 1986. – 65с.