Выигрыш потребителя и производителя

  • Вид работы:
    Тип работы
  • Предмет:
    Финансы, деньги, кредит
  • Язык:
    Русский
    ,
    Формат файла:
    MS Word
    120,75 kb
  • Опубликовано:
    2008-12-09
Вы можете узнать стоимость помощи в написании студенческой работы.
Помощь в написании работы, которую точно примут!

Выигрыш потребителя и производителя

РЕФЕРАТ

Пояснительная записка к дипломному проекту: 84 страницы, 23 рисунка, 20 таблиц, 23 источника, 3 листа чертежей формата А1.

Объект исследований: усовершенствование видеокарты.

Предмет исследования: видеокарта ПК.

В первом разделе рассмотрены общие принципы работы видеокарт, их устройства, функциональная и принципиальная схемы и их характеристики.

Во втором разделе рассматриваются вопросы усовершенствования видеокарт, их недостатки, виды охлаждения ПК, производится выбор вентилятора и его установка на видеокарту. Приводятся сравнительные характеристики видеокарт до усовершенствования и после.

В третьем разделе выполнен экономический расчет объекта анализа, расчитывается экономический эффект от внедренного предложения..

В четвертом разделе проведены расчеты вентиляции, природного и искусственного освещения, уровня шума. Полученные значения сопоставлены с нормативными.

Данное усовершенствование может быть рекомендовано владельцам ПК.

ВЕНТИЛЯТОР, ВИДЕОКАРТА, ВОЗДУШНОЕ ОХЛАЖДЕНИЕ, КОНСТРУКТОРСКАЯ ДОКУМЕНТАЦИЯ, ИНТЕРФЕЙС, КОНТРОЛЛЕР МОНИТОРА, ВИДЕОПАМЯТЬ

СОДЕРЖАНИЕ

ПЕРЕЧЕНЬ УСЛОВНЫХ ОБОЗНАЧЕНИЙ, СИМВОЛОВ, ЕДИНИЦ, СОКРАЩЕНИЙ И ТЕРМИНОВ

ВВЕДЕНИЕ

1 ОСНОВЫ РАБОТЫ ВИДЕОКАРТЫ

1.1 История создания видеокарты

1.2 Устройство видеокарты

1.3 Функциональная схема видеокарты

1.4 Характеристики видеокарты и их интерфейс

1.5 Видеопамять

2 УСОВЕРШЕНСТВОВАНИЕ ВИДЕОКАРТЫ

2.1 Недостатки видеокарт

2.2 Охлаждение, виды охлаждения

2.3 Методы устранения недостатков

2.4 Установка вентилятора

3 ТЕХНИКО-ЭКОНОМИЧЕСКОЕ ОБОСНОВАНИЕ ОБЪЕКТА РАЗРАБОТКИ

3.1 Расчет расходов на стадии проектирования (разработки) КД усовершенствованной видеокарты

3.2 Расчет расходов на стадии производства изделия

4 ОХРАНА ТРУДА

4.1 Требования к производственным помещениям

4.1.1 Окраска и коэффициенты отражения

4.1.2 Освещение

4.1.3 Параметры микроклимата

4.1.4 Шум и вибрация

4.1.5 Электромагнитное и ионизирующее излучения

4.2 Эргономические требования к рабочему месту

4.3 Режим труда

4.4 Расчет освещенности

4.5. Расчет вентиляции

4.6 Расчет уровня шума

ВЫВОДЫ

ПЕРЕЧЕНЬ ССЫЛОК

ПЕРЕЧЕНЬ УСЛОВНЫХ ОБОЗНАЧЕНИЙ, СИМВОЛОВ, ЕДИНИЦ, СОКРАЩЕНИЙ И ТЕРМИНОВ

АЦП – аналого-цифровой преобразователь

БИС – большая интегральная схема

КД – конструкторская документация

КМОП – комплементарная логика на транзисторах металл-оксид-полупроводник

МПС – микропроцессорная система

ОЗУ – оперативное запоминающее устройство

ПЗУ – постоянное запоминающее устройство

ПО- программное обеспечение

ПС – программные средства

ЦП – центральный процессор

ЦПУ – центральное процессорное устройство

ШИМ – широтно импульсная модуляция

HGC (Hercules Graphics Controller) — графический адаптер Геркулес

ISA (Industry Standart Architecture) — архитектура промышленного стандарта

MGA (Multicolor Graphics Adapter) — многоцветный графический адаптер

VGA (Video Graphics Array) — графический видео массив

ВВЕДЕНИЕ

Тема дипломной работы – «Усовершенствование видеокарты», которая является предметом исследования.

Цель работы – исследовать работу видеокарты ПК и на основе полученных знаний внести усовершенствования в видеокарту, чем улучшить ее работоспособность.

Разобъем работу на этапы:

- изучение работы видеокарты и выяснения ее слабых мест;

- разработать усовершенствованную схему и дать анализ ее работы.

Видеокарта (известна также как графическая плата, графический ускоритель, графическая карта, видеоадаптер) (англ. videocard) — устройство, преобразующее изображение, находящееся в памяти компьютера, в видеосигнал для монитора.

Обычно видеокарта является платой расширения и вставляется в разъём расширения, универсальный (PCI-Express, PCI, ISA, VLB, EISA, MCA) или специализированный (AGP), но бывает и встроенной (интегрированной) в системную плату (как в виде отдельного чипа, так и в качестве составляющей части северного моста чипсета или ЦПУ).

Современные видеокарты не ограничиваются простым выводом изображения, они имеют встроенный графический микропроцессор, который может производить дополнительную обработку, разгружая от этих задач центральный процессор компьютера. Например, все современные видеокарты NVIDIA и AMD (ATi) поддерживают приложения OpenGL на аппаратном уровне. В последнее время также имеет место тенденция использовать вычислительные способности графического процессора для решения неграфических задач.

Как видим роль видеокарты велика, как и актуальность данной работы. Без видеокарты, как говорится, нет и компьютера.

1 ОСНОВЫ РАБОТЫ ВИДЕОКАРТЫ

1.1   История создания видеокарты

Одним из первых графических адаптеров для IBM PC стал MDA (Monochrome Display Adapter) в 1981 году. Он работал только в текстовом режиме с разрешением 80×25 символов (физически 720×350 точек) и поддерживал пять атрибутов текста: обычный, яркий, инверсный, подчёркнутый и мигающий. Никакой цветовой или графической информации он передавать не мог, и то, какого цвета будут буквы, определялось моделью использовавшегося монитора. Обычно они были чёрно-белыми, янтарными или изумрудными. Фирма Hercules в 1982 году выпустила дальнейшее развитие адаптера MDA, видеоадаптер HGC (Hercules Graphics Controller — графический адаптер Геркулес), который имел графическое разрешение 720×348 точек и поддерживал две графические страницы. Но он всё ещё не позволял работать с цветом.

Первой цветной видеокартой стала CGA (Color Graphics Adapter), выпущенная IBM и ставшая основой для последующих стандартов видеокарт. Она могла работать либо в текстовом режиме с разрешениями 40×25 и 80×25 (матрица символа — 8×8), либо в графическом с разрешениями 320×200 или 640×200. В текстовых режимах доступно 256 атрибутов символа — 16 цветов символа и 16 цветов фона (либо 8 цветов фона и атрибут мигания), в графическом режиме 320×200 было доступно четыре палитры по четыре цвета каждая, режим высокого разрешения 640×200 был монохромным. В развитие этой карты появился EGA (Enhanced Graphics Adapter) — улучшенный графический адаптер, с расширенной до 64 цветов палитрой, и промежуточным буфером. Было улучшено разрешение до 640×350, в результате добавился текстовый режим 80×43 при матрице символа 8×8. Для режима 80×25 использовалась большая матрица — 8×14, одновременно можно было использовать 16 цветов, цветовая палитра была расширена до 64 цветов. Графический режим так же позволял использовать при разрешении 640×350 16 цветов из палитры в 64 цвета. Был совместим с CGA и MDA.

Стоит заметить, что интерфейсы с монитором всех этих типов видеоадаптеров были цифровые, MDA и HGC передавали только светится или не светится точка и дополнительный сигнал яркости для атрибута текста «яркий», аналогично CGA по трём каналам (красный, зелёный, синий) передавал основной видеосигнал, и мог дополнительно передавать сигнал яркости (всего получалось 16 цветов), EGA имел по две линии передачи на каждый из основных цветов, то есть каждый основной цвет мог отображаться с полной яркостью, 2/3, или 1/3 от полной яркости, что и давало в сумме максимум 64 цвета.

В ранних моделях компьютеров от IBM PS/2, появляется новый графический адаптер MCGA (Multicolor Graphics Adapter — многоцветный графический адаптер). Текстовое разрешение было поднято до 640x400, что позволило использовать режим 80x50 при матрице 8x8, а для режима 80x25 использовать матрицу 8x16. Количество цветов увеличено до 262144 (64 уровня яркости по каждому цвету), для совместимости с EGA в текстовых режимах была введена таблица цветов, через которую выполнялось преобразование 64-цветного пространства EGA в цветовое пространство MCGA. Появился режим 320x200x256, где каждый пиксел на экране кодировался соответствующим байтом в видеопамяти, никаких битовых плоскостей не было, соответственно с EGA осталась совместимость только по текстовым режимам, совместимость с CGA была полная. Из-за огромного количества яркостей основных цветов возникла необходимость использования уже аналогового цветового сигнала, частота строчной развертки составляла уже 31,5 KГц.

Потом IBM пошла ещё дальше и сделала VGA (Video Graphics Array — графический видео массив), это расширение MCGA совместимое с EGA и введённое в средних моделях PS/2. Это фактический стандарт видеоадаптера с конца 80-х годов. Добавлены текстовое разрешение 720x400 для эмуляции MDA и графический режим 640x480, с доступом через битовые плоскости. Режим 640x480 замечателен тем, что в нём используется квадратный пиксел, то есть соотношение числа пикселов по горизонтали и вертикали совпадает со стандартным соотношением сторон экрана — 4:3. Дальше появился IBM 8514/a с разрешениями 640x480x256 и 1024x768x256, и IBM XGA с текстовым режимом 132x25 (1056x400) и увеличенной глубиной цвета (640x480x65K).

С 1991 года появилось понятие SVGA (Super VGA — «сверх» VGA) — расширение VGA с добавлением более высоких режимов и дополнительного сервиса, например возможности поставить произвольную частоту кадров. Число одновременно отображаемых цветов увеличивается до 65536 (High Color, 16 бит) и 16777216 (True Color, 24 бита), появляются дополнительные текстовые режимы. Из сервисных функций появляется поддержка VBE (VESA BIOS Extention — расширение BIOS стандарта VESA). SVGA воспринимается как фактический стандарт видеоадаптера где-то с середины 1992 года, после принятия ассоциацией VESA стандарта VBE версии 1.0. До того момента практически все видеоадаптеры SVGA были несовместимы между собой.

Графический пользовательский интерфейс, появившийся во многих операционных системах, стимулировал новый этап развития видеоадаптеров. Появляется понятие «графический ускоритель» (graphics accelerator). Это видеоадаптеры, которые производят выполнение некоторых графических функций на аппаратном уровне. К числу этих функций относятся, перемещение больших блоков изображения из одного участка экрана в другой (например при перемещении окна), заливка участков изображения, рисование линий, дуг, шрифтов, поддержка аппаратного курсора и т. п. Прямым толчком к развитию столь специализированного устройства явилось то, что графический пользовательский интерфейс несомненно удобен, но его использование требует от центрального процессора немалых вычислительных ресурсов, и современный графический ускоритель как раз и призван снять с него львиную долю вычислений по окончательному выводу изображения на экран.

Пример домашнего компьютера не-IBM - ZX Spectrum, имеет свою историю развития видеорежимов.

1.2 Устройство видеокарты

Современная видеокарта состоит из следующих частей (Рис. 1.1):

- графический процессор (Graphics processing unit — графическое процессорное устройство) — занимается расчётами выводимого изображения, освобождая от этой обязанности центральный процессор, производит расчёты для обработки команд трёхмерной графики. Является основой графической платы, именно от него зависят быстродействие и возможности всего устройства. Современные графические процессоры по сложности мало чем уступают центральному процессору компьютера, и зачастую превосходят его как по числу транзисторов, так и по вычислительной мощности, благодаря большому числу универсальных вычислительных блоков. Однако, архитектура GPU прошлого поколения обычно предполагает наличие нескольких блоков обработки информации, а именно: блок обработки 2D-графики, блок обработки 3D-графики, в свою очередь, обычно разделяющийся на геометрическое ядро (плюс кэш вершин) и блок растеризации (плюс кэш текстур) и др.

- видеоконтроллер — отвечает за формирование изображения в видеопамяти, даёт команды RAMDAC на формирование сигналов развёртки для монитора и осуществляет обработку запросов центрального процессора. Кроме этого, обычно присутствуют контроллер внешней шины данных (например, PCI или AGP), контроллер внутренней шины данных и контроллер видеопамяти. Ширина внутренней шины и шины видеопамяти обычно больше, чем внешней (64, 128 или 256 разрядов против 16 или 32), во многие видеоконтроллеры встраивается ещё и RAMDAC. Современные графические адаптеры (ATI, nVidia) обычно имеют не менее двух видеоконтроллеров, работающих независимо друг от друга и управляющих одновременно одним или несколькими дисплеями каждый.

- видеопамять — выполняет роль кадрового буфера, в котором хранится изображение, генерируемое и постоянно изменяемое графическим процессором и выводимое на экран монитора (или нескольких мониторов). В видеопамяти хранятся также промежуточные невидимые на экране элементы изображения и другие данные. Видеопамять бывает нескольких типов, различающихся по скорости доступа и рабочей частоте. Современные видеокарты комплектуются памятью типа DDR, DDR2, GDDR3, GDDR4 и GDDR5. Следует также иметь в виду, что помимо видеопамяти, находящейся на видеокарте, современные графические процессоры обычно используют в своей работе часть общей системной памяти компьютера, прямой доступ к которой организуется драйвером видеоадаптера через шину AGP или PCIE. В случае использования архитектуры UMA в качестве видеопамяти используется часть системной памяти компьютера.

- цифро-аналоговый преобразователь (ЦАП, RAMDAC — Random Access Memory Digital-to-Analog Converter) — служит для преобразования изображения, формируемого видеоконтроллером, в уровни интенсивности цвета, подаваемые на аналоговый монитор. Возможный диапазон цветности изображения определяется только параметрами RAMDAC. Чаще всего RAMDAC имеет четыре основных блока — три цифроаналоговых преобразователя, по одному на каждый цветовой канал (красный, зелёный, синий, RGB), и SRAM для хранения данных о гамма-коррекции. Большинство ЦАП имеют разрядность 8 бит на канал — получается по 256 уровней яркости на каждый основной цвет, что в сумме дает 16,7 млн цветов (а за счёт гамма-коррекции есть возможность отображать исходные 16,7 млн цветов в гораздо большее цветовое пространство). Некоторые RAMDAC имеют разрядность по каждому каналу 10 бит (1024 уровня яркости), что позволяет сразу отображать более 1 млрд цветов, но эта возможность практически не используется. Для поддержки второго монитора часто устанавливают второй ЦАП. Стоит отметить, что мониторы и видеопроекторы, подключаемые к цифровому DVI выходу видеокарты, для преобразования потока цифровых данных используют собственные цифроаналоговые преобразователи и от характеристик ЦАП видеокарты не зависят.

- видео-ПЗУ (Video ROM) — постоянное запоминающее устройство, в которое записаны видео-BIOS, экранные шрифты, служебные таблицы и т. п. ПЗУ не используется видеоконтроллером напрямую — к нему обращается только центральный процессор. Хранящийся в ПЗУ видео-BIOS обеспечивает инициализацию и работу видеокарты до загрузки основной операционной системы, а также содержит системные данные, которые могут читаться и интерпретироваться видеодрайвером в процессе работы (в зависимости от применяемого метода разделения ответственности между драйвером и BIOS). На многих современных картах устанавливаются электрически перепрограммируемые ПЗУ (EEPROM, Flash ROM), допускающие перезапись видео-BIOS самим пользователем при помощи специальной программы.

- система охлаждения — предназначена для сохранения температурного режима видеопроцессора и видеопамяти в допустимых пределах.

Правильная и полнофункциональная работа современного графического адаптера обеспечивается с помощью видеодрайвера — специального программного обеспечения, поставляемого производителем видеокарты и загружаемого в процессе запуска операционной системы. Видеодрайвер выполняет функции интерфейса между системой с запущенными в ней приложениями и видеоадаптером. Так же как и видео-BIOS, видеодрайвер организует и программно контролирует работу всех частей видеоадаптера через специальные регистры управления, доступ к которым происходит через соответствующую шину.

1.3 Функциональная схема видеокарты

Обязательным элементом видеокарты является контроллер монитора, в задачу которого входит согласованное формирование сигналов сканирования видеопамяти (адрес и стробы чтения) и сигналов вертикальной и горизонтальной синхронизации монитора. Контроллер монитора должен обеспечивать требуемые частоты развертки и режимы сканирования видеопамяти, которые зависят от режима отображения (графический или текстовый) и организации видеопамяти. Опорной частотой для работы контроллера является частота вывода пикселов в графических режимах или точек разложения символов в текстовом режиме.

Видеопамять является специальной областью памяти, из которой контроллер монитора организует циклическое чтение содержимого для регенерации изображения. Первоначально для видеопамяти в карте распределения памяти РС была выделена область адресов A0000h-BFFFFh, доступные любому процессору х86. Для увеличения объема памяти (для VGA и SVGA) пришлось

Риснок 1.1 – Функциональная схема видеокарты

применять технику переключения банков памяти. Современные графические адаптеры имеют возможность переадресации видеопамяти в область старших адресов (свыше 16 Мбайт), что позволяет в защищенном режиме процессора работать с цельными образами экранов. На графических адаптерах существует и архитектура унифицированной памяти UMA. При таком подходе под видеобуфер выделяется область системного ОЗУ. Но это приводит к снижению производительности как графической подсистемы, так и компьютера в целом. Для повышения производительности служит не просто выделение видеопамяти, но и применение в ней микросхем со специальной архитектурой - VRAM, WRAM, MDRAM, RDRAM, SGRAM.

Контроллер атрибутов управляет трактовкой цветовой информации, хранящейся в видеопамяти. В текстовом режиме он обрабатывает информацию из байт атрибутов знакомест, а в графическом - бит текущего выводимого пиксела. Контроллер атрибутов позволяет увязать объем хранимой цветовой информации с возможностями монитора. В состав контроллера атрибутов входят регистры палитр, которые служат для преобразования цветов, закодированных битами видеопамяти, в реальные цвета на экране. С появлением адаптеров, способных более 256 цветов, на видеокарту их монитора перенесли цифроаналоговые преобразователи (ЦАП) сигналов базисных цветов. Объединение ЦАП с регистрами палитр в настоящее время исполняется в виде микросхем RAMDAC (цифро-аналоговый преобразователь). Микросхемы RAMDAC характеризуются разрядностью преобразователей, которая может доходить до 8 бит на цвет, и предельной частотой выборки точек (DotCLK), с которой они способны работать.

Графический контроллер является средством повышения производительности программного построения образов изображений в видеопамяти. В адаптерах EGA и VGA функции графического контроллера реализованы аппаратными средствами специализированных микросхем. Адаптеры EGA и VGA имеют четыре 8-ми битных регистра-защелки, в которых фиксируются данные из соответствующих им цветовых слоев при выполнении любой операции чтения видеопамяти. В последующих операциях записи в формировании данных для каждого слоя могут принимать участие данные от процессора и данные из регистров-защелок соответствующих слоев. Регистр битовой маски позволяет побитно управлять источником записываемых данных: если бит регистра маски имеет нулевое значение, то в видеопамять этот бит во всех слоях будет записан из регистра-защелки. Данные от процессора будут поступать только для бит с единичным значением маски. При чтении графический контроллер может задавать номер читаемого слоя. В современных адаптерах функции графического контроллера, существенно расширенные по сравнению с EGA и VGA, выполняются встроенным микропроцессором - графическим акселератором.

Синхронизатор позволяет синхронизировать циклы обращения процессора к видеопамяти с процессом регенерации изображения. От внутреннего генератора вырабатывается частота вывода пикселов DotClock, относительно которой строятся все временные последовательности сканирования видеопамяти, формирования видеосигналов и синхронизации монитора. В то же время процессор обращается к видеопамяти асинхронно относительно процесса регенерации. В задачу синхронизатора входит согласование этих асинхронных процессов.

Внутренняя шина адаптера предназначена для высокопроизводительного обмена данными между видеопамятью, графическим акселератором и внешним интерфейсом. Типовая разрядность канала данных у этой шины 64/128 бит. Однако реально используемая разрядность может оказаться меньшей, если установлены не все предусмотренные микросхемы видеопамяти.

Блок внешнего интерфейса связывает адаптер с одной из шин компьютера. Раньше для графических адаптеров использовали шину ISA (8/16 бит). Современные графические адаптеры используют в основном высокопроизводительные шины, такие как PCI и еще более производительный канал AGP.

Блок интерфейса монитора формирует выходные сигналы соответствующего типа (RGB-TTL, RGB-Analog и т.д.). Этот же блок отвечает за диалог с монитором: в простейшем случае - чтение бит идентификации, а в более сложном - обмен данными по каналу DDC. Идентификация типа подключенного монитора VGA может производиться и по уровню видеосигнала на выходах красного или синего цвета: монитор имеет терминаторы (75 Ом) на каждом из аналоговых входов. Такая нагрузка при подключении снижает напряжение выходного сигнала. У монохромного монитора используется только канал зеленого цвета - линии красного и синего остаются без нагрузки.

Модуль расширения BIOS хранит код драйверов видеосервиса (INT 10h) и таблицы знакогенераторов. Этот модуль обеспечивает возможность установки любой карты, не задумываясь о проблемах программной совместимости. Модуль расширения получает управление для инициализации графического адаптера почти в самом начале POST. Модуль имеет начальный адрес C0000h и его размер зависит от типа адаптера. Для повышения производительности видеопостроений применяют теневую память (Video BIOS Shadowing) или кэширование (Video BIOS Caching). Для графических адаптеров, интегрированных в системную плату, программная поддержка также встроена в системную BIOS.

1.4   Характеристики видеокарты и их интерфейс

Ширина шины памяти, измеряется в битах — количество бит информации, передаваемой за такт. Важный параметр в производительности карты.

Объём видеопамяти, измеряется в мегабайтах — объём собственной оперативной памяти видеокарты.

Видеокарты, интегрированные в набор системной логики материнской платы или являющиеся частью ЦПУ, обычно не имеют собственной видеопамяти и используют для своих нужд часть оперативной памяти компьютера.

Частоты ядра и памяти — измеряются в мегагерцах, чем больше, тем быстрее видеокарта будет обрабатывать информацию.

Текстурная и пиксельная скорость заполнения, измеряется в млн. пикселов в секунду, показывает количество выводимой информации в единицу времени.

Выводы карты — видеоадаптеры MDA, Hercules, CGA и EGA оснащались 9-контактным разьемом типа D-Sub. Изредка также присутствовал коаксиальный разьем Composite Video, позволяющий вывести черно-белое изображение на телевизионный приемник или монитор, оснащенный НЧ-видеовходом. Видеоадаптеры VGA и более поздние обычно имели всего один разъём VGA (15-контактный D-Sub). Изредка ранние версии VGA-адаптеров имели также разьем предыдущего поколения (9-контактный) для совместимости со старыми мониторами. Выбор рабочего выхода задавался переключателями на плате видеоадаптера. В настоящее время платы оснащают разъёмами DVI или HDMI, либо Display Port в количестве от одного до трех. Некоторые видеокарты ATi последнего поколения оснащаются шестью видеовыходами. Порты DVI и HDMI являются эволюционными стадиями развития стандарта передачи видеосигнала, поэтому для соединения устройств с этими типами портов возможно использование переходников. Порт DVI бывает двух разновидностей. DVI-I также включает аналоговые сигналы, позволяющие подключить монитор через переходник на разьем D-SUB. DVI-D не позволяет этого сделать. Dispay Port позволяет подключать до четырёх устройств, в том числе акустические системы, USB-концентраторы и иные устройства ввода-вывода. На видеокарте также возможно размещение композитных и S-Video видеовыходов и видеовходов (обозначаются, как ViVo) (Рис. 1.2).


Рисунок 1.2 – Разъемы: 9-контактный разъём TV-Out, DVI и D-Sub

Первое препятствие к повышению быстродействия видеосистемы — это интерфейс передачи данных, к которому подключён видеоадаптер. Как бы ни был быстр процессор видеоадаптера, большая часть его возможностей останется незадействованной, если не будут обеспечены соответствующие каналы обмена информацией между ним, центральным процессором, оперативной памятью компьютера и дополнительными видеоустройствами. Основным каналом передачи данных является, конечно, интерфейсная шина материнской платы, через которую обеспечивается обмен данными с центральным процессором и оперативной памятью. Самой первой шиной использовавшейся в IBM PC была XT-Bus, она имела разрядность 8 бит данных и 20 бит адреса и работала на частоте 4,77 МГц. Далее появилась шина ISA (Industry Standart Architecture — архитектура промышленного стандарта), соответственно она имела разрядность 16/24 бит и работала на частоте 8 МГц. Пиковая пропускная способность составляла чуть больше 5,5 МиБ/с. Этого более чем хватало для отображения текстовой информации и игр с шестнадцатицветной графикой. Дальнейшим рывком явилось появление шины MCA (Micro Channel Architecture) в новой серии компьютеров PS/2 фирмы IBM. Она уже имела разрядность 32/32 бит и пиковую пропускную способность 40 МиБ/с. Но то обстоятельство, что архитектура MCI являлась закрытой (собственностью IBM), побудило остальных производителей искать иные пути увеличения пропускной способности основного канала доступа к видеоадаптеру. И вот, с появлением процессоров серии 486, было предложено использовать для подключения периферийных устройств локальную шину самого процессора, в результате родилась VLB (VESA Local Bus — локальная шина стандарта VESA). Работая на внешней тактовой частоте процессора, которая составляла от 25 МГц до 50 МГц, и имея разрядность 32 бит, шина VLB обеспечивала пиковую пропускную способность около 130 МиБ/с. Этого уже было более чем достаточно для всех существовавших приложений, помимо этого возможность использования её не только для видеоадаптеров, наличие трёх слотов подключения и обеспечение обратной совместимости с ISA (VLB представляет собой просто ещё один 116 контактный разъём за слотом ISA) гарантировали ей достаточно долгую жизнь и поддержку многими производителями чипсетов для материнских плат, и периферийных устройств, даже несмотря на то, что при частотах 40 МГц и 50 МГц обеспечить работу даже двух устройств подключенных к ней представлялось проблематичным из-за чрезмерно высокой нагрузки на каскады центрального процессора (ведь большинство управляющих цепей шло с VLB на процессор напрямую, безо всякой буферизации). И всё-таки, с учётом того, что не только видеоадаптер стал требовать высокую скорость обмена информацией, и явной невозможности подключения к VLB всех устройств (и необходимостью наличия межплатформенного решения, не ограничивающегося только PC), была разработана шина PCI (Periferal Component Interconnect — объединение внешних компонентов) появившаяся, в первую очередь, на материнских платах для процессоров Pentium. С точки зрения производительности на платформе PC всё осталось по-прежнему — при тактовой частоте шины 33 МГц и разрядности 32/32 бит она обеспечивала пиковую пропускную способность 133 МиБ/с — столько же, сколько и VLB. Однако она была удобнее и в конце-концов вытеснила шину VLB и на материнских платах для процессоров класса 486.

С появлением процессоров Intel Pentium II, и серьёзной заявкой PC на принадлежность к рынку высокопроизводительных рабочих станций, а так же с появлением 3D-игр со сложной графикой, стало ясно, что пропускной способности PCI в том виде, в каком она существовала на платформе PC (обычно частота 33 МГц и разрядность 32 бит), скоро не хватит на удовлетворение запросов системы. Поэтому фирма Intel решила сделать отдельную шину для графической подсистемы, несколько модернизировала шину PCI, обеспечила новой получившейся шине отдельный доступ к памяти с поддержкой некоторых специфических запросов видеоадаптеров, и назвала это AGP (Accelerated Graphics Port — ускоренный графический порт). Разрядность шины AGP составляет 32 бит, рабочая частота 66 МГц. Первая версия разьема поддерживала режимы передачи данных 1x и 2x, вторая - 4x, третья - 8x. В этих режимах за один такт передаются соответственно одно, два, четыре или восемь 32-разрядных слов. Версии AGP не всегда были совместимы между собой в связи с использованием различных напряжений питания в разных версиях. Для предотвращения повреждения оборудования использовался ключ в разьеме. Пиковая пропускная способность в режиме 1x — 266 МиБ/с. Выпуск видеоадаптеров на базе шинах PCI и AGP на настоящий момент ничтожно мал, так как шина AGP перестала удовлетворять современным требованиям для мощности новых ПК, и, кроме того, не может обеспечить необходимую мощность питания. Для решения этих проблем создано расширение шины PCI — E — PCI Express версий 1.0 и 2.0, это последовательный, в отличие от AGP, интерфейс, его пропускная способность может достигать нескольких десятков ГБ/с. На данный момент произошёл практически полный отказ от шины AGP в пользу PCI Express. Однако стоит отметить, что некоторые производители до сих предлагают достаточно современные по своей конструкции видеоплаты с интерфейсами PCI и AGP — во многих случаях это достаточно простой путь резко повысить производительность морально устаревшего ПК в некоторых графических задачах.

1.5 Видеопамять

Кроме шины данных, второе узкое место любого видеоадаптера — это пропускная способность (англ. bandwidth) памяти самого видеоадаптера. Причём, изначально проблема возникла даже не столько из-за скорости обработки видеоданных (это сейчас часто стоит проблема информационного «голода» видеоконтроллера, когда он данные обрабатывает быстрее, чем успевает их читать/писать из/в видеопамять), сколько из-за необходимости доступа к ним со стороны видеопроцессора, центрального процессора и RAMDAC’а. Дело в том, что при высоких разрешениях и большой глубине цвета для отображения страницы экрана на мониторе необходимо прочитать все эти данные из видеопамяти и преобразовать в аналоговый сигнал, который и пойдёт на монитор, столько раз в секунду, сколько кадров в секунду показывает монитор. Возьмём объём одной страницы экрана при разрешении 1024x768 точек и глубине цвета 24 бит (True Color), это составляет 2,25 МиБ. При частоте кадров 75 Гц необходимо считывать эту страницу из памяти видеоадаптера 75 раз в секунду (считываемые пикселы передаются в RAMDAC и он преобразовывает цифровые данные о цвете пиксела в аналоговый сигнал, поступающий на монитор), причём, ни задержаться, ни пропустить пиксел нельзя, следовательно, номинально потребная пропускная способность видеопамяти для данного разрешения составляет приблизительно 170 МиБ/с, и это без учёта того, что необходимо и самому видеоконтроллеру писать и читать данные из этой памяти. Для разрешения 1600x1200x32 бит при той же частоте кадров 75 Гц, номинально потребная пропускная составляет уже 550 МиБ/с, для сравнения, процессор Pentium-2 имел пиковую скорость работы с памятью 528 МиБ/с. Проблему можно было решать двояко — либо использовать специальные типы памяти, которые позволяют одновременно двум устройствам читать из неё, либо ставить очень быструю память. О типах памяти и пойдёт речь ниже.

FPM DRAM (Fast Page Mode Dynamic RAM — динамическое ОЗУ с быстрым страничным доступом) — основной тип видеопамяти, идентичный используемой в системных платах. Использует асинхронный доступ, при котором управляющие сигналы не привязаны жёстко к тактовой частоте системы. Активно применялся примерно до 1996 г.

VRAM (Video RAM — видео ОЗУ) — так называемая двухпортовая DRAM. Этот тип памяти обеспечивает доступ к данным со стороны сразу двух устройств, то есть есть возможность одновременно писать данные в какую-либо ячейку памяти, и одновременно с этим читать данные из какой-нибудь соседней ячейки. За счёт этого позволяет совмещать во времени вывод изображения на экран и его обработку в видеопамяти, что сокращает задержки при доступе и увеличивает скорость работы. То есть RAMDAC может свободно выводить на экран монитора раз за разом экранный буфер ничуть не мешая видеопроцессору осуществлять какие-либо манипуляции с данными. Но это всё та же DRAM и скорость у неё не слишком высокая.

WRAM (Window RAM) — вариант VRAM, с увеличенной на ~25 % пропускной способностью и поддержкой некоторых часто применяемых функций, таких как отрисовка шрифтов, перемещение блоков изображения и т. п. Применяется практически только на акселераторах фирмы Matrox и Number Nine, поскольку требует специальных методов доступа и обработки данных. Наличие всего одного производителя данного типа памяти (Samsung) сильно сократило возможности её использования. Видеоадаптеры, построенные с использованием данного типа памяти, не имеют тенденции к падению производительности при установке больших разрешений и частот обновления экрана, на однопортовой же памяти в таких случаях RAMDAC всё большее время занимает шину доступа к видеопамяти и производительность видеоадаптера может сильно упасть.

EDO DRAM (Extended Data Out DRAM — динамическое ОЗУ с расширенным временем удержания данных на выходе) — тип памяти с элементами конвейеризации, позволяющий несколько ускорить обмен блоками данных с видеопамятью приблизительно на 25 %.

SDRAM(Synchronous Dynamic RAM — синхронное динамическое ОЗУ) пришёл на замену EDO DRAM и других асинхронных однопортовых типов памяти. После того, как произведено первое чтение из памяти или первая запись в память, последующие операции чтения или записи происходят с нулевыми задержками. Этим достигается максимально возможная скорость чтения и записи данных.

DDR SDRAM (Double Data Rate) — вариант SDRAM с передачей данных по двум срезам сигнала, получаем в результате удвоение скорости работы. Дальнейшее развитие пока происходит в виде очередного уплотнения числа пакетов в одном такте шины — DDR2 SDRAM (GDDR2), DDR3 SDRAM (GDDR3) и т. д.

SGRAM (Synchronous Graphics RAM — синхронное графическое ОЗУ) вариант DRAM с синхронным доступом. В принципе, работа SGRAM полностью аналогична SDRAM, но дополнительно поддерживаются ещё некоторые специфические функции, типа блоковой и масочной записи. В отличие от VRAM и WRAM, SGRAM является однопортовой, однако может открывать две страницы памяти как одну, эмулируя двухпортовость других типов видеопамяти.

MDRAM (Multibank DRAM — многобанковое ОЗУ) — вариант DRAM, разработанный фирмой MoSys, организованный в виде множества независимых банков объёмом по 32 КиБ каждый, работающих в конвейерном режиме.

RDRAM (RAMBus DRAM) память использующая специальный канал передачи данных (Rambus Channel), представляющий собой шину данных шириной в один байт. По этому каналу удаётся передавать информацию очень большими потоками, наивысшая скорость передачи данных для одного канала на сегодняшний момент составляет 1600 МиБ/с (частота 800 МГц, данные передаются по обоим срезам импульса). На один такой канал можно подключить несколько чипов памяти. Контроллер этой памяти работает с одним каналом Rambus, на одной микросхеме логики можно разместить четыре таких контроллера, значит теоретически можно поддерживать до 4 таких каналов, обеспечивая максимальную пропускную способность в 6,4 ГиБ/с. Минус этой памяти — нужно читать информацию большими блоками, иначе её производительность резко падает.

Общий вид видеокарты изображен на рисунке 1.4.

Рисунок 1.4 – Общий вид видеокарты на базе чипа NVidia GT218

Схема видеокарты изображена на рисунке 1.5.

Рисунок 1.5 - Схема видеокарты

2 УСОВЕРШЕНСТВОВАНИЕ ВИДЕОКАРТЫ

2.1 Недостатки видеокарт

Основным недостатком видеокарт является перегрев.

Перегрев видеокарт случается, когда они работают в закрытом, недостаточно проветриваемом корпусе. Современные видеокарты имеют достаточно большую мощность, поэтому сильно нагреваются. Этому способствует маленький корпус компьютера, набитый различными элементами, здесь есть большая вероятность, что видеокарта, когда-нибудь сгорит от перегрева.

Признаки перегрева видеокарты: происходят «глюки» системы, неправильное изображение цвета, появляются полосы, точки на экране, через несколько минут после начала интенсивной загрузки ускорителя. Последствия перегрева: потеря контакта в схеме видеокарты, вылет питающих узлов, высыхание электролитов, неисправности памяти. Такие же последствия возможны из-за плохого питания или разгона.

Если перегрев видеокарты длительный, то происходит высыхание электролитических конденсаторов на печатной плате видеокарты. Бывает, что производители экономят, и ставят конденсаторы, не предназначенные для работы при высоких температурах, в результате этого электролиты высыхают, что и становится причиной полной неработоспособности карты. Часто происходит то, что в схеме платы, нарушаются электрические контакты. Эта неисправность является самой простой и легко исправляемой.

Для того, чтобы устранить этот недостаток воспользуемся одним из методов охлаждения ПК. На современных компьютерах изготовитель устанавливает на видеокартах либо пассивное охлаждение, в виде радиатора или производит дополнительный обдув платы видеокарты вентилятором. Мы воспользуемся вторым способом, хотя при этом увеличится уровень шума, создаваемого дополнительным вентилятором.

2.2 Охлаждение, виды охлаждения

Холодный воздух тяжелый, и поэтому спускается вниз, а горячий, напротив, легкий, и по сему стремиться в высь. Это несложная теорема играет ключевую роль при организации грамотного охлаждения. Поэтому воздуху нужно обеспечить вход как минимум в нижней передней части системного блока и выход в его верхней задней части. Причем совсем необязательно ставить вентилятор на вдув. Если система не очень горячая, вполне достаточным будет простое отверстие в месте входа воздуха.

Рассчитаем необходимую мощность корпусной системы охлаждения. Для расчетов используем такую формулу:

Q = 1,76*P/(Ti - To) , (2.1)

где    P - полная тепловая мощность компьютерной системы;

Ti - температура воздуха внутри системного корпуса;

Тo - температура свежего воздуха, всасывающегося в системный блок из окружающей среды;

Q - производительность (расход) корпусной системы охлаждения.

Полная тепловая мощность (P) находится путем суммирования тепловых мощностей всех компонентов. К ним относятся процессор, материнская плата, оперативная память, платы расширения, жесткие диски, приводы ROM/RW, БП. В общем, то, что установлено внутри системного блока.

За температуру в системе (Ti) нужно взять желаемую нами температуру внутри системного блока. Например – 35оС.

В качестве To возьмите максимальную температуру, какая вообще бывает в самое жаркое время года в нашем климатическом поясе. Возьмем 25оС.

Когда все нужные данные получены, подставляем их в формулу. Например, если P=300 Вт, то расчеты буду выглядеть следующим образом:

Q = 1,76*300/(35-25) = 52,8 CFM

То есть в среднем суммарное количество оборотов всех корпусных вентиляторов, включая вентилятор в БП, должно быть не ниже 53 CFM. Если пропеллеры будут крутиться медленнее, это чревато выгоранием какого-либо компонента системы и выхода ее из строя.

Также в теории охлаждения существует такое понятие, как системный импеданс. Он выражает сопротивление, оказываемое движущемуся внутри корпуса воздушному потоку. Это сопротивление может оказываться всем, что не является этим потоком: платы расширения, шлейфы и провода, крепежные элементы корпуса и прочее. Именно поэтому желательно связывать всю проводку хомутами и размещать в каком-нибудь углу воздуха, чтобы она не стала помехой на пути воздушного потока.

Вентиляторам, как известно, свойственно шуметь. Если шум особенно досаждает, можно прибегнуть к такому способу решения проблемы: вместо одного быстрого и шумного поставить два более медленных и тихоходных. Разделить нагрузку, так сказать. Например, вместо одного 80-миллиметрового с 3000 об./мин. прикрутить два таких же (или даже 120-миллиметровых) по 1500 оборотов каждый. Менять один меньшего диаметра на два большего диаметра предпочтительно тем, что крупная крыльчатка будет прогонять за минуту больше кубов воздуха, чем мелкие лопасти. В некоторых случаях можно даже ограничиться просто заменой одного меньшего вентилятора на один больший.

Охлаждение бывает пассивным и активным.

Пассивное представляет собой просто радиатор, прислоненный на поверхность кристалла и прикрепленный к «сокету» или «слоту». Уже давно не применяется для охлаждения большинства CPU, иногда ставится на GPU и активно используется для охлаждения модулей RAM, видеопамяти и чипсетов. Такое охлаждение основывается на естественной конвекции воздуха. Радиатор должен быть желательно медным (лучше отводит тепло, чем алюминиевый) и игольчатым (без заострений на конце иголок). Главное – общая площадь его поверхности. Чем она больше, тем эффективнее теплоотвод. Подошва радиатора должна быть гладкой, иначе контакт с чипом (а, следовательно, и теплопередача) будет нарушен. Всем радиаторам присуща такая характеристика, как температурное сопротивление. Оно показывает, насколько изменится температура процессора при увеличении потребляемой им мощности на 1 Ватт. Чем это сопротивление меньше, тем лучше. Радиаторы монтируются к чипу либо специальным креплением (к разъему процессора), либо приклеиваются термоклеем (на чипы памяти, чипсет). В первом случае на поверхность процессора нужно сначала тонким слоем нанести термопасту (создать термоинтерфейс). Самые распростряненные термопасты – КПТ-8 и АлСил.

Активное охлаждение. Может быть воздушным, водяным, криогенным и нитрогенным.

Рисунок 2.1 - Воздушное охлаждение

Воздушное. Его еще называют аэрогенным. Это пассивное охлаждение + кулер, то есть радиатор с установленным сверху вентилятором. Кулер – это, как известно, вентилятор, устанавливаемый на какой-либо чип, например, на процессор или на графическое ядро. Абсолютно всем вентиляторам присуща масса характеристик, по котором можно оценить их профпригодность:

- Размеры вентилятора. Выражается как высота х ширина х высота. Например, 80х80х20. Все значения выражаются в мм (миллиметрах). Тут есть разница между размером корпуса вентилятора (размер кулера, записывается как длина х ширина) и размером собственно квадрата, в который вписана окружность крыльчатки (размер вентилятора, длина х ширина). Размер кулера по всем параметрам на пару миллиметров выше, чем размер вентилятора. Обычно про размеры кулера говорят не 80х80х20, а просто 80х80 (восемьдесят на восемьдесят). Кулеры бывают размером 40х40, 50х50, 60х60, 70х70, 80х80 и 120х120. Самые распространенные - 40х40, 80х80 и 120х120.

- Тип подшипника. Крыльчатка вентилятора крутится либо подшипником скольжения (sleeve), либо подшипником качения (ball). У обоих свои преимущества и недостатки.

Подшипник скольжения. Его устройство следующее: во втулку, смазанную смазкой, вставляется ротор. Вентилятор с таким подшипником просто весь оброс недостатками, к коим относятся: невысокий срок службы по сравнению с подшипником качения, который еще и сокращается при нахождении вентилятора с таким подшипником вблизи температуры выше 50оС; разбалансировка крыльчатки – при трении ротора со втулкой последняя изнашивается не равномерно (то есть не по всех окружности), а только по двум сторонам, в результате чего в поперечном сечении со временем становится не кругом, овалом. Из-за этого появляется биение ротора и, как следствие, шум. К тому же, со временем смазка начинает вытекать из зазора между втулкой и ротором, что явно не способствует прекращению биения. Достоинств у кулеров с подшипником скольжения только два – они очень дешевы по сравнению со своими ball-собратьями и тише работают, пока не износится втулка или не закончится смазка. Последнее решается разбором мотора и заменой смазки.

Подшипник качения. Устройство несколько другое: между втулкой и ротором вместо смазки помещаются шарики, по которым и вращается ротор. Втулка с двух сторон закрывается специальными кольцами, что препятствует высыпанию шариков. Недостатки таких кулеров обратны достоинствам sleeve-кулеров – ball дороже и шумнее, чем sleeve. В плюсах – стойкость к высокой температуре, передаваемой радиатором, и большая долговечность.

Существует также комбинированное решение:

Вентилятор, который вращают и sleeve- и ball-подшипник. В данном случае второй увеличивает долговечность и снижает уровень шума. Также бывают вентиляторы с подшипником скольжения, но на их роторе нарезана резьба, которая при вращении не дает смазке стекать в низ, благодаря чему она непрерывно циркулирует внутри втулки.

- Количество оборотов в минуту. Скорость вращения крыльчатки вентилятора. Измеряется данный параметр в RPM (Rotations Per Minute) и чем больше это значение, тем лучше. Как правило, составляет от 1500 до… трудно сказать сколько, так как значение rpm постоянно повышается производителями. Чем быстрее крутится вентилятор, тем громче он шумит. Тут уж приходится выбирать: или скорость, холод и шум, или тишина и высокие температуры. Работу любого вентилятора можно замедлить, снизив подаваемое на мотор напряжение. Это можно сделать подключением к каналу 7 или даже 5 V вместо 12 V, либо впайкой резистора 10-70 Ом в разрыв провода питания вентилятора. Но при подаче слишком низкого напряжения (ниже 6 V) вентилятору может просто не хватить силы, и он не начнет вертеться, не обеспечит должного охлаждения.

- Объем прогоняемого воздуха за одну минуту. Также называют эффективностью. Измеряется в CFM (Cubic Feet per Minute). Чем выше CFM, тем громче шум, издаваемый вентилятором.

- Уровень шума. Измеряется в дБ. Зависит от величины двух предыдущих параметров. Шум может быть механическим и аэродинамическим. На механические шумы влияют величины RPM и CFM. Аэродинамический зависит от угла загиба крыльчатки. Чем он выше, тем сильнее бьется воздух о лопасти и тем громче гул.

- Способ подключения питания. PC Plug (напрямую к БП) либо Molex (к материнской плате).

Следующий вид охлаждения - водяное охлаждение. Состоит из ватерблока, радиатора, резервуара с водой или хладагентом, помпы и соединительных шлангов. Ватерблок с двумя разъемами (штуцерами) для входного и выходного шланга устанавливается на процессоре. К радиатору по входному шлангу из помпы закачивается охлажденная вода (хладагент), проходит через него и по выходному шлангу, будучи нагретой теплом процессора, движется ко второму радиатору (на который устанавливается вентилятор), чтобы отдать тепло, взятое у CPU.

Рисунок 2.2 - Водяное охлаждение

После этого вода попадает обратно в помпу, и цикл перекачки повторяется. У водяной СО только два параметра: объем резервуара и мощность помпы. Первый измеряют в л (литрах), а мощность – в л/час. Чем выше мощность, тем выше издаваемый помпой шум. Водяное охлаждение имеет преимущество перед воздушным, так как используемое охлаждающее вещество имеет намного большую теплоемкость, чем воздух, и поэтому эффективнее отводит тепло от греющихся элементов. Но, не смотря ни на что, водяное охлаждение не очень распространено в силу своей дороговизны относительно воздушного охлаждения и опасности короткого замыкания в случае разгерметизации и протечки.

Криогенное охлаждение. СО, которая охлаждает чип при помощи специального газа – фреона. Состоит она из компрессора, конденсатора, фильтра, капилляра, испарителя и втягивающей трубки. Работает следующим образом: газообразный фреон поступает в компрессор и там нагнетается. Далее газ по давлением попадает в конденсатор, где превращается в жидкость и выделяет энергию в тепловом виде. Эта энергия рассеивается конденсатором в окружающую среду. Далее фреон, уже будучи жидкостью, перетекает в фильтр, где очищается от случайного мусора, который может попасть в капилляр и, закупорив его, вывести систему охлаждения из строя. По капилляру жидкий фреон попадает в испаритель, где под действием передаваемого от испарителя тепла начинает кипеть, активно поглощая получаемую от процессора тепловую энергию, и по всасывающей трубке попадает обратно в компрессор и цикл повторяется.

Не распространена в силу своей дороговизны и необходимости пополнения фреона, так как он со временем улетучивается и его приходится добавлять с систему охлаждения. Также эффективна при разгоне, так как способна создавать минусовые температуры.

Нитрогенное охлаждение. Вся система охлаждения состоит из средних размеров емкости с залитым туда жидким азотом. Ничего и никуда не надо не подводить, не отводить.

 

Рисунок 2.3 - Криогенное охлаждение

При нагревании процессором жидкий азот испаряется, и, достигая «потолка» емкости, становится жидким и вновь попадает на дно и снова испаряется. Нитрогенное охлаждение, также как и фреонное, способно обеспечить минусовую температуру (приблизительно -196оС). Неудобство в том, что жидкий азот, также, как и фреон, имеет способность выкипать, и приходится добавлять его в немалых количествах. Кроме того, азотное охлаждение весьма дорого.

Принцип действие элемента Пельтье основан на работе полупроводников p- и n-типа.

Еще одно устройство охлаждения, состоящее из двух полупроводниковых пластин. При пропускании через них электрического тока одна пластина начинает морозить, а другая, наоборот, излучать тепло. Причем температурный промежуток между температурами двух пластин всегда одинаков. Используется элемент Пельтье следующим образом: "морозящая" сторона крепиться на процессор.

Рисунок 2.4 - Нитрогенное охлаждение

Рисунок 2.5 - Элемент Пельтье

Опасность его использования связана с тем, что при неправильной установке элемента есть вероятность образования конденсата, что повлечет за собой выход оборудования из строя. Так что при использовании элемента Пельтье следует быть чрезвычайно аккуратным.

При исследовании СО приходим к выводу, что для нашего случая наиболее приемлимый вариант – воздушное охлаждение. Остается выбрать приемлимый вариант вентилятора (малый уровень шума и побольше производительность).

2.3 Методы устранения недостатков

В персональных компьютерах используются вентиляторы выполненные на основе двухфазного вентильного двигателя постоянного тока с внешним ротором. Остановимся подробнее на устройстве и принципе работы вентильного двигателя. Применение обычного коллекторного двигателя постоянного тока в компьютере недопустимо, т.к., во-первых, он является источником электромагнитных помех, а, во-вторых, требует систематического ремонта, связанного с механическим износом щеток. Поэтому применяются вентильные двигатели в бесколлекторном варианте исполнения. В таком двигателе на роторе расположены постоянные магниты, создающие магнитный поток возбуждения, а обмотка якоря расположена на статоре (обращенная конструкция). Питание обмотки статора осуществляется таким образом, что между ее намагничивающей силой и потоком возбуждения сохраняется смещение в 90 градусов. При вращающемся роторе такое положение может сохраниться в результате переключения обмоток статора. При переключении должны выполняться два условия, согласно которым обмотки статора должны переключаться в определенный момент времени и с заданной последовательностью. При этом положение ротора определяется с помощью датчика положения, в качестве которого обычно используется датчик Холла. Датчик положения управляет работой электронных ключей (транзисторов). Таким образом электронная схема составляет неотъемлемую часть бесколлекторного вентильного двигателя, поскольку без нее невозможна его нормальная работа.

Рассмотрим принцип действия элементов Холла.

При протекании электрического тока Iс по полупроводниковой пластинке, расположенной перпендикулярно магнитному полю, в пластинке наводится ЭДС Еh, направление которой перпендикулярно как току Iс, так и магнитной индукции В (рис. 2.6). Поскольку ЭДС действует на заряженные частицы (электроны или дырки) в соответствии с правилом левой руки, то заряженные частицы смещаются к левой стороне полупроводниковой пластинки. Полярность ЭДС зависит от типа проводимости полупроводника (р- или n-тип) и направления вектора магнитной индукции В.

Рисунок 2.6 - Эффект Холла:

а) - в полупроводнике p-типа,

б) - в полупроводнике n-типа.

1 - электроны, 2 - дырки.

Значение ЭДС, называемой напряжением Холла, определяется как:

Eh=-(l/d)*B*Ic*Rh, (2.2)

где Rh – постоянная Холла;

Ic – ток через пластинку;

В – магнитная индукция;

d – толщина пластинки.

Полупроводниковые приборы, предназначенные для определения магнитных полей, называются датчиками Холла. В современных вентильных двигателях постоянного тока широко применяются датчики Холла n-типа на основе InSb и GaAs.

Рассмотрим принцип определения положения ротора с помощью датчика Холла.

На рис. 2.7 показана эквивалентная схема датчика Холла, представленная в виде цепи с четырьмя выводами. Как было показано выше, при протекании управляющего тока или тока смещения Ic, от вывода 3 к выводу 4 элемента Холла, помещенного в магнитное поле, вектор индукции которого перпендикулярен плоскости элемента, на выводах 1 и 2 элемента наводится холловское напряжение Eh. Если предположить, что R1=R2 и R3=R4 и принять вывод 4 за общую точку схемы, то потенциалы выводов 1 и 2 равны соответственно Eh/2 и -Eh/2. Далее при изменении направления магнитного поля меняется полярность наводимого на элементе напряжения, что показано на рис. 2.3. Поэтому если разместить элемент Холла вблизи ротора с постоянным магнитом, то этот элемент точно выявляет положение полюсов и значение магнитной индукции, генерируя выводные напряжения Еh1 и Eh2.

Вентильный двигатель постоянного тока с элементом Холла.

На рис. 2.8,а показан простейший вентильный двигатель постоянного тока с элементом Холла, расположение которого изображено на рис.2.8,б. Для управления токами в обмотках W1 и W2 выходные сигналы датчика Холла поступают на вход транзисторов VT1, VT2. На рис. 2.9 показаны следующие состояния вращающегося ротора:

а) элемент Холла определяет северный полюс постоянного магнита ротора и подключает обмотку W2 таким образом, что на полюсном башмаке обмотки образуется южный полюс, вызывающий вращение ротора против часовой стрелки (так как разноименные полюса притягиваются) (рис. 2.9,а);

б) элемент Холла выходит из-под действия магнитного поля, что приводит к запиранию обоих транзисторов и обесточиванию обмоток W1 и W2. Ротор продолжает по инерции вращаться против часовой стрелки (рис.2.9,б);

в) элемент Холла определяет южный полюс ротора и подключает обмотку W1 таким образом, что на полюсном башмаке обмотки образуется южный полюс, притягивающий северный полюс ротора, и продолжая таким образом вращение ротора против часовой стрелки (рис.2.9,в).

Рисунок 2.8 - Принцип действия вентильного двигателя постоянного тока, использующего элемент Холла

Рисунок 2.9 - Создание электромагнитного момента, вращение и коммутация обмоток двигателя

"Мертвые точки".

Из рис. 2.9 следует, что при вращении ротора существуют две "мертвые точки", при которых элемент Холла не может определить направление магнитного поля (линии поля направлены параллельно датчику), а значит в обмотках не протекают токи, создающие электромагнитный момент. Следовательно, существует вероятность остановки такого двигателя в "мертвой точке". Пройти такую точку ротор может только по инерции и лишь при малом значении момента трения на валу. Проблема "мертвых точек" является главным недостатком вентильных двигателей. Основным методом устранения "мертвых точек" в двухфазных вентильных двигателях является использование пространственного гармонического магнитного поля. Получение такого поля достигается либо с помощью неравномерного воздушного зазора между ротором и статором, либо с помощью дополнительных полюсов статора и намагничивания ротора в последовательности N-0-S-N-0-S (0 - область ротора с отсутствием намагничивания, N,S - области ротора, намагниченные северным и южным полюсом соответственно). Не вдаваясь в дальнейшие подробности, отметим лишь, что на практике встречаются двигатели как первого, так и второго типа. На рис. 2.10,а,б показаны поперечные сечения обоих типов двигателей.

Холловская интегральная схема (ХИС).

Для усиления выходных сигналов датчика Холла совместно с ним необходимо использовать один или более транзисторов. В настоящее время на одном кристалле устанавливают как элемент Холла, так и некоторые электронные схемы, образуя холловскую интегральную схему (ХИС). Внешний вид типичной ХИС, а также ее функциональная схема, показаны на рис.2.10.

Рисунок 2.10 - Сечение двухфазного вентильного двигателя с внешним ротором:

а) - с неравномерным воздушным зазором; б) - с дополнительными неподвижными полюсами;

1 - ферритовый постоянный магнит ( а) - 4 полюсный, б) - намагниченный в последовательности N-S-0-N-S-0; 2 холловская интегральная схема;

3 - магнитопровод (ярмо) якоря; 4 - магнитопровод статора; 5 - обмотка статора

Рисунок 2.11 - Холловская интегральная схема (ХИС) (а)

и ее функциональный состав (б):

1 - элемент Холла; 2 - дифференциальный усилитель;3- выходной каскад

Существуют два типа ХИС: линейные и релейные. На рис. 2.12 изображены характеристики чувствительности ХИС обоих типов. Выбор типа ХИС зависит от конструкции и области применения двигателя.

Выходной сигнал датчика Холла 1, предварительно усиленный операционным усилителем 2, поступает на вход выходного каскада 3. Выходной сигнал ХИС управляет состоянием силового транзистора, регулирующего токи в обмотках двигателя.

Рисунок 2.12 - Характеристики ХИС линейного (а) и релейного (б) типа SU8025-M.

Рассмотрим в качестве примера работу принципиальной схемы двигателя вентилятора Super-Ultra модель SU8025-M (Тайвань) (рис. 2.13). Этот двигатель имеет следующие основные технические характеристики:

• напряжение питания 12V DC;

• потребляемый ток 120mA.

ХИС HG типа UF1301 управляет состоянием транзисторов Q1, Q2. Транзисторы работают в ключевом режиме и состояние их всегда противоположно. Поэтому ток протекает через обе фазы обмотки статора поочередно, т.к. эти фазы подключены к коллекторам Q1, Q2. Обмотка статора состоит из четырех катушек, при этом обмотки первой и второй фаз наматываются совместно таким образом, как это показано на рис. 2.14. Магнитные полярности этих обмоток у каждого из полюсов двигателя противоположны друг другу. Такой тип обмотки называют бифилярной обмоткой. Это позволяет запитывать обе обмотки напряжением одной полярности.

Рисунок 2.13 - Принципиальная электрическая схема двухфазового вентильного двигателя SU8025-M (SUPERULTRA, TAIWAN)

В зависимости от положения ротора на выходе 3 ХИС вырабатывается сигнал L- или Н-уровня. Если на выходе ХИС вырабатывается сигнал L-уровня, то транзистор Q1 будет закрыт, а транзистор Q2 открыт. При этом ток, создающий магнитный поток возбуждения, протекает через обмотки фазы В.

Рисунок 2.14 - Бифилярная обмотка

Когда ротор поворачивается и вектор магнитной индукции, порождаемый магнитным полем ротора, меняет свое направление, то на выходе 3 ХИС вырабатывается сигнал Н-уровня, транзистор Q1 будет открыт, а транзистор Q2 закрыт. При этом ток, создающий магнитный поток возбуждения, протекает через обмотки фазы А, и ротор продолжает вращение в том же направлении.

Из сказанного следует, что при работе двигателя вентилятора через фазы обмоток статора протекают импульсные токи. Поэтому на индуктивностях обмоток возникают выбросы противо-ЭДС при запирании коммутирующих транзисторов. Для сглаживания этих выбросов к коллекторам транзисторов подключены конденсаторы C1, C2. Кроме того, для того чтобы эти выбросы не проникали в шину выходного напряжения +12В, питание на обмотки подается через развязывающий диод D1.

Ниже приведены краткие характеристики кулера RADEON-LUX FA-DC-8, 80x80x25mm, 2Ball (два шароподшипника з пониженим уровнем шуму), 3pin, 2000 об/мин, 11 дБ.

Данный вентилятор устраивает нас относительно низкой ценой и низким уровнем шума.

2.4 Установка вентилятора

Так выглядела видеокарта на базе чипа NVidia GT218 до установки (Рис. 1.4) и после установки (Рис. 2.15 - 2.16) вентилятора RADEON-LUX FA-DC-8

Рисунок 2.15 - Видеокарта на базе чипа NVidia GT218 после установки вентилятора RADEON-LUX FA-DC-8 ( вид спереди)

Особых навыков для установки вентилятора не требуется. К плате приклеиваются эпоксидной смолой втулки, на которые будет крепиться вентилятор. После установки дополнительного вентилятора был произведено тестирование компьютера на температуру на видеокарте, уровень шума всего компьютера, потребляемую мощность (Таблица 2.1).


Рисунок 2.16 - Видеокарта на базе чипа NVidia GT218 после установки вентилятора RADEON-LUX FA-DC-8 ( вид сверху)

Таблица 2.1 – Тестирование компьютера до установки и после установки дополнительного вентилятора на видеокарту

Показатель, единица измерения

До установки

После

установки

1.Температура, ˚С

45-60

25-30

2.Уровень шума, дБ

21

27

3.Потребляемая мощность, Вт (225В в сети)

170

172


Как видим характеристики работы видеокарты улучшились, т.е. мы добились поставленной цели.

Схема принципиальная электрическая до усовершенствования видеокарты выглядела таким образом (сокращенная) (Рисунок 2.17).

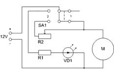
Рисунок 2.17 – Схема видеокарты до установки вентилятора RADEON-LUX FA-DC-8

После установки вентилятора RADEON-LUX FA-DC-8 на плату видеокарты схема приобретет вид, изображенный на рисунке 2.18.

Рисунок 2.18 – Схема видеокарты после усовершенствования (добавлена схема управления вентилятором RADEON-LUX FA-DC-8)

После выбора типа вентилятора и типа платы видеокарты, произведем технико-экономическое обоснование проекта.

3 ТЕХНИКО-ЭКОНОМИЧЕСКОЕ ОБОСНОВАНИЕ ОБЪЕКТА РАЗРАБОТКИ

Первичными исходными данными для определения стоимости проекта являются показатели, которые используются на предприятии ГПО «МОНОЛИТ» г. Харьков.

Эти показатели сведены в таблицу 3.1.

Таблица 3.1 - Данные предприятия ГПО «МОНОЛИТ» г. Харьков состоянием на 01.01.2010 г.

Статьи расходов

Усл.обоз.

Единицы

измер.

Величина

1

2

3

4

Разработка (проектирование) КД

Тарифная ставка конструктора - технолога

Зсист

грн.

1200

Тарифная ставка обслуживающего персонала

Зперс

грн.

1200

Зарплата других категорий рабочих, задействованных в процессе разработки КД

Зин.роб.

грн.

1500

Тариф на электроэнергию

Се/е

грн.

0,56

Мощность компьютера, модема, принтера и др.

квт /час.

0,3

Стоимость ЭВМ, принтера, модема для базового и нового изделия (IBMPentium/32/200/ SVG)

Втз

грн.


3200,00

Амортизационные отчисления

Ааморт

%

10

Стоимость 1-го часа использования ЭВМ

Вг

грн.

6,5

Норма дополнительной зарплаты

Нд

%

10

Отчисление на социальные мероприятия

Нсоц

%

37,2

Общепроизводственные (накладные) расходы

Ннакл

%

25

Транспортно-заготовительные расходы

Нтрв

%

4

Время обслуживания систем ЭВМ

То

час/год

180

Норма амортизационных отчислений на ЭВМ

На

%

10

Отчисление на удерживание и ремонт ЭВМ

Нр

%

10

 

3.1 Расчет расходов на стадии проектирования (разработки) КД усовершенствованной видеокарты


а) Трудоемкость разработки КД нового изделия

Для определения трудоемкости выполнения проектных работ прежде всего складывается перечень всех этапов и видов работ, которые должны быть выполнены (логически, упорядочено и последовательно). Нужно определить квалификационный уровень (должности) исполнителей.

Расходы на разработку КД представляет собой оплату труда разработчиков схемы электрической принципиальной, конструкторов и технологов.

а) Трудоемкость разработки КД изделия (Т) рассчитывается по формуле:

,                                             (3.1)

где    Татз – расходы труда на анализ технического задания (ТЗ), чел./час;

Трес – расходы труда на разработку электрических схем, чел./час;

Трк – расходы труда на разработку конструкции, чел./час;

Трт – расходы труда на разработку технологии, чел./час;

Токд – расходы труда на оформление КД, чел./час;

Твидз – расходы труда на изготовление и испытание опытного образца, чел./час.

Данные расчета заносятся в таблицу 3.2.

Таблица 3.2 - Расчет заработной платы на разработку КД изделия

Виды работ

Условные обозначения

Почасовая тарифная ставка -
 Сст, грн.

Фактические расходы времени

чел./час;

Сдельная зарплата, грн.

1. Анализ ТЗ

Татз

4,28

1

4,28

2. Разработка электрических схем

Трес

4,28

1

4,28

3. Разработка конструкции

Трк

4,28

2

8,56

4. Разработка технологии

Трт

4,28

2

8,56

5. Оформление КД

Токд

4,28

3

12,84

6. Изготовление и испытание опытного образца

Твидз

4,28

2

8,56

ВСЕГО:

å

4,28

11

47,08


Заработная плата на разработку КД изделия С определяется за формулой:

,                                                                                  (3.2)

где     - почасовая тарифная ставка разработчика, грн

 - трудоемкость разработки КД изделия (определяется в гривнях с двумя десятинными знаками (00,00грн.)

б) Расчет материальных расходов на разработку КД

Материальные расходы Мв, которые необходимы для разработки (создании) КД, приведенные в таблице 3.3.

Таблица 3.3 - Расчет материальных расходов на разработку КД

Материал

Условные

обознач.

Факт. количество

Цена за ед., грн.

Сумма, грн.

1. CD DVD

диск

1

2,00

2,00

2. Бумага

лист

200

0,07

14,00

3. Другие материалы

å Ми

-

-

-

ВСЕГО

å



16,00

 ТЗР (4%)




0,64

ИТОГО

Мв



16,64

в) Расходы на использование ЭВМ при разработке КД (если они есть).

Расходы, на использование ЭВМ при разработке КД, рассчитываются исходя из расходов работы одного часа ЭВМ по формуле. грн.:

,                                                 (3.3)

где    Вг – стоимость работы одного часа ЭВМ, грн.

Трес – расходы труда на разработку электрических схем, чел./час;

Трк – расходы труда на разработку конструкции, чел./час;           

Трт – расходы труда на разработку технологии, чел./час;

Токд – расходы труда на оформление КД, чел./час;

При этом, стоимость работы одного часа ЭВМ (других технических средств - ТЗ) Вг определяется по формуле, грн.:

,                                                (3.4)

где    Те/е расходы на электроэнергию, грн.;

Ваморт – величина 1-го часа амортизации ЭВМ, грн.;

Зперс – почасовая зарплата обслуживающего персонала, грн.;

Трем расходы на ремонт, покупку деталей, грн.;

Стоимость одного часа амортизации Ваморт определяется по формуле, грн.:

 при 40 часовой рабочей неделе:

,                                             (3.5)

где    Втз - стоимость технических средств, грн.

На - норма годовой амортизации (%).

Кт - количество недель в год (52 недели/год).

Гт - количество рабочих часов в неделю (40 часов/неделю)

Почасовая оплата обслуживающего персонала Зперс рассчитывается по формуле, грн.:

,                                                   (3.6)

где    Окл - месячный оклад обслуживающего персонала, грн.

Крг - количество рабочих часов в месяц (160 часов/месяц);

Нрем - расходы на оплату труда ремонта ЭВМ (6 % Окл).

Расходы на ремонт, покупку деталей для ЭВМ Трем определяются по формуле, грн.:

,                                             (3.7)

где    Втз - стоимость технических средств, грн.

Нрем - процент расходов на ремонт, покупку деталей (%);

Кт - количество недель на год (52 недели/год).

Гт - количество рабочих часов на неделю (36 ¸ 168 час./неделя)

Расходы на использование электроэнергии ЭВМ и техническими средствами Те/е определяются по формуле, грн.:

,                                                                       (3.8)

где    Ве/е – стоимость одного кВт/час электроэнергии, грн.;

Wпот – мощность компьютера, принтера и сканера (за 1 час), (кВт/час.).

Таким образом, стоимость одного часа работы ЭВМ при разработке КД будет составлять (см. формулу 3.4), грн.:

.

Расходы на использование ЭВМ при разработке, грн. (см. формулу 3.3):


г) Расчет технологической себестоимости создания КД

Расчет технологической себестоимости создания КД усовершенствованной видеокарты проводится методом калькуляции расходов (таблица 3.4).

Таблица 3.4 - Калькуляция технологических расходов на создание КД изделия

п/п

Наименование статей

Условны

обозначения

 Расходы (грн.)

1

2

3

4

1.

Материальные расходы

Мв

16,64

2.

Основная зарплата

Зо

47,08

3.

Дополнительная зарплата

Зд

7,06

4.

Отчисление на социальные мероприятия

Нсоц

20,14

5.

Накладные расходы предприятия

Ннакл

13,54

6.

Расходы на использование ЭВМ

ВМ

8,06

7.

Себестоимость КД изделия

Скд = å (1¸6)

112,52


Себестоимость разработанной конструкторской документации Скд рассчитывается как сумма пунктов 1–6.

 

3.2 Расчет расходов на стадии производства изделия


Себестоимость изделия что разрабатывается рассчитывается на основе норм материальных и трудовых расходов. Среди исходных данных, которые используются для расчета себестоимости изделия, выделяют нормы расходов сырья и основных материалов на одно изделие (таблица 3.5).

Таблица 3.5 - Расчет расходов на сырье и основные материалы на одно изделие

Материалы

Норма расходов

(единиц)

Оптовая цена грн./ед.

Фактические расходы

(единиц)

Сумма

грн.

1

2

3

4

5

Припой ПОС - 61 (ГОСТ 21930 - 76), кг

0,2

25,00

0,2

5,00

Лак ЭП-9114 (ГОСТ 2785-76), кг

0,1

10,00

0,1

1,00

Другие

-

--

-

-

ВСЕГО:




6,00

Транспортно-заготовительные расходы (4%)




0,24

ИТОГО:




6,24


В ходе расчета себестоимости изделия, как исходные данные, используют спецификации материалов, покупных комплектующих изделии и полуфабрикатов, что используются при изготовления одного изделия (таблица 3.6).

Таблица 3.6 – Ведомость комплектующих элементов на усовершенствование материнской платы

Наименование

Стоимость

единицы, грн.

Количество, шт.

Сумма, грн.

1

Резистор МЛТ 0,125

10 кОм / 5%

0,4

1

0,4

2

Переменный резистор

СПО-1 10 Ом


3,0


1


3,0

3

Вентилятором RADEON-LUX FA-DC-8


82,74


1


82,74

4

Переключатель ТП-1-2

1,60

1

1,60

5

Всего:



87,74

5

Транспортно-заготовительные расходы (4%)




3,51

ИТОГО:

91,25


Расчет зарплаты основных производственных рабочих проводим на основе норм трудоемкости по видам работ и почасовыми ставками рабочих (таблица 3.7).

Калькуляция себестоимости и определения цены выполняется в таблице 3.8.

Таблица 3.7 - Расчет основной зарплаты

Наименование операции

Почасовая тарифная ставка, грн.

Норма времени чел./час.

Сдельная зарплата, грн.

 1

 2

 3

 4

Заготовительная

5,91

0,5

2,96

Слесарная

5,91

1

5,91

Сборка

5,91

1

5,91

Монтажная

5,91

1

5,91

Настройка

5,91

0,5

2,96

Другие

-

-

-

ВСЕГО:


 4

23,64


Таблица 3.8 - Калькуляция себестоимости и определения цены изделии по новой КД

Наименование статей расходов

Сумма, грн.

Сырье и материалы

6,24

Покупные комплектующие изделия

91,25

Основная зарплата рабочих

23,64

Дополнительная зарплата (15%)

3,55

Отчисление на социальные мероприятия (37,2%)

10,11

Накладные расходы (25% по данным предприятия)

6,80

Производственная себестоимость

141,59

Стоимость видеокарты до модернизации

240,34

 

Общая стоимость на подготовку конструкторской документации и модернизацию видеокарты составляет 141,59 +112,52 = 254,11 (грн.).

Если не устанавливать вентилятор отказ может произойти в течении 1-1,5 лет, т.е придется осуществлять замену видеокарты, а это будет стоить порядка 250 грн. Если же установить вентилятор, отказ может произойти лишь приблизительно через 6-8 лет.

Рисунок 3.1 – Продолжительность работы видеокарты на базе чипа NVidia GT218 (на отказ) ( 









Рисунок 4.1- Размещения основных и периферийных составляющих ПК на рабочем столе программиста:

1 – сканер, 2 – монитор, 3 – принтер, 4 – поверхность рабочего стола,

5 – клавиатура, 6 – манипулятор типа «мышь».

Необходимо предусматривать при проектировании возможность различного размещения документов: сбоку от видеотерминала, между монитором и клавиатурой и т.п. Кроме того, в случаях, когда видеотерминал имеет низкое качество изображения, например заметны мелькания, расстояние от глаз до экрана делают больше (около 700мм), чем расстояние от глаза до документа (300-450мм). Вообще при высоком качестве изображения на видеотерминале расстояние от глаз пользователя до экрана, документа и клавиатуры может быть равным.

Положение экрана определяется:

- расстоянием считывания (0,6 - 0,7м);

- углом считывания, направлением взгляда на 20˚ ниже горизонтали к центру экрана, причем экран перпендикулярен этому направлению.

Должна также предусматриваться возможность регулирования экрана:

- по высоте +3 см;

- по наклону от -10˚ до +20˚ относительно вертикали;

- в левом и правом направлениях.

Большое значение также придается правильной рабочей позе пользователя.

При неудобной рабочей позе могут появиться боли в мышцах, суставах и сухожилиях. Требования к рабочей позе пользователя видеотерминала следующие:

- голова не должна быть наклонена более чем на 20˚,

- плечи должны быть расслаблены,

- локти - под углом 80˚-100˚,

- предплечья и кисти рук - в горизонтальном положении.

Причина неправильной позы пользователей обусловлена следующими факторами: нет хорошей подставки для документов, клавиатура находится слишком высоко, а документы - низко, некуда положить руки и кисти, недостаточно пространство для ног.

В целях преодоления указанных недостатков даются общие рекомендации: лучше передвижная клавиатура; должны быть предусмотрены специальные приспособления для регулирования высоты стола, клавиатуры и экрана, а также подставка для рук.

Существенное значение для производительной и качественной работы на компьютере имеют размеры знаков, плотность их размещения, контраст и соотношение яркостей символов и фона экрана. Если расстояние от глаз оператора до экрана дисплея составляет 60-80 см, то высота знака должна быть не менее 3мм, оптимальное соотношение ширины и высоты знака составляет

3:4, а расстояние между знаками – 15-20% их высоты. Соотношение яркости фона экрана и символов - от 1:2 до 1:15.

Во время пользования компьютером медики советуют устанавливать монитор на расстоянии 50-60 см от глаз. Специалисты также считают, что верхняя часть видеодисплея должна быть на уровне глаз или чуть ниже. Когда человек смотрит прямо перед собой, его глаза открываются шире, чем когда он смотрит вниз. За счет этого площадь обзора значительно увеличивается, вызывая обезвоживание глаз. К тому же если экран установлен высоко, а глаза широко открыты, нарушается функция моргания. Это значит, что глаза не закрываются полностью, не омываются слезной жидкостью, не получают достаточного увлажнения, что приводит к их быстрой утомляемости.

Создание благоприятных условий труда и правильное эстетическое оформление рабочих мест на производстве имеет большое значение, как для облегчения труда, так и для повышения его привлекательности, положительно влияющей на производительность труда.

4.3 Режим труда

Как уже было неоднократно отмечено, при работе с персональным компьютером очень важную роль играет соблюдение правильного режима труда и отдыха. В противном случае у персонала отмечаются значительное напряжение зрительного аппарата с появлением жалоб на неудовлетворенность работой, головные боли, раздражительность, нарушение сна, усталость и болезненные ощущения в глазах, в пояснице, в области шеи и руках.

В табл. 4.5 представлены сведения о регламентированных перерывах, которые необходимо делать при работе на компьютере, в зависимости от продолжительности рабочей смены, видов и категорий трудовой деятельности с ВДТ (видеодисплейный терминал) и ПЭВМ (в соответствии с САнНиП 2.2.2 542-96 «Гигиенические требования к видеодисплейным терминалам, персональным электронно-вычислительным машинам и организации работ»).

Таблица 4.5 - Время регламентированных перерывов при работе на компьютере

Категория работы с ВДТ или ПЭВМ

Уровень нагрузки за

рабочую смену при

видах работы с ВДТ, количество знаков

Суммарное время

регламентированных перерывов, мин

При 8-часовой

смене

При 12-часовой

смене

Группа А

до 20000

30

70

Группа Б

до 40000

50

90

Группа В

до 60000

70

120


Примечание. Время перерывов дано при соблюдении указанных Санитарных правил и норм. При несоответствии фактических условий труда требованиям Санитарных правил и норм время регламентированных перерывов следует увеличить на 30%.

Эффективность перерывов повышается при сочетании с производственной гимнастикой или организации специального помещения для отдыха персонала с удобной мягкой мебелью, аквариумом, зеленой зоной и т.п.

4.4 Расчет освещенности

Расчет освещенности рабочего места сводится к выбору системы освещения, определению необходимого числа светильников, их типа и размещения. Исходя из этого, рассчитаем параметры искусственного освещения.

Обычно искусственное освещение выполняется посредством электрических источников света двух видов: ламп накаливания и люминесцентных ламп. Будем использовать люминесцентные лампы, которые по сравнению с лампами накаливания имеют ряд существенных преимуществ:

- по спектральному составу света они близки к дневному, естественному свету;

- обладают более высоким КПД (в 1,5-2 раза выше, чем КПД ламп накаливания);

- обладают повышенной светоотдачей (в 3-4 раза выше, чем у ламп накаливания);

- более длительный срок службы.

Расчет освещения производится для комнаты площадью 15м2 , ширина которой - 5м, высота - 3 м. Воспользуемся методом светового потока.

Для определения количества светильников определим световой поток, падающий на поверхность по формуле:

F = E∙S∙Z∙К / n , (4.1)

Где    F - рассчитываемый световой поток, Лм;

Е - нормированная минимальная освещенность, Лк (определяется по таблице). Работу программиста, в соответствии с этой таблицей, можно отнести к разряду точных работ, следовательно, минимальная освещенность будет Е = 300Лк;

S - площадь освещаемого помещения (в нашем случае S = 15м2);

Z - отношение средней освещенности к минимальной (обычно принимается равным 1,1-1,15 , пусть Z = 1,1);

К - коэффициент запаса, учитывающий уменьшение светового потока лампы в результате загрязнения светильников в процессе эксплуатации (его значение зависит от типа помещения и характера проводимых в нем работ и в нашем случае К = 1,5);

n - коэффициент использования, (выражается отношением светового потока, падающего на расчетную поверхность, к суммарному потоку всех ламп и исчисляется в долях единицы; зависит от характеристик светильника, размеров помещения, окраски стен и потолка, характеризуемых коэффициентами отражения от стен (РС) и потолка (РП)), значение коэффициентов РС и РП были указаны выше: РС=40%, РП=60%. Значение n определим по таблице коэффициентов использования различных светильников.

Для этого вычислим индекс помещения по формуле:

I = A∙B / h (A+B), (4.2)

где h - расчетная высота подвеса, h = 2,92 м;

A - ширина помещения, А = 3 м;

В - длина помещения, В = 5 м.

Подставив значения получим:

I= 0,642.

Зная индекс помещения I, по таблице 7 [23] находим n = 0,22.

Подставим все значения в формулу (4.1) для определения светового потока F, получаем F = 33750 Лм.

Для освещения выбираем люминесцентные лампы типа ЛБ40-1, световой поток которых Fл = 4320 Лк.

Рассчитаем необходимое количество ламп по формуле:

N = F / Fл, (4.3)

где    N - определяемое число ламп;

F - световой поток, F = 33750 Лм;

Fл- световой поток лампы, Fл = 4320 Лм.

N = 8 ламп.

При выборе осветительных приборов используем светильники типа ОД. Каждый светильник комплектуется двумя лампами.

Значит требуется для помещения площадью S = 15 м2 четыре светильника типа ОД.

Расчет естественного освещения помещений

Организация правильного освещения рабочих мест, зон обработки и производственных помещений имеет большое санитарно-гигиеническое значение, способствует повышению продуктивности работы, снижения травматизма, улучшения качества продукции. И наоборот, недостаточное освещение усложняет исполнения технологического процесса и может быть причиной несчастного случая и заболевания органов зрения.

Освещение должно удовлетворять такие основные требования:

- быть равномерным и довольно сильным;

- не создавать различных теней на местах работы, контрастов между освещенным рабочем местом и окружающей обстановкой;

- не создавать ненужной яркости и блеска в поле взора работников;

- давать правильное направление светового потока;

Все производственные помещения необходимо иметь светлопрорезы, которые дают достаточное природное освещение. Без природного освещения могут быть конференц-залы заседаний, выставочные залы, раздевалки, санитарно-бытовые помещения, помещения ожидания медицинских учреждений, помещений личной гигиены, коридоры и проходы.

Коэфициент естественного освещения в соответствии с ДНБ В 25.28.2006, для нашого III пояса светового климата составляет 1,5.

Исходя из этого произведем расчет необходимой площади оконных проемов.

Расчет площади окон при боковом освещении определяется, по формуле:

Sо = (Lnз.*N0*Snзд.)/(100 *T0*r1) (4.4)

где:   Ln – нормированное значение КЕО

Кз – коэффициент запаса (равен 1,2)

N0 – световая характеристика окон

Sn – площадь достаточного естественного освещения

Кзд. – коэффициент, учитывающий затенение окон противостоящими зданиями

r1 – коэффициент, учитывающий повышение КЕО при боковом освещении

T0 – общий коэффициент светопропускания, который рассчитывается по формуле:

T0 = T1 * T2 * T3 * T4 * T5, (4.5)

где    T1 – коэффициент светопропускания материала;

T2 – коэффициент, учитывающий потери света в переплетах светопроема;

T3 – коэффициент, учитывающий потери света в несущих конструкциях;

T4 – коэффициент, учитывающий потери света в солнцезащитный устройствах;

T5 – коэффициент, учитывающий потери света в защитной сетке, устанавливаемой под фонарями, принимается равным 1;

Теперь следует рассчитать боковое освещение для зоны, примыкающей к наружной стене. По разряду зрительной работы нужно определить значение КЕО. КЕО = 1,5 нормированное значение КЕО с учетом светового климата необходимо вычислить по формуле:

Ln=l*m*c, (4.6)

где l – значение КЕО (l=1.5);

m – коэффициент светового климата (m=1);

c – коэффициент солнечности климата (c=1)

Ln=1,5

Теперь следует определить отношение длины помещения Ln к глубине помещения B:

Ln/B=3/5 =0,6;

Отношение глубины помещения В к высоте от уровня условной рабочей поверхности до верха окна h1 (в данном случае h1=1,8) :

B/h1=5/1,8 = 2,77.

Световая характеристика световых проемов N0=9.

Кзд=1

Значение T0=0,8*0,7*1*1*1=0,56.

Ln для 4 разряда зрительных работ равен 1,5 при мытье окон два раза в год.

Определяем r1, r1=1,5.

Кз.=1,2.

Теперь следует определить значение Sп:

Sп=Ln*В=3*10=30 м2.

Кзд.=1.

На данном этапе следует рассчитать необходимую площадь оконных проемов: (Ln* Кз.*N0*Snзд.) / (100*T0*r1)

Sо = (1,5*1,2*9*30*1)/(100*0,56*1,5)=486/84= 5,78 м2;

Принимаем количество окон 1 штука:

S1=5,78 м2 площадь одного окна

Высота одного окна составляет – 2,5 м, ширина 2,3 м.

4.5. Расчет вентиляции

В зависимости от способа перемещения воздуха вентиляция бывает естественная и принудительная.

Параметры воздуха, поступающего в приемные отверстия и проемы местных отсосов технологических и других устройств, которые расположены в рабочей зоне, следует принимать в соответствии с ГОСТ 12.1.005-76. При размерах помещения 3 на 5 метров и высоте 3 метра, его объем 45 куб.м. Следовательно, вентиляция должна обеспечивать расход воздуха в 90 куб.м/час. В летнее время следует предусмотреть установку кондиционера с целью избежания превышения температуры в помещении для устойчивой работы оборудования. Необходимо уделить должное внимание количеству пыли в воздухе, так как это непосредственно влияет на надежность и ресурс эксплуатации ЭВМ.

Мощность (точнее мощность охлаждения) кондиционера является главной его характеристикой, от неё зависит на какой объем помещения он рассчитан. Для ориентировочных расчетов берется 1 кВт на 10 м2 при высоте потолков 2,8 – 3 м (в соответствии со СНиП 2.04.05-86 "Отопление, вентиляция и кондиционирование").

Для расчета теплопритоков данного помещения использована упрощенная методика:

Q=S·h·q (4.8)

где:   Q – Теплопритоки

S – Площадь помещения

h – Высота помещения

q – Коэффициент равный 30-40 вт/м3 (в данном случае 35 вт/м3)

Для помещения 15 м2 и высотой 3 м теплопритоки будут составлять:

Q=15·3·35=1575 вт

Кроме этого следует учитывать тепловыделение от оргтехники и людей, считается (в соответствии со СНиП 2.04.05-86 "Отопление, вентиляция и кондиционирование") что в спокойном состоянии человек выделяет 0,1 кВт тепла, компьютер или копировальный аппарат 0,3 кВт, прибавив эти значения к общим теплопритокам можно получить необходимую мощность охлаждения.

Qдоп=(H·Sопер)+(С·Sкомп)+(P·Sпринт) (4.9)

где:   Qдоп – Сумма дополнительных теплопритоков

C – Тепловыделение компьютера

H – Тепловыделение оператора

D – Тепловыделение принтера

Sкомп – Количество рабочих станций

Sпринт – Количество принтеров

Sопер – Количество операторов

Дополнительные теплопритоки помещения составят:

Qдоп1=(0,1·2)+(0,3·2)+(0,3·1)=1,1(кВт)

Итого сумма теплопритоков равна:

Qобщ1=1575+1100=2675 (Вт)

В соответствии с данными расчетами необходимо выбрать целесообразную мощность и количество кондиционеров.

Для помещения, для которого ведется расчет, следует использовать кондиционеры с номинальной мощностью 3,0 кВт.

4.6 Расчет уровня шума

Одним из неблагоприятных факторов производственной среды в ИВЦ является высокий уровень шума, создаваемый печатными устройствами, оборудованием для кондиционирования воздуха, вентиляторами систем охлаждения в самих ЭВМ.

Для решения вопросов о необходимости и целесообразности снижения шума необходимо знать уровни шума на рабочем месте оператора.

Уровень шума, возникающий от нескольких некогерентных источников, работающих одновременно, подсчитывается на основании принципа энергетического суммирования излучений отдельных источников:

∑L = 10·lg (Li∙n), (4.10)

где    Li – уровень звукового давления i-го источника шума;

n – количество источников шума.

Полученные результаты расчета сравнивается с допустимым значением уровня шума для данного рабочего места. Если результаты расчета выше допустимого значения уровня шума, то необходимы специальные меры по снижению шума. К ним относятся: облицовка стен и потолка зала звукопоглощающими материалами, снижение шума в источнике, правильная планировка оборудования и рациональная организация рабочего места оператора.

Уровни звукового давления источников шума, действующих на оператора на его рабочем месте представлены в табл. 4.6.

Таблица 4.6 - Уровни звукового давления различных источников

Источник шума

Уровень шума, дБ

Жесткий диск

40

Вентилятор

45

Монитор

17

Клавиатура

10

Принтер

45

Сканер

42


Обычно рабочее место оператора оснащено следующим оборудованием: винчестер в системном блоке, вентилятор(ы) систем охлаждения ПК, монитор, клавиатура, принтер и сканер.

Подставив значения уровня звукового давления для каждого вида оборудования в формулу (4.4) , получим:

∑L=10·lg(104+104,5+101,7+101+104,5+104,2)=49,5 дБ

Полученное значение не превышает допустимый уровень шума для рабочего места оператора, равный 65 дБ (ГОСТ 12.1.003-83). И если учесть, что вряд ли такие периферийные устройства как сканер и принтер будут использоваться одновременно, то эта цифра будет еще ниже. Кроме того при работе принтера непосредственное присутствие оператора необязательно, т.к. принтер снабжен механизмом автоподачи листов.

ВЫВОДЫ

Исследуя работу видеокарт, мы выяснили, что основным недостатком их работы является перегрев.

В работе мы рассмотрели историю создания видеокарты, ее устройство, рассмотрели функциональную и принципиальную схему, а также выяснили их основные характеристики и их интерфейс, препятствия, которые не дают возможности повышать их производительность.

В практической части работы мы выяснили, как перегрев влияет на работу видеокарты, рассмотрели способы охлаждения видеокарты: воздущный, водяной, криогенный, нитрогенный и на элементах Пельтье. Каждый способ обладает рядом достоинств и недостатков. Пришли к мнению, что самый простой и дешевый способ охлаждения видеокарты – воздушный. Для воздушного способа требуются вентиляторы, которые мы смогли выбрать, благодаря рекомендациям, которые приведены в методической литературе и сети Интернет. Выбрав вентилятор мы разработали методику его установки на плату видеокарты.

Уровень шума компьютера при установке дополнительного вентилятора повысился незначительно, незначительно увеличилась и потребляемая мощность, а эффект от применения дополнительного вентилятора, по температуре, улучшился вдвое.

В процессе экономического обоснования целесообразности использования дополнительного вентилятора мы выяснили, что вентилятор повышает производительность компьютера, хотя затраты на установку последнего незначительные и окупают себя в течении 1,5- 2 лет

В последнем разделе дипломной работы были изучены вопросы охраны труда. Созданные условия должны обеспечивать комфортную работу. На основании изученной литературы по данной проблеме, были указаны оптимальные размеры рабочего стола и кресла, рабочей поверхности, а также проведен выбор системы и расчет оптимального освещения производственного помещения, произведен расчет рационального кондиционирования помещения, а также расчет уровня шума на рабочем месте. Соблюдение условий, определяющих оптимальную организацию рабочего места программиста, позволит сохранить хорошую работоспособность в течение всего рабочего дня, повысит как в количественном, так и в качественном отношениях производительность труда программиста, что в свою очередь будет способствовать быстрейшей разработке и отладке программного продукта.

ПЕРЕЧЕНЬ ССЫЛОК

1. Информатика: Учебник/Под ред. Н.В. Макаровой. М.:Финасы и статистика.- 2001

2. Косарёва В.П. Компьютерные системы и сети.- М: Финансы и статистика.-1999.- С 308-320.

3. Нанс Б. Компьютерные сети. – М.: БИНОМ.- 2006 .

4. Петроченков А.В. Персональный компьютер – просто и ясно.- М:2007.- С 209 -242.

5. Фигурнов В.Э. IBM PC для пользователя краткий курс. – М. Инфра М.-2002.

6. П. Нортон, Дж. Гудман. Персональный компьютер. Книга 1.Аппаратно-программная организация. BHV, Дюссельдорф,Киев,М., сПБ,2009.

7. А. Пилгрим. Персональный компьютер. Книга 2. Модернизация и ремонт. BHV, Дюссельдорф,Киев,М., сПБ,2009.

8. Персональный компьютер. Книга 3. "Питер пресс", Дюссельдорф, Киев, М., СПб, 2009.

9. В. П. Леонтьев. Новейшая энциклопедия персонального компьютера 2003. "ОЛМА-ПРЕСС, М., 2003.

10. Ю.М. Платонов, Ю. Г. Уткин. Диагностика, ремонт и профилактика персональных компьютеров. М.,”Горячая линия-Телеком”, 2002.

11. "Dimmable Fluorescent Ballast" – User Guide, 10/07, Corporation, http://www.atmel.com/dyn/resources/prod_documents/doc7597.pdf

12. ГОСТ13109-97. Нормы качества электрической энергии в системах электроснабжения общего назначения.

13. П. Хоровиц, У. Хилл "Искусство схемотехники" – Изд. 6-е, М.: Мир, 2003.

14. Л. Н. Кечиев, Е. Д. Пожидаев "Защита электронных средств от воздействия статического электричества" – М.: ИД "Технологии", 2005.

15. Жидецкий В.Ц., Джигирей В.С., Мельников А.В. Основы охраны труда: Учебник – Львов, Афиша, 2008 – 351с.

16. Денисенко Г.Ф. Охрана труда: Учебн.пособие – М., Высшая школа, 1989 – 319с.

17. Самгин Э.Б. Освещение рабочих мест. – М.: МИРЭА, 1989. – 186с.

18. Справочная книга для проектирования электрического освещения. / Под ред. Г.Б. Кнорринга. – Л.: Энергия, 1976.

19.  Борьба с шумом на производстве: Справочник / Е.Я. Юдин, Л.А. Борисов;Под общ. ред. Е.Я. Юдина – М.: Машиностроение, 1985. – 400с., ил.

20. Зинченко В.П. Основы эргономики. – М.: МГУ, 1979. – 179с.

21. Методичні вказівки до виконання дипломної роботи для учнів спеціальності «Оператор комп’ютерного набору; оператор комп’ютерної верстки»/ Упоряд.: Д.О. Дяченко, К.О. Ізмалкова, О.Г. Меркулова. – Сєверодонецьк: СВПУ, 2007. – 40 с.

22. Н. Заец. Радиолюбительские конструкции на Р1С-микроконтроллерах. Книга 3. — М.: СОЛОН-Пресс, 2005, с. 248.

23. Н. Заец. Электронные самоделки для быта, отдыха и здоровья.— М.: СОЛОН-Пресс, 2009, 423 с.

Похожие работы на - Выигрыш потребителя и производителя

 

Не нашли материал для своей работы?
Поможем написать уникальную работу
Без плагиата!
Без нейросетей!