Оборотные фонды

  • Вид работы:
    Тип работы
  • Предмет:
    Финансы, деньги, кредит
  • Язык:
    Русский
    ,
    Формат файла:
    MS Word
    25,61 kb
  • Опубликовано:
    2008-12-09
Вы можете узнать стоимость помощи в написании студенческой работы.
Помощь в написании работы, которую точно примут!

Оборотные фонды

Теоретические основы

LabVIEW (Laboratory Virtual Instrumentation Engineering Workbench) — это среда разработки и платформа для выполнения программ, созданных на графическом языке программирования «G» фирмы National Instruments (США). Первая версия LabVIEW была выпущена в 1986 году для Apple Macintosh, в настоящее существуют версии для UNIX, GNU/Linux, Mac OS и пр., а наиболее развитыми и популярными являются версии для Microsoft Windows.

LabVIEW используется в системах сбора и обработки данных, а также для управления техническими объектами и технологическими процессами. Идеологически LabVIEW очень близка к SCADA-системам, но в отличие от них в большей степени ориентирована на решение задач не столько в области АСУ ТП, сколько в области АСНИ.

Программирование, основанное на потоках данных

Графический язык программирования «G», используемый в LabVIEW, основан на архитектуре потоков данных. Последовательность выполнения операторов в таких языках определяется не порядком их следования (как в императивных языках программирования), а наличием данных на входах этих операторов. Операторы, не связанные по данным, выполняются параллельно в произвольном порядке.

В основе программирования в LabVIEW лежит понятие Виртуальных приборов (Virtual Instruments, VI). На лицевой панели, как и положено, располагаются элементы управления программой — кнопки, графики, выключатели и тому подобное. Блок-схема — это, по сути, и есть сама программа. При написании (а вернее создании, потому что писать приходится не так уж и много) программы используется такое понятие, как «поток данных» (Data Flow). Суть его в том, что все элементы программы (которые представлены графически) связываются между собой связями (проводами, нитками) по которым и происходит передача данных. В общем, описать это довольно сложно, лучше посмотреть на картинку, рис.1.

Рис. 1. Простейший прибор.

Цифрами обозначены:

· 1- точки, элементы программы (Nodes);

· 2 - терминалы индикаторов (Indicator Terminals);

· 3 - связи (Wires);

· 4 - терминалы управляющих элементов (Control Terminals)

Итак, в LabVIEW вы создаете пользовательский интерфейс (лицевую панель), с управляющими элементами и индикаторами. Управляющие элементы — это тумблеры, кнопки, поля ввода и прочие устройства ввода. Индикаторы — это графики, шкалы, лампочки, текстовые поля и тому подобное. После создания пользовательского интерфейса, вы добавляете программный код, который управляет объектами на лицевой панели. Этот код содержится в схеме (block diagram). Этот код чем-то напоминает собой блок-схему, хотя отличий много.

LabVIEW можно использовать для того, чтобы управлять различным оборудованием, таким, как, устройства сбора данных, различные датчики, устройства наблюдения, двигательные устройства (например, шаговые моторы) и тому подобное, а так же GPIB, PXI, VXI, RS-232 b RS-484 устройства. Также в LabVIEW имеются встроенные средства для подключения созданных программ к сети, используя LabVIEW Web Server и различные стандартные протоколы и средства, такие как TCP/IP и ActiveX.

Используя LabVIEW, можно создавать приложения для тестирования и измерений, сбора данных, управления различными внешними устройствами, генерации отчетов. Так же можно создать независимые исполняемые файлы и библиотеки функций, такие как DLL, так как LabVIEW — это полноценный 32-битный компилятор.

Достоинства LabVIEW:

· полноценный язык программирования;

· интуитивно понятный процесс графического программирования;

· широкие возможности сбора, обработки и анализа данных, управления приборами, генерации отчетов и обмена данных через сетевые интерфейсы;

· драйверная поддержка более 2000 приборов;

· возможности интерактивной генерации кода;

· шаблоны приложений, тысячи примеров;

· высокая скорость выполнения откомпилированных программ;

· совместимость с операционными системами Windows2000/NT/XP, Mac OS X, Linux и Solaris.

LabVIEW поддерживает огромный спектр оборудования различных производителей и имеет в своём составе (либо позволяет добавлять к базовому пакету) многочисленные библиотеки компонентов:

· для подключения внешнего оборудования по наиболее распространённым интерфейсам и протоколам (RS-232, GPIB 488, TCP/IP и пр.);

· для удалённого управления ходом эксперимента;

· для управления роботами и системами машинного зрения;

· для генерации и цифровой обработки сигналов;

· для применения разнообразных математических методов обработки данных;

· для визуализации данных и результатов их обработки (включая 3D-модели);

· для моделирования сложных систем;

· для хранения информации в базах данных и генерации отчетов;

· для взаимодействия с другими приложениями в рамках концепции COM/DCOM/OLE и пр.

Вместе с тем LabVIEW — очень простая и интуитивно понятная система. Неискушённый пользователь, не являясь программистом, за сравнительно короткое время (от нескольких минут до нескольких часов) способен создать сложную программу для сбора данных и управления объектами, обладающую красивым и удобным человеко-машинным интерфейсом. Например, средствами LabVIEW можно быстро превратить старый компьютер, снабжённый звуковой картой, в мощную измерительную лабораторию.

Специальный компонент LabVIEW — Application Builder, позволяет выполнять LabVIEW-программы на тех компьютерах, на которых не установлена полная среда разработки.

Интерфейс панели LabVIEW и окно редактирования диаграмм

Запустите LabVIEW. В появившемся окне (рис.2) выберите пункт New>Blank VI.

Рис. 2. Окно запуска программы.

После выбора создания нового прибора раскрываются два окна: интерфейсная панель (Front Panel) (рис.3) и окно редактирования диаграмм (Block Diagram) (рис.4), которое по своей сути является программой в графическом виде.

Интерфейсная панель - это интерфейс пользователя. Вы устанавливаете на интерфейсную панель графические элементы управления и всевозможные индикаторные приборы, которые являются соответственно элементами ввода и вывода. Элементы управления - это ручки, регуляторы, ползунковые устройства, кнопки и другие устройства ввода. Индикаторы - это элементы для вывода/построения графиков, сигнализирующие устройства, такие, как лампочки и т.д.

Установленные на переднюю панель элементы управления и индикаторы, отображаются соответствующими иконками (терминалами) во втором окне – окне редактирования диаграмм. Т.е. каждому установленному элементу на интерфейсной панели соответствует иконка в окне редактирования. В этом окне и "пишется" программа - создается графический код VI. Удалив, например, управляющий элемент в интерфейсном окне, исчезнет и соответствующая иконка (терминал) в окне редактирования диаграмм.

Рис. 3. Интерфейсная панель.

Рис. 4. Окно редактирования диаграмм

Иконки или терминалы показывают тип данных элементов управления или индикаторов. Терминалы осуществляют связь между интерфейсной панелью и диаграммой.

Функции - это объекты окна редактирования диаграмм, которые могут иметь один и/или несколько входов и/или выходов. Функции LabVIEW аналогичны выражениям, операторам, процедурам и функциям текстовых языков программирования.

Связи — это соединительные линии между иконками (терминалами). Они являются аналогом переменных в обычных языках программирования. Причем данные могут передаваться только в одном направлении - от терминала-источника к одному или нескольким терминалам-приемникам. Различный вид и цвет соединений соответствует различным типам передаваемых данных. Неправильная связь терминалов или незаконченное соединение изображается штриховой линией.

Структуры - это графическое представление циклов и операторов выбора в тексториентированных языках программирования. Терминалы, функции, связи и структуры - это весь синтаксис языка программирования LabVIEW.

Линейка инструментов. Оба окна, как интерфейсное, так и окно редактирования диаграмм имеют линейки инструментов, которые содержат служебные кнопки и индикаторы состояния, предназначенные для контроля Виртуальных Инструментов. Одна из линеек инструментов всегда доступна, и ее вид зависит от того, в каком окне Вы находитесь. Линейка инструментов интерфейсного окна содержит 8 кнопок, рис. 5.

 

Рис. 5. Линейка инструментов интерфейсного окна

·   1 - кнопка запуска программы на выполнение, пока приложение выполняется, значок меняет свой внешний вид;

·   2 - кнопка запуска программы на выполнение в циклическом режиме, пока приложение выполняется, значок меняет свой внешний вид;

·   3 - когда приложение запущено, эта кнопка находится в активном состоянии, используйте ее для прекращения выполнения программы;

·   4 - кнопка "ПАУЗА" приостанавливает исполнение программы до последующего нажатия на эту же кнопку;

·   5 - выпадающее меню редактирования свойств шрифта: тип, размер, стиль и цвет;

·   6 - выпадающие меню, позволяющие осуществлять выравнивание и позиционирование объектов, распределять графические объекты передней панели VI.

·   7 - если вы устанавливаете объект поверх другого объекта, то нижний объект может быть перекрыт и недоступен, используйте это выпадающее меню размещения объекта поверх или под желаемым.

Если приложение не может быть запущено на выполнение по какой-либо причине, то линейка инструментов примет следующий вид:

Рис. 6. Линейка инструментов – программа не может быть запущена

Линейка инструментов окна редактирования диаграмм имеет такие же кнопки, как и интерфейсная панель, плюс свои собственные, предназначенные для отладки (debugging) программы, рис. 7:

Рис. 7. Линейка инструментов окна редактирования диаграмм

·   1 - нажав эту кнопку, и запустив программу на выполнение, Вы сможете отлаживать программу и следить за следованием данных между объектами;

·   2 – включение или отключение сохранения значений связей;

·   4 - нажав эту кнопку, Вы активизируете пошаговый режим отладки, т.е. данные будут передаваться от иконки к иконке, останавливая программу, подсвечивая при этом текущий элемент, и ожидать следующего шага – нажатия на эту же кнопку;

·   5 - нажатие на эту кнопку позволяет Вам в процессе отладки "выходить" из структуры, например, из цикла, и перейти к следующему "узлу".

Выпадающее меню. Установив элемент управления на интерфейсную панель или иконку в окне редактирования диаграмм, мы всегда можем, например, изменить свойства этого объекта. Для этого нужно подвести указатель мыши к желаемому объекту и нажать правую кнопку мыши. В результате появится выпадающее меню, позволяющее редактировать объект.

Один из основных служебных компонентов, который позволяет создавать, модифицировать и отлаживать виртуальные инструменты – это Панель Инструментов (Tools), рис. 8.

Рис. 8. Панель инструментов

Вызывается из основного меню View > Tools Palette.

Operate Value - управление объектами, например, для перемещения ползунка или поворота ручки;

Position/Size/Select - установка, "перетягивание", перемещение, изменение размеров объекта – стрелочка меняет свой внешний вид, когда доступна опция изменения размеров объекта;

Edit text- инструмент для ввода текста, как в окне интерфейсной части программы, так и в окне редактирования диаграмм;

Connect Wire - используется для связи (соединения) объектов;

Object Shortcut Menu - инструмент выполняет аналогичную функцию, что и нажатие на правую кнопку мыши на желаемом объекте, т.е. служит для вызова выпадающего меню;

*Scroll Window – перемещение (прокрутка) содержимого окна одновременно;

Set/Clear Breakpoint - установка точек (меток) останова программы при ее отладке;

Probe Data - устанавка пробника в окне редактирования диаграмм, который, во время выполнения или отладки программы показывает значение параметра, где установлен пробник;

 Get Color - копирование цвета в палитру - необходимо подвести указатель и нажать левую кнопку мыши;

Set Color - установка цвета объекта и его фона.

Панель Управления и Функциональная панель представляют собой структурированный набор иконных меню, предназначенных для доступа к библиотекам элементов интерфейса и соответствующих функций. Вызов необходимой панели осуществляется автоматически, при переключении между окном редактирования и интерфейсной панелью.

Используя Панель Управления, Вы можете устанавливать (добавлять) элементы управления и индикаторы. Каждая опция иконизированного меню

содержит подменю, в котором находятся соответствующие объекты. Вызывается из основного меню View>Controls Palette, рис. 9.

Рис. 9. Панель управления

Элементы Функциональной Панели используются для создания диаграмм, т.е. алгоритма работы VI. Функциональная панель содержит необходимые функции для работы с различными типами и структурами данных, и позволяет реализовывать алгоритмы любой сложности от простых арифметических вычислений до функционально сложных, таких, например, как спектральный анализ. Вызывается из основного меню View>Show

Functions Palette, рис. 10.

Рис. 10. Функциональная панель

Построение СМО в LabVIEW

Создание программы начните с окна редактирования диаграмм. Создайте прибор для инициализации очереди. Для этого на функциональной панели необходимо выбрать Programming>Synchronization>Queue Operation>Obtain Queue. Затем из Tools Palette выберите Connect Wire (катушка) и кликните правой кнопкой мыши на верхний вход прибора (max queue size), далее в появившемся контекстном меню выберите пункт create>control. Этот управляющий элемент также появится на интерфейсной панели, с помощью него будет задаваться количество пациентов, поступающих в поликлинику в день/час. Необходимо задать имя очереди. Для этого кликните правой кнопкой мыши на вход прибора name, затем выберите пункт создания константы create>constant, и в появившемся окошке введите имя очереди, например, 1. Также необходимо задать тип данных элемента - тип данных, которые должна содержать очередь. Для этого выберите Programming>Numeric>Numeric Constant (по умолчанию стоит «0») и подключите его к входу element data type. У Вас должен получиться прибор, как показан на рис. 11.

Рис. 11. Инициализация очереди

Очередь инициализирована. Далее необходимо определить порядок становления пациентов в очередь. Установите прибор Programming>Synchronization>Queue Operation>Enqueue Element и с помощью катушки соедините выходы queue out и error out из прибора Obtain queue к соответствующим входам прибора Enqueue Element. Так как пациент не один, необходима циклическая работа программы. Выберите из функциональной панели programming>structures>For Loop и выделите с помощью левой кнопки мыши прибор Enqueue Element. Чтобы пациенты становились в очередь по одному, перетяните «увеличение на 1» Programming>Numeric>increment. К входу x подключите значок «итерация цикла», а выход (x+1) пиктограммы подключите к входу Element прибора Enqueue Element. Пусть каждый пациент приходит в поликлинику через заданное время, например через 1 секунду. Для этого установите в цикл задержку. Выберите Programming>Timing>Wait (ms) и перетяните данную иконку в цикл. Создайте для нее константу, соответствующую этой задержке. Для этого подведите указатель в виде катушки к левой части иконки, нажмите правую кнопку мыши и выберете пункт создания константы Create>Constant. Чтобы количество итераций цикла было равно количеству пациентов, прибывающих в поликлинику, соедините выход управляющего элемента Numeric Control с пиктограммой N, как показано на рис. 12.

Рис. 12. Добавление элементов в очередь

В поликлинике имеется регистратура, через которую проходит каждый пациент. Чтобы установить регистратуру, для начала установите цикл While Loop, programming>structures>While Loop. Чтобы прочитывать элементы из очереди, то есть обслуживать пациентов, поместите в цикл While Loop прибор Dequeue Element, Programming>Synchronization>Queue Operation>Dequeue Element. Чтобы видеть, сколько обслужено пациентов, создайте соответствующий индикатор для прибора Dequeue Element – правой кнопкой мыши щелкните на выходе приборе Element и выберите пункт constant>indicator. С помощью инструмента Edit Text из панели инструментов поменяйте имя индикатора на «Обслужено пациентов». Установите время обслуживания пациентов с помощью прибора задержки Wait (ms) и присваивания этому прибору константы с нужным временем. Нажмите правой кнопкой мыши на иконку условия выхода из цикла (красная пиктограмма в нижнем правом углу цикла) и в выпадающем меню выберите пункт создания константы, по умолчанию стоит F-«false», то есть цикл будет работать без остановки. Соедините только что созданный прибор с ранее созданной очередью, как показано на рис. 13.

Рис. 13. Чтение из очереди

Чтобы видеть, сколько пациентов в данный момент находятся в очереди, используйте прибор Get Queue Status, Programming>Synchronization>Queue Operation>Get Queue Status. Поместите его в цикл While Loop и соедините с очередью. Кликните правой кнопкой мыши на левый вход Return Elements? (F) прибора Get Queue Status и выберите пункт Create>Constant. Return Elements? – отображает, возвращены ли элементы в очередь. По умолчанию установлено значение false – функция не будет возвращать элементы в очередь. Чтобы поменять значение на trough, выберите инструмент Operate Value из панели инструментов и щелкните левой кнопкой мыши на соответствующей пиктограмме. Для выходов Elements и # Elements in queue, которые находятся снизу у прибора Get Queue Status, создайте индикаторы, как показано на рис. 14.

Рис. 14. Количество элементов в очереди

После того, как пациент обслужился в регистратуре (получил номерок), он отправляется к врачу. Соответственно, к врачу формируется новая очередь. Аналогично первой, создайте вторую очередь и дайте ей имя, например, 2. Поместите прибор Enqueue Element в цикл While Loop с Dequeue Element. Подключите выход Element прибора Dequeue Element к входу Element прибора Enqueue Element – то есть пациенты, обслуженные регистратурой, становятся в очередь к врачу. Создайте цикл с Dequeue Element, такой же, как для первой очереди и подключите его ко второй очереди. Чтобы видеть, сколько пациентов находится в данный момент в очереди к врачу, создайте точно такой же цикл с Get Queue Status, как и в первой очереди, и подключите его ко второй очереди.

Чтобы время поступления пациентов в очередь и время обслуживания пациентов можно было устанавливать на интерфейсной панели, поменяйте constant у приборов задержки Wait (ms) на Control. Для этого кликните правой кнопкой мыши на константу и выберите Change to Control. Чтобы время задавалось в секундах, вставьте между управляющей пиктограммой и прибором Wait (ms) множитель (Programming>Numeric>Multiply) на 1000. В цикле с Dequeue Element необходима последовательность действий для правильной работы. Выберите Programming>Structure>Flat Sequence, поместите прибор Dequeue Element и прибор Wait (ms) внутрь Flat Sequence. Кликните на границе Flat Sequence правой кнопкой мыши, и выберите Add Frame и поместите во второй фрейм индикатор «обслужено пациентов». У Вас получится программа, как на рисунке 15.

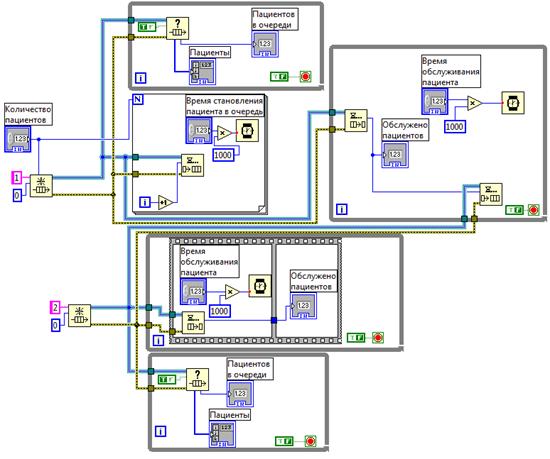
Рис. 15. Модель СМО

На интерфейсной панели выделите индикатор Пациенты и растяните его вниз так, чтобы появилось несколько индикаторов. Кликните правой кнопкой мыши и выберите Visible Items>Unit Label. Для удобства восприятия на интерфейсной панели разместите управляющие элементы и индикаторы, относящиеся к регистратуре в одно окно, например, на панели управления выберите Controls>Modern>Decorations>Raised Frame, а относящиеся к врачу, в другое. В итоге должна получиться программа, как на рис.16.

Проверьте программу на работоспособность. Для этого установите время обслуживания пациентов в регистратуре и у врача, задайте необходимое количество пациентов и время пребывания пациента в очередь.

Рис. 16. Интерфейс программы.

Методические указания к выполнению лабораторной работы

1)   На основе описания системы выявить её исходные характеристики (интенсивность входного потока, время обслуживания, длина очереди, интенсивность обслуживания).

2)   Создать модель СМО в среде (“LabView”).

3)   Оценить характеристики этой модели.

4)   Оценить соответствие характеристик накладываемым ограничениям на исходную систему.

5)   Выбрать способ модификации модели СМО для удовлетворения ограничениям.

6)   Оценить характеристики полученной модели.

7)   Внести адекватные изменения в исходную систему.

Похожие работы на - Оборотные фонды

 

Не нашли материал для своей работы?
Поможем написать уникальную работу
Без плагиата!
Без нейросетей!