Планирование и организация деятельности санатория «МЕЛЛАС»

  • Вид работы:
    Тип работы
  • Предмет:
    Финансы, деньги, кредит
  • Язык:
    Русский
    ,
    Формат файла:
    MS Word
    376,03 kb
  • Опубликовано:
    2008-12-09
Вы можете узнать стоимость помощи в написании студенческой работы.
Помощь в написании работы, которую точно примут!

Планирование и организация деятельности санатория «МЕЛЛАС»

Зміст

Вступ

1. Аналіз завдання

2. Система проектування P-CAD 2001

3. Створення умовно графічного позначення (УГО) вузла

4. Створення посадкових місць (ПМ) елементів вузла

5. Створення інтегрованого елементу бібліотеки

6. Створення схеми електричної принципової

7. Розробка топології друкованої плати

Висновки

Література

Вступ


У зв’язку з широким розвитком електроніки та електронних технологій, з’являється необхідність спрощення та автоматизації процесу проектування електронних пристроїв, та як їх складових, вузлів, блоків та окремих схем. А оскільки, однією з найважливіших задач являється розробка та виготовлення друкованої плати, під необхідну електричну принципову схему, для запуску виготовлення пристрою в поточному виробництві. Саме тому використовуються автоматичні трасировщики, такі як пакет P-CAD 2001.

В даному пакеті є набір програм для інженера, за допомогою яких він може створити умовне графічне зображення (далі УГП) необхідного елемента, посадкове місце для нього (якщо в стандартних бібліотеках немає таких), скласти схему електричну принципову та виготовити для неї плату друковану.

В цій розрахунково-графічній роботі, за допомогою пакету P-CAD 2001, буде розроблена друкована плата для обраної схеми.

1. Аналіз завдання


У курсовій роботі необхідно одержати практичні навички самостійної розробки високотехнологічних конструкцій, технологічних процесів їхнього виробництва на основі типових технологічних процесів і операцій, правильного оформлення технологічної документації на їх виконання; навчитися проведенню детального конструкторсько-технологічного аналізу виробу РЕА, використанню довідкових матеріалів для синтезу технологічного маршруту, встановлення послідовності технологічних операцій з урахуванням конструкторських, технологічних і економіко-організаційних факторів, оцінки ефективності розробки.

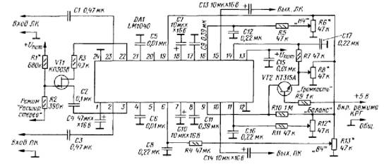
Схема електрична принципова універсального блоку регуляторів на мікросхемі LM 1040 показана на рис.1.

Рис.1 Схема електрична принципова пристрою

 

2. Система проектування P-CAD 2001


Система P-CAD 2001 виконує повний цикл проектування друкованих плат (ДП), а саме:

графічний ввод електронних схем;

моделювання змішаних аналого-цифрових пристроїв;

упаковку схеми на друковану плату;

інтерактивне розміщення компонентів;

ручну, інтерактивну або автоматичну трасировку проводників;

контроль помилок в схемі та друкованій платі, а також випуск документації;

аналіз цілісності сигналів;

підготовку файлів до виготовлення друкованих плат;

підготовку бібліотек символів, посадочних місць та бібліотек компонентів.

Основні можливості P-CAD 2001:

мінімальний шаг сітки - 0.1 мил або 0.001мм;

не більше 20000 компонентів в одній бібліотеці;

не більше 10000 виводів в одному компоненті;

не більше 64000 ланцюгів в проекті;

не більше 5000 секцій в проекті;

максимальний розмір листа та друкованої плати 60×60 дюймів;

не більше 999 слоїв в платі;

ширина траси не більше 1 см;

необмежена кількість елементів.

 

3. Створення умовно графічного позначення (УГО) вузла


Основними елементами даної схеми являються: резистори різної потужності; керамічні (К10-17), плівкові (К71-5) та оксидні (К50-35) конденсатори; біполярний транзистор (КТ315А) та польовий транзистор (КП303В); мікросхема LM1040.

Редактор P-CAD Symbol Editor призначений для створення умовно-графічного позначення електро-радіо елементів (далі ЕРЕ), електронних схем. Він має набір команд дозволяючий створювати символи ЕРЕ.

Для самого початку необхідно створити бібліотеку, куди ми будемо записувати всі створенні нами елементи, для цього необхідно виконати команду Library /New (створення нової бібліотеки), у вікні Library New задати ім'я бібліотеки із розширенням. lib та натиснути кнопку Save.

Настроїмо конфігурації програми Symbol Editor, для чого:

1. За командою Option/Configure у вікні Option Configure уста-новити розмір робочого поля необхідного формату.

2. В області Units вибрати одиницю виміру (мм). В області Orthogonal Modes (варіанти ортогональності) виділити прапорцем обидва пункти.

3. Прив'язати курсор до вузлів сітки, виконавши команду

View/Snap to Grid. За допомогою команди Options/Grids установити сітки потрібного розміру, для чого у вікні Options Grids в області Grids Spacing увести по черзі необхідні значення з почерговим натисканням клавіші Add. Натиснути кнопку ОК.

4. За допомогою команди Options/Current Line у полі Width установити необхідну ширину лінії. Натиснути ОК.

Створимо елемент безпосередньо в середовищі редактора Symbol Editor. Для чого:

1. Встановити необхідний масштаб збільшення, нажавши кілька разів на клавішу “сірий +", і накреслити контур проектованого символу за допомогою команди Place Line (Place Arc);

2. Накреслити внутрішні елементи проектованого символу;

3. Установити виводи елемента. Для цього

а) Виконати команду Place/Pin (розміщення виводів).

б) У діалоговому вікні Place Pin у полі Length (довжина виводу) за-дати довжину виводу.

в) В областях Inside Edge (Вхідний вивід), Outside Edge (Вихідний вивід), Inside, Outside установити значення None.

г) У поле Default Pin Name (Ім'я виводу) увести ім'я виводу.

д) У поле Default Pin Des (Позначення виводу) увести номер виводу.

е) Натиснути кнопку ОК.

ж) Установити курсор у необхідну точку, клацнути ЛК, клацнути ПК.

з) Для уведення наступних виводів повторити позиції г) - ж), попередньо клацаючи ЛК.

Уведемо позначення елемента. Для цього необхідно:

а) Виконати команду Place/Text.

б) Перевести курсор у необхідну точку. Натиснути ЛК.

в) Відкриється діалогове вікно Place Text, у ньому в поле Text увести відповідний символ або напис.

г) У зоні Justifification (Вирівнювання) установити точку в положен-ня, що відповідає напрямку положення тексту щодо початкового положен-ня курсора. У списку стилів тексту Text Style вибрати стиль PartStyle. При необхідності текст можна повертати на кут, кратний 900. Натиснути кла-вішу Place. Текст розташується в зазначеному місці.

Уведемо атрибути елемента. В якості атрибутів вводяться міс-

ця для розміщення позиційного позначення й напис типу елемента. Для уведення атрибута необхідно:

а) Виконати команду Place/Attribute (установка ознак).

б) У діалоговому вікні Place Attribute в області Attribute Category (Категорія атрибута) вибрати Component.

в) В області Name (Імена атрибутів) вибрати RefDes (позиційне позначення).

г) У списку Text Style, що відкрився, вибрати стиль PartStyle.

е) Натиснути ОК. Курсор переміститься на робоче поле редактора.

ж) Вибрати місце для положення атрибута й натиснути ЛК.

з) Знову виконати команду Place/Attribute.

і) У діалоговому вікні Place Attribute в області Attribute Category (Категорія атрибута) вибрати Component.

к) В області Name (Імена атрибутів) вибрати Type.

л) Повторити пп. г) - ж).

Уведемо точку прив'язки елемента. Для чого необхідно:

а) Виконати команду Place Ref Point. (Установка точки прив'язки).

б) Перемістити курсор у потрібну точку й клацнути ЛК.

3.4.7 Записати створене УГП в бібліотеку. Для цього

а) Виконати команду Save As. Відкриється вікно Symbol Save to Library.

б) У вікні Symbol Save to Library клацнути по кнопці Library.

в) У вікні, що відкрилося, вибрати раніше створену бібліотеку.

г) У полі Symbol набрати ім'я елемента.

д) Натиснути клавішу ОК, якщо передбачається створення інтегрованого елемента.

е) Якщо передбачається безпосереднє використання УГП без включення його до складу інтегрованого, необхідно:

 - після виконання п. г) у вікні Symbol Save to Library поставити прапорець активізації області Create Component;

увести в рядку Component, що відкрився, ім'я компонента;

натиснути клавішу ОК.

Таким чином відповідно з ГОСТ, виконуючи дії, які ми описали вище ми створили декілька необхідних нам УГП елементів, а саме

Рис.2 УГО конденсатора

Рис.3 УГО конденсатора із вказанням полярності

Рис.4 УГО роз’єма

Рис.5 УГО польового транзистора

Рис.6 УГО біполярного транзистора

Рис.7 УГО інтегральної мікросхеми LM 1040

Рис.8 УГО резистору

Рис.9 УГО резистору із змінним опором

Рис.10 УГО елемента GND

4. Створення посадкових місць (ПМ) елементів вузла


Графічний редактор P-CAD Pattern Editor призначений для розробки посадкових місць для конструктивних ЕРЕ на ДП.

Він містить набір команд, що дозволяють створювати й редагувати посадкові місця для установки ЕРЕ на ДП. Програма працює з файлами окремих посадкових місць (. pat) і бібліотек (. lib).

Посадкове місце (ПМ) - це комплект конструктивних елементів ДП, призначений для монтажу окремих ЕРЕ. У нього входять у різних сполученнях контактні площадки (КП), металізовані отвори (МО), друковані провідники на зовнішніх шарах і гладкі кріпильні отвори.

Найпростіше створити ПМ мікросхеми можна за допомогою команди Pattern Wizard, тому ми і користувалися нею, для створення необхідних УГП. Якщо створювати УГП мікросхем в Pattern Editor то це буде доволі клопіткою працею, тому що кожна частина буде створюватися окремою командою. В Pattern Editor створюється елементи з невеликою кількістю виводів.

Запустивши Pattern Wizard в області параметрів елемента, що редагується вводимо необхідні нам параметри:

1. У рядку Pattern Type - тип корпусу (посадкового місця) компонента встановити тип корпусу - DIP:

2. У рядку Number of Pads Down установлюємо число виводів корпусу:

3. У рядку Pad to Pad Spacing (On Center) установлюємо відстань між центрами виводів, розташованими в одному рядку (стовпці).

4. У рядку Pattern Width указуємо відстань між крайніми стовпцями виводів

5. У рядку Pad 1 Position указуємо розташування першого виводу

6. У вікні Silk Screen відзначаємо установкою прапорця необхідність

зображення контуру корпусу.

7. У рядку Silk Line Width указуємо ширину ліній контуру корпусу.

8. У рядку Silk Rectangle Pattern Width указуємо ширину корпусу компонента.

9. У рядку Silk Rectangle Pattern Height указуємо висоту корпусу компонента.

10. У вікні Notch Type указуємо вид ключа на графіці корпусу компонента (відсутність, дуга, прямокутник, кут).

11. Натискаємо на клавішу Finish, після чого зображення створеного корпусу компонента переноситься на основний екран програми Pattern Editor.

12. редагуємо графіку створеного корпусу компонента звичайним способом, уводимо атрибути елемента й потім заносимо в створену нами бібліотеку по команді Pattern/Save або Pattern/Save As.

Рис.11 ПМ конденсатора К10-17

Рис.12 ПМ конденсатора К50-35

Рис.13 ПМ конденсатора К71-5

Рис.14 ПМ роз’єма

Рис.15 ПМ польового транзистора КП 303В

Рис.16 ПМ біполярного транзистора КТ 315А

Рис.17 ПМ інтегральної мікросхеми LM1040

Рис.18 ПМ резистора

Рис. 19 ПМ резистора змінного опору СП 3-33

5. Створення інтегрованого елементу бібліотеки


Library Executive (Адміністратор бібліотек) зводить уведену раніше графічну інформацію в єдину систему - бібліотечний елемент, у якому сполучаються кілька образів подання елемента: образ на схемі (УГП), посадкове місце й пакувальна інформація.

Для створення бібліотечного елементу виконуємо такі дії:

1. Виконуємо команду Component/New вибираємо бібліотеку, у яку були поміщені раніше створені складові частини бібліотечного елемента - УГП й посадкове місце.

2. натискаємо кнопку Select Pattern (вибір ПМ) і у вікні Library Browse вибираємо посадкове місце (Pattern) для створюваної мікросхеми.

3. У діалоговому вікні Component Information вибираємо:

у полі Component Type (Тип компонента) - Normal;

у полі Component Style (Вид компонента) - Homogeneous

у полі Gate Numbering (Спосіб нумерації вентилів) - Numeric;

у полі Number of Gates (Кількість вентилів) - уводимо кількості вен-тилів;

у полі RefDes Prefix (Префікс позиційного позначення) уводимо DD.

4. Приєднуємо символ командою Select Symbol і вибираємо відповідний до вибраного посадочного місця символ натискаємо кнопку Pins View (Перегляд виводів). У результаті з'явиться заготовка таблиці пакувальної інформації - вносимо необхідні зміни до таблиці

5. Перевіряємо правильність настроювання таблиці, виконавши команду Component/Validate. При вірному заповненні таблиці з'являється вікно з написом No erroes found! Закрити вікно Pins View.

6. Закрити вікно Component Information.

7. Виконати команду Component/Save, увести ім'я компонента й записати створений елемент у бібліотеку під уведеним ім'ям.

6. Створення схеми електричної принципової


Графічний редактор P-CAD Schematic призначений для розробки електричних принципових схем з використанням умовних графічних позначень елементів. При цьому УГП ЕРЕ можуть витягатися з відповідної бібліотеки або створюватися засобами самої програми.

Створення електричних принципових схем виконується за такими етапами:

1. Завантаження бібліотек.

2. Конфігурування редактора

3. Розміщення компонентів на схемі

4. Розміщення електричних ланцюгів

5. Розміщення шин

6. Створення й заповнення кутових штампів

7. Розміщення проекту на декількох аркушах

8. Додавання атрибутів ланцюгів і компонентів

9. Редагування схеми

10. Зміна позиційних позначень

11. Збереження проекту.

Оскільки наша схема являться закінченим проектом то розробка схеми електричної не потрібна. Також через невелику складність схеми можна виконати ручну трасировку плати друкованої в редакторі P-CAD PCB.

7. Розробка топології друкованої плати


Графічний редактор P-CAD PCB призначений для виконання робіт, пов'язаних з технологією розробки й конструювання вузлів ДП. Він дозволяє впаковувати схеми на плату, задавати розміри ДП, ширину провідників і величину індивідуальних зазорів для різних провідників, задавати розміри контактних площадок і діаметри перехідних отворів, екранні шари.

Програма Shape-Based Router призначена для трасування багатошарових ДП (до 30 шарів) з високою щільністю розташування компонентів і реалізує алгоритми, які прагнуть одержати 100% трасування з'єднань. Програма працює в автоматичному, інтерактивному й ручному режимах; особливі переваги програма має при наявності планарних компонентів, виконаних у різних системах одиниць (метричній й англійській).

Для того, щоб в ручному режимі виконати трасировку ПД виконуємо такі дії:

1. Завантажуємо бібліотеки за допомогою команди Library/Setup, в яких знаходяться необхідні елементи схеми.

2. За допомогою команди Place/Component розташовуємо всі необхідні посадочні місця елементів, в необхідній кількості, відповідно з схемою.

3. За допомогою команди Place/Connection з’єднуємо, відповідно до схеми, виводи мікросхем та елементів між собою.

4. Перевіряємо правильність з’єднання схеми та зберігаємо проект за допомогою команди File/Save As.

Для автоматичного трасування виконуємо такі дії:

1. Викликаємо програму Shape-Based Router командою Route/Autorouters програми P-CAD PCB. У діалоговому вікні виклику цієї програми

у вікні Autorouter у списку трасувальників вибираємо трасувальник ім'я трасувальника Shape-Based Router;

у полі Strategy указуємо імена файлів:

PRF File - вихідний файл ДП у форматі *. PRF,

Output PCB File - вихідний файл ДП, що була відтрасована, у форматі *. pcb,

Output Log File - файл протоколу команд (*. LOG).

За замовчуванням ці файли одержують ті ж імена, що й файл вихідного проекту, але на початку імені вихідних файлів додається префікс R.

В Shape-Based Router передаються з P-CAD PCB значення ширини трас, привласнені ланцюгам за допомогою атрибутів Width, і тип ПО, установлений за замовчуванням.

2. Виконуємо команду Options/Auto-Router - відкриється діалогове вікно Autorouter Setup і виконуємо всі необхідні налаштування трасування.

3. Для того щоб запустити автороутер виконуємо команду Start Autorouter.

4. Після закінчення Shape-Based Router автоматичного трасування переходимо із програми Shape-Based Router у редактор P-CAD PCB, виконавши команду File/Save and Return.

Після повернення до P-CAD PCB можна переглянути монтажні шари командою Options/Layers.

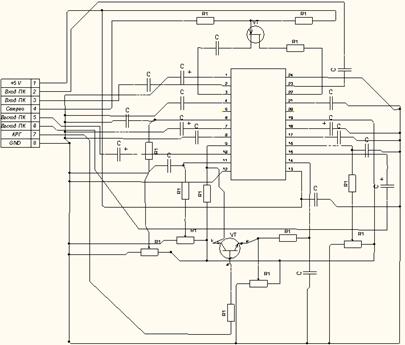
В результаті роботи з P-CAD PCB та Shape-Based Router ми отримали складальне креслення, верхній шар ДП та нижній шар ДП.

Рис.20 Складальне креслення

Рис.21 Верхній шар друкованої плати

Рис.22 Нижній шар друкованої плати

Рис.23 Обидва шари друкованої плати

Рис.24 Електрична схема блоку

Висновки


В даній розрахунково-графічній роботі було розроблено друковану плату для універсального блоку регуляторів на мікросхемі LM1040 за допомогою програмного пакету P-CAD 2001. Як варіант, можлива розробка односторонньої друкованої плати, однак вона буде займати більшу площу, а отже на її виготовлення витратиться більше матеріалу. Розробка двусторонньої плати більш доцільна за рахунок роз’єму, який був перед цим розроблений.

Також в процесі створення друкованої плати було створено декілька інтегрованих бібліотечних елементів, які можуть бути використані в майбутньому.

Література


1.   Конструирование и расчет БГИС, микросборок и апаратуры на их основе / Под ред. Б.Ф. Высоцкого. - М: Радио и связь, 1981.

2.   Несущие конструкции радиоэлектронной аппаратуры / Под ред. П.И. Овсищера. - М.: Радио и связь, 1988.232с.

3.   Парфенов Е.М., Камышная Э.Н., Усачев В.П. Проектирование конструкций радиоэлектронной апаратури: Учеб. пособие для вузов. - М.: Радио и связь, 1989.

4.   Разработка и оформление конструкторской документации РЭА / Под ред.Э.Т. Романичевой. - М.: Радио и связь, 1989.

5.   В.Д. Разевиг. Проектирование печатных плат в P-CAD 2001. - М.: СОЛОН-Пресс. 2003. - 560с.

6.   М.Я. Мактас. Восемь уроков по P-CAD 2001. - М.: СОЛОН-Пресс. 2003. - 224с.

Похожие работы на - Планирование и организация деятельности санатория «МЕЛЛАС»

 

Не нашли материал для своей работы?
Поможем написать уникальную работу
Без плагиата!
Без нейросетей!