Планирование на предприятии. Классификация планов
Міністерство освіти і науки
України
Українська
інженерно-педагогічна академія
Гірничий факультет
Кафедра інформаційних
технологій
ПОЯСНЮВАЛЬНА ЗАПИСКА
до курсової роботи
з дисципліни: «Основи
автоматизованого проектування складних систем»
на тему:
«АВТОМАТИЗАЦІЯ ГРАФІЧНИХ ТА
РОЗРАХУНКОВИХ ЗАДАЧ ПРОЕКТУВАННЯ»
Виконавст. гр. ДГ-К7-1
Головченко Р. В.
Керівникас. кафедри ІТ
Ушакова І. В.
Стаханов 2010
ЗАВДАННЯ
на курсовий
проект студента
Головченко Родіон
Віталійович
(прізвище, ім’я,
по батькові)
1. Тема проекту
“Автоматизація графічних та розрахункових задач проектування”
2. Термін здачі
студентом закінченого проекту до 15 травня 2010 р.
3. Вихідні дані
до проекту Загальні вимоги до графічного та математичного моделювання. Завдання
згідно варіанта з проектування офісу, який обладнаний комп’ютерами та
програмним забезпеченням відповідно до призначення офісу. Розробці підлягають
план та об’ємне зображення офісу, меблювання та розташування обладнання,
електропостачання та ін. Завдання згідно варіанта з розвязання математичних
задач. Середовища проектування: 3D Home, Excel, MathCAD, Power Point та інші,
за узгодженням з керівником проекту.
4. Зміст
розрахунково-пояснювальної записки (перелік питань, що їх належить розробити)
Вступ з обов’язковим посиланням на літературу, в якій вказується актуальність і
ефективність використання САПР та математичного моделювання. Умови завдань.
Графічне моделювання. Опис діяльності офісу та його програмне забезпечення,
співробітники. Альтернативне комп’ютерне обладнання. Електропостачання.
Математичне моделювання. Висновки з обов’язковим переліком кількісних даних, що
характеризують результати розробки. Презентація проекту. Використані джерела. Додатки.
5. Перелік
графічного матеріалу (з точним зазначенням обов’язкових креслень) Екранні копії
результатів графічного та математичного моделювання. Не менше п’яти сторінок
формату А4 з планами та обємними зображеннями офісу та розмірами.
6. Дата видачі
завдання 4 лютого 2010 р.
КАЛЕНДАРНИЙ ПЛАН
|
№
з/п
|
Найменування етапів
курсового проектування
|
Термін
виконання
|
Примітки
|
|
1.
|
Початкові дані проекту. Вступ
|
до 15.02
|
|
|
2.
|
Підбір устаткування офісу на основі аналізу альтернатив.
Опис діяльності офісу. Співробітники офісу. Визначення плану офісу.
|
до 15.03
|
|
|
3.
|
Проектування планів та об’ємних зображень офісу в 3D Home
|
до 7.04
|
|
|
4.
|
Проектування електропостачання офісу.
Аналіз результатів проектування офісу. Внесення в проект
офісу, при необхідності, змін та доповнень.
|
до 7.04
|
|
|
5.
|
Математичне моделювання. Розвязання задач та інтерпретація
результатів. Перевірка результатів. Розробка презентації проекту.
|
до 7.05
|
|
|
6.
|
Оформлення тексту пояснювальної записки: вступ, основний
текст, висновки, список джерел та додатки. Представлення проекту на перевірку
керівнику.
|
до 7.05
|
|
|
7.
|
Підготовка роботи до захисту.
|
до 15.05
|
|
|
8.
|
Захист курсової роботи
|
15-25.05
|
|
РЕФЕРАТ
Курсовий проект:
46 с., 51 рис., 7 табл., 1 додаток, 10 джерел.
Об'єктом проектування є моделювання офісу у системі автоматизованого
проектування 3D Home Architect 8.
Предметом проектування є проектування офісу за допомогою системи 3D
Home Architect 8, його зовнішнього та внутрішнього виду, устаткування, схеми
електропостачання та інше.
Метою проектування є підготовка майбутніх інженерів-педагогів в
галузі комп'ютерних технологій для моделювання об'єктів у різних системах автоматизованого
проектування.
Методи дослідження. Для
вирішення поставленої мети застосовані:
-
загальнонаукові методи:
теоретичного пошуку, визначення теоретичних і прикладних аспектів проектування;
-
емпіричні методи.
Практична значущість проектування: міститься
у наданні майбутнім інженерам-педагогам знань у галузі комп'ютерних технологій,
необхідних для моделювання об'єктів у різних системах автоматизованого проектування.
СИСТМЕМА
АВТОМАТИЗОВАННОГО ПРОЕКТУВАННЯ, ГРАФІЧНЕ МОДЕЛЮВАННЯ, МАТЕМАТИЧНЕ МОДЕЛЮВАННЯ,
ОПТИМІЗАЦІЯ, ОПТИМАЛЬНІСТЬ.
ЗМІСТ
ВСТУП
1. ГРАФІЧНЕ МОДЕЛЮВАННЯ ОФІСУ
МОБІЛЬНОГО ЗВ’ЯЗКУ
1.1 Початкові дані для проектування офісу
1.2 Опис призначення офісу та його
програмне забезпечення
1.3
Співробітники офісу
1.4
Альтернативне комп'ютерне устаткування
1.5
План офісу та його об'ємне зображення
1.5.1 План офісу з указівкою
розмірів
1.5.2 Об'ємне проектування
будинку
1.5.3 Інтер'єр усіх кімнат
1.5.4Територія проектованого
будинку
1.6
Електропостачання офісу
1.6.1 Місце розміщення в
офісі електротехнічної арматури
1.6.2 Схема електропостачання
1.6.3 Розрахунок кабельної
продукції для електропостачання
1.6.4 Розрахунок струму в окремих
частинах схеми електропостачання
1.6.5 Розрахунок споживаної
електроенергії в середньому за день і за місяць. Оплата електроенергії
1.7
Висновки щодо проекту офісу
2 МАТЕМАТИЧНЕ МОДЕЛЮВАННЯ
2.1
Завдання 1.1
2.2
Завдання 1.2
2.3
Завдання 2.1
1.4 Завдання 2.2
ВИСНОВКИ
ПЕРЕЛІК ВИКОРИСТАНИХ ДЖЕРЕЛ
ДОДАТОК
ВСТУП
На даному етапі
розвитку сучасних технологій дуже важливим є створення нових максимально
функціональних систем. Однак створення чогось нового не завжди може бути
вигідним з матеріальної точки зору, тому що вимагає великих матеріальних витрат
і витрат часу. Проблема матеріальних витрат вирішується за допомогою
проектування. Воно дозволяє прогнозувати стан об'єктів у різних умовах,
зовнішній вигляд і багато інших важливих аспектів, усувати недоліки й помилки в
ще не існуючих об'єктах. Це дозволяє уникнути більших матеріальних і фізичних
витрат.
Проектування -
цілеспрямована послідовність дій по реалізації проектних розв'язків, що
приводить до створення опису об'єкта проектування, якого досить для
виготовлення об'єкта і його експлуатації в заданих умовах.
Сучасні системи
проектування дозволяють автоматизувати процеси проектування тим самим зменшити
час і ресурси на його виконання.
Особливістю
автоматизованого проектування є те, що в ході проектування відбувається
постійний діалог людини й машини [1].
Під
автоматизацією проектування розуміють систематичне застосування ЕОМ у процесі
проектування при науково обґрунтованому розподілі функцій між проектувальником
й ЕОМ і науково обґрунтованому виборі методів машинного рішення задач.
Ціль автоматизації
- підвищити якість проектування, знизити матеріальні витрати на нього,
скоротити строки проектування й ліквідувати ріст числа інженерно-технічних
працівників, зайнятих проектуванням і конструюванням.
Проектування
являє собою цілеспрямовану послідовність дій по реалізації проектних рішень (до
яких приводять проектні процедури: математичне моделювання, оптимізація,
компонування об'єктів), що приводять до створення описи об'єкта проектування,
достатнього для виготовлення об'єкта і його експлуатації в заданих умовах.
1. ГРАФІЧНЕ МОДЕЛЮВАННЯ ОФІСУ МОБІЛЬНОГО ЗВ’ЯЗКУ
1.1
Початкові
дані для проектування офісу
|
Діяльність
офісу
|
Мобільний
зв’язок
|
|
Кількість
комп'ютерів
|
2
|
|
Кількість
принтерів
|
2
|
|
Блоки
безперебійного живлення
|
2
|
|
Кількість
сканерів
|
1
|
|
Модем
|
+
|
|
Телевізор
(підключення до ЕОМ)
|
+
|
|
Кондиціонер
|
+
|
|
Музичний
центр
|
+
|
|
Осцилограф
(підключення до ЕОМ)
|
-
|
|
Корисна
площа офісу
|
27,5
кв.м
|
|
Завдання
1.1
|
6
|
|
Завдання
1.2
|
25
|
|
Завдання
2.1 (А,Б, варіант) Ємність для поливу газону
|
20
|
|
Завдання
2.2
|
10
|
1.2
Опис
призначення офісу та його програмне забезпечення
На підставі
вихідних даних можна припустити, що в офісі може працювати 4 чоловіка. Так як
ця установа призначена для роботи в сфері мобільного зв’язку, то потрібні наступні кадри: два
програмісти, менеджер, продавець.
Офіс може
виконувати:
·
продаж
мобільних телефонів та аксесуарів;
·
підключення
до пакетів мобільних операторів;
·
перепрошивку,
кодування, русифікацію та перепрограмування мобільних телефонів;
·
легкий
ремонт мобільних телефонів.
У даному офісу
буде використовуватись оперативна система Windows Vista Enterprise для бізнесу.
Високоефективна операційна система Windows Vista Enterprise для бізнесу
підтримує додаткові можливості, що дозволяють скоротити вартість і складність
розгортання й керування корпоративними
ПК. Крім того, ОС
Windows Vista Enterprise надає більш високий рівень захисту, спрощує керування
додатками й дозволяє стандартизувати роботу комп'ютерів організації. ОС Windows
Vista Enterprise забезпечує поліпшений захист даних, що зберігаються на
мобільних комп'ютерах співробітників, включаючи додатковий захист
конфіденційної інформації на випадок втрати або крадіжки комп'ютера.
Операційна
система дозволяє зробити роботу більш ефективною, надаючи додаткові можливості
співробітникам компанії. Тепер персонал організації зможе легко спілкуватися й
співробітничати з іншими людьми незалежно від свого місцезнаходження. ОС
Windows Vista Enterprise має поліпшені функції пошуку, використання й захисту
даних, допомагає вашій організації відповідати складним нормативним вимогам і
скоротити витрати, пов'язані з ІТ. Ця система - ідеальний варіант вкладень
коштів для будь-якої конкурентоспроможної організації [2].
Для виконання
роботи програміста повинен використати персональний комп'ютер з наступним
програмним забезпеченням: Siemens Mobile Phone Manager, Nokia PC Suite,
Microsoft ActiveSync, P2Ktools, MOBILedit!.
Nokia PC Suite -
збірка фірмових додатків, до складу якого входять різні програми для
використання їх разом з мобільними телефонами Nokia. Залежно від моделі
телефону разом з Nokia PC Suite є можливість легко й просто синхронізувати дані
із ПК, редагувати їх, створювати резервні копії файлів з телефону,
установлювати Java-додатки, відтворювати мультимедійні повідомлення або
відсилати повідомлення прямо із ПК. Підтримується робота як з ІК- Портами, так
і по звичайним кабелям
[3].
Siemens Mobile
Phone Manager - програма забезпечує управління телефоном Siemens і дозволяє
синхронізувати дані з PC. Можливо легко синхронізувати ваші PIM дані з Outlook
або Lotus Notes. Додаток Messages дозволяє посилати або організовувати
повідомлення SMS / EMS подібно Email на PC. З додатком Modem GPRS у вас буде
зручна можливість настроїти комп'ютер для виходу в Інтернет.
Siemens Mobile
Phone Manager є логічним продовженням програми Siemens Data Suite.
Siemens Mobile
Phone Manager дозволяє:
·
Завантажувати
картинки в телефон;
·
Завантажувати
мелодії в телефон;
·
Завантажувати
анімацію в телефон;
·
Завантажувати
java мідлети й додатки;
·
Завантажувати
java гри;
·
Вивантажувати
фотографії й відео ролики з телефону;
·
Редагувати
телефонну книгу;
·
Створювати
й відправляти Sms- Повідомлення;
·
Синхронізувати
телефон з Outlook;
·
Використовувати
мобільний Інтернет і багато чого іншого.
Зв'язок може бути
організован через кабель, Irda або Bluetooth [4].
Microsoft Activesync
- програма для синхронізації різних мобільних пристроїв із комп'ютером.
Microsoft Activesync уміє працювати й синхронізувати передачу даних із КПК,
сматрфонів і інших подібних пристроїв, що перебувають під керуванням
операційних систем Windows Mobile 5.0, Windows Mobile 2003 SE, Windows Mobile
2003, Pocket PC 2002, Smartphone 2002, Windows CE.
Microsoft
Activesync виступає в якості зв'язкового між настільним ПК і Windows Mobile
обладнанням, дозволяючи обмінюватися між ними інформацією Outlook, документами
Office, зображеннями, музикою й відео, а також установлювати на КПК програмне
забезпечення. Крім того, Microsoft Activesync здатний забезпечити синхронізацію
з Microsoft Exchange Server 2003, на якому користувач може тримати власну
поштову скриньку, зберігати Календар, Замітки й Контакти. Крім цього,
передбачена конвертація різних типів документів для роботи з ними на КПК, а
також засобу створення резервних копій даних [5].
P2Ktools -
Багатофункціональна програма для керування телефонами Motorola. Завдяки
підтримки програмою роботи P2K і AT режимів суттєво розширився діапазон функцій
програми. Реалізована можливість працювати з файлами телефону як у звичайному
провіднику Windows, редагування комірок seem, включення й відключення різних
додаткових можливостей телефону, створення й завантаження тем, редагування
довідника, відправлення sms і багато чого іншого [6].
Mobiledit! -
програма дозволяє керувати мобільним телефоном з персонального комп'ютера через
Bluetooth, Ік- Порт або кабель. За допомогою програми можливо легко скопіювати
фотографії з телефону або завантажити в нього ваші улюблені мелодії, логотипи,
MP3, а також переглядати історію дзвінків і SMS повідомлень, набирати номер,
відправляти SMS, приймати телефонні виклики, редагувати список контактів і
грати в ігри.
Особливості
Mobiledit!:
·
унікальна
відкрита архітектура із драйверами телефонів установлюваними додатками;
·
зв'язок
через інфрачервоний порт, Bluetooth або кабель;
·
велика
кількість підтримуваних телефонів;
·
файлова
система, що дозволяє працювати з мультимедіа контентом у телефоні, як мелодії,
фотографії, MP3 файли, теми й java додатки;
·
потужний
редактор телефонної книги в телефоні й на SIM карті;
·
пошук і
набір номера прямо з вашого ПК;
·
відправлення
SMS повідомлень із ПК;
·
сортування,
читання й архівація ваших SMS повідомлень на жорсткому диску;
·
архівування
й резервування даних;
·
можливість
грати в ігри з телефону на ПК;
·
можливість
зміни скинів програми з мережі;
·
повна
підтримка MS Outlook.
Список
функціональних можливостей Mobiledit! постійно розширюється за рахунок
додавання нових модулів, що підключаються, і включення драйверів підтримки
нових моделей телефонів [7].
1.3 Співробітники офісу
Функції програмістів полягають у роботі з мобільними
телефонами, установці програм для роботи з ними, перепрошивці, кодуванні,
русифікації телефонів, перепрограмуванні мобільних апаратів.
Функції менеджера
включають роботу, спрямовану на організацію своїх робітників, перевірка роботи,
рішення задач пов'язані з економією електроенергії, зарплатою, також на канцелярію.
Перевірка звітів бухгалтера, договорів.
Функції продавця
містяться у представленні товару покупцям з метою його продажу, прийняті грошей
та фіксації кількості проданого товару. Також продавець має знати всі
представлені моделі мобільної техніки для більш кращого спілкування з
покупцями.
Час роботи офісу:
з 8-00 до 15-00. Вихідний - понеділок.
1.4 Альтернативне комп'ютерне устаткування
Особливістю
проектування є здійснення оптимального вибору з декількох варіантів, відповідно
до критеріїв оптимальності. З цієї причини було зроблено два варіанти
комп'ютерного устаткування.
Склад
комп'ютерного устаткування розроблявся, виходячи із заданого встаткування (3
комп'ютери, 2 принтери, 2 сканери, 1 блок безперебійного живлення, музичний
центр, осцилограф).
Перший варіант
Таблиця 1.1 –
Устаткування (1 варіант)
Таблиця 1.2 –
Додаткове устаткування (1 варіант)
Загальна вартість
устаткування: 21121,19 грн.
Другий варіант
Таблиця 1.3 –
Устаткування (2 варіант)
Таблиця 1.4 –
Додаткове устаткування (2 варіант)
Загальна вартість
устаткування: 22834,94
грн.
Для проектування
офісу ми приймаємо перший план, тому що в другому плані вартість устаткування
більше чим у першому, а для нас важлива економія коштів.
1.5 План офісу та його об'ємне зображення
План офісу
розроблявся, виходячи з кількості співробітників і заданого встаткування (3
комп'ютери, 2 принтери, 2 сканери, 1 блоку безперебійного живлення, музичний
центр, осцилограф). На плані показанаі меблі, комп'ютери, електротехнічні
арматури (світильники, вимикачі, розетки), вікна й двері.
1.5.1 План офісу з указівкою розмірів

Рисунок 1.1 –
Плани офісу А (ліворуч) та Б (праворуч)
Рисунок
1.2 – План офісу з інтер’єром
Для подальшого
проектування обираємо перший план (А), тому що він більш доцільний з точки зору
простору кімнат.
1.5.2 Об'ємне проектування будинку
Рисунок 1.3 –
Об'ємне проектування будинку
1.5.3 Інтер'єр усіх кімнат
Рисунок 1.4 – Торгівельна
зала
Рисунок 1.5 – Кімната
програмістів
Рисунок 1.6 – Склад
Рисунок
1.7 – Туалет
1.5.4 Територія проектованого будинку
Рисунок 1.8 –
Загальний вид території
Рисунок 1.9 –
Частина території
Рисунок 1.10 –
Частина території
1.6 Електропостачання офісу
1.6.1 Місце розміщення в офісі
електротехнічної арматури
Рисунок 1.11 –
Місце розміщення в офісі електротехнічної арматури
1. Розподільчий
електрощит
2. З'єднувальні
коробки
3. Розетки
4. Вимикачі
5. Лампи
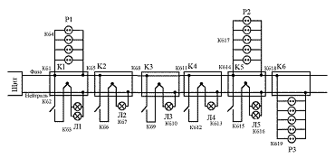
1.6.2 Схема електропостачання
Рисунок 1.14 – Схема
електропостачання
Пояснення:
К1 - Коробка 1
К2 - Коробка 2
К3 - Коробка 3
К4 - Коробка 4
К5 - Коробка 5
К6 - Коробка 6
Л1 - Лампи у торговому
приміщені, відноситься до К1
Л2 - Лампи на
складі, відноситься до К2
Л3 - Лампа у
туалеті, відноситься в К3
Л4 - Лампа в коридорі,
відноситься в К4
Л5 - Лампи у
кімнаті програмістів, відноситься до К6
Р1 - Розетки у
торговому приміщені, до неї підключається комп'ютер з усім апаратним забезпеченням
(300 Вт) та музичний центр (150 Вт)
Р2, Р3 - Розетки у
кімнаті програмістів, до них підключається комп'ютер з усім апаратним
забезпеченням (2х300 Вт)
1.6.3 Розрахунок кабельної продукції для
електропостачання
Для того щоб
розрахувати кабельну продукцію, необхідно скористатися наступними формулами:
1. Визначення
струму в кабелі: I (A) = P (Вт) / U (B)
2. Перший закон
Кірхгофа: I = I1 + I2 + I3…In
3. Площа
поперечного переріза кабелю: S = I / δ
Матеріал —
алюміній.
Таблиця 1.5 –
Елементи електроустаткування
|
Характеристика
кабелю
|
|
Элемент
|
№ кабеля
|
Длина (м)
|
Струм (А)
|
Сечение
(мм²)
|
Мощность (Вт)
|
|
Щит
|
1
|
3,4
|
16,36364
|
6,545455
|
3600
|
|
Коробка 1
|
2
|
1
|
16,36364
|
6,545455
|
3600
|
|
Выключатель 1
|
3
|
2,5
|
0,363636
|
0,145455
|
80
|
|
Лампа 1
|
4
|
0,8
|
0,363636
|
0,145455
|
80
|
|
Розетка 1
|
5
|
1,3
|
2,045455
|
0,818182
|
450
|
|
Кробка 2
|
6
|
3,2
|
13,95455
|
5,581818
|
3070
|
|
Выключатель 2
|
7
|
0,6
|
0,363636
|
0,145455
|
80
|
|
Лампа 2
|
8
|
1,2
|
0,363636
|
0,145455
|
80
|
|
Коробка 3
|
9
|
7,7
|
13,59091
|
5,436364
|
2990
|
|
Выключатель 3
|
10
|
0,6
|
0,363636
|
0,145455
|
80
|
|
Лампа 3
|
11
|
0,6
|
0,363636
|
0,145455
|
80
|
|
Коробка 4
|
12
|
0,5
|
13,22727
|
5,290909
|
2910
|
|
Выключатель 4
|
13
|
0,6
|
0,363636
|
0,145455
|
80
|
|
Лампа 4
|
14
|
0,6
|
0,363636
|
0,145455
|
80
|
15
|
0,7
|
12,86364
|
5,145455
|
2830
|
|
Выключатель 5
|
16
|
2
|
0,363636
|
0,145455
|
80
|
|
Лампа 5
|
17
|
2,6
|
0,363636
|
0,145455
|
80
|
|
Розетка 2
|
18
|
0,4
|
3,75
|
1,5
|
825
|
|
Коробка 6
|
19
|
1
|
8,295455
|
3,318182
|
1825
|
|
Розетка 3
|
20
|
0,4
|
8,295455
|
3,318182
|
1825
|
|
Итого
|
|
31,7
|
|
|
|
1.6.4 Розрахунок струму в окремих частинах схеми
електропостачання
Таблиця 1.6 – Розрахунок
струму в окремих частинах схеми електропостачання
|
Элемент
|
№ кабеля
|
Струм (А)
|
Мощность (Вт)
|
|
Щит
|
1
|
16,36364
|
3600
|
|
Коробка 1
|
2
|
16,36364
|
3600
|
|
Выключатель 1
|
3
|
0,363636
|
80
|
|
Лампа 1
|
4
|
0,363636
|
80
|
|
Розетка 1
|
5
|
2,045455
|
450
|
|
Кробка 2
|
6
|
13,95455
|
3070
|
|
Выключатель 2
|
7
|
0,363636
|
80
|
|
Лампа 2
|
8
|
0,363636
|
80
|
|
Коробка 3
|
9
|
13,59091
|
2990
|
|
Выключатель 3
|
10
|
0,363636
|
80
|
|
Лампа 3
|
11
|
0,363636
|
80
|
|
Коробка 4
|
12
|
13,22727
|
2910
|
|
Выключатель 4
|
13
|
0,363636
|
80
|
|
Лампа 4
|
14
|
0,363636
|
80
|
|
Коробка 5
|
15
|
12,86364
|
2830
|
|
Выключатель 5
|
16
|
0,363636
|
80
|
|
Лампа 5
|
17
|
0,363636
|
80
|
|
Розетка 2
|
18
|
3,75
|
825
|
|
Коробка 6
|
19
|
8,295455
|
1825
|
|
Розетка 3
|
20
|
8,295455
|
1825
|
1.6.5 Розрахунок споживаної електроенергії в середньому
за день і за місяць. Оплата електроенергії
Виходячи з
перерахованих вище споживачів, розрахуємо добове споживання електроенергії в
офісі.
Таблиця 1.7 –
Витрата електроенергії
|
Потребитель
|
Потребляемая
мощность (Вт)
|
|
1
|
2
|
3
|
4
|
5
|
6
|
|
7
|
8
|
9
|
10
|
11
|
12
|
|
13
|
14
|
15
|
16
|
17
|
18
|
|
19
|
20
|
21
|
22
|
23
|
24
|
|
Освещение
|
0
|
0
|
0
|
0
|
0
|
0
|
|
0
|
0
|
3600
|
3600
|
3600
|
3600
|
|
3600
|
3600
|
3600
|
3600
|
3600
|
3600
|
|
0
|
0
|
0
|
0
|
0
|
0
|
|
ПК 1,2
|
0
|
0
|
0
|
0
|
0
|
0
|
|
0
|
0
|
800
|
800
|
800
|
800
|
|
800
|
800
|
800
|
800
|
800
|
800
|
|
0
|
0
|
0
|
0
|
0
|
0
|
|
Принтер 1,2
|
0
|
0
|
0
|
0
|
0
|
0
|
|
0
|
0
|
60
|
60
|
60
|
60
|
|
60
|
60
|
60
|
60
|
60
|
60
|
|
0
|
0
|
0
|
0
|
0
|
0
|
|
Сканер 1,2
|
0
|
0
|
0
|
0
|
0
|
0
|
|
0
|
0
|
40
|
40
|
40
|
40
|
|
40
|
40
|
40
|
40
|
40
|
40
|
|
0
|
0
|
0
|
0
|
0
|
0
|
|
Осцилограф
|
0
|
0
|
0
|
0
|
0
|
0
|
|
0
|
0
|
30
|
30
|
30
|
30
|
|
30
|
30
|
30
|
30
|
30
|
30
|
|
0
|
0
|
0
|
0
|
0
|
0
|
|
Муз. центр
|
0
|
0
|
0
|
0
|
0
|
0
|
|
0
|
0
|
100
|
100
|
100
|
100
|
|
100
|
100
|
100
|
100
|
100
|
100
|
|
0
|
0
|
0
|
0
|
0
|
0
|
|
Телевизор
|
0
|
0
|
0
|
0
|
0
|
0
|
|
0
|
0
|
200
|
200
|
200
|
200
|
|
200
|
200
|
200
|
200
|
200
|
200
|
|
0
|
0
|
0
|
0
|
0
|
0
|
|
Суммарная Р
|
0
|
0
|
0
|
0
|
0
|
0
|
|
0
|
0
|
1230
|
1230
|
1230
|
1230
|
|
1230
|
1230
|
4830
|
4830
|
4830
|
4830
|
|
0
|
0
|
0
|
0
|
0
|
|
Ср-е зн-е
потр-й Р
|
|
|
|
|
|
1112,5
|
|
Потр-е за
сутки
|
|
|
|
|
|
26,7
|
|
Суточные затраты
|
|
|
|
|
|
4,1652
|
|
За месяц
|
|
|
|
|
|
91,6344
|
Споживання
електроенергії за добу: W = Pcp*t/1000 = 26,7 кВт*ч
Добові витрати:
W*0,156 = 4,16 грн., де 0,156 – плата за 1 кВт*ч
Витрати за місяць
= добові витрати *22=91,63 грн., де 22 – це кількість робочих днів за місяць.
На рисунку 1.15
представлений графік споживання електроенергії офісом.
Рисунок 1.15 –
Графік споживання електроенергії
Як видно з
гістограми, максимальне споживання електроенергії з 15 до 18 годин — у цей час
працює все устаткування й увімкнено усе світло.
1.7 Висновки щодо проекту офісу
У графічному
моделюванні був змодельований офіс, ведучий свій бізнес у сфері мобільного зв’язку. Офіс займає три кімнати: Торгова
зала; Кімната програмістів; Туалет; Складове приміщення.
Для офісу було
підібрано відповідне устаткування: три комп'ютери, два принтери, два сканера,
музичний центр, блок безперебійного живлення й осцилограф, на загальну суму
19271,2 грн.
Також було
розраховане енергоспоживання офісу й розроблена схема електропроводки. За
результатами розрахунків на електропроводку офісу буде потрібно 31,7 метрів
кабелю. Добове споживання електроенергії – майже 15 квт*ч, що буде коштувати 4,16 грн. у добу або 91,63 грн. на місяць.
У звіт до проекту
також включений:
·
план
офісу;
·
знімки
3D-проекту офісу;
·
звіт по
підборі устаткування;
·
схема
електропроводки;
·
розрахунки
енергоспоживання й навантаження на силові елементи.
2.1 Завдання 1.1
(Варіант 6)
Модель об'єкта
представлена системою лінійних рівнянь:
Визначити
невідомі змінні:
1) використовуючи
функцію Fіnd;
2) матричним
способом і використовуючи функцію lsolve. Порівняти результати.
Рішення
засобами Excel
Для початку
формуємо таблицю початкових даних:
Рисунок 2.1 –
Таблиця початкових даних
Щоб вирішити
систему рівнянь, використаємо команду Пошук рішення.
Для контролю
правильності рішення системи рівняння можна слід включити режим відображення
формул:
Рисунок 2.2 –
Дані в режимі відображення формул
Для рішення
рівняння заповнюємо вікно «Пошук рішення»:
Рисунок 2.3 –
Вікно пошуку рішень
Натиснувши
«Виконати» отримуємо рішення:
Рисунок 2.4 –
Результат рішення
Результат: x1= -12,495; x2= -2,768; x3= 8,091; x4= 3,677.
Рішення
засобами MathCAD
Рішення даної
системи рівняння можна знайти за допомогою розв'язуваного блоку Given...Find.
Функція Find
шукає точне рішення системи рівнянь, записаної після слова Given.
Рисунок 2.5 –
Рішення системи за допомогою функції Find
Рисунок
2.6 – Рішення за допомогою функції lsolve
Результат: x1=-12,495; x2=-2,768; x3=8,091; x4=3,677.
Дана система
рівнянь була вирішена різними методами й засобами, проте відповіді були
отримані однакові.
(Варіант 25)
Перетворити
модель, задану у вигляді системи нелінійних рівнянь до виду f 1(x) = y й f 2
(y)= x. Побудувати їхні графіки й визначити початкове наближення рішення.
Вирішити систему нелінійних рівнянь.
Рішення
засобами Excel
Знайдемо точку
перетину y й x. Так як sin перебуває у проміжку від -1 до 1, то можна скласти
наступні нерівності:

Далі необхідно
побудувати таблицю й графік функцій використовуючи отримані обмеження. Після
виконання всіх операцій одержимо графіки функцій.
Рисунок 2.7 –
Інтервали пошуку рішення
Рисунок 2.8 –
Побудовані графіки функцій
Далі для
знаходження точного рішення необхідно заповнити таблицю з вихідними даними й
розрахунковими формулами. Задаємо початкові значення х и y рівні 0.
Рисунок 2.9 –
Таблиця вихідних даних
Для перевірки
правильності рішення необхідно включити режим відображення формул:
Рисунок 2.10 –
Дані в режимі відображення формул
Для вирішення
рівняння скористаємося вікном «Пошук рішення»:
Рисунок 2.11 -
Вікно пошуку рішень
Після натискання
кнопки «Виконати» на екрані з’являється рішення:
Рисунок 2.12 –
Результат рішення
Результат: x= 0,9415, y= 0,3514.
Рішення
засобами MathCAD
Систему
нелінійних рівнянь можна вирішити за допомогою блоку Given...Find. Функція Find
шукає точне рішення системи рівнянь, записаної після слова Given [9].
x:= 1 та y:=1 — початкові значення.
Рисунок 2.13 –
Рішення системи
Результат: x= 0,9415, y= 0,3514.
При порівнянні
методу рішення в MathCAD та рішення в Excel з'являються відмінності. MathCAD
дає можливість швидко й просто одержати результат; Excel дає користувачеві
можливість зрозуміти процес рішення задачі методом імовірнісного пошуку.
2.3 Завдання 2.1
Задача А.
Вирішити
задачу проектування конусоподібного фільтра.
З круглої
заготівлі (r = 2) фільтрованого паперу вирізають сектор з кутом
, потім з іншого роблять фільтр у виді
конуса. Необхідно розрахувати величину кута
, при якій забезпечується максимальний обсяг
конуса.

Рисунок 2.14 –
Окружність та конус
R – радіус основи
конуса; h – висота конуса; r – радіус заготівлі фільтрованого папера.
– довжина
– формула для куска дуги
Знаходимо
різницю:
У конусі отримали
прямокутний трикутник АОВ, де h – катет. Для знаходження катетів обчислимо
корінь із різниці гіпотенузи r та катету R.
,
Цільова функція
має гляд:
Обмеження:
Рішення
засобами Excel
Спочатку ми
задаємо цільову функцію, потім визначаємо для неї обмеження, вибираємо змінні
та, задавши перші наближення для змінних, виконаємо «Пошук рішення».
В якості цільової
функції виберемо рівняння об'єму конуса умови незаперечності змінних величин;
кут Q не повинен перевищувати 2 ПІ.
Рисунок 2.15 –
Дані в режимі відображення формул
Заповнюємо вікно
«Пошук рішення»:
Рисунок 2.16 – Вікно
пошуку рішення
При натисканні
клавіші «Виконати» на екрані з'являється наступне вікно й таблиця з рішенням:
Рисунок 2.17 –
Результат рішення
Рішення
засобами MathCAD.
Максимум цільової
функції можна знайти, використовуючи MathCAD, у якому є вбудовані функції
Minimize й Maximize.
Рисунок 2.18 –
Рішення
Висновок:
Отримані в результаті обчислень різними програмними продуктами (MathCAD та
Excel) значення повністю ідентичності, що говорить про вірогідність рішення.
Так само наочно видно, що обчислення в MathCAD більше громіздкі, але з
математичної точки зору більш правильні.
Задача Б.
Проектування 2
-х конусоподібних (пожежних) цебер.
З круглої
заготівлі жерсті (r = 3) вирізають сектор з кутом
, потім з іншого роблять цебро у виді конуса і з
вирізаного сектора теж (тобто 2-а цебра). Необхідно розрахувати величину кута
, тобто як необхідно
розкроїти заготівлю, щоб обсяг 2-х цебер був максимальним.
R— радіус основи
конуса; h — висота конуса; r — радіус заготівлі.
Формули для
знаходження радіусу R, висоти h та обсягу V великої заготівлі:
,
,
Формули для
знаходження радіусу R, висоти h та обсягу V маленької заготівлі:
,
,
Цільова функція
має вигляд:
Обмеження:
Рішення
засобами Excel.
Для рішення даної
задачі необхідно заповнити таблицю з вихідними даними й розрахунковими
формулами.
Рисунок 2.19 – Дані
в режимі відображення формул
Далі задається
початкове значення кута
=0, встановлюється цільовий осередок (загальний
об'єм). Викликається «Пошук рішень»:
Рисунок 2.20 –
Вікно пошуку рішень
Після виконання
операції було отримано наступне рішення:
Рисунок 2.21 – Результат
рішення
Рішення
засобами MathCAD.
Для рішення даної
задачі необхідно заповнити таблицю з вихідними даними й розрахунковими
формулами, представленими вище.
А далі
скористаємося вже відомою структурою Given.
Рисунок 2.22 – Рішення
задачі засобами MathCAD
Висновок:
Отримані в результаті обчислень різними програмними продуктами (Excel та
MathCAD) значення повністю ідентичні, що говорить про вірогідність правильного
рішення.
Задача 20.
Потрібно
виготовити відкритий циліндричний резервуар обсягом V = 3.5м3. При
яких розмірах резервуара його будівля буде більш дешевою.
Об’єм циліндру
дорівнює:
Площу циліндру
знаходимо за формулою:
а площу еліпса —
,
де а — велика
піввісь, b — мала піввісь.
Рішення
засобами Excel
Заповнюємо
таблицю з вихідними даними й розрахунковими формулами:
Рисунок 2.24 – Дані
в режимі відображення формул
Рисунок 2.25 –
Вікно пошуку рішень
Виконавши даної
операції, було отримано наступне рішення:
Рисунок 2.26 – Результат
рішення
2.4 Завдання 2.2
(Варіант 10)
Функція об'єкта
задана неявно рівнянням
,
,
. Побудувати графік залежності функції
на заданому відрізку
та знайти її мінімум і
максимум з точністю
.
F(x,t)
|
t1
|
t2
|
x1
|
x2
|
|
|
-2
|
1
|
0
|
2
|
Рішення
засобами Excel
Для рішення
даного завдання необхідно заповнити таблицю. Задаємо значення t=[0,2]. Задаємо
функцію f(x), у якій початкове значення х буде дорівнює 0.
Далі скористаємося
вікном підбору параметра.
Рисунок 2.28 –
Підбор параметрів
Отримане значення
х необхідно перенести в наступний осередок і по цьому значенню х зробити підбор
параметра.

Рисунок 2.29 –
Результат підбора параметрів
Цю дію необхідно
виконувати доти, доки t не буде дорівнювати 2. Далі необхідно побудувати графік
за значеннями x і t.
Рисунок 2.30 –
Графік залежності x від t
На цьому графіку
можна чітко визначити крапку мінімуму й крапку максимуму. Але для точності
необхідно заповнити таблицю з вихідними даними й розрахунковими формулами.
Задаємо початкові значення х та y = 1.
Рисунок 2.31 –
Знаходження min та max
Максимальні й
мінімальні значення необхідно знайти за допомогою вікно Пошук рішень.
Рисунок 2.32 –
Вікно пошуку рішень для знаходження мінімуму
Рисунок 2.33 –
Вікно пошуку рішень для знаходження максимуму
При натискання
клавіші «Виконати» на екрані з'являться наступні вікна й таблиці з рішеннями:
Рисунок 2.34 –
Вікно з рішенням (мінімум)
Рисунок 2.35 –
Вікно з рішенням (максимум)
Результат: мінімум дорівнює t= 1,066*10-7; x=0;
максимум t=1; x=0,79.
Рішення
засобами MathCAD
Задамо початкові
значення для обчислення задачі:

З використанням
функції Maximize та Minimize знаходимо екстремуми.

Рисунок 2.36 –
Вікна з рішеннями
Результат: мінімум дорівнює t= 1,066*10-7; x=0;
максимум t=1; x=0,79.
Дане рівняння
вирішили різними методами й засобами в результаті одержали однакові відповіді,
але методи рішення відрізняються.
ВИСНОВКИ
Цілі й завдання
курсової роботи з теми «Проектування офісу мобільного зв’язку» досягнуті в
повному обсязі: систематизація й закріплення теоретичних знань, отриманих при
вивченні навчальної дисципліни «Основи автоматизованого проектування складних систем»
і придбання навичок у використанні сучасних інформаційних технологій, а також
придбання й закріплення навичок самостійної роботи.
У математичному
моделюванні були вирішені всі задані завдання за допомогою Excel та MathCAD.
У графічному
моделюванні був змодельований офіс, що працює у сфері мобільного зв’язку. План
офісу розроблявся, виходячи з кількості співробітників і заданого устаткування
(2 комп'ютери, 2 принтери, сканер, 2 блоки безперебійного живлення, музичний
центр, осцилограф). На плані показані меблі, комп’ютери, електротехнічні
арматури (світильники, вимикачі, розетки), вікна й двері. Розроблений дизайн
офісу (килимове покриття, кольори стін, форми вікон і т.д.). На території крім
офісу, розміщені газони, доріжки, під’їзд для автомобіля. Був зроблений
альтернативний вибір комп'ютерного забезпечення. План офісу займає 27,5 м².
У даній курсовій
роботі є недоліки, які можна в наслідку модернізувати, наприклад,
електропроводка в офісі.
ПЕРЕЛІК ВИКОРИСТАНИХ ДЖЕРЕЛ
1.
В.С.Симанков,
Ю.К.Лушников, В.А.Морозов и др. Автоматизация
процессов принятия решений в системах управления – М.: ЦНИИТЭИ, 1986. – 420 с.
2.
Объектно-ориентированный
анализ и проектирование систем. – Лори,
2007, 284 стр.
3.
Столяровский
С. Проектирование и
дизайн мебели на компьютере – СПб.: Питер, 2004. – 560 с.
4.
Гурский Д.,
Турбина Е. Вычисления в MathCAD 12 – Дело и Сервис (ДИС), 2002 г. – 528 с.
5.
Глушков
В. М. Основы безбумажной інформатики, 2-е издание, исправленное. — М.:
Наука, 1978, 552 с.
6.
Інформатика:
Базовий курс/ С.В.Симонович изд. – Спб.: Питер, 2001. – 640 с.
7.
Бусленко Н.П.
Моделирование сложных систем. – М.:
Наука, 1978. -400 с.
8.
І.Т.
Ігнатова, Math CAD. Учбовий курс. – М.: Рибарі, 2000. -479 с.
9.
В.П. Д’яконов, И.В. Авраменкова, Math CAD 7.0 в математиці, фізиці и в Internet – М.: “Холідж”,
1998, - 352 с.
10.
Інтернет-ресурс:
ДОДАТОК
Презентація
проектування офісу туризму


