Принципы и методы управления персоналом

  • Вид работы:
    Тип работы
  • Предмет:
    Финансы, деньги, кредит
  • Язык:
    Русский
    ,
    Формат файла:
    MS Word
    37,88 kb
  • Опубликовано:
    2008-12-09
Вы можете узнать стоимость помощи в написании студенческой работы.
Помощь в написании работы, которую точно примут!

Принципы и методы управления персоналом

Міністерство освіти і науки України

Національний університет харчових технологій









Курсова робота з дисципліни

«Програмне забезпечення»

Виконав: студент групи

АКС-4-4 Ширма С.В.










Київ 2010

Завдання 34 20

Рис.1 Схема об’єкта управління

У початковому стані всі клапани закриті. Клапан 4 аналоговий.

Після натискання кнопки «ПУСК» відкривається клапан 5 і на 60% клапан 4. На протязі п’яти хвилин відбувається пропарювання апарату. Закривається клапан 4 і через 2 хвилини – клапан 5.

Відкривається клапан 1 і ємність наповндюється молоком до верхнього рівня.

Подається перша доза ферменту в ємність:

відкривається клапан 2 і в дозатор подається фермент, поки не спрацює датчик верхнього рівня дозатора

закривається клапан 2, відкривається клапан 3 (відбувається зливання ферменту до спрацювання датчика нижнього рівня дозатора)

закривається клапан 3.

Подається друга доза ферменту в ємність

Включається двигун і протягом 3 хвилин виконується промивка ємності.

Якщо не натиснута кнопка «СТОП», продовжити роботу починаючи з п. 1, інакше – завершити роботу.

Блок-схема процесу

 



























 


Схема автоматизації об’єкта керування

ВД – входи дискретні;

ДВ – виходи дискретні;

ВА – входи аналогові;

АВ – аналогові виходи.

Таблиця відповідності адрес входів-виходів різних контролерів, що відповідають умовним позначенням, наведеним у спрощеній схемі автоматизації об’єкта керування.

Параметр

Умовне позначення на СА

Адреси входів-виходів на МПК

МПК Ломіконт

МПК Р-130

МПК TSX Premium

Вимірювання рівня

ВА01

ВА001

ВА01

%IW3.1

%MW31

Вимірювання температури

ВА02

ВА002

ВА02

%IW3.0

%MW30

Пуск

ВД01

ВД001

ВД01

%I1.0

%M10

Стоп

ВД02

ВД002

ВД02

%I1.1

%M11

Нижн. рів. дозатора

ВД03

ВД003

ВД03

%I1.2

%M12

Верх. рів. дозатора

ВД04

ВД004

ВД04

%M13

Кл4

АВ01

АВ001

АВ01

%QW4.0

%MW40

Кл1

ДВ01

ДВ001

ДВ01

%Q2.0

%M20

Кл2

ДВ02

ДВ002

ДВ02

%Q2.1

%M21

Кл3

ДВ03

ДВ003

ДВ03

%Q2.2

%M22

Кл5

ДВ05

ДВ005

ДВ05

%Q2.3

%M23

Кл6

ДВ06

ДВ006

ДВ06

%Q2.4

%M24

Мішалка

ДВ04

ДВ004

ДВ04

%Q2.5

%M25


Розроблення програмного забезпечення для МПК Ломіконт

Для розроблення прикладного програмного забезпечення МПК Ломіконт використовується пакет програм “Крос-система мови МІКРОЛ”.

Секція 000

Пояснення

00 АЛГ 130

1. ВЫХОД = КБ0

2. №=8

3. В/О = ОТКЛ

01 АЛГ 130

1. ВЫХОД = КС000

2. №=128

3. В/О = ОТКЛ

02 ОТКЛ ДВ001

03 ОТКЛ ДВ002

04 ОТКЛ ДВ003

05 ОТКЛ ДВ004

06 ОТКЛ ДВ005

07 ОТКЛ ДВ006

10 АВ001=+0000

11 ТМ05=00.00.00

12 ТМ06=00.00.00

13 ТМ07=00.00.00

14 ВКЛ КБ1

15 ВКЛ КС100

 Закрити всі ключі блоків


Закрити всі ключі секцій


Закрити клапан подачі молока

Закрити клапан зливу фермента

Вимкнути мішалку

Закрити клапан зливу

Закрити клапан подачі води

Закрити клапан подачі пари

Обнулити таймер

Обнулити таймер

Обнулити таймер

Включити ключ блока КБ1

Включити ключ секції КС100

Секція 100

Пояснення

00 ЕСЛИ ВА001>+0000

01 ТОГДА ВКЛ ДВ005

02 ЕСЛИ ВА001=+0000

03 ТОГДА ВКЛ ДВ006

04 ТОГДА ТМ05=00.00.00

05 ТОГДА ВКЛ ТМ05

06 ЕСЛИ ТМ05=00.03.00

07 ТОГДА ОТКЛ ДВ006

10 ТОГДА ОТКЛ ДВ005

11 ТОГДА ОТКЛ КС100

12 ТОГДА ВКЛ КС 101

Якщо апарат не порожіній

Тоді відкриваєм клапан зливу

Якщо апарат порожній

Тоді відкриваєм клапан подачі води

Обнуляєм таймер

Запускаєм таймер

Якщо вийшов час 3 хв

Тоді відключаєм клапан подачі води

Тоді відключаєм клапан зливу

Тоді закриваєм ключ секції КС100

Тоді відкриваєм ключ секції КС101

Секція 101

Пояснення

00 ЕСЛИ ВКЛ ВД001

01 ЕСЛИ ОТКЛ ВД002

02 ТОГДА ВКЛ ДВ005

03 ТОГДА АВ001=+0600

04 ТОГДА ТМ05=00.00.00

05 ТОГДА ВКЛ ТМ05

06 ЕСЛИ ТМ05=00.05.00

07 ТОГДА АВ001=+0000

10 ЕСЛИ ТМ05=00.07.00

11 ТОГДА ОТКЛ ДВ005

12 ТОГДА ВКЛ ДВ001

13 ЕСЛИ ВА001=+1000

14 ТОГДА ОТКЛ ДВ001

15 ТОГДА ОТКЛ КС101

16 ТОГДА ВКЛ КС102

Якщо нажата кнопка «ПУСК»

І не нажата кнопка «СТОП»

Тоді включаєм клапан зливу

І відкриваєм клапан подачі пари на 60%

Обнуляєм таймер

Запускаєм таймер

Якщо вийшов час 5 хв

Тоді закриваєм клапан подачі пари

+2хв

Закриваєм клапан зливу

Тоді відкриваєм клапан подачі молока

Коли апарат повний

Тоді закриваєм клапан подачі молока

Тоді виключаєм ключ секції КС101

Тоді включаєм ключ секції КС102

Секція 102

Пояснення

00 ВКЛ ДВ002

01 ЕСЛИ ВКЛ ВД004

03 ТОГДА ВКЛ ДВ003

04 ЕСЛИ ОТКЛ ВД003

05 ТОГДА ОТКЛ ДВ003

06 ТОГДА ОТКЛ КС102

07 ТОГДА ВКЛ КС103

Відкрити клапан подачі ферменту

Якщо досягнуто верхній рівень

Тоді закрити клапан подачі ферменту

Тоді відкрити клапан зливу ферменту

Якщо дозатор порожній

Тоді закрити клапан зливу ферменту

Тоді відключити ключ секції КС102

Тоді включити ключ секції КС103

Секція 103

Пояснення

00 ВКЛ ДВ002

01 ЕСЛИ ВКЛ ВД004

02 ТОГДА ОТКЛ ДВ002

03 ТОГДА ВКЛ ДВ003

04 ЕСЛИ ОТКЛ ВД003

05 ТОГДА ОТКЛ ДВ003

06 ТОГДА ОТКЛ КС103

07 ТОГДА ВКЛ КС104

Відкрити клапан подачі ферменту

Якщо дозатор повний

Тоді закрити клапан подачі ферменту

Тоді відкрити клапан зливу ферменту

Якщо дозатор порожній

Тоді закрити клапан зливу ферменту

Тоді відключити ключ секції КС103

Тоді включити ключ секції КС104

Секція 104

Пояснення

00 ВКЛ ДВ004

01 ТМ06=00.00.00

02 ВКЛ ТМ06

03 ЕСЛИ ТМ06=00.03.00

04 ТОГДА ОТКЛ ДВ004

05 ТОГДА АВ001=+1000

06 ЕСЛИ ВА002>+0400

07 ТОГДА АВ001=+0000

10 ТОГДА ВКЛ ДВ005

11 ЕСЛИ ВА001=0000

12 ТОГДА ВКЛ ДВ006

13 ТОГДА ТМ07=00.00.00

14 ТОГДА ВКЛ ТМ07

15 ЕСЛИ ТМ07=00.03.00

16 ТОГДА ОТКЛ ДВ006

17 ТОГДА ОТКЛ ДВ005

20 ЕСЛИ ОТКЛ ВД002

21 ТОГДА ОТКЛ КС104

22 ТОГДА ВКЛ КС101

Включити мішалку

Тоді обнуляєм таймер

Тоді запускаєм таймер

Коли вийшов час 3 хв

Тоді виключаєм мішалку

Відкриваєм клапан подачі пари

Якщо досягнута температура 400С

Тоді закриваєм клапан подачі пари

Тоді відкриваєм клапан зливу

Якщо апарат порожній

Тоді відкриваєм клапан подачі води

Тоді обнуляєм таймер

Тоді запускаєм таймер

Коли вийшов час 3 хв

Тоді закриваєм клапан подачі води

Тоді закриваєм клапан зливу

Якщо не натиснута кнопка «СТОП»

Тоді закриваєм ключ секції КС104


Вибір технічних засобів

1. Для визначення рівня (LЕ) - ємнісні сигналізатори рівня.

Вхідний дискретний сигнал (03 та 04).

2. Для неперервного вимірювання рівня (LE) – ультразвуковий рівнемір з вихідним сигналом 0 – 20 мА. При підключенні до МПК – вхідний аналоговий сигнал (01).

3. Для вимірювання температури (ТЕ) – термометр опору з вбудованим нормуючим перетворювачем і вихідним сигналом 0 – 20 мА. Вхідний аналоговий сигнал (02).

4. Кнопки «Пуск» та «Стоп» – вхідні дискретні сигнали (01 та 02).

5. Клапани Кл 1, Кл 2, Кл 3, Кл 5, Кл 6 – дискретні електропневматичні клапани. 5 дискретних вихідних сигналів – 01, 02, 03, 05, 06.

6. Управління мішалкою за допомогою магнітного пускача. Дискретний вихідний сигнал – 04.

7. Клапан Кл 4 – пневматичний клапан з аналоговим електропневматичним перетворювачем. Управляючий сигнал 0 – 20 мА. Аналоговий вихідний сигнал – 01.

Таким чином для управління об’єктом необхідно сконфігурувати МПК який забезпечує підключення: 4 дискретних вхідних сигнали, 6 дискретних вихідних сигнали, 2 вхідних аналогових сигнали 0 – 20 мА 1 аналоговоговий вихідний сигнал 0 – 20 мА.

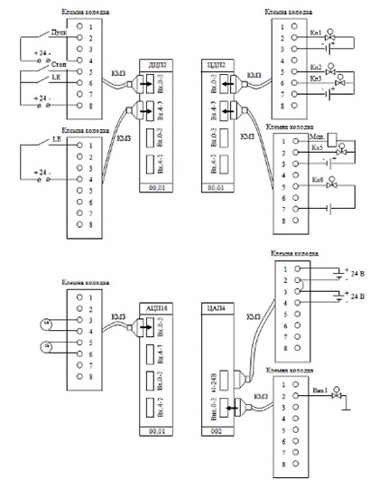
Конфігурування МПК і схеми підключення зовнішніх пристроїв МПК Ломіконт

Для реалізації алгоритму управління можна вибрати модель Ломіконта Л-120 з наступною конфігурацією:

Модулі базового комплекту: ПРЦ7 і МП7.

Модулі входів-виходів:

- 1 модуль дискретних входів – ДЦП2. 16 входів, настроєний на роботу з групами змінних 00 і 01;

- 1 модуль дискретних виходів – ЦДП2. 16 виходів, настроєний на роботу з групами змінних 00 і 01;

- 1 модуль аналогових входів АЦП16 (включає в себе по одному модулю гальванічного розподілення РГ12 на групи 00 і 01) - 16 входів, настроєний на роботу з групами змінних 00 і 01. Для сигналів від датчиків рівня і температури 0 – 20 мА на клемній колодці встановлюються резистори 400 Ом;

- 1 модуль аналогових виходів ЦАП4. 4 виходи, настроєний на роботу з групою змінних 00 з сигналом 0-20 мА.

Схема підмикання в МПК Ломіконт


Для реалізації алгоритму управління на базі Реміконта 130, у відповідності з типами і кількістю зовнішніх сигналів вибираєм регулюючу модель Реміконта 130 з модифікацією – 15.

Прикладне програмне забезпечення для МПК Реміконт Р-130 розробляється за допомогою “крос-системи” на ПЕОМ. Враховуючи поставлені в умові задачі вимоги щодо керування обрали наступну модель контролера:

Модель контролера: Регулююча

Комплектність групи А: МАС 8 ан.вх. і 2 ан.вих.(1)

Комплектність групи Б: МСД 8 д.вх. і 8 д.вих.(5)

Часовий діапазон контролера: Старший(Мин/Час)

Час циклу: 0.2 сек.

Під‘єднання зовнішніх пристроїв до рознімів контролера відбувається за допомогою клемно-блокових з‘єднань.

Підключення датчиків і виконавчих механізмів до МПК Реміконт-130

Modicon TSX Micro 3705

Рис. 2 Конфігурування контролера Modicon TSX Micro 3705

До складу контролера крім процесорного модуля входять:

- комбінований повноформатний модуль TSX DMZ 28DR, який встановлений у першому слоті і займає 1-е і 2-е місця. Модуль має 16 дискретних входів з напругою 24 В постійного струму та 12 релейних виходів з струмом комутації 3 А та напругою 24 В постійного струму і 24-240 В змінного струму;

- напівформатний модуль аналогових входів TSX AEZ 802, який розташований на 3-му місці і працює з 8 аналоговими сигналами 0-20 або 4-20 мА;

- ніпівформатний модуль аналогових виходів TSX ASZ 200, який розташований на 4-му місці і працює з 2 аналоговими сигналами 0-20, 4-20 мА або 0-10 В;

Рис. 3 Підключення дискретних входів та виходів

Рис. 4 Підключення аналогових входів та аналогового виходу

Рис. 5 Конфігурування процесорного модуля

Рис. 6 Конфігурування модуля дискретних входів

Рис. 7 Конфігурування модуля дискретних виходів

Рис. 8 Конфігурування модуля аналогових входів

Рис. 9 Конфігурування модуля аналогових виходів

Рис. 10 Конфігурування таймерів

Фрагмент програми імітації:

IF %M10 AND NOT %M11 THEN (*якшо нажата кнопка ПУСК і не нажата кнопка СТОП*)

IF %MW19=0 THEN (*ОБНУЛЯЄМ ТАЙМЕРИ*)

DOWN %TM1;

DOWN %TM2;

DOWN %TM3;

DOWN %TM4;

%MW19:=1;

END_IF;

IF %MW19=1 THEN (*ВІКДРИВАЄМ КЛ 5 І НА 40% КЛ 4*)

SET %M43;

%MW30:=6000;

START %TM1;(*ЗАПУСКАЄМ ТАЙМЕР 1*)

%MW19:=2;

END_IF;

IF %MW19=2 THEN (*ЯКЩО ВИЙШОВ ЧАС 5ХВ, ТО ЗАКРИВАЄМ КЛ4 І ЗАПУСКАЄМ ТАЙМЕР 2*)

IF %TM1.Q THEN

START %TM2;

%MW19:=3;

END_IF;

END_IF;

IF %MW19=3 THEN (*КОЛИ ВИЙШОВ ЧАС 2 ХВ, ТО ЗАКР КЛ 5 І ВІДКР КЛ 1*)

IF %TM2.Q THEN

RESET %M43;

SET %M40;

SET %M48;

%MW19:=4;

END_IF;

END_IF;

IF %MW19=4 THEN (*НАПОВНЮЄМ БАЧОК МОЛОКОМ*)

%MW21:=%MW21+50;

IF %MW21>=10000 THEN %MW19:=5;

END_IF;

END_IF;

IF %MW19=5 THEN (*ЯКЩО БАЧОК ПОВНИЙ, ТО ЗАКР КЛ 1, ОБНУНИЛИ ПОКАЗНИК ДОЗ*)

IF %MW21>=10000 THEN

RESET %M40;

%MW200:=0;

%MW19:=20;

END_IF;

END_IF;

(*початок дозування*)

IF %MW19=20 THEN

%MW200:=1;

SET %M41;SET %M12;DOWN %TM5;START %TM5;%MW19:=21;

END_IF;

IF %MW19=21 THEN

IF %TM5.Q THEN SET %M13;RESET %M41;SET %M42;DOWN %TM6;START %TM6;RESET %M13;%MW19:=22;END_IF;

END_IF;

IF %MW19=22 THEN

IF %TM6.Q THEN RESET %M12;RESET %M42;%MW19:=23;END_IF;

END_IF;

(**)

IF %MW19=23 THEN

%MW200:=2;

SET %M41;SET %M12;DOWN %TM5;START %TM5;%MW19:=24;

END_IF;

IF %MW19=24 THEN

IF %TM5.Q THEN SET %M13;RESET %M41;SET %M42;DOWN %TM6;START %TM6;RESET %M13;%MW19:=25;END_IF;

END_IF;

IF %MW19=25 THEN

IF %TM6.Q THEN RESET %M12;RESET %M42;%MW19:=6;END_IF;

END_IF;

(*кінець дозування*)

IF %MW19=6 THEN (*ЯКЩО ДВІ ДОЗИ..., ТО ВКЛЮЧАЄМ МІШАЛКУ І ТАЙМЕР 3*)

SET %M45;

START %TM3;

%MW19:=7;

END_IF;

IF %MW19=7 THEN (*КОЛИ ВИЙШОВ ЧАС 3ХВ, ТО ВИКЛ МІШАЛКУ, ВІДКРИТИ КЛ 4 ПОВНІСТЮ*)

IF %TM3.Q THEN

RESET %M45;

%MW30:=10000;

%MW19:=8;

END_IF;

END_IF;

IF %MW19=8 THEN (*підігрівання*)

%MW20:=%MW20+20;

IF %MW20>=4000 THEN %MW19:=9;

END_IF;

END_IF;

IF %MW19=9 THEN (*КОЛИ ТЕМПЕРАТУРА=40 ГРАД, ТО ЗАКР КЛ 4, ВІДКР КЛ 5*)

IF %MW20>=4000 THEN

%MW30:=0;

SET %M43;

SET %M49;

%MW19:=10;

END_IF;

IF %MW19=10 THEN (*ЗЛИВ МОЛОКА*)

%MW21:=%MW21-50;

IF %MW21<1 THEN %MW19:=11;

END_IF;

END_IF;

IF %MW19=11 THEN (*КОЛИ АПАРАТ ПОРОЖНІЙ, ВІДКРИТИ КЛ 6, ЗАПУСТИТИ ТАЙМЕР 4*)

IF %MW21=0 THEN

%MW20:=0;

SET %M44;

START %TM4;

%MW19:=12;

END_IF;

END_IF;

IF %MW19=12 THEN

IF %TM4.Q THEN (*КОЛИ ВИЙШОВ ЧАС 6 ХВ, ЗАКР КЛ 6, ЗАКР КЛ 5 *)

RESET %M44;

RESET %M43;

%MW19:=0;

END_IF;

END_IF;

END_IF;

Копія екрану Runtime Screen:


Література

1. Ельперін І.В. Промислові контролери: Навч.посіб. – К.: НУХТ, 2003. – 320 с.

2. Ельперін І.В. Промислові контролери. Частина 1.: Конспект лекцій до вивчення дисц. Для студ. Спец. 6.092500 «автоматизоване управління технологічними процесами» і «Комп‘ютерно-інтегровані технологічні процеси і виробництва» напряму підготовки 0925 «Автоматизація і комп‘ютерно-інтегровані технології». – К.: НУХТ, 2007. – 84 с.

3. Ельперін І.В. Промислові контролери. Частина 2.: Конспект лекцій до вивчення дисц. Для студ. Спец. 6.092500 «автоматизоване управління технологічними процесами» і «Комп‘ютерно-інтегровані технологічні процеси і виробництва» напряму підготовки 0925 «Автоматизація і комп‘ютерно-інтегровані технології». – К.: НУХТ, 2007. – 84 с.

4. Мікропроцесорні пристрої і системи управління в харчовій промисловості: Навч. Посібник /І.В.Ельперін, Є.Л.Календро, А.П.Ладанюк. -К.: ІСДО, 1994. - 140 с.

5. Мікропроцесорні та програмні засоби автоматизації: Метод. вказівки до виконання курс. проекту для студ. спец. 6.092501 “Автоматизоване управління технологнічними процесами” та 6.092502 “Комп‘ю-терно-інтегровані технологічні процеси та виробництва”ден. та заоч.форм навчання / Уклад.: І.В. Ельперін, В.М. Кушков, Г.В. Кабальський. – К.: УДУХТ, 2001. – 16 с.

6. Мікропроцесорні пристрої та системи автоматики: Метод. Вказівки до вивчення дисципліни для студтів спец.. 7.092501 “Автоматизація технологнічних процесів і виробництв заоч. форми навчання” / Уклад.: І.В. Ельперін, В.М. Кушков.– К.: УДУХТ, 1998. – 20 с.

Похожие работы на - Принципы и методы управления персоналом

 

Не нашли материал для своей работы?
Поможем написать уникальную работу
Без плагиата!
Без нейросетей!