|
t(c)
|
S(m)
|
(м/с)
|
t(c)
|
S(m)
|
(м/с)
|
|
0
1
2
4
5
6
7
|
0
4.8
18.7
40.1
66.9
97.4
130.3
164.7
|
0
9,6
17,9
24,4
28,9
31,9
33,8
35,0
|
8
9
10
11
12
13
14
15
|
200.1
235.9
272.1
308.5
345.0
381.5
418.1
454.7
|
35.6
36.0
36.3
36.4
36.5
36.6
36.6
36.6
|
Кроме таблицы необходимы графики зависимостей
и
; по ним хорошо видно, как
меняются со временем скорость и перемещение, т.е. приходит качественное
понимание процесса.
Еще один элемент наглядности может внести изображение падающего
тела через равные промежутки времени. Ясно, что при стабилизации скорости
расстояния между изображениями станут равными. Можно прибегнуть и к цветовой
раскраске — приему научной графики, описанному выше.
Наконец, можно запрограммировать звуковые сигналы, которые
подаются через каждый фиксированный отрезок пути, пройденный телом — скажем,
через каждый метр или каждые 100 метров — смотря по конкретным обстоятельствам.
Надо выбрать интервал так, чтобы вначале сигналы были редкими, а потом, с
ростом скорости, сигнал слышался все чаще, пока промежутки не сравняются. Таким
образом, восприятию помогают элементы мультимедиа. Поле для фантазии здесь
велико.
Приведем конкретный пример решения задачи о свободно падающем
теле. Герой знаменитого фильма “Небесный тихоход” майор Булочкин, упав с высоты
6000 м в реку без парашюта, не только остался жив, но даже смог снова летать.
Попробуем понять, возможно, ли такое на самом деле или же подобное случается
только в кино. Учитывая сказанное выше о математическом характере задачи,
выберем путь численного моделирования. Итак, математическая модель выражается
системой дифференциальных уравнений.
(8)
Разумеется, это не только абстрактное выражение обсуждаемой
физической ситуации, но и сильно идеализированное, т.е. ранжирование факторов
перед построением математической модели произведено. Обсудим, нельзя ли
произвести дополнительное ранжирование уже в рамках самой математической модели
с учетом конкретно решаемой задачи, а именно — будет ли влиять на полет
парашютиста линейная часть силы сопротивления и стоит ли ее учитывать при
моделировании.
Так как постановка задачи должна быть конкретной, мы примем
соглашение, каким образом падает человек. Он опытный летчик и наверняка
совершал раньше прыжки с парашютом, поэтому, стремясь уменьшить скорость, он
падает не “солдатиком”, а лицом вниз, “лежа”, раскинув руки в стороны. Рост
человека возьмем средний — 1,7 м, а полуобхват грудной клетки выберем в
качестве характерного расстояния — это приблизительно 0,4 м. для оценки порядка
величины линейной составляющей силы сопротивления воспользуемся формулой
Стокса. Для оценки квадратичной составляющей силы сопротивления мы должны
определиться со значениями коэффициента лобового сопротивления и площадью тела.
Выберем в качестве коэффициента число с=1,2 как среднее между коэффициентами
для диска и для полусферы (выбор дня качественной оценки правдоподобен). Оценим
площадь: S
= 1,7 ∙ 0,4 = 0,7(м2).
В физических задачах на
движение фундаментальную роль играет второй закон Ньютона. Он гласит, что
ускорение, с которым движется тело, прямо пропорционально действующей на него
силе (если их несколько, то равнодействующей, т.е. векторной сумме сил) и обратно
пропорционально его массе:
.
Так для свободно
падающего тела под действием только собственной массы закон Ньютона примет вид:
Или в дифференциальном
виде:
Взяв интеграл от этого
выражения, получим зависимость скорости от времени:
Если в начальный момент V0 = 0, тогда
.
Далее
определим зависимость высоты от времени, для чего проинтегрируем последнее
выражение.
.
Выясним, при
какой скорости сравняются линейная и квадратичная составляющие силы
сопротивления. Обозначим эту скорость
Тогда
или
Ясно, что практически с самого начала скорость падения майора
Булочкина гораздо больше, и поэтому линейной составляющей силы сопротивления
можно пренебречь, оставив лишь квадратичную составляющую.
Вычисления производятся до тех пор, пока не опустится на воду.
Примерно через 15 с после начала полета скорость становится постоянной и
остается такой до приземления. Отметим, что в рассматриваемой ситуации
сопротивление воздуха радикально меняет характер движения. При отказе от его
учета график скорости, изображенный на рисунке 2, заменился бы касательной к
нему в начале координат.
Рис. 2. График зависимости скорости падения от времени
парашютист падение
сопротивление математическая модель
При
построении математической модели необходимо соблюдение следующих условий:
- манекен
массой 50 кг соответственно падают в воздухе с плотностью 1,225 кг/м3;
- на движение
влияют только силы линейного и квадратичного сопротивления;
- площадь
сечения тела S=0.4
м2;
Тогда для
свободно падающего тела под действием сил сопротивления закон Ньютона примет
вид:
,
где a – ускорение тела, м/с2,
m – его масса, кг,
g – ускорение свободного
падения на земле, g = 9,8 м/с2,
v – скорость тела, м/c,
k1 – линейный коэффициент
пропорциональности, примем k1 = β = 6πμl (μ – динамическая
вязкость среды, для воздуха μ = 0,0182 Н.с.м-2; l – эффективная длина,
примем для среднестатистического человека при росте 1,7 м и соответствующем
обхвате грудной клетки l = 0,4 м),
k2 – квадратичный
коэффициент пропорциональности. K2 = α = С2ρS. В данном случае
достоверно можно узнать лишь плотность воздуха, а площадь манекена S и коэффициент лобового
сопротивления С2 для него определить сложно, можно воспользоваться полученными
экспериментальными данными и принять K2 = α = 0,2.
Тогда получим закон
Ньютона в дифференциальном виде:
Так как
Тогда можно составить
систему дифференциальных уравнений:
Математическая модель при
падении тела в гравитационном поле с учетом сопротивления воздуха выражается
системой из двух дифференциальных уравнений первого порядка.
Для имитационного моделирования движения парашютиста в системе
MATLAB используем элементы пакета расширения Simulink. Для задания величин
начальной высоты - H_n,
конечной высоты - H_ k, числа - pi, μ – динамическая вязкость среды - my,
обхват - R, массе манекена m, коэффициент лобового сопротивления - c, плотность воздуха - ro, площадь сечения тела - S, ускорение свободного
падения - g,
начальная скорость - V_n используем элемент Constant находящийся в Simulink/Sources (рисунок 3).
Рисунок 3. Элемент Constant
Для операции
умножения используем блок Product, находящийся в Simulink/Math Operations/Product (рисунок 4).
Рисунок. 4
Для ввода k1 – линейного
коэффициента пропорциональности и k2 – квадратичного коэффициента пропорциональности
используем элемент Gain, находящийся в Simulink/Math Operations/Gain (Рисунок. 5.)
Рисунок. 5
Для
интегрирования – элемент Integrator. Находящийся в Simulink/Continuous/Integrator. Рисунок. 6.
Рисунок. 6
Для вывода
информации используем элементы Display и Scope. Находящиеся в Simulink/Sinks. (Рисунок. 7)
Рисунок. 7
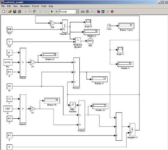
Математическая
модель для исследования с использованием вышеперечисленных элементов,
описывающая последовательный колебательный контур приведена на рисунке 8.
Рисунок. 8
Программа исследований
1. Исследование графика
зависимости высоты от времени и скорости от времени масса парашютиста равна
50кг.
Рисунок 9
Из графиков
видно, что при расчете падения парашютиста массой 50 кг, следующие данные:
максимальная скорость равна 41,6 м/с и время равно 18с , и должна достигаться
через 800 м падения, т.е. в нашем случае на высоте около 4200 м.
Рисунок. 10
2.
Исследование графика зависимости высоты от времени и скорости от времени масса
парашютиста равна 100кг.
Рисунок 11
Рисунок 12
С массой
парашютиста 100 кг.: максимальная скорость равна 58 м/с и время равно 15с , и
должна достигаться через 500 м падения, т.е. в нашем случае на высоте около
4500 м. (рисунок.
11., рисунок. 12).
Выводы по
полученным данным, которые справедливы для манекенов, отличающихся только
массой, но с одинаковыми размерами, формой, типом поверхности и другими
параметрами, определяющими внешний вид объекта.
Легкий
манекен при свободном падении в гравитационном поле с учетом сопротивления
среды достигает меньшей предельной скорости, но за меньший промежуток времени
и, естественно, при одинаковой начальной высоте – в более низкой точке
траектории, чем тяжелый манекен.
Чем тяжелее
манекен, тем быстрее он достигнет земли.
4.
Решение
задачи программным путем
М-файл
функции parashut.m:
%Функция моделирования
движения парашютиста
function
dhdt=parashut(t,h)
global k1 k2 g m
% система ДУ первого порядка
dhdt(1,1)= -h(2);
dhdt(2,1)=(m*g-k1*h(2)-k2*h(2)*h(2))/m
М-файл вывода результатов parashutist.m:
% Моделирование движения
парашютиста
% Васильцов С. В.
clc
global h0 g m
k1 k2 a
% k1-линейный коэффициент
пропорциональности, определяющийся свойствами среды и формой тела. Формула
Стокса.
%k2-квадратичный
коэффициент пропорциональности, пропорционален площади сечения тела,
поперечного по
%отношения к потоку,
плотности среды и зависит от формы тела.
k2=0.5*1.2*0.4*1.225
g=9.81; % ускорение
свободного падения
m=50; % масса манекена
h0=5000; % высота
[t h]= ode45(@parashut,[0
200],[h0 0] )
r=find(h(:,1)>=0);
s=length(r);
b=length(t);
h(s+1:b,:)=[];
t(s+1:b,:)=[];
a=g-(k1*-h(:,2)+k2*h(:,2).*h(:,2))/m
% вычисляем ускорение
% Построение графика
зависимости высоты от времени
subplot(3,1,1),
plot(t,h(:,1),'LineWidth',1,'Color','r'),grid on;
xlabel('t,
c'); ylabel('h(t), m');
title('График зависимости высоты от времени', 'FontName',
'Arial','Color','r','FontWeight','bold');
legend('m=50 kg')
% Построение графика
зависимости скорости от времени
subplot(3,1,2),
plot(t,h(:,2),'LineWidth',1,'Color','b'),grid on;
xlabel('t,
c');
ylabel('V(t),
m/c');
Title('График зависимости скорости от времени', 'FontName',
'Arial','Color','b','FontWeight','bold');
legend('m=50 kg')
% Построение графика
зависимости ускорения от времени
subplot(3,1,3),
plot(t,a,'-','LineWidth',1,'Color','g'),grid on;
text (145,
0,'t, c');
ylabel('a(t),
m/c^2');
Title('График зависимости ускорения от времени', 'FontName',
'Arial','Color','g','FontWeight','bold');
legend('m=50 kg')
Экранная форма вывода графиков.






Список использованных источников
1. Вся физика. Е.Н.
Изергина. – М.: ООО «Издательство «Олимп», 2001. – 496 с.
2. Касаткин И. Л. Репетитор
по физике. Механика. Молекулярная физика. Термодинамика/ Под ред. Т. В. Шкиль.
– Ростов Н/Д: изд-во «Феникс», 2000. – 896 с.
3. Компакт-диск «Самоучитель
MathLAB». ООО «Мультисофт», Россия, 2005.
4. Методические указания к
Курсовой работе: дисциплина Математическое моделирование. Движение тела при
учете сопротивления среды. – Минск. РИИТ БНТУ. Кафедра ИТ, 2007. – 4 с.
5. Решение систем
дифференциальных уравнений в Matlab. Дубанов А.А. [Электронный ресурс]. – Режим доступа: #"#">http://matlab.nsu.ru/Library/Books/Math/MATLAB/help/techdoc/ref/.
Размещено на