Бизнес-план фирмы 'СТРОЙИНДУСТРИЯ'

  • Вид работы:
    Тип работы
  • Предмет:
    Финансы, деньги, кредит
  • Язык:
    Русский
    ,
    Формат файла:
    MS Word
    77,68 kb
  • Опубликовано:
    2008-12-09
Вы можете узнать стоимость помощи в написании студенческой работы.
Помощь в написании работы, которую точно примут!

Бизнес-план фирмы 'СТРОЙИНДУСТРИЯ'














Исследование и разработка методов автоматизации управления электронным предприятием

Введение

Жизнь современного человека не возможно себе представить без повсеместно распространяющихся информационных технологий. Интернет – стал обязательным атрибутом каждого бизнеса и каждое предприятие стремится получить всевозможные выгоды от его применения. Некоторые переходят на новый вид рынка – информационный рынок. Об этих предприятиях и пойдет речь в этой работе, а именно – об электронных предприятиях.

Актуальность избранной темы обусловлена следующими обстоятельствами:

· во-первых, быстрая смена устаревших технологий более современными требует своевременной разработки новых эффективных методов управления;

· во-вторых, применяющийся в мировой практике инструментарий управления электронным предприятием от зарубежных разработчиков не учитывают специфики российского электронного бизнеса, а российские разработки часто не имеют научного обоснования и на практике показывают малую эффективность;

· в-третьих, в научной и учебной литературе отсутствует систематизация методов управления электронным предприятием.

Исследование сущности организации деятельности электронного предприятия интересно уже тем, что в современной литературе (как зарубежной, так и отечественной) формулировки данного понятия и описания принципов организации данной деятельности практически не найти. Но и в имеющихся источниках информация по данному вопросу имеет различное толкование. Поэтому для понимания указанной проблемы, вначале целесообразно наиболее комплексно сформулировать и конкретизировать термин «электронное предприятие».

Собственно исследованием данного вопроса занимается ряд отечественных и зарубежных авторов, среди которых в первую очередь следует назвать Л.Д. Реймана, А.В. Волокиткина, А.П. Маношкина (модели организации электронного бизнеса, методы управления взаимоотношениями с потребителями); д.э.н., профессора И.Т. Балабанова, к.э.н. А.А. Кантаровича, Д. Эймора (методологические основы построения систем электронной коммерции, оценка эффективности их функционирования); А.В. Петюшкина (основы и персонификация баннерной рекламы); И.В. Успенского; К. Пэйтеля, М.П. Мак-Картни (Интернет-маркетинг); Дмитриев О.Н.; Саркисян А.С.; Парамонов Ф.И.

На основе данных авторами определений предлагается следующая формулировка данного термина.

Электронное предприятие (ЭП) – это децентрализованная сетевая организация (бизнес-структура), в которой взаимосвязи с поставщиками и заказчиками и все внутренние процессы реализованы в электронной форме на основе современной сетевой инфраструктуры и Интернет-технологий, что позволяет данной организации с максимальной оперативностью реагировать на меняющиеся условия рынка, в результате чего создаются предпосылки для роста эффективности ее деятельности.

Данное определение наиболее комплексно формулирует сущность термина «электронное предприятие», хотя, естественно, и не является совершенным, но дает возможность понять организационные принципы электронного предприятия (это важно, так как организационные принципы напрямую влияют на управление ЭП и его автоматизацию):

Принцип организации взаимосвязей: все основные организационные процессы реализуются в электронной форме.

Принцип использования единого информационного пространства: основные бизнес-процессы выполняются в электронных сетях, охватывающих всю организацию и связывающих её с другими организациями (поставщиками, заказчиками).

Принцип территориальной распределенности: использование современной сетевой инфраструктуры и Интернет-технологий для взаимодействия между участниками бизнес-процессов.

Принцип электронного управления ключевыми ресурсами и компетенциями: интеллектуальная собственность, материальные, финансовые и человеческие ресурсы управляются электронным способом.

Принцип независимости исполнителей проекта: нет четкой привязанности к конкретному исполнителю; руководитель проекта, может выбрать любого, не задействованного в ином проекте, исполнителя.

Принцип владельца инициативы продукта: существование только одного руководителя – владельца инициативы продукта, которым может быть как конкретное лицо, так и целый коллектив. В данном случае, идеальной формой организации производства на ЭП является такая форма, когда владельцем инициативы продукта является конечный потребитель.

Перечисленные принципы в практической деятельности предоставляют электронному предприятию определенные преимущества перед традиционными организационными формами.

Целью выпускного квалификационного проекта является исследование и разработка методов автоматизации управления электронным предприятием.

Объектом исследования выступает электронное предприятие.

Предметом исследования являются методы автоматизации управления электронным предприятием.

Для достижения поставленной цели необходимо решить следующие научные задачи:

· исследовать типологию электронных предприятий, принципы создания и функционирования электронного предприятия;

· смоделировать деятельность электронного предприятия;

· анализировать методы автоматизации управления электронным предприятием.

Методологической основой исследования является диалектический метод познания и системный подход. В процессе исследования использовались такие общенаучные методы и приемы, как обобщение фактов и событий деятельности электронных предприятий, анализ и синтез, методы группировки и последующей классификации, сравнения.

Практическая значимость результатов данной работы заключается в повышении эффективности функционирования электронного предприятия за счет использования научно-обоснованных методов автоматизации управления, а также в развитии отечественной экономики за счет проработанного в исследовании материала.

Теоретическая значимость выражается в готовой работе обобщающей и синтезирующей разнородные данные в области повышения методов управления электронным предприятием.

Структура выпускного квалификационного проекта включает введение, три главы, заключение, список сокращений, литературу и приложения.

1. Теоретические основы автоматизации электронных предприятий

 

1.1 Понятие и типология электронных предприятий


Для начала повторимся, под электронном предприятием в работе понимается децентрализованная сетевая организация (бизнес-структура), в которой взаимосвязи с поставщиками и заказчиками и все внутренние процессы реализованы в электронной форме на основе современной сетевой инфраструктуры и Интернет-технологий, что позволяет данной организации с максимальной оперативностью реагировать на меняющиеся условия рынка, в результате чего создаются предпосылки для роста эффективности ее деятельности.

Классифицировать электронные предприятия можно исходя из разных признаков. Основным является – род деятельности:

· Интернет-коммерция (i-Commerce) и более обширное электронная коммерция (e-commerce),

· Виртуальное предприятие

· телевизионная коммерция (t-Commerce),

· (Мобильная коммерция) m-Commerce.

Электронная коммерция (e-commerce) – термин, используемый для обозначения коммерческой активности в сети Интернет. Обеспечивает возможность осуществления покупок, продаж, сервисного обслуживания, проведения маркетинговых мероприятий путём использования компьютерных сетей. Электронная коммерция (в широком смысле) – предпринимательская деятельность по осуществлению коммерческих операций с использованием электронных средств обмена данными.

Объектами электронной коммерции является то, на что направлена деятельность систем электронной коммерции. К ним можно отнести различные товары, услуги и информацию.

Второй вид классификации предприятий в информационной сфере принят в зависимости от объектов и субъектов деятельности:

· B2B (бизнес – бизнесу),

· B2G (бизнес – государству),

· B2C (бизнес – клиенту),

· C2C (клиент-клиенту),

· G2B (государство – бизнесу). При этом существуют ещё разновидности: бизнес – администрации, администрация – бизнесу – это соответственно равно B2A и A2B.

По степени новизны деятельности предприятия в системе электронной сфере подразделяются:

· полностью новый, не существовавший ранее вид деятельности,

· новый вид деятельности для предприятия,

· реорганизованная существующая деятельность,

· прежняя деятельность с использованием новых возможностей систем электронной коммерции.

Основными элементами систем электронного предприятия являются:

1. Субъекты электронного предприятия – участники и клиенты систем электронной коммерции. Это финансовые институты, бизнес-организации (коммерческие предприятия) и потребители.

2. Системы электронного предприятия: торговые, платежные, арбитражные и системы доставки.

3. Процессы в электронных предприятиях:

исследование рынка, продажа товаров, услуг, информации, выполнение заказов, расчеты по сделкам, поддержка коммерческой деятельности, производство и распределение фондов.

4. Сети электронных предприятий: глобальная сеть Интернет, коммерческие и корпоративные.

Преимущества функционирования электронных предприятий выражаются для разных субъектов по разному.

Для компаний:

1. Глобальное присутствие. Рамки электронного предприятия определяются не национальными границами, а распространением сети Интернет в мире. Это позволяет даже мелким компаниям заниматься бизнесом в мировом масштабе.

2. Увеличение конкурентоспособности. Компании используют данные технологии для «приближения к заказчику». Они предлагают расширенную предпродажную и послепродажную поддержку, быстро могут реагировать на претензии клиентов.

3. Персонализация продаж. С помощью средств электронных предприятий компании могут получать информацию о запросах и требованиях каждого индивидуального заказчика и автоматически предоставлять товары и услуги, соответствующие их требованиям.

4. Быстрая реакция на спрос. Компании приспосабливаются к требованиям потребителей, могут быстро реагировать на их запросы и осуществлять «обратную связь».

5. Снижение издержек. Заключение сделки электронным путем уменьшает затраты на обслуживание. Это влечет за собой снижение цен для заказчиков.

Для клиентов (потребителей):

1. Глобальный выбор. Заказчики получают возможность выбора товаров и услуг из всех представленных мировых поставщиков.

2. Возможность быстрого сравнения предложений и обмена информацией с другими пользователями.

3. Удобство осуществления операций. Возможность заказывать товары и осуществлять сделки в удобное для клиентов время.

4. Снижение цен. Потребители могут приобретать товары, услуги, информацию по более низким ценам

Глобальная сеть Интернет сделала электронную форму доступной для фирм любого масштаба. Если раньше организация электронного обмена данными требовала заметных вложений в коммуникационную инфраструктуру и была по плечу лишь крупным компаниям, то использование Internet позволяет сегодня вступить в ряды «электронных торговцев» и небольшим фирмам. Электронная витрина в World Wide Web дает любой компании возможность привлекать клиентов со всего мира. Подобный on-line бизнес формирует новый канал для сбыта – «виртуальный», почти не требующий материальных вложений. Если информация, услуги или продукция (например, программное обеспечение) могут быть поставлены через Web, то весь процесс продажи (включая оплату) может происходить в on-line режиме.

Под определение электронного предприятия подпадают не только системы, ориентированные на Internet, но также и «электронные магазины», использующие иные коммуникационные среды – BBS, VAN и т.д. В то же время процедуры продаж, инициированных информацией из WWW, но использующих для обмена данными факс, телефон и пр., могут быть лишь частично отнесены к классу электронной коммерции. Отметим также, что, несмотря на то, что WWW является технологической базой электронной коммерции, в ряде систем используются и другие коммуникационные возможности. Так, запросы к продавцу для уточнения параметров товара или для оформления заказа могут быть посланы и через электронную почту. На сегодняшний день доминирующим платежным средством при on-line покупках являются кредитные карточки. Однако на сцену выходят и новые платежные инструменты: смарт-карты, цифровые деньги (digital cash), микроплатежи и электронные чеки.

Электронная коммерция включает в себя не только on-line транзакции. В область, охватываемую этим понятием, необходимо включить и такие виды деятельности, как проведение маркетинговых исследований, определение возможностей и партнеров, поддержка связей с поставщиками и потребителями, организация документооборота и пр. Таким образом, электронная коммерция является комплексным понятием и включает в себя электронный обмен данными как одну из составляющих.

Менее значимыми, но не менее интересными являются T-commerce и M-Commerce.

Телевизионная коммерция (T-commerce) является одним из ключевых сегментов рынка электронной коммерции. Телепродажи – наиболее динамично развивающийся сегмент T-коммерции.

Развитие телевизионной коммерции в мире происходит опережающими темпами по сравнению с другими сегментами электронной торговли. Емкость мирового рынка телевизионной коммерции в 2002 г. составляла 10 млрд. долл. Прогнозируется, что к 2005 г. емкость данного рынка составила уже 45 млрд. долл.

Мобильная коммерция (другие названия M-Commerce, mCommerce) – общее название для различных коммерческих сервисов (кроме услуг связи), использующих мобильный телефон в качестве основного интерфейса пользователя. Процесс осуществляется с помощью карманных компьютеров или smart-фонов через удаленное (Интернет, GPRS и т.д.) соединение. Мобильная коммерция, как правило, представляет собой программно-аппаратное решение по автоматизации процессов взаимодействия с удаленными пользователями.

Встречается название мобильная торговля – бизнес-решение, тесно интегрированное с системами автоматизации торговли и предназначенное в первую очередь для автоматизации сбора заказов. Иногда термин мобильная торговля (мобильные продажи) трактуют более широко и употребляют в качестве синонима мобильной коммерции вообще.

В 1997 году на улицах Хельсинки, столицы Финляндии, были установлены два автомата компании Кока-Кола по продаже напитков с помощью SMS. Тогда же клиентам Merita bank of Finland стали доступны услуги мобильного банкинга.

В 1998 году стала возможной продажа цифрового контента с помощью мобильного телефона, когда финским сотовым оператором Radionlinja был запущен коммерческий сервис по продаже рингтонов.

Год спустя компанией Smart на Филиппинах была запущена национальная платформа мобильных платежей Smart Money. Почти одновременно с этим NTT DoCoMo запустила в Японии первую мобильную интернет-платформу, получившую название i-Mode.

Осенью 1999 года France Telecom объявила об открытии защищенной системы e-коммерции на базе мобильной связи под названием «Iti Achat». Услуга позволяет абонентам системы GSM, принадлежащей France Telecom, осуществлять покупки, как через Интернет, так и по мобильному телефону. Встроенный в трубку GSM считыватель кредитных карточек гарантирует защищенность системы.

В ноябре 1999 года компания Millicom International Cellular (Люксембург), объявила о выпуске устройства GiSMo, позволяющего производить безопасные платежи в Интернет с помощью мобильного телефона. Покупатель предоставляет номер своего мобильного телефона продавцу, который, используя выделенный канал в Интернет, передает полученный номер в операционный центр GiSMo, где на основании полученных данных формируется персональный идентификационный код. Этот код передается и на мобильный телефон покупателя. Покупатель должен предоставить продавцу полученный код для сверки. Счета ежемесячно высылаются клиентам по e-mail.

Среди направлений мобильной коммерции традиционно выделяют:

Мобильный банкинг – подразумевает управление банковским счетом с использованием мобильного телефона в качестве средства идентификации владельца банковского счета. При осуществлении платежных трансакций используются денежные средства, находящиеся на банковском счете.

Мобильные платежи (м-платежи) – подразумевают совершение платежа при помощи мобильного телефона с использованием денежных средств, размещенных на предоплаченной банковской карте. Мобильные платежи осуществляются без использования банковских счетов пользователя и доступны абонентам не имеющим собственного банковского счета.

Мобильный контент – разновидность мобильных платежей, при которой мобильный терминал используется не только в качестве удаленного средства идентификация плательщика, но и устройства для приема заказанной услуги. Этот тип мобильной коммерции применяется при продаже рингтонов / мелодий, картинок, Java-игр, интерактивных медиапроектов (SMS-чаты, SMS-голосования) и т.д.

Мобильная коммерция сегодня представляет из себя 29 крупнейших операторов сотовой связи, контролирующих половину мирового рынка. Они объединяются, унифицируют протоколы связи и сервисов. Особенно популярны сервисы мобильных платежей, основанные на технологии NFC, в Японии, США и Великобритании.

Для использования сервиса NFC требуется установить в телефон абонента специальный модуль. Благодаря встроенному чипу осуществляется беспроводное соединение между телефоном и терминалом–считывателем информации, установленным у продавца. В результате соединения с виртуального счета владельца мобильного телефона списывается сумма. Абонент может пополнить счет с помощью банковской карты, POS-терминала и сенсорного автомата самообслуживания. Технология NFC обеспечивает солидную надежность идентификации покупателя и высокий уровень безопасности платежей.

Стараются не отставать от мировых тенденций и в России. Мининформсвязи одобрило концепцию создания универсальной платежной платформы на основе сотового телефона. Поскольку SIM-карта по российским законам выдается на конкретное лицо, ее, по мнению связистов, вполне достаточно для идентификации того, кто производит платеж. С помощью новой платежной платформы можно будет делать не только банковские операции, но и оплачивать проезд в метро, автобусе, электричке, парковку автомобиля, купить чашку кофе или банку пива в торговых автоматах. Достаточно будет приложить мобильник к турникету или автомату. Для осуществления платежей по технологиям SMS и USSD даже не нужны дополнительные устройства.

 

1.2 Методы автоматизации деятельности электронного предприятия


Автоматизация – одно из направлений научно-технического прогресса, применение саморегулирующих технических средств, экономико-математических методов и систем управления, освобождающих человека от участия в процессах получения, преобразования, передачи и использования энергии, материалов или информации, существенно уменьшающих степень этого участия или трудоёмкость выполняемых операций. Требует дополнительного применения датчиков (сенсоров), устройств ввода, управляющих устройств (контроллеров), исполнительных устройств, устройств вывода, использующих электронную технику и методы вычислений, иногда копирующие нервные и мыслительные функции человека. Наряду с термином автоматический, используется понятие автоматизированный, подчеркивающий относительно большую степень участия человека в процессе.

Анализируя данное определение можно сделать вывод, что автоматизации подлежат:

· производственные процессы;

· проектирование;

· организация, планирование и управление;

· научные исследования;

· бизнес-процессы.

Цель автоматизации – повышение производительности труда, улучшение качества продукции, оптимизация управления, устранение человека от производств, опасных для здоровья. Автоматизация, за исключением простейших случаев, требует комплексного, системного подхода к решению задачи.

Метод – систематизированная совокупность шагов, действий, которые необходимо предпринять, чтобы решить определенную задачу или достичь определенной цели.

При исследовании методов автоматизации управления электронным предприятием необходимо заметить, что основным элементом управления на любом предприятии является документ. Фактором, влияющим на хождение документа внутри и снаружи предприятия – документооборот. А соответственно на электронном предприятии – электронный документооборот.

При исследовании методов автоматизации на электронном предприятии три основных направления, по которым ведется эта работа.

Во-первых, разрабатывают методы эффективного изучения закономерностей объектов управления, их динамики, устойчивости, зависимости поведения от воздействия внешних факторов.

Во-вторых, определяют экономически целесообразные методы управления, тщательно обосновывают цель и оценочную функцию управления, выбор наиболее эффективной зависимости между измеряемыми и управляющими параметрами процесса. На этой основе устанавливают правила принятия решений по управлению и выбирают стратегию поведения руководителей с учётом результатов экономических исследований, направленных на выявление рациональных закономерностей системы управления. При реализации данного подхода обращают внимание, прежде всего на специфику объекта автоматизации, в конкретном случае – особенности управления электронным предприятием.

В-третьих, ставится задача создания инженерных методов наиболее простого, надёжного и эффективного воплощения структуры и конструкции средств автоматизации, осуществляющих заданные функции измерения, обработки полученных результатов и управления. При разработке рациональных структур управления и технических средств их осуществления применяют теорию алгоритмов, автоматов, математическую логику и теорию релейных устройств. С помощью вычислительной техники автоматизируют многие процессы расчёта, проектирования и проверки устройств управления. Выбор оптимальных решений по сбору, передаче и обработке данных основывается на методах теории информации. При необходимости многоцелевого использования больших потоков информации применяются централизованные (интегральные) методы её обработки.

Структура управления, оптимально выбранная для выполнения заданных целей, в сочетании с комплексом технических средств (измерительных, регулирующих, исполнительных, по сбору и обработке информации всех видов и т.д.), во взаимодействии с объектом управления и человеком (оператором, диспетчером, контролёром, руководителем участка) на основе рационально построенных форм и потоков информации образует автоматизированную систему управления (АСУ).

В современную АСУ входят устройства для первичного формирования, автоматического извлечения и передачи, логической и математической обработки информации, устройства для представления полученных результатов человеку, выработки управляющих воздействий и исполнительные устройства. В ГСП все они группируются по функциональному, информационному и конструктивно-технологическому признакам, образуя на унифицированной элементной базе блочные наборы, из которых составляются необходимые агрегатные комплексы средств автоматизации.

В настоящее время все эти методы имеют место, а также появилось множество других разновидностей и комбинаций, прежде чем определить подходящий для области деятельности электронного предприятия метод следует определиться со средствами автоматизации и её уровнем на предприятии.

До настоящего времени три типичные уровня автоматизации промышленных предприятий АСУ (системы автоматизации управленческой и финансово-хозяйственной деятельности), САПР (системы автоматизированного проектирования) и АСУТП (системы автоматизации технологических и производственных процессов) развивались обособленно и независимо друг от друга. Они проектировались и создавались, исходя из требований разных подразделений предприятия и в соответствии с различными правилами игры, автономно обслуживая разные органы единого организма, которым, по сути, и является предприятие. И, несмотря на то, что здоровое, полноценное функционирование всякого организма требует взаимоувязанной работы всех его частей, изначально они не были подчинены единым целям и задачам, оставались слабо связанными физически и информационно, а чаще не связанными вовсе.

Новые технологии, которые развиваются с потрясающей скоростью, позволяют интегрировать эти уровни в единую систему и получить целый автоматизированный комплекс.

Во-первых, все более отчетливо проявляется логическое и информационное взаимопроникновение различных уровней автоматизации бизнес-уровня (АСУ), уровня проектирования (САПР) и производственно-технологического уровня (АСУТП). Интеграция этих систем позволяет автоматизации стать реальной производительной силой и охватить предприятие в целом, от технологов-операторов до высшего руководства. Предприятие едино и должно функционировать в едином информационном пространстве только в этом случае появляется возможность оптимального и оперативного управления его финансово-хозяйственной и производственной деятельностью (рис. 1).

Рисунок 1. Единое информационное пространство современного предприятия

Во-вторых, идет интенсивное сближение стандартов и технологий сопряжения (интерфейсов) различных аппаратных и программных средств автоматизации, используемых как в рамках одного уровня автоматизации, так и при связи одного уровня с другими. Это позволяет без существенных дополнительных затрат объединять в одну систему оборудование от различных производителей, как приобретенное ранее, так и современное и планируемое к выпуску в будущем.

Внедрение подобных открытых технологий позволит предприятию сохранить уже вложенные и вновь вкладываемые в автоматизацию инвестиции в течение длительного срока.

В-третьих, наблюдается бурное развитие технологий Интернет и их все более глубокое проникновение во все уровни системы автоматизации предприятий. Это открывает принципиально новые возможности для взаимодействия пользователей с автоматизированной системой. С одной стороны, при работе в единой информационной среде пользователь может обходиться без специалиста-посредника между ним и системой автоматизации. С другой стороны, для приема и передачи компьютерной информации пространство и время сжимаются доступ к информации становится такой же простой процедурой, как и звонок по телефону.

И, менеджер по продажам, и руководитель высшего звена, и бухгалтер, и оператор прокатного стана могут самостоятельно, с помощью специально для них разработанных графических инерфейсов, не только запрашивать и принимать необходимую информацию, но и осуществлять все необходимые настройки различных режимов своего информационного обслуживания.

Руководитель без посторонней помощи может установить или изменить последовательность и вид поступления информации на свой компьютер сразу после его включения. Например, сначала из бухгалтерии, затем из отдела сбыта, из участка выходной продукции и т.д.

Новые тенденции развития автоматизации позволяют тем, кто уже создал АСУ, в полном объеме или частично, достаточно просто подключить к ней систему АСУТП. Включить в общий процесс электронного документооборота производственную документацию, такую как технологические карты, карты контроля качества, индивидуальные паспорта на изделия и т.п., получить на самом верху оперативную информацию от всех подразделений предприятия, включая и производственно-технологические.

Те, кто только приступает к серьезной автоматизации, могут, с учетом особенностей своего предприятия, спокойно начать её с технологического уровня, с АСУТП (раньше было принято начинать с АСУ, теперь это совсем не обязательно). Вложенные в эти мероприятия инвестиции не будут потеряны.

Еще одна особенность сегодняшнего дня дальновидные руководители сами пошли навстречу процессам автоматизации и активно участвуют в формулировании требований к ней. В результате опыта работы с системами верхнего уровня они осознают, что информации, существующей на уровне АСУ, явно недостаточно для принятия оптимальных управленческих решений. Серьезный анализ вырождается, когда в него не включены основные технологические процессы, нет информации по надежности, качеству, реальной себестоимости производства единицы продукции. Слой технологических параметров должен обязательно учитываться при выработке управляющих решений, иначе управленцы по-прежнему будут опираться лишь на собственную интуицию и индивидуальный опыт этого мало в условиях глобализации рынка и растущего уровня конкуренции. Сегодня нужно уметь оперативно (конкуренты не дремлют, а клиенты становятся все более требовательными!) просчитывать цену и последствия принимаемых решений.

Поэтому на классический вопрос с чего начинать автоматизацию? отныне можно отвечать однозначно с разработки генерального плана развития информационных технологий предприятия (этот план, вообще говоря, является частью стратегии развития бизнеса в целом с учетом рыночных реалий и перспектив).

Этот генеральный план может быть весьма гибким: когда появляются средства выполняется очередной этап работ. Однако в этом процессе очень важна непрерывность, поэтому для поддержания устойчивого финансирования генплана может быть создан специальный фонд развития информационных технологий. Одной из задач такого фонда должно быть страхование инвестиций предприятия в автоматизацию, они не должны быть потеряны, поэтому их нужно четко планировать (в том числе и в долгосрочной перспективе) и контролировать их расходование.

Страховкой для вложенных средств должно быть оптимальное проектирование будущей системы, исключение непроизводительных затрат при ее реализации. Например, вместо того, чтобы несколько раз в году тянуть кабели для каждой из подсистем отдельно (кстати, весьма дорогостоящее мероприятие), можно использовать один и тот же кабель для единой системы и снять тем самым лет на 5–7 головную боль с постоянными переделками и перестройками.

Еще одно необходимое условие реализуемости такого генплана заключается в том, что в его создании и воплощении должны принимать непосредственное участие первые лица предприятий, особенно на стадии формулирования требований к различным подсистемам единой автоматизированной системы предприятия и при принятии решения по их выбору. До последнего времени, например, для АСУТП эти требования задавались технологами, не знающими досконально сути бизнеса и тенденций его развития и не имеющими поэтому возможности оценить, какая информация и в каком виде должна экспортироваться из АСУТП на верхний уровень. В результате даже уже имеющаяся в электронном виде в АСУТП производственно-технологическая информация чаще всего оставалась невостребованной.

Такая ситуация часто приводила к серьезным моральным и материальным потерям. Так на одном известном предприятии, производящем под заказ изделия сложных форм из легких сплавов, сорвался большой зарубежный контракт на поставку продукции в связи с невозможностью обеспечить индивидуальные технологические паспорта на каждое изделие в отдельности. Для этого была необходима автоматическая информационная связь АСУ верхнего уровня с АСУТП с достоверной фиксацией для каждого изделия типа сырья, режимов плавки и дальнейшей обработки.

Напротив, на одном из мясоперерабатывающих предприятий процесс взвешивания продукции по мере ее обработки был автоматизирован и информация поступала непосредственно на уровень АСУ. Это позволило, во-первых, обнаружить места непроизводственных потерь, а во-вторых, обеспечить эффективное планирование выхода основной и побочной продукции, повысив тем самым прибыль предприятия более чем на 15%.

Какие же основные выводы, как нам кажется, должны сделать уважаемые руководители на пороге нового этапа развития автоматизации.

Будущее за полной и комплексной автоматизацией предприятия в целом как единого организма.

Не надо ждать всеобщей, полной и комплексной автоматизации предприятия завтра, слишком общие подходы обычно долго реализуются и требуют слишком больших затрат, поэтому нужно разрабатывать генеральный план вашей автоматизации с привлечением широкого круга специалистов и при обязательном участии самих заказчиков.

Начинать необходимо уже сегодня, независимо от начальных условий и накопленного опыта:

· работаете ли вы с собственными программами и базами данных;

· используете ли стандартные офисные программные средства (типа MS Access или MS Excel);

· выбрали ли специализированные программы (1С, Бэст, Парус, AutoCAD, CADelectro и т.п.);

· внедрили ли корпоративные информационные системы (BAAN, Renaissance, Галактика и т.п.)

А что касается специалистов в области АСУТП, одим из которых является автор статьи, они снабдят ваши работающие АСУ (или их элементы) живой кровью производственно-технологической информации с учетом конкретных требований и перспектив развития вашего автоматизированного предприятия.

Автоматизация управления, не только электронным предприятием, является не новомодным направлением, в которое стоит вкладывать средства различным фирмам, а необходимое действие, гарантирующее современной компании процветать на своем рынке и получать конкурентные преимущества по сравнению с другими. Автоматизация предназначена главным образом для повышения производительности труда, улучшения качества продукции, оптимизации управления, устранения человека от производства, опасного для здоровья.

При подходе к автоматизация на предприятии следует, за исключением простейших случаев, применять комплексный, системный подход к решению задач, следовательно подключать все предприятие целиком.

Методы автоматизации электронного предприятия также носят, как описано выше системный характер, хоть для простоты и эффективности их внедрения, разбитый на отдельные этапы.

2. Практическое исследование электронного предприятия как системы

 

2.1 Особенности функционирования и архитектуры электронного предприятия


Для начала необходимо разобраться в архитектуре современного электронного предприятия. Организации и структуры основных элементов его информационной системы, имеющих принципиальное значение для функционирования системы в целом.

Проектирование системной архитектуры предполагает разделение системы на наиболее крупные составные части и принятие конструктивных решений, которые после их принятия с трудом поддаются изменению.

Статический срез системной архитектуры на определённый момент времени включает:

· архитектуру приложений – функциональный и компонентный состав информационной системы;

· архитектуру данных – способы взаимодействия систем и хранения данных;

· архитектуру оборудования – используемые технические средства / решения.

Другими аспектами системной архитектуры являются:

· способы и планы миграции от текущего состояния архитектуры к целевому;

· способы передачи реализаций между средами;

· стоимость решения, включая капитальные и операционные расходы.

Всегда существует более одного способа описания архитектуры. Степень важности каждого из этих способов меняется в продолжение жизненного цикла.

В системной архитектуре следует выделять следующие слои:

· Фронт-офис (Front-Office);

· Мидл-офис (Middle-office);

· Бэк-офис (Back-office);

· Учет (Accounting);

· Информационное хранилище (DWH);

· Отчетность (Reporting).

Рассмотрим данные слои в бизнес-архитектуре. Фронт-офис – совокупность бизнес-процессов, процедур, нормативных документов (регламентов), справочников, печатных форм, органанизационно-штатных подразделений, обеспечивающих со стороны предприятия взаимодействие с клиентом (в том числе внутренним):

· получение и ввод для последующей обработки первичных документов,

· печать и предоставление клиенту информации и документов,

· рассылка клиентам информационных сообщений,

· обзвон клиентов,

· прием входящих телефонных звонков клиентов,

· прием запросов и предоставление информации.

Примеры подразделений фронт-офиса:

· Call-центр,

· подразделение операционного обслуживания,

· касса (отдельные бизнес-процессы).

Также под фронт-офис совокупность информационных систем, включая базы данных и справочники, направленных на автоматизацию бизнес-процессов взаимодействия с клиентом (в том числе внутренним):

· получение и ввод для последующей обработки первичных документов,

· печать и предоставление клиенту информации и документов,

· рассылка клиентам информационных сообщений,

· обзвон клиентов,

· прием входящих телефонных звонков клиентов,

· прием запросов и предоставление информации.

Примеры информационных систем фронт-офиса:

· Интернет-банк,

· информационная система Call-центра,

· система управления взаимоотношениями с клиентами (CRM) (большая часть бизнес-процессов).

Бэк-офис в бизнес-архитектуре представлен совокупностью бизнес-процессов, процедур, нормативных документов (регламентов), справочников, печатных форм, организационно-штатных подразделений, реализующих журнальный (регистровый) учет операций, совершенных клиентом.

Как правило, регистровый учет представляет собой журнал операций клиентов, не связан с бухгалтерскими счетами, не является двухсторонним.

Примеры подразделений бэк-офиса:

· подразделение розничного кредитования.

В современной системной архитектуре крупных корпоративных информационных систем данный класс систем представлен недостаточно широко. К данному классу относится большинство систем учета финансов для личного использования.

К понятию мидл-офиса относят бизнес-процессы, процедуры, нормативные документы (регламенты), справочники, печатные формы, органанизационно-штатные подразделения, обеспечивающие подготовку и принятие решений.

Примеры подразделений мидл-офиса:

·   подразделение проверки заемщиков в службе безопасности,

·   подразделение управления рисками.

Также отдельно выделяют информационные подразделения в структуре предприятия, которые действуют по вышеописанному принципу, данные систему играют образующую роль на предприятии примерами подобных систем могут служить:

· система ведения позиционного учета,

· система проверки заемщика в бюро кредитных историй,

· система расчета скорингового балла по кредитной заявке.

Учёт в бизнес-архитектуре одно из важных направлений в рамках автоматизации процессов, так как изначально при появлении компьютеров первая их функция это как раз ускорение расчетов. Учет состоит из следующих ключевых категорий: бизнес-процессы, процедуры, нормативные документы (регламенты), справочники, печатные формы, органанизационно-штатные подразделения, бизнес-процессы, реализующие ведение бухгалтерского учета и отчетности по РПБУ и Международным Стандартам Финансовой Отчетности, ведение баланса предприятия.

На данном уровне часто реализован также налоговый учет. Формирование проводок бухгалтерского учета происходит на основании журнала операций бэк-офиса путем разнесения операций в соответствии со справочником контировок.

Примеры учетных подразделений является всем известная бухгалтерия.

Совокупность информационных систем, включая базы данных и справочники, реализующих ведение бухгалтерского учета и отчетности по РПБУ и МСФО, ведение баланса предприятия.

Информационное хранилище на современном предприятии это прежде всего интеллектуальная составляющая, которая представляет собой совокупность информационных систем, включая баз данных и справочников, реализующих функциональность по описанию метаданных, по сбору, очистке, обогащению, консолидации первичной информации из транзакционных систем, а также по построению витрин данных.

По хранилищам данных обычно собирается следующая информация: среднее количество записей в каждом хранилище данных, количество чтений, добавлений, изменений и удалений записей по каждому из процессов, включающих перечисленные действия. Проектировщик баз данных может использовать эту статистику для нескольких целей – например, решить вопрос, какой ключ считать первичным, сортировать ли хранилище и по какому ключу, решить, нужно ли завести дополнительную таблицу с целью обеспечения скорости доступа и т.д. Более того, к этой информации потребуется обратиться и при выборе подходящей СУБД, которая сможет обеспечить необходимую частоту и / или гибкость доступа к данным

Отчётность представлена совокупностью информационных систем, включая базы данных и справочники, автоматизирующих построение отчётности на основе данных из информационного хранилища.

Примеры систем отчётности:

·   система управленческой отчётности,

·   система аналитической отчётности,

·   система ключевых показателей эффективности подразделений предприятия,

·   система формирования показателей для расчёта скорингового балла по кредитной заявке.

Все это является неотъемлемой частью современного предприятия, которое перешло в новую по отношению к предприятиям XX века. Оно стало электронным, или как говорит Бил Гейтс: «Перешло на электронные рельсы».

Вот это и есть самое главное изменение в деловой окружающей среде – сама природа организации и управления. Появились новые возможности для в данном направлении. Некоторые фирмы начали пользоваться преимуществом этих новых возможностей.

Традиционная деловая фирма была и все еще является иерархическим, централизованным, структурным построением специалистов, что естественно при установленном наборе стандартной эксплуатационной техники, чтобы производить серийно изделие (или обслуживание). Новый стиль деловой фирмы сглажен (менее иерархический), децентрализован, имеется гибкое распределение управляющих, которые полагаются на почти мгновенную информацию, чтобы поставлять массовые изделия и услуги, однозначно подходящие для определенных рынков или клиентов. Этот новый стиль организации еще нетвердо укрепился – он все еще развивается. Однако направление ясно, и это новое направление было бы невозможным без информационных технологий.

Традиционная группа управления действовала и все еще работает на формальных планах, твердом разделении труда, формальных правилах и поддерживает порядок, чтобы гарантировать обычное функционирование фирмы. Новый менеджер ориентирован на неформальные обязательства и сети, чтобы установить цели (вместо формального планирования), гибкое расположение групп и личностей, образующих целевые команды, ориентацию на клиента, чтобы достигнуть координации среди служащих, и обращение к профессионализму и знанию, чтобы гарантировать непрерывное развитие фирмы. Именно информационные технологии, делают возможным этот стиль управления.

Информационные технологии вызывают изменения в организации, которые делают фирму даже более зависимой, чем в прошлом, от знания, изучения и принятия решений индивидуально служащими.

 

2.2 Архитектура современных систем и методологии


В центре любой методологии находится некоторая системная архитектура, и лишь затем совокупность стратегий и методов анализа и проектирования. Архитектура современных систем является трехслойной (рис. 2) и имеет следующие характеристики:

·   четко определенные слои

·   формальные и явные интерфейсы между слоями

·   скрытые и защищенные детали внутри каждого слоя.

ПОЛЬЗОВАТЕЛЬ

ДОКУМЕНТЫ

ПРАВИЛА БИЗНЕСА

ДАЗА БАННЫХ

ОПЕРАЦИОННАЯ СИСТЕМА

Рисунок 2. Архитектура современных систем

Три слоя (база данных, правила бизнеса, документы) отражают возрастание уровня абстракции в рассматриваемой системной архитектуре. Наиболее детальным слоем является база данных, более высокий уровень абстракции – слой правил бизнеса, наивысший уровень абстракции – слой документов. В данной архитектуре слой правил бизнеса является относительно новой концепцией, соответствующей функциям руководителей среднего звена. Процессы данного слоя отражают:

·   выполнение требуемых задач

·   принятие решений в соответствующей компетенции

·   запуск других задач в слое правил бизнеса и других слоях.

Независимость слоев трехслойной системной архитектуры обеспечивает следующие основные преимущества:

·   улучшение базы данных – отделение базы данных от изменений в технологиях, а следовательно, поддержка согласованности и осмысленности данных в течении длительного периода времени;

·   гибкость интерфейсов пользователя – изменение интерфейсов без влияния на бизнес-процессы и наоборот;

·   разделение усилий коллектива разработчиков.

Трехслойная архитектура (а именно, выделение слоя бизнес-правил) требует модификации существующих методологий, в первую очередь, информационно-ориентированных методологий и методологий, ориентированных на данные. Такие методологии имеют следующие две характеристики, нуждающиеся в изменении:

·   информационная модель (и база данных) рассматриваются как центральные понятия при анализе и проектировании;

·   функциональная модель (а следовательно, и правила бизнеса) является некоторым дополнением к информационной модели.

Согласно такому подходу, информационная модель является первичной, занимает центральное место и регламентирует весь процесс анализа и проектирования, что приводит к следующим ограничениям:

·   построенная на ее основе функциональная модель либо является слабо связанной с информационной моделью, либо неадекватно отражает существующие бизнес-процессы и правила;

·   сама по себе информационная модель является недостаточной (хотя и важной) для решения задач консалтинга;

·   информационная модель плохо понимаема неспециалистами, поэтому попытки вовлечь руководство в разработку обречены на неудачу.

С другой стороны, руководство прекрасно ориентируется в технологиях и бизнес-процессах предприятия. Более того, функциональные модели (например, на базе диаграмм потоков данных) интуитивно понимаемы неспециалистами.

Таким образом, в центре современного проекта лежат две вещи – база данных и бизнес-процесс. При этом основным центром является бизнес-процесс, база данных – менее важный из двух центров, т.е. процесс становится первичным и во многом определяет весь проект. Модель процесса является ценным средством для размышлений и совместной работы над перспективами развития предприятия и системной разработкой. Тем не менее информационная модель продолжает оставаться важной и соответствующим образом влиять на разрабатываемую функциональную модель.

В таблице 1 представлена трехслойная системная архитектура в разрезе регламентируемых методологией этапов разработки (анализ требований, проектирование, реализация).

Таблица 1. Системная архитектура

Слои

Анализ

Проектирование

Реализация

Документы

Поток работ

Поток форм

Формы

Правила бизнеса

Поток процессов

Модель компонентов

Программы

База данных

Модель данных

Схема базы данных

Таблицы и т.п.

Анализ требований. В слое документа рассматриваются обобщенные потоки между подразделениями и конкретными сотрудниками предприятия без подробного описания каких-либо учетных форм и интерфейсов. На уровне правил бизнеса рассматриваются детальные модели требований. На уровне базы данных строится концептуальная модель, увязанная с функциональной моделью требований на уровне укрупненных подсхем будущей информационной модели.

Проектирование. На уровне документа макетируются последовательности форм. На уровне бизнес-правил осуществляется детальное проектирование будущих рабочих мест с привязкой к конкретным сущностям информационной модели. На уровне базы данных концептуальная модель преобразуется в диаграмму «сущность-связь».

Реализация. На данном этапе проект преобразуется в систему.

В следующей главе рассматривается методология выполнения консалтинговых проектов, адаптированная для трехзвенной архитектуры прежде всего за счет ее ориентации на первичность правил бизнеса.

Спецификация процесса (СП) используется для описания функционирования процесса в случае отсутствия необходимости детализировать его с помощью DFD (т.е. если он достаточно невелик, и его описание может занимать до одной страницы текста). Фактически СП представляют собой алгоритмы описания задач, выполняемых процессами: множество всех СП является полной спецификацией системы. СП содержат номер и / или имя процесса, списки входных и выходных данных и тело (описание) процесса, являющееся спецификацией алгоритма или операции, трансформирующей входные потоки данных в выходные. Известно большое число разнообразных методов, позволяющих задать тело процесса, соответствующий язык может варьироваться от структурированного естественного языка или псевдокода до визуальных языков проектирования (типа FLOW-форм и диаграмм Насси-Шнейдермана) и формальных компьютерных языков.

Независимо от используемой нотации спецификация процесса должна начинаться с ключевого слова (например, @СПЕЦПРОЦ). Требуемые входные и выходные данные должны быть специфицированы следующим образом:

@ВХОД = <имя символа данных>

@ВЫХОД = <имя символа данных>

@ВХОДВЫХОД = <имя символа данных>,

где <имя символа данных> – соответствующее имя из словаря данных.

Эти ключевые слова должны использоваться перед определением СП, например,

@ВХОД = СЛОВА ПАМЯТИ

@ВЫХОД = ХРАНИМЫЕ ЗНАЧЕНИЯ

@СПЕЦПРОЦ

Для всех СЛОВ ПАМЯТИ выполнить:

Распечатать ХРАНИМЫЕ ЗНАЧЕНИЯ

@

Ситуация, когда символ данных является одновременно входным и выходным, может быть описана двумя способами: либо символ описывается два раза с помощью @ВХОД и @ВЫХОД, либо один раз с помощью @ВХОДВЫХОД.

Иногда в СП задаются пред- и пост-условия выполнения данного процесса. В пред-условии записываются объекты, значения которых должны быть истинны перед началом выполнения процесса, что обеспечивает определенные гарантии безопасности для пользователя. Аналогично, в случае наличия пост-условия гарантируется, что значения всех входящих в него объектов будут истинны при завершении процесса.

Спецификации должны удовлетворять следующим требованиям:

·   для каждого процесса нижнего уровня должна существовать одна и только одна спецификация;

·   спецификация должна определять способ преобразования входных потоков в выходные;

·   нет необходимости (на данном этапе) определять метод реализации этого преобразования;

·   спецификация должна стремиться к ограничению избыточности – не следует переопределять то, что уже было определено на диаграмме или в словаре данных;

·   набор конструкций для построения спецификации должен быть простым и стандартным.

Ниже рассматриваются некоторые наиболее часто используемые методы задания спецификаций процессов.

Структурированный естественный язык применяется для читабельного, строгого описания спецификаций процессов. Он является разумной комбинацией строгости языка программирования и читабельности естественного языка и состоит из подмножества слов, организованных в определенные логические структуры, арифметических выражений и диаграмм.

В состав языка входят следующие основные символы:

·   глаголы, ориентированные на действие и применяемые к объектам;

·   термины, определенные на любой стадии проекта ПО (например, задачи, процедуры, символы данных и т.п.);

·   предлоги и союзы, используемые в логических отношениях;

·   общеупотребительные математические, физические и технические термины;

·   арифметические уравнения;

·   таблицы, диаграммы, графы и т.п.;

·   комментарии.

Управляющие структуры языка имеют один вход и один выход. К ним относятся:

1) последовательная конструкция:

ВЫПОЛНИТЬ функция 1

ВЫПОЛНИТЬ функция 2

ВЫПОЛНИТЬ функция 3

2) конструкция выбора:

ЕСЛИ <условие> ТО

ВЫПОЛНИТЬ функция 1

ИНАЧЕ

ВЫПОЛНИТЬ функция 2

КОНЕЦЕСЛИ

3) итерация:

ДЛЯ <условие>

ВЫПОЛНИТЬ функция

КОНЕЦДЛЯ

Или

ПОКА <условие>

ВЫПОЛНИТЬ функция

КОНЕЦПОКА

При использовании структурированного естественного языка приняты следующие соглашения:

1. Логика процесса выражается в виде комбинации последовательных конструкций, конструкций выбора и итераций.

2. Ключевые слова ЕСЛИ, ВЫПОЛНИТЬ, ИНАЧЕ и т.д. должны быть написаны заглавными буквами.

3. Слова или фразы, определенные в словаре данных, должны быть написаны заглавными буквами.

4. Глаголы должны быть активными, недвусмысленными и ориентированными на целевое действие (заполнить, вычислить, извлечь, а не модернизировать, обработать).

5. Логика процесса должна быть выражена четко и недвусмысленно.

@ВХОД = ВВЕДЕННЫЙ ПАРОЛЬ

@ВХОД = ПАРОЛЬ

@ВЫХОД = СООБЩЕНИЕ

@ВЫХОД = КОРРЕКТНЫЙ ПАРОЛЬ

@СПЕЦПРОЦ 1.1 ПОЛУЧИТЬ ПАРОЛЬ

ВЫПОЛНИТЬ выдать СООБЩЕНИЕ клиенту,

запрашивающее ввод пароля

принять ВВЕДЕННЫЙ ПАРОЛЬ

ДОТЕХПОРПОКА ВВЕДЕННЫЙ ПАРОЛЬ = ПАРОЛЬ

или были сделаны три попытки ввода

КОНЕЦВЫПОЛНИТЬ

ВЫПОЛНИТЬ установить флаг КОРРЕКТНЫЙ

ПАРОЛЬ в случае равенства

@ КОНЕЦ СПЕЦИФИКАЦИИ ПРОЦЕССА 1.1

Структурированный естественный язык неприемлем для некоторых типов преобразований. Например, если действие зависит от нескольких переменных, которые в совокупности могут продуцировать большое число комбинаций, то его описание будет слишком запутанным и с большим числом уровней вложенности. Для описания подобных действий традиционно используются таблицы и деревья решений.

Проектирование спецификаций процессов с помощью таблиц решений (ТР) заключается в задании матрицы, отображающей множество входных условий в множество действий.

ТР состоит из двух частей. Верхняя часть таблицы используется для определения условий. Обычно условие является ЕСЛИ-частью оператора ЕСЛИ-ТО и требует ответа «да-нет». Однако иногда в условии может присутствовать и ограниченное множество значений, например, ЯВЛЯЕТСЯ ЛИ ДЛИНА СТРОКИ БОЛЬШЕЙ, МЕНЬШЕЙ ИЛИ РАВНОЙ ГРАНИЧНОМУ ЗНАЧЕНИЮ?

Нижняя часть ТР используется для определения действий, т.е. ТО-части оператора ЕСЛИ-ТО. Так, в конструкции

ЕСЛИ ИДЕТ ДОЖДЬ ТО РАСКРЫТЬ ЗОНТ

ИДЕТ ДОЖДЬ является условием, а РАСКРЫТЬ ЗОНТ – действием.

Левая часть ТР содержит собственно описание условий и действий, а в правой части перечисляются все возможные комбинации условий и, соответственно, указывается, какие конкретно действия и в какой последовательности выполняются, когда определенная комбинация условий имеет место.

Поясним вышесказанное на примере спецификации процесса выбора символов из входного потока. При выборе символов необходимо руководствоваться следующими правилами:

1) если очередной символ является управляющим, то подать звуковой сигнал и вернуть код ошибки;

2) если буфер формируемой строки заполнен, то подать звуковой сигнал и вернуть код ошибки;

3) если очередной символ не находится в заданном диапазоне, то подать звуковой сигнал и вернуть код ошибки;

4) иначе поместить символ в буфер, увеличить значение счетчика выбранных символов и вернуть новое значение счетчика.

Таблица решений для данного примера выглядит следующим образом (таблица 2):

Таблица 2. Таблица решений по условиям


УСЛОВИЯ

1

2

3

4

5

6

7

8

C1

Д

Д

Д

Д

Н

Н

Н

Н

C2

I > max_lenght

Д

Д

Н

Н

Д

Д

Н

Н

C3

out_of_range(c)

Д

Н

Д

Н

Д

Н

Д

Н


ДЕЙСТВИЯ









D1

beep()

1

1

1

1

1

1

1


D2

return(ERROR)

2

2

2

2

2

2

2


D3

return(++i)








2

D4

putchar(c)








1


Заметим, что если выполняется условие C1, то нет необходимости в проверке условий C2 и C3. Поэтому комбинации условий 1, 2, 3, 4 могут быть заменены обобщающей комбинацией (Д,-,–), где «–» означает любую из возможных альтернатив (в данном случае, Д или Н). Аналогично, комбинации условий 5 и 6 могут быть заменены обобщающей комбинацией (Н, Д,–). Редуцированная таким образом таблица решений будет иметь следующий вид (таблица 3):

Таблица 3. Редуцированная таблица


УСЛОВИЯ

1

2

3

4

C1

isctrl(c)

Д

Н

Н

Н

C2

I > max_lenght

-

Д

Н

Н

C3

out_of_range(c)

-

-

Д

Н


ДЕЙСТВИЯ





D1

beep()

1

1

1


D2

return(ERROR)

2

2

2


D3

return(++i)




2

D4

putchar(c)




1


Отметим, что на основе таблицы решений легко осуществляется автоматическая кодогенерация. Для вышеприведенного примера соответствующий код может выглядеть следующим образом:

IF (isctrl(c)) {beep(); return(ERROR)}

ELSE {

IF (i>max_length) {beep(); return(ERROR)}

ELSE {

IF (out_of_range(c)) {beep(); return(ERROR)}

ELSE {putchar(c); return(++i)}

}

}

Построение ТР рекомендуется осуществлять по следующим шагам:

1. Идентифицировать все условия (или переменные) в спецификации. Идентифицировать все значения, которые каждая переменная может иметь.

2. Вычислить число комбинаций условий. Если все условия являются бинарными, то существует 2**N комбинаций N переменных.

3. Идентифицировать каждое из возможных действий, которые могут вызываться в спецификации.

4. Построить пустую таблицу, включающую все возможные условия и действия, а также номера комбинаций условий.

5. Выписать и занести в таблицу все возможные комбинации условий.

6. Редуцировать комбинации условий.

7. Проверить каждую комбинацию условий и идентифицировать соответствующие выполняемые действия.

8. Выделить комбинации условий, для которых спецификация не указывает список выполняемых действий.

9. Обсудить построенную таблицу.

Вариантом таблицы решений является дерево решений (ДР), позволяющее взглянуть на процесс условного выбора с позиции схемы. Дерево решений для вышерассмотренного примера приведено на рис. 3

Рисунок 3. Дерево решений

Обычно ДР используется при малом числе действий и когда не все комбинации условий возможны, а ТР – при большом числе действий и когда возможно большинство комбинаций условий.

Визуальные языки проектирования являются относительно новой, оригинальной методикой разработки спецификаций процесса. Они базируются на основных идеях структурного программирования и позволяют определять потоки управления с помощью специальных иерархически организованных схем.

Одним из наиболее известных подходов к визуальному проектированию спецификаций является подход с использованием FLOW-форм. Каждый символ FLOW-формы имеет вид прямоугольника и может быть вписан в любой внутренний прямоугольник любого другого символа. Символы помечаются с помощью предложений на естественном языке или с использованием математической нотации.

Символы FLOW-форм приведены на рис. 4. Каждый символ является блоком обработки. Каждый прямоугольник внутри любого символа также представляет собой блок обработки.

Рисунок 4. Символы FLOW-форм

На рис 5 приведен пример использования данного подхода при проектировании спецификации процесса, обеспечивающего упорядочивание определенным образом элементов массива и являющегося фрагментом алгоритма сортировки методом «поплавка».

Рисунок 5. Пример FLOW-формы

Рисунок 6. Диаграмма Насси-Шнейдермана

Дальнейшее развитие FLOW-формы получили в диаграммах Насси-Шнейдермана. На этих диаграммах символы последовательной обработки и цикла изображаются также, как и соответствующие символы FLOW-форм. В символах условного выбора и case-выбора собственно условие располагается в верхнем треугольнике, выбираемые варианты – на нижних сторонах треугольника, а блоки обработки – под выбираемыми вариантами. Диаграмма Насси-Шнейдермана для вышеприведенного примера изображена на рис. 6.

Спектр методов задания спецификаций процессов в соответствии с увеличением трудности их проектирования приведен на рис 7. Наиболее трудным методом задания СП являются языки программирования (C, COBOL, FORTRAN и др.). Сложность заключается в том, что языки программирования концентрируют внимание на деталях реализации, а потоки данных в DFD представляются абстрактно (их фактическая композиция определяется в словаре данных). Поэтому сложность – не в написании СП, а в их синхронизации и согласовании с DFD, поскольку при редактировании DFD, вообще говоря, должны корректироваться и спецификации процессов.

Текстовое описание

Структурированный
естественный язык

таблица решений

дерево решений

Визуальный
язык

язык
программирования

Рисунок 7. Спектр методов задания спецификаций процессов

Перечислим некоторые положительные и отрицательные стороны рассмотренных методов задания СП.

Структурированный естественный язык применяется в случаях, когда детали СП известны не полностью. Он обеспечивает быстрое проектирование СП, прост в использовании, легко понимаем проектировщиками и программистами, а также конечным пользователем. К его недостаткам относятся отсутствие процедурных возможностей и неспособность к автоматической кодогенерации из-за наличия неоднозначностей.

Таблицы и деревья решений позволяют управлять сложными комбинациями условий и действий, обеспечивают визуальное (табличное и графическое, соответственно) представление СП и легко понимаемы конечным пользователем. Кроме этого, таблицы решений позволяют легко идентифицировать несущественности и бреши в СП. Главным недостатком методов является отсутствие процедурных возможностей.

Визуальные языки проектирования поддерживаются автоматической кодогенерацией, позволяют осуществлять декомпозицию СП. Их недостаток – трудность модификации СП при изменении деталей.

Приведем спецификации процессов пример банковской задачи с использованием структурированного естественного языка.

@Вход = Лимит Денег

@Вход = Запрос На Обслуживание

@Выход = Денежная Сумма

@Выход = Сообщение

@Выход = Требуемое Обслуживание

@Спецпроц 1.2 Получить Запрос На Обслуживание

Выполнить Выдать Сообщение Клиенту По Вводу Запроса На Обслуживание

Принять Запрос На Обслуживание

Обновить Данные Требуемое Обслуживание (А Именно,

Запрос Документации, Запрос Денег,

Запрос Баланса, Запрос На Операцию)

Если Был Сделан Запрос Денег

То Выполнить Запросить Денежную Сумму

Выдать Требуемую Денежную Сумму С Учетом Того,

Что Она Не Должно Превышать Лимит Денег

Конецесли

Дотехпорпока Запрашивается Продолжение Обслуживания

Или Не Все Обслуживание Было Выполнено

Конецвыполнить

@ Конец Спецификации Процесса

Подводя итог второй главы можно констатировать факт о широком выборе средств для проведения автоматизации на предприятии. Также остается неизменной важность выбора платформы реализации системной архитектуры.

Независимость слоев трехслойной системной архитектуры обеспечивает следующие основные преимущества:

·   улучшение базы данных – отделение базы данных от изменений в технологиях, а следовательно, поддержка согласованности и осмысленности данных в течении длительного периода времени;

·   гибкость интерфейсов пользователя – изменение интерфейсов без влияния на бизнес-процессы и наоборот;

·   разделение усилий коллектива разработчиков.

При автоматизации информационная модель (и база данных) рассматриваются как центральные понятия при анализе и проектировании;

функциональная модель (а следовательно, и правила бизнеса) является некоторым дополнением к информационной модели.

Таким образом, в центре современного проекта лежат две вещи – база данных и бизнес-процесс.


3. Экономическое обоснование необходимости автоматизации электронного предприятия

 

3.1 Оценка методов деятельности электронного предприятия


Среди большого числа методов оценки деятельности предприятий наибольшее распространение (по крайней мере в отечественных консалтинговых проектах) получили следующие два:

·   метод динамического функционального анализа на основе сетей Петри различного вида;

·   метод функционально-стоимостного анализа ABC.

Каждый из этих методов (и соответствующих поддерживающих инструментальных средств) регламентирует следующие основные этапы выполнения оценок:

· построение статической функциональной модели (с использованием SADT или DFD-нотации);

· расширение статической модели соответственно поведенческими или стоимостными характеристиками ее объектов;

· сбор и ввод в модель необходимой фактической информации;

· «исполнение» модели и получение соответствующих оценок.

· Динамическое моделирование с использованием сетей Петри.

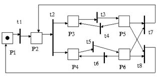
Сеть Петри представляет собой ориентированный граф с вершинами двух типов (позициями и переходами), в котором дугами могут соединяться только вершины различных типов. В позиции сети помещаются специальные маркеры («фишки»), перемещение которых и отображает динамику моделируемой системы. Изменение маркировки (движение маркеров) происходит в результате выполнения (срабатывания) перехода на основе соответствующего внешнего события. Точнее, переход срабатывает, если во всех его входных позициях имеются маркеры и происходит соответствующее переходу событие. При этом из каждой входной позиции срабатываемого перехода маркер удаляется, а в каждую выходную позицию – заносится.

#

Рисунок 8. Пример сети Петри

На рис. 8 приведен пример сети Петри с позициями P1-P6 и переходами t1-t8. Единственный маркер находится в позиции P1, все остальные позиции пусты. При срабатывании перехода t1 маркер переносится из позиции P1 в позицию P2, при срабатывании перехода t2 маркер переносится из позиции P2 в позиции P3 и P4 и т.д.

Фактически сеть Петри декомпозирует систему на активные (переходы) и пассивные (позиции – хранилища маркеров) элементы. Следует отметить, что рассмотренные ранее диаграммы переходов состояний являются вырожденными сетями Петри, а именно, сетями с одним типом вершин (переходами).

На практике обычно применяются более сложные и развитые сети Петри. Модификации, как правило, касаются следующих трех моментов:

· введение иерархии (иерархические сети Петри);

· определение различий в маркерах, каждый из которых имеет свои уникальные характеристики (цветные / раскрашенные сети Петри);

· введение многоместных (содержащих несколько маркеров) позиций, как последовательных, так и параллельных (сети Петри с многоместными позициями).

Последнее вносит в работу сети специфику, характеризуемую правилами срабатывания переходов. Последовательная позиция соответствует дисциплине FIFO (first in – first out): входящий маркер ставится в конец очереди, выходящий берется из ее начала. Поэтому срабатывание перехода обуславливается характеристиками начального маркера – если эти характеристики являются неблагоприятными, то переход блокируется и функционирование сети прекращается. Из параллельной позиции может выйти любой из находящихся в ней маркеров, удовлетворяющий условию срабатывания перехода (при этом для избежания конфликтов маркерам присваиваются приоритеты).

В консалтинговых проектах динамическое моделирование с использованием сетей Петри осуществляется на основании статической функциональной и частично информационной моделей. Соответствующие инструментальные средства (например, Design/CPN для SADT и CPN-AMI, INCOME для DFD) осуществляют автоматическое преобразование функциональных моделей в прообразы сетей Петри, которые затем дорабатываются вручную. Такое преобразование базируется на том, что маркер моделирует порцию потока данных, а позиция – накопление и хранение таких порций. Каждая из диаграмм функциональной модели трансформируется в соответствующую компоненту (подсеть) иерархической сети Петри. При этом процессы и потоки DFD-диаграммы (активности и потоки SADT-диаграммы) отображаются, соответственно, переходами и позициями. Хранилища данных и внешние сущности также преобразуются в позиции для каждого входящего / исходящего потока (при этом для внешних сущностей маркируются позиции, соответствующие исходящим из них потокам). На основе информационной модели определяются правила срабатывания переходов в зависимости от значений, которые принимают атрибуты используемых сущностей.

·   С использованием динамической модели подобного типа можно описать и проанализировать:

·   механизмы взаимодействия процессов (последовательность, параллелизм, альтернатива)

·   временные отношения между выполнениями процессов (одновременность, наложение, поглощение, одинаковое время запуска / завершения и т.п.);

·   абсолютные времена (длительность процесса, время запуска, зависимости от времени выполнения процесса и др.);

·   управление исключительными ситуациями, определяемое нарушениями.

Построенные динамические модели позволяют осуществлять следующие операции:

·   статический анализ системы (компоненты сети, иерархия сети, соответствие типов);

·   динамический анализ системы для конкретного маркирования сети;

·   имитационное моделирование системы с построением графиков движения маркеров относительно позиций сети в системном времени, определяемом моментами срабатывания переходов, и в реальном времени путем задания для переходов задержек времени, отображающих продолжительность реальных операций.

ABC – метод функционально-стоимостного анализа

ABC (Activity Based Costing) – метод определения стоимости и других характеристик товаров и услуг на базе функций и ресурсов, задействованных во всех деятельностях предприятия (производстве, маркетинге, обслуживании клиентов, оказании услуг, технической поддержке и т.п.). Он был разработан как «операционно-ориентированная» альтернатива традиционным подходам, основанным на использовании прямых затрат труда и материалов как основы для вычисления накладных расходов. ABC-метод рассматривает деятельность предприятия как множество последовательно выполняемых процессов / функций (в том числе и косвенных, вносящих большой вклад в формирование стоимости), распределяя при этом накладные расходы в соответствии с детальными расчетами использования ресурсов, подробными моделями процессов и их влиянием на себестоимость.

Определение стоимости производится в два этапа:

· определение затрат на выполнение функций на основе необходимых для этого ресурсов, включающих прямые затраты материалов и труда, косвенные затраты труда и накладные расходы

· определение затрат на стоимостные объекты (товары, услуги, обслуживание клиентов) на основе используемых ими функций.

· Фактически ABC-модель содержит три взаимоувязанных модуля:

· модуль ресурсов, моделирующий все необходимые для деятельности предприятия ресурсы в денежном выражении – затраты на аренду помещений, оборудование, оплату труда, сырье и материалы и т.п.

· модуль функций, составляющих в совокупности деятельность предприятия (представляющий собой иерархическую функциональную модель предприятия, обеспечивающую как представление обобщенной картины его деятельности, так и доступ к детализированным процессам нижних уровней)

· модуль стоимостных объектов, моделирующий результаты деятельности предприятия, на которые в конечном счете и расходуются средства.

Разработка ABC-модели включает следующие этапы:

·   выявление требуемых ресурсов

·   выявление стоимостных объектов

·   определение функций

·   определение факторов ресурсов – показателей, применяемых для установления взаимосвязей между модулями ресурсов и функций

·   определение стоимости функций

·   отбор функциональных факторов – показателей, применяемых для установления взаимосвязей между модулями функций и стоимостных объектов.

Задача определения функций заключается в построении функциональной модели деятельности предприятия и решается с использованием методов структурного системного анализа, поддерживающих иерархии SADT или DFD-диаграмм.

На следующем этапе осуществляется связывание модулей ресурсов и функций за счет присваивания каждой функции факторов ресурсов, характеризующих потребление ресурсов функцией. Например, потребление функцией Ремонт ресурса Затраты на аренду помещения может определяться на основе фактора ресурсов Занимаемая площадь, значение которого представляет собой размер площади, занимаемой под ремонтные мастерские.

Вычисление итоговой стоимости функций целесообразно осуществлять путем восходящего суммирования: сначала необходимо определить стоимость выполнения элементарных функций на нижнем уровне иерархии, а затем последовательно суммировать стоимость выполнения функций снизу вверх по всем уровням модели.

Целью следующего этапа является выбор функциональных факторов, определяющих стоимость товаров и услуг. При этом значение каждого функционального фактора должно определть долю стоимости данной функции в каждом стоимостном объекте. Например, стоимость функции Тиражирование рекламных материалов распределяется по стоимостным объектам (рекламируемым товарам) пропорционально количеству страниц в этих материалах.

После построения ABC-модели необходимо ввести конкретные числовые значения, характеризующие величины выбранных параметров (значения затрат, ресурсов и факторов), после этого ее можно использовать для анализа и принятия решений.

Следует отметить, что ABC-модель лишь обеспечивает получение важной для бизнес-процесса информации, содержащей стоимостную картину деятельности и характеризующей ее эффективность и прибыльность товаров и услуг. Для дальнейшего ее анализа и основанного на нем управления предприятием применяется методика ABM (Activity Based Management), регламентирующая средства и способы управления с целью совершенствования бизнес-процессов и повышения прибыльности. Фактически ABM представляет собой комплекс методов анализа ABC-модели для реорганизации бизнес-процессов с целью повышения производительности, снижения стоимости и улучшения качества:

· стратегический анализ, облегчающий выбор наилучшей стратегии и определение наиболее прибыльного пути достижения стратегических целей (включая ценообразование, определение ассортимента товаров и услуг, анализ прибыльности клиентов, изучение конкурентов, определение компромисса между производством деталей и получением их от поставщика);

· стоимостной анализ, облегчающий поиск возможностей снижения стоимости, а также обеспечивающий прогнозирование результатов модификаций и моделирование последствий конкретного решения;

· определение целевой стоимости, помогающее планировать выпуск товаров и оказание услуг с заданной стоимостью;

· исчисление стоимости исходя из жизненного цикла, определяющее совокупные затраты на выпуск товара для облегчения оценки его стоимости и прибыльности (при планировании на период такая оценки не может быть сделана).

 

3.2 Эффективность методов автоматизации


При проведении оценок СУ могут применяться несколько разновидностей рейтинговых методов.

1. При проведении опенок в абсолютной форме:

а) суммарный, предусматривающий приписывание определенного количества баллов (оценку) каждому из избранных параметров рейтинга и их суммирование. На основе полученной суммы дается окончательная оценка системы с последующей проверкой на соответствие отдельной интегрированной оценки;

б) среднеарифметический, основанный на определении среднеарифметического значения рейтинга по каждому из его параметров. Окончательная оценка системы осуществляется по получаемому среднеарифметическому значению (результат оценки должен сходиться с суммарным) с такой же проверкой на соответствие, что и в предыдущем методе;

в) суммарно-дифференцированный по группам показателей системы УК, включающий рейтинговые оценки по каждой из групп (организация общесистемного состояния системы УК, производственной подсистемы системы УК и др.). Окончательный вывод должен быть сделан по результатам дифференцированной оценки каждой из групп в отдельности и всей системы в целом (на основе суммарного или среднеарифметического подхода);

г) среднеарифметически-дифферецированный, представляющий то же, что и предыдущий (только оценки по группам и в целом по системе даются на основе среднеарифметических значений);

д) средневзвешенный, основанный на определении для каждого из параметров рейтинга, помимо приписывания баллов, коэффициентов весомости, то есть этот метод аналогичен комплексному методу оценки качества продукции (без проведения сравнительной оценки). При невозможности дать объективную оценку следует для каждой из групп параметров рейтинга определять свой групповой интегрированный рейтинг и на их основе – общий для системы в целом интегрированный рейтинг. В рамках каждой из групп коэффициенты целесообразно нормировать (сумма их значений должна быть равна 1). То же следует сделать для групповых коэффициентов весомости всей системы в целом. При этом для последнего случая формула определении интегрированного рейтинга в абсолютной форме СУ будет иметь следующий вид формула 1:

,                                    (1)

где Г – число групп параметров рейтинга СУ (по рекомендациям в данной работе их 5);

Bj – коэффициент весомости j-ой группы;

Стоит отметить, что в итоге:

                                                                                                                   (2)

Pгр. j – интегрированный рейтинг j-й группы;

Hj – число параметров рейтинга в j-й группе;

Рi – численное значение рейтинга i-го параметра j-й группы;

Вji – коэффициент весомости i-го параметрами группы.

Или можно провести расчеты по формуле 3

.                                                                        (3)

2. При проведении рейтинговых оценок в сравнительной форме можно использовать основные принципиальные положения тех же методов, что и при определении уровня качества продукции. При этом окончательную интегрированную оценку в случае применения средневзвешенных оценок рейтинга СУ более обоснованно определять по предыдущей формуле 4:

                                   (4)

или

,                                                                         (5)

где Кгр.j – относительный (сравнительный) интегрированный рейтинг j-й группы параметров СУ;

kji – относительный рейтинг i-го параметра j-й группы.

Формулирование результатов оценки во многом зависит от ее цели. Однако в ряде случаев их следует представлять в виде различного рода градаций. Например, качество продукции может быть оценено по «правилу семерки» (очень высокое, высокое, выше среднего, среднее, ниже среднего, низкое, очень низкое), по пятибалльной системе (отличное, хорошее, удовлетворительное, плохое, очень плохое) или по трехбалльной системе (хорошее, удовлетворительное, плохое).

Практика использования рассмотренных методов показывает, что параметры весомости каждого из показателей играют исключительно большую роль в оценке и оказывают существенное влияние на конечный результат расчета.

Среди основных методов определения параметров весомости необходимо отметить следующие: стоимостных регрессионных зависимостей (стоимостной); предельных и номинальных значений; эквивалентных соотношений; вероятностный; экспертный. Каждый из этих методов обладает своими особенностями, достоинствами и недостатками. Однако практика показала, что реально все они. кроме экспертного, использовались крайне редко. Это связано с их недостатками. Для условий рынка, когда требуется опенка на базе множества показателей для определенного периода времени, конкретного сегмента и т.п., их использование затруднительно. Поэтому наиболее предпочтительным методом для решения задачи по оценке остается экспертный метод.

В связи с существенным влиянием параметров весомости на результаты оценки их определение следует проводить одновременно несколькими методами. Сравнение полученных таким образом результатов позволит увеличить объективность выводов.

При экспертном определении параметров весомости показателей наибольшее распространение получили методы предпочтения (рангов), оценивания и сопоставления. В любом случае использование экспертных методов для определения параметров (коэффициентов) весомости показателей требует соблюдения всех правил, выполнения экспертных процедур и рекомендаций,

В соответствии с ними на основе одновременного использования двух экспертных методов (рангов и парного сопоставления) были взяты в качестве примера коэффициенты весомости каждого из групповых уровней, определяющих обобщенный (определяющий) уровень конкурентоспособности телевизоров (формула 6):

Кконк. = 0, ЗЗЗГ1 + 0,067Г2 + 0,267Г3 + 0,200Г4 + 0,133Г5,              (6)

где Г1 – проектно-технический уровень качества;

Г2 – технический уровень качества изготовления;

Г3 – технический товарно-эксплуатационный уровень качества;

Г4 – экономико-коммерческий уровень качества;

Г5 – организационно-экономический уровень качества и социально-психологический уровень.

Коэффициенты при Г1,…, Г5 определялись как нормированные, в зависимости от полученного по экспертным данным ранга каждой группы и при условии, что сумма всех коэффициентов равна 1. Уровень конкурентоспособности продукции, определяемой по данной формуле, рассчитывался здесь на основе смешанного метода оценки.

При использовании экспертных методов очевидно, что чем больше привлекается экспертов, тем выше объективность результатов исследования и оценки. Однако привлечение большого числа квалифицированных экспертов и высокая трудоемкость экспертных работ повышает стоимость проведения исследования. Поэтому можно существенно уменьшить трудоемкость работ экспертов, используя самый малотрудоемкий метод – метод рангов, который предусматривает только ранжирование показателей, а не их численное определение экспертами. После операций ранжирования показателей технические работники (без экспертов) могут вычислить коэффициенты весомости по формуле, полученной на основе положений, принятых в теории информации.

В некоторых случаях коэффициенты весомости ряда отдельных и групповых показателей следует определять на основе социологического метода, комплектуя информацию на базе оценок реальных и потенциальных потребителей. Это особенно полезно осуществлять, например, при оценке уровня качества продукции изготовителями.

Однако независимо от методов определения во всех случаях должны соблюдаться следующие условия: параметр весомости наиболее важного показателя имеет наибольшее значение; показатели качества одинаковой важности имеют равные величины параметров весомости; свойство исследуемого объекта, роль которого в удовлетворении потребностей крайне мала, имеет наименьшее значение параметров весомости.

Исходя из рассмотренных вариантов, нами были выделены:

· метод динамического функционального анализа на основе сетей Петри различного вида;

· метод функционально-стоимостного анализа ABC.

· Каждый из этих методов (и соответствующих поддерживающих инструментальных средств) регламентирует следующие основные этапы выполнения оценок:

· построение статической функциональной модели (с использованием SADT или DFD-нотации);

· расширение статической модели соответственно поведенческими или стоимостными характеристиками ее объектов;

· сбор и ввод в модель необходимой фактической информации;

· «исполнение» модели и получение соответствующих оценок.

Заключение

В выпускной квалификационной работе проведено исследование, на основании которого можно сделать следующие выводы.

Электронное предприятие – это децентрализованная сетевая организация (бизнес-структура), в которой взаимосвязи с поставщиками и заказчиками и все внутренние процессы реализованы в электронной форме на основе современной сетевой инфраструктуры и Интернет-технологий, что позволяет данной организации с максимальной оперативностью реагировать на меняющиеся условия рынка, в результате чего создаются предпосылки для роста эффективности ее деятельности.

При автоматизации Электронного предприятия, которое само по себе представляет автоматизированную систему, следует учитывать архитектуру и функциональность системы. Первая влияет на вторую и позволяет проводить расширение и возможность усовершенствования, вторая составляющая это возможности и система реализации задач посредством информационных технологий.

Также нами в ходе исследования были сформировано понятие бизнес-процесса, автоматизацию которого мы проводили. Бизнес-процесс – это последовательность взаимосвязанных активностей или задач, которые приводят к созданию определенного продукта или услуги для потребителей. Часто бизнес-процессы визуализируют при помощи блок-схемы бизнес-процессов. При этом необходимо отметить проблемы формирования и функционирования электронной организации, которые заключаются в следующих пунктах:

· избыточность коммуникаций;

· сложность принятия решений при большом количестве равноправных участников;

· потери эффективности при обмене информацией в виртуальной среде;

· сложности в поиске партнеров и инициации связей;

· недоверие к потенциальным партнерам;

· нестабильность сети, возможность выхода любого из участников;

· сложности с трансфертом ресурсов внутри сети, неоднозначность прав на создаваемые активы, риск неадекватной оценки и трансферта выигрышей;

· отсутствие гарантий постоянной занятости.

В ходе выполнения работы нами предложны следующие основные методы функционирования сетевой инфраструктуры, нацеленные на решение вышеприведенных проблем:

· структурирование информационных потоков;

· координация виртуальной работы;

· ролевое структурирование виртуальной организации;

· обеспечение единой стратегии взаимодействия в бизнес-сети;

· стандартизация опорных технологий;

· стандартизация опорных технологий;

· разделение виртуальной организации и бизнес-сообщества;

· идентификация виртуальной организации;

· формализация компетенций;

· ролевое структурирование сетевой организации;

· дифференциации статусов участников сети;

· структурирование информационных потоков;

· обеспечение среды доверия в сети;

· дифференциация статусов участников сети;

· обеспечение единой стратегии бизнес-сети;

· формализация и персонализация ответственности;

· формализация и персонализация ответственности;

· выявление и эффективное распространение знаний;

· опора на эффективные рыночные механизмы;

· эффективный трансферт ресурсов внутри сети;

· обеспечение единой стратегии взаимодействия в бизнес-сети;

· идентификация проекта;

· обеспечение единой стратегии взаимодействия в бизнес-сети;

· минимизация затрат на участие.


Не нашли материал для своей работы?
Поможем написать уникальную работу
Без плагиата!
Без нейросетей!