Основные качества полупроводников
Міністерство транспорту та
зв’язку України
Українська державна академія залізничного транспорту
Кафедра транспортний зв’язок
Контрольна робота з
дисципліни
«Напівпровідні прибори»
Перевірив:
Кириченко М.П.
Виконав:
студент групи 7 – IV/2
- АТЗ
Лисов В.П.
2011
Введение
1. ПОЛУПРОВОДНИКИ
1.1 Полупроводники и их физические свойства
1.2 Генерация и рекомбинация свободных носителей
заряда, полупроводники с собственной электропроводностью
1.3 Донорные примеси, полупроводники с электронной
электропроводностью
1.4 Акцепторные примеси, полупроводники с дырочной
электропроводностью
1.5 Понятие р-п -перехода и
факторы, влияющие на его свойства
2. ПОЛУПРОВОДНИКОВЫЕ ДИОДЫ
3. БИПОЛЯРНЫЕ ТРАНЗИСТОРЫ
4. ИНТЕГРАЛЬНЫЕ МИКРОСХЕМЫ
СПИСОК ЛИТЕРАТУРЫ
1
ПОЛУПРОВОДНИКИ
1.1 Полупроводники и их физические
свойства
К
полупроводникам относятся вещества, которые по своим
электрическим свойствам занимают промежуточное положение между проводниками и
диэлектриками. Отличительным признаком полупроводников является сильная зависимость
их электропроводности от температуры, концентрации примесей, воздействия
светового и ионизирующего излучений.
В создании электрического тока в
веществе могут принимать участие только подвижные носители электрических
зарядов. Поэтому его электропроводность тем больше, чем больше в единице объема
этого вещества находится подвижных носителей электрических зарядов. В металлах
практически все валентные электроны (являющиеся носителями элементарного
отрицательного заряда) свободны, что и обусловливает высокую электропроводность
металлов. В диэлектриках и полупроводниках свободных носителей значительно
меньше, поэтому их удельное сопротивление велико.
Характерной особенностью полупроводников
является ярко выраженная температурная зависимость удельного электрического
сопротивления. С повышением температуры оно, как правило, уменьшается на 5...6
% на градус, в то время как у металлов удельное электрическое сопротивление с
повышением температуры растет на десятые доли процента на градус. Удельное
сопротивление полупроводника также резко уменьшается при введении в него
незначительного количества примеси.
Большинство применяемых в настоящее
время полупроводников относится к кристаллическим телам, атомы которых образуют
пространственную решетку. Взаимное притяжение атомов кристаллической решетки
осуществляется за счет ковалентной связи, т.е. общей пары валентных электронов,
вращающихся по одной орбите вокруг этих атомов. Такие электроны могут иметь
различную степень связи со своей парой атомов. При передаче им энергии извне,
например, с помощью электромагнитного поля или при нагревании они способны
покидать свои места в кристаллической решетке и перемещаться по кристаллу,
создавая, таким образом, электрический ток в нем.
Вещества, в которых для высвобождения
электронов требуется высокая энергия, являются диэлектриками, и только для
некоторого класса веществ достаточно незначительной энергии (менее 3 эВ) для
образования свободных электронов (преодоления ими
запрещенной энергетической зоны). Такие вещества и являются полупроводниками.
В полупроводниковой электронике широкое
применение получили германий (Ge)
и кремний (Si) — элементы 4-й группы
периодической системы, в современных сверхвысокочастотных приборах часто
используются также арсенид галлия (GaAs)
и фосфид индия (InP).
1.2 Генерация и
рекомбинация свободных носителей заряда,
полупроводники с собственной
электропроводностью
Уход электрона из ковалентной связи
сопровождается появлением двух электрически связанных атомов единичного
положительного заряда, получившего название
дырки, и свободного электрона. Фактически дырку можно считать
подвижным свободным носителем элементарного положительного заряда, а заполнение
дырки электроном из соседней ковалентной связи можно представить как
перемещение дырки. Процесс образования пар электрон-дырка называют генерацией свободных носителей заряда.
Одновременно с процессом генерации протекает процесс
рекомбинации носителей.
Из-за постоянного протекания процессов
генерации и рекомбинации носителей зарядов при заданной температуре в
полупроводнике устанавливается равновесное состояние, при котором присутствует
некоторая концентрация свободных электронов (ni)
и дырок (pi).
В чистом полупроводнике концентрации носителей зарядов зависят от ширины
запрещенной зоны и при увеличении температуры возрастают приблизительно по
экспоненциальному закону.
Равенство концентраций свободных
электронов ni и дырок pi показывает, что такой
полупроводник обладает одинаковыми электронной и дырочной электропроводностями
и называется полупроводником
с собственной электропроводностью.
1.3 Донорные примеси, полупроводники с электронной
электропроводностью
При введении в 4-валентный полупроводник
примесных 5-валентных атомов (Р,Sb)
атомы примесей замещают основные атомы в узлах кристаллической решетки. Четыре
электрона атома примеси вступают в связь с четырьмя валентными электронами
соседних атомов основного полупроводника. Пятый валентный электрон слабо связан
со своим атомом и при сообщении ему незначительной энергии, называемой энергией активации, отрывается от атома и
становится свободным. Примеси, увеличивающие число свободных электронов,
называют донорными или просто
донорами.
Малая энергия активации примесей
(0,01... 0,2 эВ) уже при комнатной температуре приводит к полной ионизации
5-валентных атомов примесей и появлению свободных электронов. Поскольку в этом
случае появление свободных электронов не сопровождается одновременными
увеличением количества дырок (ионизированные 5-валентные атомы, хотя и являются
носителями положительного заряда, не могут свободно перемещаться по кристаллу
или обмениваться валентными электронами с соседними атомами основного
вещества), в таком полупроводнике концентрация электронов оказывается
значительно больше концентрации дырок (дырки образуются только в результате
разрыва ковалентных связей между атомами основного вещества).
Полупроводники, в которых концентрация
свободных электронов превышает концентрацию дырок, называются полупроводниками с электронной электропроводностью
или полупроводниками п- типа.
Подвижные носители заряда, преобладающие
в полупроводнике, называют основными. Соответственно
те носители заряда, которые находятся в меньшем количестве, называются неосновными для данного типа полупроводника. В
полупроводнике n-типа основными
носителями заряда являются электроны, а неосновными — дырки.
1.4 Акцепторные примеси, полупроводники с дырочной
электропроводностью
Если в кристалле 4-валентного элемента
часть атомов замещена атомами 3-валентного элемента (Ga,
In), то для образования четырех
ковалентных связей у примесного атома не хватает одного электрона. Этот
электрон может быть получен от атома основного элемента полупроводника за счет
разрыва ковалентной связи. Разрыв связи приводит к появлению дырки. Примеси,
захватывающие валентные электроны, называют
акцепторными или акцепторами.
Ввиду малого значения энергии активации
акцепторов уже при комнатной температуре многие валентные электроны переходят
на уровни акцепторов. Эти электроны, превращая примесные атомы в отрицательные
ионы, теряют способность перемещаться по кристаллической решетке, а
образовавшиеся при этом дырки могут участвовать в создании электрического тока.
За счет ионизации атомов исходного
материала часть валентных электронов становится свободной. Однако свободных
электронов значительно меньше, чем дырок. Поэтому дырки в таких полупроводниках
являются основными, а электроны — неосновными подвижными носителями заряда.
Такие полупроводники носят название полупроводников
с дырочной электропроводностью или
полупроводников р-типа.
1.5 Понятие р-п -перехода и
факторы, влияющие на его свойства
Принцип действия
большинства полупроводниковых приборов основан на физических явлениях, происходящих
в области контакта твердых тел. При этом преимущественно используются контакты:
полупроводник - полупроводник, металл - полупроводник, металл – диэлектрик -
полупроводник. Если переход создается между полу проводниками n
- типа и p
-типа, то его называют
электронно-дырочным или р-п - переходом (рис.1.1).
Такой переход создается в одном кристалле полупроводника с использованием
сложных технологических операций. Возможны различные исполнения р-n
-перехода, отличающиеся: резкостью и уровнем изменения концентраций доноров и
акцепторов на границе перехода, размером и формой самого перехода, а также
наличием каких-либо неоднородностей в переходе.
В общем случае
поведение реального р-n
-перехода в состоянии покоя и при подключении внешнего напряжения различного
уровня и полярности определяется множеством физических процессов, протекающих в
полупроводнике. К ним относятся: термогенерация носителей, поверхностные утечки
тока, падение напряжения на сопротивлении нейтральных областей полупроводника,
возможности теплового и электрического пробоев и т.д.
На
границе р-n
-перехода имеет место скачкообразное изменение концентраций донорных и
акцепторных примесей. Равновесные концентрации электронов и дырок в разных
областях существенно отличаются. Поэтому на границе перехода происходит
диффузия электронов из n
-области в p
-область, а дырок из p
-области в n
-область.
Рис. 1.1
Такое
движение зарядов создает диффузионный ток
электронов и дырок. Электроны и дырки, переходя через контакт, оставляют в
приконтактной области дырочного полупроводника некомпенсированный заряд
отрицательных ионов акцепторных примесей, а в электронном полупроводнике —
некомпенсированный заряд положительных донорных ионов. Таким образом,
электронный - полупроводник заряжается положительно, а дырочный - отрицательно.
Между областями с различными типами электропроводности возникает диффузионное электрическое поле,
созданное двумя слоями объемных зарядов. Этому полю соответствует разность
потенциалов между n и p
-областями, называемая контактной.
За пределами области объемного заряда полупроводники п- и р-типа остаются
электрически нейтральными (рис. 1.2-1 Электронно-дырочный
переход в состоянии равновесия).
Диффузионное
электрическое поле является тормозящим для основных носителей заряда и
ускоряющим для неосновных. Электроны p-области
и дырки n-области,
совершая тепловое движение, попадают в пределы диффузионного электрического
поля, увлекаются им и перебрасываются в противоположные
области, образуя ток дрейфа или ток проводимости. Выведение же носителей
заряда из области полупроводника, где они являются неосновными, через р-n
-переход ускоряющим электрическим полем называется
экстракцией носителей заряда.
Так как через изолированный
полупроводник ток проходить не должен, то между диффузионным и дрейфовым токами
устанавливается динамическое равновесие. Область, в которой присутствует
диффузионное электрическое поле, и называют р-n
-переходом. Величина контактной разности потенциалов на переходе определяется
отношением концентраций носителей зарядов одного знака в р- и n-
областях полупроводника. Ширина слоя объемных зарядов (т.н. запирающий слой) в р и n
-областях обратно пропорциональна концентрациям примесей в этих областях, т.е.
в несимметричном переходе запирающий слой расширяется в область с меньшей
концентрацией примеси. Удельное сопротивление полупроводника в области
запирающего слоя существенно выше удельного сопротивления нейтральных областей.
Прямое и обратное включение р-n
-перехода
При использовании р-n
-перехода в реальных полупроводниковых приборах к нему может быть приложено
внешнее напряжение. Величина и полярность этого напряжения определяют поведение
перехода и проходящий через него электрический ток (рис. 1.2). Если
положительный полюс источника питания подключается к р-области, а отрицательный
— к n-области, то включение
р-n -перехода называют прямым. При изменении указанной полярности
включение р-н-перехода называют обратным.
При прямом включении р-n
-перехода внешнее напряжение создает в переходе поле, которое противоположно по
направлению внутреннему диффузионному полю.
Напряженность результирующего поля падает, что сопровождается сужением
запирающего слоя. В результате этого большое количество основных носителей
зарядов получает возможность диффузионно переходить в соседнюю область, ток
дрейфа при этом не изменяется, поскольку он зависит от количества неосновных
носителей, появляющихся на границах перехода, т.е. через переход будет
протекать результирующий ток, определяемый в основном диффузионной
составляющей. Диффузионный ток зависит от высоты потенциального барьера и по
мере его снижения увеличивается экспоненциально.
Рис.
1.2 Электронно-дырочный переход (а, б, в)
и распределение поля в электронно-дырочном переходе (г, д, е)
При включении р-n
-перехода в обратном направлении внешнее обратное напряжение создает
электрическое поле, совпадающее по направлению с диффузионным, что приводит к
росту потенциального барьера и увеличению ширины запирающего слоя. Все это
уменьшает диффузионные токи основных носителей. Для неосновных носителей поле в
р-n -переходе остается ускоряющим, и
поэтому дрейфовый ток не изменяется.
Вольтамперные
характеристики электронно-дырочного перехода
Теоретическая вольтамперная характеристика
(ВАХ) электронно - дырочного перехода выражается уравнением (уравнение Эберса-Моша)
Однако приведенное
уравнение весьма приблизительно совпадает с реальными вольт- амперными
характеристиками, так как не учитывает целого ряда физических процессов,
происходящих в полупроводниках. К таким процессам относятся: генерация и
рекомбинация носителей в запирающем слое, поверхностные утечки тока, падение
напряжения на сопротивлении нейтральных областей, явления теплового, лавинного
и туннельного пробоев.
Реальная вольт-амперная
характеристика диода имеет прямую и обратную ветви.
Процессы генерации и
рекомбинации носителей в запирающем слое для некоторых типов полупроводников
(кремний) могут оказывать существенное влияние на вид ВАХ.
Туннельный и лавинный
пробои представляют собой разновидности электрического пробоя и связаны с
увеличением напряженности электрического поля в переходе. Тепловой пробой определяется
перегревом перехода.
Рис.
1.2-2 Реальная и теоретическая ВАХ р-n
–перехода.
2. Полупроводниковые диоды
Диод
Диод — это полупроводниковый прибор с
одним электрическим р-n переходом и двумя
выводами. В зависимости от функционального назначения, уровня требуемых
электрических параметров в диодах в качестве электрических переходов
используются выпрямляющие электронно-дырочные переходы, переходы Шотки,
гетеропереходы.
Характерной особенностью выпрямляющего
перехода Шотки в отличие от р-п
перехода является разная высота потенциальных барьеров для электронов и дырок.
Поэтому через переход Шотки может не происходить инжекция неосновных носителей
заряда в полупроводнике.
Следовательно, в диодах Шотки
отсутствует процесс накопления и рассасывания неосновных носителей в базе. В
силу этого такие диоды имеют лучшие частотные свойства по сравнению с диодами с р-п переходом.
А так же диоды подразделяются по
площади p-n
перехода на точечные и плоскостные.
В точечных диодах p-n
переход получают при помощи металлической иглы с нанесенной на острие примесью.
При пропускании импульса тока примесь диффундирует в толщу полупроводника,
образуя полусферический слой противоположного типа электропроводности.
Точечные диоды имеют малую емкость
перехода (< 1 пФ) могут, применятся на всех частотах вплоть до
СВЧ. Однако вследствие малой площади перехода точечные диоды допускают токи не
более десятков mA.
Плоскостные диоды изготовляют
методом сплавления или диффузии. Для их изготовления в пластину исходного
полупроводника вплавляется капля примеси, либо создаются условия для диффузии
газообразной примеси.
Плоскостные диоды допускают
прохождение прямых токов, доходящих до сотен ампер в мощных диодах, но обладают
большой емкостью до сотен пФ, что ограничивает частотный диапазон их применения
областью НЧ.
Диффузионная область диодов более
богата примесями – она является эмиттером. Противоположная область является
базой.
Выводы диодов образуются с помощью Me,
образующих омический контакт с полупроводником.
Классификация
полупроводниковых диодов
В основе практического применения диодов в радиотехнике и
их классификации лежит ряд свойств переходов:
1.
Выпрямительные.
2.
Высокочастотные
диоды.
3.
Импульсные.Используют
свойства асимметрии вольт- амперной характеристики.
4.
Стабилитроны.
Используют явления
электрического пробоя перехода.
5.
Варикапы.
Используют зависимость
емкости перехода от приложенного напряжения.
6.
Туннельные
и обратные диоды.
Используют
туннельный эффект в переходе.
7.
Диоды
Шоттки.
Используют
свойства перехода Me – п/п.
Классификация современных полупроводниковых приборов
запечатлена в системе условных обозначений их типов. В соответствии с
возникновением новых классификационных групп приборов совершенствуется и
система их условных обозначений, которая за последние 30 лет трижды претерпевала
изменения. Система обозначений современных полупроводниковых диодов, тиристоров
и оптоэлектронных приборов установлена отраслевым стандартом ОСТ 11336.919 - 81
и базируется на ряде классификационных признаков этих приборов. В основу
системы обозначений положен буквенно-цифровой код.
Первый элемент обозначает исходный полупроводниковый
материал, на базе которого изготовлен прибор. Для обозначения исходного
материала используются буквы или цифры, приведённые ниже:
Г или 1 — для германия или его соединений;
К или 2 — для кремния или его соединений;
А или 3 — для соединений галлия (например, для арсенида
галлия);
И или 4 — для соединений индия (например, для фосфида индия).
Второй элемент обозначения — буква, определяющая подкласс
(или группу) приборов. Для обозначения подклассов приборов используется одна из
следующих букв:
Д — диодов выпрямительных и импульсных;
Ц — выпрямительных столбов и блоков;
В — варикапов;
И — туннельных диодов;
А — сверхвысокочастотных диодов;
С — стабилитронов;
Г — генераторов шума;
Л — излучающих оптоэлектронных приборов;
О — оптронов;
Н — диодных тиристоров;
У — триодных тиристоров.
Третий элемент обозначения - это цифра, которая определяет
основные функциональные возможности прибора. Для обозначения характерных
функциональных возможностей, эксплуатационных признаков приборов используются
следующие цифры применительно к различным подклассам приборов:
Диоды (подкласс Д):
0
— для выпрямительных
диодов с постоянным или средним значением прямого тока не более 0,3 А;
1
— для выпрямительных
диодов с постоянным или средним значением прямого тока более 0,3 А, но не выше
10 А;
4 — для импульсных диодов с временем восстановления обратного
сопротивления более 500 нс;
5
— для импульсных диодов
с временем восстановления более 150 нс, но не свыше 500 нс;
6
— для импульсных диодов
с временем восстановления 30 ... 150 нс;
7
— для импульсных диодов
с временем восстановления 5 ... 30 нс;
8
— для импульсных диодов
с временем восстановления 1 ... 5 нс;
9
— для импульсных диодов
с эффективным временем жизни неосновных носителей заряда менее 1 нс.
Выпрямительные столбы и блоки (подкласс Ц):
1
— для столбов с
постоянным или средним значением прямого тока не более 0,3 А;
2
— для столбов с
постоянным или средним значением прямого тока 0,3 ... 10 А;
3
— для блоков с
постоянным или средним значением прямого тока не более 0,3 А;
4
— для блоков с
постоянным или средним значением прямого тока 0,3 ... 10 А.
Варикапы (подкласс В):
1
—для построечных
варикапов;
2
— для умножительных
варикапов.
Туннельные диоды (подкласс И):
1
— для усилительных
туннельных диодов;
2
— для генераторных
туннельных диодов;
3
— для переключательных
туннельных диодов;
4
— для обращённых диодов.
Сверхвысокочастотные диоды (подкласс А):
1
— для смесительных
диодов;
2
— для детекторных диодов;
3
— для усилительных
диодов;
4
— для параметрических
диодов;
5
— для переключательных и
ограничительных диодов;
6
— для умножительных и
настроечных диодов;
7
— для генераторных
диодов;
8
— для импульсных диодов.
Стабилитроны (подкласс С):
1
— для стабилитронов
мощностью не более 0,3 Вт с номинальным напряжением стабилизации менее 10 В;
2
— для стабилитронов
мощностью не более 0,3 Вт с номинальным напряжением стабилизации 10 ... 100 В;
3
— для стабилитронов
мощностью не более 0,3 Вт с номинальным напряжением стабилизации более 100 В;
4 — для стабилитронов мощностью 0,3 .. 5 Вт с номинальным напряжением стабилизации
менее 10 В;
5 — для стабилитронов
мощностью0,3.. 5Втсноминальнымнапряжением
стабилизации 10...100 В;
6 — для стабилитронов мощностью0,3.. 5Втсноминальнымнапряжением
стабилизации более 100 В;
7 — для стабилитронов мощностью5 .10Втсноминальнымнапряжением
стабилизации менее 10 В;
8
— для стабилитронов
мощностью 5 . 10 Вт с номинальным напряжением стабилизации 10... 100 В;
9
— для стабилитронов мощностью
5 . 10 Вт с номинальным напряжением стабилизации более 100 B.
Генераторы шума (подкласс Г):
1
— для низкочастотных
генераторов шума;
2
— для высокочастотных
генераторов шума.
Диодные тиристоры (подкласс Н):
1
— для тиристоров с
максимально допустимым значением прямого тока не более 0,3 А;
2
— для тиристоров с
максимально допустимым значением прямого тока более 0,3 А, но не свыше 10 А.
Триодные тиристоры (подкласс У):
Незапираемые тиристоры:
1
— для тиристоров с
максимально допустимым значением среднего тока в открытом состоянии не более
0,3 А или максимально допустимым значением импульсного тока в открытом
состоянии не более 15 А;
2
— для тиристоров с
максимально допустимым значением среднего тока в открытом состоянии 0,3 . 10 А
или максимально допустимым значением импульсного тока в открытом состоянии 15
... 100 А;
7 — для тиристоров с максимально допустимым значением
среднего тока в открытом состоянии более 10 А или максимально допустимым
значением импульсного тока в открытом состоянии более 100 А.
Запираемые тиристоры:
3
— для тиристоров с
максимально допустимым значением среднего тока в открытом состоянии не более
0,3 А или максимально допустимым значением импульсного тока в открытом
состоянии не более 15 А;
4
— для тиристоров с
максимально допустимым значением среднего тока в открытом состоянии 0,3 . 10 А
или максимально допустимым значением импульсного тока в открытом состоянии 15
... 100 А;
8
— для тиристоров с
максимально допустимым значением среднего тока в открытом состоянии более 10 А
или максимально допустимым значением импульсного тока в открытом состоянии
более 100 А,
Симметричные тиристоры:
5
— для тиристоров с
максимально допустимым значением среднего тока в открытом состоянии не более
0,3 А или максимально допустимым значением импульсного тока в открытом
состоянии не более 15 А;
6
— для тиристоров с
максимально допустимым значением среднего тока в открытом состоянии 0,3 . 10 А
или максимально допустимым значением импульсного тока в открытом состоянии 15
... 100 А;
9
— для тиристоров с максимально
допустимым значением среднего тока в открытом состоянии более 10 А или
максимально допустимым значением импульсного тока в открытом состоянии более
100 А.
Четвёртый элемент - число, обозначающее порядковый номер
разработки технологического типа. Для обозначения порядкового номера разработки
используется двухзначное число от 01 до 99. Если порядковый номер разработки
превысит число 99, то в дальнейшем используют трёхзначное число от 101 до 999.
Пятый элемент - буква, условно определяющая классификацию
(разбраковку по параметрам) приборов, изготовленных по единой технологии.
В качестве классификационной литеры используют буквы русского
алфавита (за исключением букв З, О, Ч, Ы, Ш, Щ, Ю, Я, Ь, Ъ, Э).
В качестве дополнительных элементов обозначения используют
следующие символы:
цифры 1 . 9 для обозначения модификаций прибора, приводящих к
изменению его конструкции или электрических параметров;
букву С для обозначения сборок - наборов в общем корпусе
однотипных приборов, не соединенных электрически или соединенных одноименными
выводами;
цифры, написанные через дефис, для обозначений следующих
модификаций конструктивного исполнения бескорпусных приборов:
1
—с гибкими выводами без
кристаллодержателя;
2
— с гибкими выводами на
кристаллодержателе (подложке);
3
— с жёсткими выводами
без кристаллодержателя (подложки);
4
— с жёсткими выводами на
кристаллодержателе (подложке);
5
— с контактными
площадками без кристаллодержателя (подложки) и без выводов;
6
— с контактными
площадками на кристаллодержателе без выводов.
Буква Р после последнего элемента обозначения - для приборов
с парным подбором, буква Г - с подбором в четвёрки, буква К - с подбором в
шестёрки.
Для приборов, изготовленных до 1982 года действовала другая
система обозначений. Условные обозначения состояли из двух или трёх элементов.
Первый элемент обозначения - буква Д, характеризующая весь
класс полупроводниковых диодов.
Второй элемент обозначения - число (номер), которое указывает
на область применения:
от 1 до 100 — для точечных германиевых диодов;
|
от 101
|
до
|
200 —
|
для точечных кремниевых диодов;
|
|
от 201
|
до
|
300 —
|
для плоскостных кремниевых диодов;
|
|
от 301
|
до
|
400 —
|
для плоскостных германиевых диодов;
|
|
от 401
|
до
|
500 —
|
для смесительных СВЧ детекторов;
|
|
от 501
|
до
|
600 —
|
для умножительных диодов;
|
|
от 601
|
до
|
700 —
|
для видеодетекторов;
|
|
от 701
|
до
|
749 —
|
для параметрических германиевых диодов;
|
|
от 750
|
до
|
800 —
|
для параметрических кремниевых диодов;
|
|
от 801
|
до
|
900 —
|
для стабилитронов;
|
|
от 901
|
до
|
950 —
|
для варикапов;
|
|
от 951
|
до
|
1000 —
|
для туннельных диодов;
|
от 1001 до 1100 — для выпрямительных столбов.
Третий элемент обозначения - буква, указывающая на
разновидность групп однотипных приборов.
Четвёртый элемент - буква указывает на модификацию прибора в
серии.
Если малые габаритные размеры приборов не позволяют
использовать буквенное или цифровое обозначение, то на корпус наносится цветная
маркировка (точка или цветные полосы). Цветной код указывается в технических
условиях на соответствующий прибор.
Для обозначения стабилитронов до 1981 года в качестве
третьего и четвёртого элементов присваивались числа:
малой мощности (Р < 0,3 Вт):
от 101 до 199 — с напряжением стабилизации 0,1 ... 9,9 В;
от 210 до 299 — с напряжением стабилизации 10 ... 99 В;
от 301 до 399 —с напряжением стабилизации 100 ... 199 В;
средней мощности (0,3 Вт < Р < 5 Вт):
от 401 до 499 — с напряжением стабилизации 0,1 ... 9,9 В;
от 510 до 599 — с напряжением стабилизации 10 ... 99 В;
от 601 до 699 — с напряжением стабилизации 100 ... 199 В;
большой мощности (Р > 5 Вт):
от 701 до 799 — с напряжением стабилизации 0,1 ... 9,9 В;
от 810 до 899 — с напряжением стабилизации 10 . 99 В;
от 901 до 999 — с напряжением стабилизации 100 ... 199 В.
Две последние цифры каждого числа соответствуют номинальному
напряжению стабилизации стабилитронов данного типа, например КС175А -
кремниевый стабилитрон малой мощности с напряжением стабилизации 7,5 В.
Выпрямительные
диоды и область их применения
Выпрямительный диод –
полупроводниковый диод, предназначенный для выпрямления напряжения переменного
тока.
Выпрямительные диоды используют в
качестве вентилей – элементов с односторонней проводимостью. Основное их
применение - выпрямление токов с частотой до единиц кГц.
Простейшая схема однополупериодного
выпрямления показана на рис.
Во время положительной полуволны
напряжение e(t)
через нагрузку RН
протекает импульс прямого тока с амплитудой Im.
При воздействии отрицательной
полуволны напряжение e(t)
через диод протекает малый обратный ток Iобр.
Таким образом, через нагрузку
протекает пульсирующий ток, в виде импульсов, длящихся пол периода и
разделенных промежутком также в пол периода.
В более сложных двухполупериодных
выпрямителях энергия источника e(t)
используется более рационально.
Схема такого выпрямителя имеет вид:
В результате через RН
при воздействии каждого полупериода напряжение e(t)
протекает импульс тока одной полярности. Это позволяет достичь большего
значения среднего выраженного тока IСР.
Промышленность выпускает
специальные двухполупериодные диодные мосты – сборку, состоящую из 4 диодов
(например, марки КД 906 КЦ 401, КЦ 405, КЦ 407, КЦ 409).
Выпрямительные диоды применяются
также в цепях управления и коммуникации, для ограничения выбросов напряжения в
цепях с индуктивностями, а также во всех цепях, где необходимы вентильные
элементы и не предъявляется жестких требований к частотно-временным параметрам.
Список принятых сокращений параметров
диодов.
Iвыпр.ср.макс - максимальное значение среднего выпрямленного диодом тока.
Іобр - обратный ток через диод.
Іобр.ср - средний обратный ток через диод.
Іпр - прямой ток через диод.
Іпр.макс - максимальный прямой ток.
Іпр.и.макс - импульсный максимальный прямой ток.
Іпр.ср - средний прямой ток через диод.
Іпр.ср.макс - максимальное значение среднего прямого тока
через диод. Uобр.макс - максимальное постоянное
обратное напряжение, приложенное к диоду.
Uобр.и.макс - максимальное импульсное обратное напряжение, приложенное к
диоду.
Uпр - падение напряжения на диоде при его прямом включении.
Uпр.ср - среднее падение напряжения на диоде при его прямом включении.
fmax - максимальная частота, на которой ещё сохраняется свойство
односторонней проводимости диода.
Диоды выпрямительные
малой мощности до 1А
|
Тип
диода
|
Uпр.
при Іпр.;
|
Іобр.
{Іобр.ср} при Uобр.макс, мкА
|
Предельные
режимы
|
fмакс,
кГц
|
Рисунок
|
|
{Uпр.ср}
п
|
ри
{Іпр.ср}
|
Uобр.макс,
{Uобр.и.макс}, В
|
Iвыпр.ср.макс;
{Іпр.ср.макс}; [Іпр.макс], мА
|
|
B
|
мА
|
|
АД110А
|
1,5
|
10
|
5-10-3
|
30
|
10
|
1000
|
1
|
|
ГД107А
|
1
|
10
|
20
|
15
|
20
|
-
|
2
|
|
Д2Б
|
1
|
5
|
100
|
30
|
{16}
|
100
|
3
|
|
Д2В
|
1
|
9
|
250
|
40
|
{25}
|
100
|
3
|
|
КД102А
|
1
|
50
|
0,1
|
250
|
100
|
4
|
7
|
|
КД102Б
|
1
|
50
|
1
|
300
|
100
|
4
|
7
|
Диоды выпрямительные средней мощности до 10А
|
Тип
диода
|
Uпр.
при Іпр.;
|
Іобр.
{Іобр.ср} при Uобр.макс, мА
|
Предельные
режимы
|
fмакс,
кГц
|
Рисунок
|
ри
{Іпр.ср}
|
Uобр.макс,
{Uобр.и.макс}, В
|
Iвыпр.ср.макс;
{Іпр.ср.макс}; [Іпр.макс], А
|
|
B
|
А
|
|
Д229Г
|
{1}
|
{0,4}
|
{0,2}
|
{200}
|
{0,4}
|
1
|
3
|
|
Д229Д
|
{1}
|
{0,4}
|
{0,2}
|
{300}
|
{0,4}
|
1
|
3
|
|
Д243
|
{1,2}
|
{10}
|
{3}
|
{200}
|
{10}
|
-
|
4
|
|
Д243А
|
{1}
|
{10}
|
{3}
|
{200}
|
{10}
|
-
|
4
|
|
Д247
|
{1,2}
|
{10}
|
{3}
|
{500}
|
{10}
|
-
|
4
|
|
Д247Б
|
{1,5}
|
{5}
|
{3}
|
{500}
|
{5}
|
-
|
4
|
|
Д248Б
|
{1,5}
|
{5}
|
{3}
|
{600}
|
{5}
|
-
|
4
|
|
КД202А
|
{0,9}
|
{5}
|
{0,8}
|
35,
{50}
|
{5}
|
1,2
|
2
|
|
КД202Б
|
{0,9}
|
{3,5}
|
{0,8}
|
35,
{50}
|
{3,5}
|
1,2
|
2
|
Диоды выпрямительные средней мощности до 10А
|
Тип
диода
|
Іпр.макс,
{Іпр.ср.макс}, А
|
Іпр.и.макс,
А
|
Uобр.и.макс,
В
|
Uобр.макс,
В
|
Uпр,
В
|
fмакс,
{f}, кГц
|
|
2Д2993А
|
{20}
|
-
|
250
|
200
|
0,88
|
-
|
|
2Д2993Б
|
{20}
|
-
|
200
|
100
|
0,88
|
-
|
|
2Д2995А
|
{20}
|
375
|
50
|
-
|
0,94
|
200
|
|
Д18
|
0,016
|
0,05
|
-
|
20
|
1,0
|
-
|
|
Д219А
|
0,05
|
0,5
|
-
|
70
|
1,0
|
-
|
|
Д220
|
0,05
|
0,5
|
-
|
50
|
1,5
|
-
|
|
Д311
|
0,04
|
0,5
|
30
|
30
|
0,4
|
-
|
|
Д311А
|
0,08
|
0,6
|
30
|
30
|
0,4
|
-
|
|
Д311Б
|
0,02
|
0,5
|
30
|
30
|
0,5
|
-
|
|
Д312
|
0,05
|
0,5
|
100
|
100
|
1,5
|
-
|
|
КД209А
|
{0,7}
|
15
|
400
|
400
|
1,0
|
{1}
|
Диоды выпрямительные большой мощности свыше 10А
|
Тип
диода
|
In,
А
|
U0,
B
|
I0,
mA
|
H,
̊C/Bт
|
f,
кГц
|
Т,
̊C
|
|
Д104-10
|
10(160)
|
100(175)
|
10
|
2,2
|
1,3
|
-50…+175
|
|
Д104-16
|
16(260)
|
100(175)
|
8
|
1,5
|
1,3
|
-50…+175
|
|
Д112-10
|
10(210)
|
100…1400
|
21
|
3
|
1,5
|
-50…+190
|
|
ДЛ112-25
|
25(300)
|
400…1500
|
27
|
1,1
|
1,5
|
-50…+160
|
|
Д143-1000
|
1000(18000)
|
400…1600
|
75
|
0,034
|
2
|
-60…+190
|
|
ДЧ151-100
|
100(2700)
|
500…1200
|
100
|
0,27
|
16
|
-60…+140
|
Обозначение в таблице :
In-
средний выпрямленный ток, в скобках- допустимый в импульсном режиме;
U0-
максимальное обратное напряжение, в скобках- допустимый в импульсном режиме;
I0-
постоянный обратный ток при максимальном обратном напряжении;
H-
Тепловое сопротивление переход-корпус;
f-
верхняя рабочая частота;
T-
температура перехода.
Стабилитроны
и область их применения
Стабилитроны предназначены для
стабилизации напряжения в различных схемах ЭА.
ВАХ стабилитрона имеет участок с
высокой крутизной, где напряжение слабо зависит от тока через диод (обратная
ветвь). Существуют стабилитроны общего назначения, прецизионные, импульсные
двуханодные и стабисторы.
Стабилитроны общего назначения
применяются в стабилизаторах источников питания, ограничителях напряжения.
Прецизионные применяются в
источники опорного напряжения и при термокомпенсации.
Импульсные – для стабилизации
импульсных напряжений и ограничения амплитуды импульса.
Двуханодные стабилитроны
применяются в схемах стабилизаторов и ограничителей с термокомпенсацией.
Стабисторы – для стабилизации малых
напряжений.
Стабилитроны
общего назначения
Обозначения
в таблице для стабилитронов общего назначения:
U — напряжение стабилизации;
а — температурный коэффициент напряжения стабилизации;
b —
временная нестабильность напряжения стабилизации;
R
— дифференциальное сопротивление, в скобках при токе стабилизации; Iмин—І
макс — минимальный и максимальный токи стабилизации;
Р
— максимальная рассеиваемая мощность;
Т
— температура окружающей среды.
Параметры
стабилитронов общего назначения приведены в
табл.
|
Тип
|
U,
B
|
a,
%/̊С
|
b,
%
|
R,
Ом
|
Iмин—
Імакс, мА
|
Р,мВт
|
Т,̊С
|
|
Д808
|
7...8,5
|
0,07
|
±1
|
12(1)
|
3...33
|
280
|
-60...+125
|
|
Д809
|
8...9,5
|
0,08
|
±1
|
ЩЦ
|
3...29
|
280
|
-60...+125
|
|
Д811
|
10...
2 2
|
0,095
|
±1
|
30(1)
|
3...23
|
280
|
-60...+125
|
|
Д813
|
11,5...
14
|
0,095
|
±1
|
35(1)
|
3...20
|
280
|
-60...+125
|
|
Д814А
|
7...8,5
|
0,07
|
±1
|
12(1)
|
3...40
|
340
|
-60...+125
|
|
Д817Г
|
90...
110
|
0,14
|
6
|
50(50)
|
5..50
|
2
Вт
|
-60...+120
|
|
2С124Д-1
|
2,2...2,6
|
-0,075
|
±1,5
|
180(3)
|
0,25...20
|
50
|
-60...+125
|
|
2С127Д-1
|
2,5...?,9
|
-0,075
|
±1,5
|
180(3)
|
0,25.18
|
50
|
-60...+125
|
|
2С130Д-1
|
2,8.„3,2
|
-0,075
|
±1,5
|
180(3)
|
0,25..
Л 6
|
50
|
-60...+125
|
Стабилитроны прецизионные
Обозначения
в таблице для прецизионных стабилитронов:
U — напряжение стабилизации;
а — температурный коэффициент напряжения стабилизации;
b —
временная нестабильность напряжения стабилизации;
Iмин—Імакс
— минимальный и
максимальный токи стабилизации;
Р — рассеиваемая мощность;
Т — температура окружающей среды.
Параметры прецизионных стабилитронов
|
Тип
|
U,
B
|
a,
%/̊С
|
b,
%
|
Iмин—
Імакс, мА
|
Р, мВт
|
Т,̊С
|
|
Д818А
|
9…10,35
|
0,02
|
±0,11
|
3...33
|
300
|
-60.
|
..+125
|
|
2С108А
|
6,1
...6,4
|
±0,002
|
±0,8мВ
|
3...10
|
70
|
-60.
|
..+
125
|
|
2С166К
|
±0,0005
|
±1,4мВ
|
3...10
|
70
|
-60.
|
..+125
|
|
2С190Б
|
8,5...9,5
|
±0,005
|
±0,02
|
5...
15
|
150
|
-60.
|
..+125
|
|
2С164Н
|
6,1
...6,7
|
±0,001
|
±1,ЗмВ
|
3...10
|
70
|
-60..
|
,.+125
|
Стабилитроны
импульсные
Обозначения
в таблице для импульсных стабилитронов:
U — напряжение стабилизации;
а
— температурный коэффициент напряжения стабилизации;
b
— временная нестабильность напряжения стабилизации;
Імин—Імакс
— минимальный и максимальный токи стабилизации;
Іимп
— максимальный импульсный ток стабилизации при t<10
мкс,
Q=
100;
Р
— рассеиваемая мощность;
Т — температура окружающей среды.
Параметры импульсных стабилитронов приведены
|
Тип
|
U, В
|
а, %/̊С
|
b, %
|
Імин—
Імакс, мА
|
Іимп, мА
|
Р, мВт
|
Т, ̊С
|
|
2С175К-1
|
7,1. ..7,9
|
0,065
|
±1,5
|
0,1...2,66
|
30
|
20
|
-60...+125
|
|
2С182К-1
|
7,8...8,6
|
0,075
|
±1,5
|
0,1...2,44
|
30
|
20
|
-60…+125
|
|
2С186К-1
|
6,4. .7,1
|
0,05
|
±1,5
|
0,1...2,94
|
30
|
20
|
-60...+125
|
|
2С191К-1
|
8,6...9,6
|
0,08
|
±1,5
|
0,1...2,2
|
30
|
20
|
-60...+125
|
|
2С210К-1
|
9,5... 10,5
|
0,09
|
±1,5
|
0,1...2
|
30
|
20
|
-60...+125
|
|
2С211К-1
|
10,4...11,5
|
0,095
|
±1,5
|
0,1...1,8
|
30
|
20
|
-60...+125
|
|
2С212К-1
|
11,4... 12,6
|
0,095
|
±1,5
|
0,1..1,7
|
30
|
20
|
-60...+125
|
|
2С175Е
|
7,15...7,9
|
0,1
|
±1,5
|
3...20
|
200
|
150
|
-60...+125
|
|
КС175Е
|
7,1...7,9
|
0,1
|
±1,5
|
3...17
|
200
|
125
|
-60...+125
|
|
2С182Е
|
7,8...8,6
|
0,1
|
±1,5
|
3...18
|
200
|
150
|
-60...+125
|
|
КС 182В
|
7,4...9
|
0,1
|
±1,5
|
3...15
|
200
|
125
|
-60…+125
|
|
2С191Е
|
8,6...9,5
|
0,1
|
±1,5
|
3...16
|
200
|
150
|
-60...+125
|
Стабилитроны двуханодные
Обозначения в таблице для двуханодных стабилитронов:
U —
напряжение стабилизации;
dU — несимметричность напряжения стабилизации;
а — температурный коэффициент напряжения стабилизации;
b —
временная нестабильность напряжения стабилизации;
Імин—Імакс — минимальный и максимальный токи стабилизации;
Р — рассеиваемая мощность;
Т — температура окружающей среды.
Параметры двуханодных стабилитронов
|
Тип
|
U, В
|
dU,
B
|
а,%/̊С
|
b, %
|
Імин— Імакс,
|
Р,мВт
|
Т, ̊С
|
|
|
|
|
|
мА
|
|
|
|
2С162А
|
5,5...6,8
|
0,24
|
-0,06
|
±1
|
3...22
|
150
|
-60...+125
|
|
КС162А
|
5,5...6,6
|
0,25
|
-0,06
|
±1,5
|
3...22
|
150
|
-55...+100
|
|
2С168В
|
6,2.-7,4
|
0,26
|
±0,05
|
±1
|
3...20
|
150
|
-60...+125
|
|
КС168В
|
6,3...7,3
|
0,27
|
±0,05
|
±1,5
|
3...20
|
150
|
-55...+100
|
|
2С170А
|
6,4.7,6
|
0,27
|
0,01
|
±1
|
3...20
|
150
|
-60...+125
|
|
КС170А
|
6,4...7,6
|
0,28
|
0,01
|
±1,5
|
3...20
|
150
|
-55...+100
|
|
2С175А
|
6,8...8,2
|
0,28
|
±0,04
|
±1
|
3...18
|
150
|
-60...+125
|
|
КС175А
|
7...8
|
0,3
|
±0,04
|
±1,5
|
3...18
|
150
|
-55...+100
|
|
2СТ82А
|
7,5...8,9
|
0,31
|
0,04
|
±1
|
3...17
|
150
|
-60:..+125
|
|
КС182А
|
7,6...8,8
|
0,33
|
0,05
|
±1,5
|
3...17
|
150
|
-55...+100
|
|
2С191А
|
8,2... 10
|
0,35
|
0,06
|
±1
|
3...15
|
150
|
-60...+125
|
|
КС191А
|
8,5...9,7
|
0,36
|
0,06
|
±1,5
|
3...15
|
150
|
-55...+100
|
|
2С210Б
|
9,1... 10,9
|
0,38
|
0,07
|
±1
|
3...14
|
150
|
-60...+125
|
|
КС210Б
|
9,3... 10,7
|
0,4
|
0,07
|
±1,5
|
3...14
|
150
|
-55...+100
|
|
2С211И
|
10;.. 12
|
0,42
|
0,07
|
±1
|
3...13
|
150
|
-60...+125
|
|
2С212В
|
10,9... 13,1
|
0,46
|
0,07
|
±1
|
Зм. 12
|
150
|
-60...+125
|
|
2С2136
|
11,1...14,2
|
0,49
|
0,075
|
±1
|
3...10
|
150
|
-60...+125
|
|
КС213Б
|
12,1... 13,9
|
0,52
|
0,08
|
±1,5
|
3...10
|
150
|
-55...+100
|
Стабисторы
Обозначения
в таблице для стабисторов:
U — напряжение стабилизации;
а — температурный коэффициент напряжения стабилизации;
b —
временная нестабильность напряжения стабилизации;
Імин—Імакс — минимальный и максимальный токи стабилизации;
Р — рассеиваемая мощность;
Т — температура окружающей среды.
Параметры стабисторов
|
Тип
|
U, В
|
а,%/̊С
|
b, %
|
Імин—
Імакс,мА
|
Р,
мВт
|
Т, ̊С
|
|
Д219С
|
0,57(1)...1(50}
|
|
|
1...50
|
-
|
-60...+120
|
|
Д220С
|
0,59(1)... 1,5(50)
|
-
|
-
|
1...50
|
-
|
-60...+120
|
|
Д223С
|
0,59(1)...1 (50)
|
-
|
-
|
1...50
|
-
|
-60...+120
|
|
2С107А
|
0,57...0,73(1)
|
-0,34
|
±3,2
|
1...120
|
125
|
-60...+125
|
|
КС 107 А
|
0,63...0,77(10)
|
-0,3
|
-
|
1...100
|
125
|
|
2С113А
|
1,17...1,43(10)
|
-0,42
|
-
|
1...100
|
180
|
-60...+125
|
|
КС113А
|
1,17...1,43(10)
|
-0,3
|
-
|
1...100
|
180
|
-60...+125
|
|
2С119А
|
1,71...2,09(10)
|
-0,42
|
±3,5
|
1…100
|
260
|
-60...+125
|
|
КС119А
|
1,71...2,09910)
|
-0,4
|
-
|
1...100
|
260
|
-60...+125
|
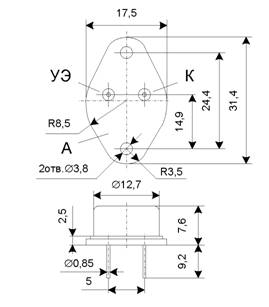
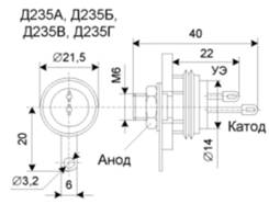
Тиристоры
Д235А, Д235Б, Д235В,
Д235Г
Тиристоры кремниевые диффузионно -
сплавные структуры p-n-p-n
триодные не запираемые . Предназначены для применения в качестве переключающих
элементов средней мощности. Выпускаются в металлическом корпусе с жёсткими
выводами. Тип тиристора приводится на корпусе. Масса тиристора не более 16 г.
Электрические параметры. Напряжение
в открытом состоянии при Iос = 2 А,
Iу.от
= 50 мА, не более:
Т = +25 °С2 В
Т = -60 °С2,5 В
Отпирающее импульсное напряжение
управления
при Uзс = 10 В и Т = -60 °С, не
более5 В
Постоянный ток в закрытом состоянии
при Uзс = Uзс.макс, не более:
Т = +25 и -60 °С2 мА
Т = +100 °С, Тк = +80 °С3 мА
Постоянный обратный ток при Uобр =
Uобр.макс, не более:
Т = +25 и -60 °С2 мА
Т = +100 °С, Тк = +80 °С3 мА
Отпирающий постоянный ток
управления при Uзс = 10 В, не более:
Т = +25 °С30 мА
Т = -60 °С50 мА
Отпирающий импульсный ток
управления при Uзс = 10 В:
Т = -60 °С, не более250 мА
Т = +100 °С, не менее0,5 мА
Предельные эксплуатационные данные.
Обратное постоянное напряжение
управления1 В
Постоянное напряжение в закрытом
состоянии:
при Т = +25 °С:
Д235А, Д235В50 В
Д235Б, Д235Г100 В
при Т = -60 и +100 °С:
Д235А, Д235В40 В
Д235Б, Д235Г80 В
Постоянное обратное
напряжение: при Т = +25 °С:
Д235В50 В
Д235Г100 В
при Т = -60 и +100 °С:
Д235В40 В
Д235Г80 В
Постоянный ток в открытом
состоянии при Тк = -60 ...+70 °С1 2 А Импульсный ток в открытом состоянии:
при Іос.ср < 1 А и
ta < 10 мс10 А
при одиночных импульсах
длительностью до 50 мкс60 А
Постоянный ток
управления при Тк = -60 ... +100 °С150 мА
Импульсный ток
управления при ta = 50 мкс и Тк = -60... +100 °С 350 мА
Средняя рассеиваемая
мощность при Тк = -60 ... +70 °С14 Вт
Температура окружающей
среды-60 ... Тк = +100 °С
КУ101А, КУ101Б, КУ101Г,
КУ101Е
Тринисторы кремниевые
диффузионно - сплавные p-типа триодные не запираемые. Предназначены для
применения в качестве переключающих элементов. Выпускаются в металлостеклянном
герметичном корпусе с гибкими выводами. Тип прибора приводится на корпусе.
Масса не более 2,5 г.
Электрические
параметры.
Ток утечки, не более,
мА0,3
Обратный ток утечки, не
более, мА0,3
Ток спрямления при Uпр
= 10 В, мА0,05 ... 7,5
Предельные
эксплуатационные данные.
Постоянный или средний
прямой ток при температуре
от -55 до +50 °С, мА75
Прямой ток управляющего
электрода, мА15
Прямое импульсное
напряжение, В:
для КУ101А, КУ101Б50
для КУ101Г50
для КУ101Е50
Обратное напряжение, В:
для КУ101А10
для КУ101Б50
для КУ101Г80
для КУ101Е150
КУ208А, КУ208Б, КУ208В,
КУ208Г
Тринисторы кремниевые планарно -
диффузионные Предназначены для работы в качестве симметричных управляемых
ключей средней мощности для схем автоматического регулирования в коммутационных
цепях силовой автоматики на переменном токе. Выпускаются в металлическом
герметичном корпусе с винтом, масса не более 18 г.
Электрические параметры.
Ток утечки, не более, мА5
Ток выключения при Uпр
= 10 В и температуре -55 °С, не более, мА150
Предельные эксплуатационные данные.
Прямой ток управляющего электрода,
мА500
Обратное или прямое напряжение, В:
для
КУ208А100
для
КУ208Б200
для
КУ208В300
для
КУ208Г400
Амплитуда
тока перегрузки:
при
температуре от -55 °С до + 50 °С, А30
при
температуре 70 °С, А15
2У221А (ТИЧ5-100-8-12), 2У221Б (ТИЧ5-100-8-21), 2У221В
(ТИЧ5-100- 6-23), КУ221А, КУ221Б, КУ221В, КУ221Г, КУ221Д
Тиристоры кремниевые диффузионные
структуры p-n-p-n
триодные не запираемые импульсные высокочастотные . Предназначены для
применения в телевизионных приёмниках цветного изображения при частоте до 30
кГц. Выпускаются в металлостеклянном корпусе с жёсткими выводами. Тип тиристора
приводится на корпусе. Масса тиристора не более 7 г.
Электрические параметры. Импульсное
напряжение в открытом состоянии при Іос.и = 20 А, to
= 40.60 мкс, Іу.пр.и = 0,15.1 А, tу = 10.100 мкс и f
< 200 Гц, не более3,5 В
Отпирающее импульсное напряжение
управления при Uзс = 440 В,
Іос.и = 11 А, ta = 10.50 мкс, tу = 2
мкс и f < 200 Гц, не более:
для 2У221А - 2У221В5 В
для КУ221А - КУ221В5 В
Отпирающий импульсный ток
управления при Uзс.и = 440 В,
Іос.и = 11 А, ta
= 10.50 мкс, tу = 2 мкс и f
< 200 Гц, не более:
для 2У221А - 2У221В100 мА
для КУ221А - КУ221В150 мА
Предельные эксплуатационные данные.
Импульсное напряжение в закрытом состоянии:
2У221А,
2У221Б800 В
2У221В,
КУ221Г600 В
КУ221А,
КУ221В700 В
КУ221Б750
В
КУ221Д500
В
Постоянное
напряжение в закрытом состоянии:
2У221А,
2У221Б500 В
2У221В400
В
КУ221А
- КУ221Д300 В
Импульсное
обратное напряжение50 В
Минимальное
напряжение в закрытом состоянии10 В
Обратное
импульсное напряжение управления
2У221А,
2У221В, КУ221А, КУ221Г, КУ221Д10 В
2У221Б,
КУ221Б, КУ221В30 В
Не
повторяющееся импульсное напряжение в закрытом состоянии:
КУ221А,
КУ221В750 В
КУ221Б800
В
КУ221Г700
В
КУ221Д600
В
Импульсный
ток в открытом состоянии:
пилообразная
форма импульсов тока при ta
= 27 мкс и f = 16 кГц
для
2У221А - 2У221В, КУ221А - КУ221В8 А
синусоидальная
форма импульсов тока при ta
= 13 мкс и f = 16 кГц
для 2У221А - 2У221В, КУ221А -
КУ221В15 А
синусоидальная форма импульсов тока
при ta = 50 мкс и f
= 50 Гц 100 А
прямоугольная форма импульсов тока
при ta = 2 мкс,
dUзс / dt
> 100 А / мкс и f = 20 кГц
для 2У221А - 2У221В15 А
экспоненциальная форма импульсов
тока при ta = 1,5 мс,
Шр = 80 мкс и f
= 3 Гц
для КУ221А - КУ221Д70 А
Средний ток в открытом состоянии в
однофазной однополупериодной схеме с активной нагрузкой и синусоидальной форме
тока
при
f = 50 Гц и в = 180°3,2 А
Скорость нарастания напряжения в
закрытом состоянии:
2У221А700 В / мкс
КУ221А500 В / мкс
2У221Б, 2У221В, КУ221Б - КУ221Д200
В / мкс
Прямой импульсный ток управления2 А
Минимальный
импульсный ток управления:
2У221А - 2У221В,
КУ221А - КУ221В0,15 А
КУ221Г,
КУ221Д0,1 А
Минимальная
длительность импульса прямого тока управления:
2У221А -
2У221В0,5 мкс
КУ221А - КУ221Д2
мкс
Температура
окружающей среды:
для 2У221А -
2У221В-60.Тк = +85 °С
для КУ221А -
КУ221Д-40.Тк = +85 °С
3.
Биполярные транзисторы
Биполярным транзистором называют
трехполюсный электропреобразовательный полупроводниковый прибор с двумя выпрямляющими
электрическими переходами, способный усиливать мощность за счет инжекции и
экстракции неосновных носителей заряда.
Транзисторы называются биполярными
так как их работа основана на использовании носителей обеих полярностей –
электронов и дырок.
Устройство транзистора схематично
показано на рисунке 3.1
Рисунок 3.1
Транзистор представляет собой
пластину полупроводника, в которой создано три области различной проводимости,
разделенные двумя p-n
переходами.
Одну из крайних областей
транзистора легируют значительно сильнее, чем две другие. Эту область
используют для инжекции свободных носителей и называют эмиттером. Промежуточную
область называют базой. Основное назначение третей области – коллектора –
экстракция и выведение неосновных носителей из базы. Поэтому размеры коллектора
больше, чем эмиттера.
В зависимости от порядка
чередования областей различают транзисторы n-p-n
и p-n-p
типов. Их обозначения приведены на рисунке 3.2
Рисунок 3.2
С точки зрения технологии
изготовления различают сплавные, диффузионные и планарные транзисторы. В
сплавных и диффузионных транзисторах крайние области создают с помощью вплавления
или диффузии соответствующих примесей в базовую пластину полупроводника. В
планарных (плоских) транзисторах чередование областей создают с помощью
последовательной диффузии различных примесей (рис.3.3).
Рисунок 3.3
Коллектор двухслойный типа n+
n. Область n+
обеспечивает малое сопротивление коллекторной области, область n
– малую емкость и высокое пробивное напряжение коллектора.
Классификация
биполярных транзисторов
Условные обозначения биполярных транзисторов, выпущенных до
1964 года, состоят из букв (П или МП) и цифр, определяющих тип исходного
материала, допустимую рассеиваемую мощность и граничную частоту:
от 1 до 99 — германиевые маломощные низкой частоты;
от 101 до 199 — кремниевые маломощные низкой частоты;
от 201 до 299 — германиевые мощные низкой частоты;
от 301 до 399 — кремниевые мощные низкой частоты;
от 401 до 499 — германиевые маломощные высокой и сверхвысокой
частот;
от 501 до 599 — кремниевые маломощные высокой и сверхвысокой
частот;
от 601 до 699 — германиевые мощные высокой и сверхвысокой
частот;
от 701 до 799 — кремниевые мощные высокой и сверхвысокой
частот.
После цифр может стоять буква, определяющая разбраковку
транзисторов по параметрам.
После 1964 года маркировка проводилась по ГОСТ 10862 - 64,
ГОСТ 10862 - 72, а затем по ОСТ 11.336.038 - 77, ОСТ 11.396.419 - 81. Согласно
ГОСТ 10862 - 64 обозначения полупроводниковых приборов состоят из четырёх
элементов:
Первый элемент – буква или цифра
обозначает исходный материал полупроводника Г или 1 – германий. К или 2 –
кремний.
Второй элемент – буква, указывающая
класс и группу приборов.
Т – транзисторы,
П – полевые транзисторы.
Третий элемент – число указывающее назначение или электрические
свойства транзисторов. Первая цифра этой комбинации определяет допустимую
рассеиваемую мощность и граничную частоту транзистора в соответствии с таблицей
3.1.
Таблица 3.1. Определение допустимой рассеиваемой мощности и
граничной частоты транзистора .
|
P \ f
|
< 3 МГц НЧ
|
3 … 30 МГц СрЧ
|
> 30 МГц ВЧ и СВЧ
|
|
Малой мощности < 0,3 Вт
|
1
|
2
|
3
|
|
Средней мощности 0,3 … 3 Вт
|
4
|
5
|
6
|
|
Мощные > 3 Вт
|
7
|
8
|
9
|
Четвертый элемент – буква,
указывает подтип прибора (модификация по параметрам).
Основные параметры транзисторов
fгр - граничная частота коэффициента передачи тока. Частота, при которой
модуль коэффициента передачи тока в схеме с общим эмиттером экстраполируется к
единице. Частота, равная произведению модуля коэффициента передачи тока на
частоту измерения, которая находится в диапазоне частот, где справедлив закон
изменения модуля коэффициента передачи тока 6 дБ на октаву.
fh21 - предельная частота коэффициента
передачи тока биполярного транзистора. Частота, на которой модуль коэффициента
передачи тока падает на 3 дБ по сравнению с его низкочастотным значением.
h21Э -
статический коэффициент передачи тока биполярного транзистора. Отношение
постоянного тока коллектора к постоянному току базы при заданных постоянном
обратном напряжении коллектор - эмиттер и токе эмиттера в схеме с общим
эмиттером.
h21э -
коэффициент передачи тока биполярного транзистора в режиме малого сигнала в
схеме с общим эмиттером. Отношение изменения выходного тока к вызвавшему его
изменению входного тока в режиме короткого замыкания выходной цепи по
переменному току в схеме с общим эмиттером.
Ік - ток коллектора транзистора.
Ікбо - обратный ток коллектора. Ток через коллекторный
переход при заданном обратном напряжении коллектор - база и разомкнутом выводе
эмиттера.
Ік.макс - максимально допустимый постоянный ток коллектора
транзистора. Ік.и.макс - максимально допустимый импульсный ток коллектора
транзистора.
Ікэк - обратный ток коллектор - эмиттер при короткозамкнутых
выводах базы и эмиттера. Ток в цепи коллектор - эмиттер при заданном обратном
напряжении коллектор - эмиттер и короткозамкнутых выводах эмиттера и базы.
Ікэо - обратный ток коллектор - эмиттер при разомкнутом
выводе базы. Ток в цепи коллектор - эмиттер при заданном напряжении коллектор -
эмиттер и разомкнутом выводе базы.
ІкэR-
обратный ток коллектор - эмиттер при заданном сопротивлении в цепи база -
эмиттер. Ток в цепи коллектор - эмиттер при заданном обратном напряжении
коллектор - эмиттер и заданном сопротивлении в цепи база - эмиттер.
Ікэх - обратный ток коллектор - эмиттер заданном обратном
напряжении база - эмиттер.
Іэ - ток эмиттера транзистора.
Іэбо - обратный ток эмиттерного перехода при разомкнутом
выводе коллектора транзистора.
Іэ.макс - максимально допустимый постоянный ток эмиттера
транзистора.
Іэ.и.макс - максимально допустимый импульсный ток эмиттера
транзистора.
Кш - коэффициент шума транзистора. Для биполярного
транзистора это отношение мощности шумов на выходе транзистора к той её части,
которая вызвана тепловыми шумами сопротивления источника сигнала.
Рмакс - максимально допустимая постоянно рассеиваемая
мощность.
Рк.макс - максимально допустимая постоянная мощность,
рассеивающаяся на коллекторе транзистора.
Рк.и.макс - максимально допустимая импульсная мощность,
рассеивающаяся на коллекторе транзистора.
Рк.ср.макс - максимально допустимая средняя мощность,
рассеивающаяся на коллекторе транзистора.
Q - скважность.
Rтп-с - тепловое сопротивление от
перехода к окружающей среде.
Rтп-к - тепловое сопротивление от
перехода к корпусу транзистора.
tвкл - время включения биполярного транзистора. Интервал
времени, являющийся суммой времени задержки и времени
нарастания.
tвыкл - время выключения биполярного транзистора. Интервал
времени между моментом подачи на базу запирающего импульса и моментом, когда
напряжение на коллекторе транзистора достигнет значения, соответствующего 10 %
его амплитудного значения.
Тмакс - максимальная температура корпуса транзистора.
Тп.макс - максимальная температура перехода транзистора.
tрас - время рассасывания биполярного транзистора. Интервал
времени между моментом подачи на базу запирающего импульса и моментом, когда
напряжение на коллекторе транзистора достигает заданного уровня.
Uкб - напряжение коллектор - база транзистора.
Uкбо.макс - максимально допустимое постоянное напряжение коллектор - база
при токе эмиттера, равном нулю.
Uкбо.и.макс - максимально допустимое импульсное напряжение коллектор -
база при токе эмиттера, равном нулю.
Uкэо.гр - граничное напряжение между коллектором и эмиттером транзистора
при разомкнутой цепи базы и заданном токе эмиттера.
UкэR макс - максимальное напряжение между
коллектором и эмиттером при заданном (конечном) сопротивлении в цепи база -
эмиттер транзистора.
Uкэх.и.макс - максимально допустимое импульсное напряжение между
коллектором и эмиттером при заданных условиях в цепи база - эмиттер.
Uкэ - напряжение коллектор - эмиттер транзистора.
Uкэ.нас - напряжение насыщения между коллектором и эмиттером транзистора. Uэбо.макс - максимально допустимое
постоянное напряжение эмиттер - база при токе коллектора, равном нулю.
Класификация биполярных транзисторов относительно основных
параметров
Тип прибора
|
Предельные значения
параметров
при Тп = 25 °С
|
Значения параметров
при Тп = 25 °С
|
|
Ік.макс, мА
|
Ік.и.макс,
мА
|
UкэR.гр, {Uкэо.макс},
B
|
Uэбо. макс,
B
|
Рк.макс, {Рк.и.макс},
мВт
|
h21, {h21Э}
|
Uкб, {Uкэ}, B
|
Iэ, {Iк}, мА
|
Uкэ. нас, B
|
Ікбо, мкА
|
fгp, {fh21}, МГц
|
|
1Т102
|
6
|
-
|
5
|
5
|
30
|
20
|
5
|
1
|
-
|
10
|
1
|
|
КТ214Е-1
|
50
|
100
|
{20}
|
20
|
50
|
40
|
1
|
0,04
|
0,6
|
1
|
-
|
|
М5А
|
70
|
150
|
{15}
|
10
|
75
|
{20.50}
|
1
|
10
|
0,15
|
20
|
1
|
|
МП42А
|
100
|
200
|
15
|
-
|
200
|
{30.50}
|
{1}
|
{10}
|
0,2
|
25
|
1
|
|
П41
|
20
|
150
|
15
|
10
|
150
|
30.100
|
5
|
1
|
-
|
15
|
1
|
|
П40А
|
20
|
150
|
30
|
5
|
150
|
20.80
|
5
|
1
|
-
|
-
|
-
|
|
Тип прибора
|
Предельные значения
параметров при Тп = 25 °С
|
Значения параметров
при Тп = 25 °С
|
|
Ік.макс, мА
|
Ік.и.макс,
мА
|
Uкэя.макс,
{икэо.гр}, B
B
|
Рк.макс, {Р макс},
мВт
|
h21,
{h21Э}
|
Uкб,
{икэ}, B
|
1э, {Ік}, мА
|
Uкэ.нас,
B
|
Ікбо, {1кэк}, мкА
|
fгp,
{fh21},
МГц
|
|
2Т127А-1
|
50
|
-
|
{25}
|
25
|
15
|
{15.60}
|
{5}
|
1
|
0,5
|
1
|
0,1
|
|
2Т127Б-1
|
50
|
-
|
{25}
|
25
|
15
|
{40.200}
|
{5}
|
1
|
0,5
|
1
|
0,1
|
|
М3А
|
50
|
100
|
{15}
|
15
|
75
|
{18.55}
|
1
|
10
|
0,5
|
{20}
|
1
|
|
МП9А
|
20
|
150
|
{15}
|
15
|
{150}
|
15.45
|
5
|
1
|
-
|
30
|
{1}
|
|
МП113
|
20
|
100
|
10
|
10
|
{150}
|
15.45
|
5
|
1
|
-
|
3
|
{1}
|
|
ТМ3А
|
50
|
100
|
{15}
|
15
|
75
|
{18.55}
|
1
|
10
|
0,5
|
{20}
|
1
|
|
Тип прибора
|
Предельные значения
параметров при Тп = 25 °С
|
Значения параметров
при Тп = 25 °С
|
|
Ік.макс, мА
|
Ік.и.макс,
мА
|
UкэR.гр, {Uкэо.макс}, B
|
Uэбо. макс,
B
|
Рк.макс, {Рк.и.макс}, мВт
|
h21, {h21Э}
|
Uкб, {Uкэ}, B
|
Iэ, {Iк}, мА
|
Uкэ. нас, B
|
Ікбо, мкА
|
fгp, {fh21}, МГц
|
|
1Т101Б
|
10
|
-
|
15
|
15
|
50
|
{60.120}
|
5
|
1
|
-
|
15
|
{5}
|
|
2Т203В
|
10
|
50
|
15
|
15
|
150
|
{60.200}
|
5
|
1
|
-
|
-
|
10
|
|
КТ208Б
|
150
|
300
|
20
|
20
|
200
|
40.120
|
1
|
30
|
0,4
|
-
|
5
|
|
КТ209А
|
300
|
500
|
15
|
15
|
200
|
20.60
|
1
|
30
|
0,4
|
-
|
5
|
|
П28
|
6
|
-
|
5
|
5
|
30
|
{33.100}
|
5
|
0,5
|
-
|
3
|
{5}
|
|
П406
|
5
|
-
|
{6}
|
6
|
30
|
{20}
|
6
|
1
|
-
|
6
|
{10}
|
|
Тип
прибора
|
Предельные
значения параметров при Тп = 25 °С
|
Значения
параметров при Тп = 25 °С
|
|
Ік.макс, мА
|
Ік.и.макс,
мА
|
UкэR.гр, {Uкэо.макс},
B
|
Uэбо. макс,
B
|
Рк.макс, {Рк.и.макс},
мВт
|
h21, {h21Э}
|
Uкб, {Uкэ}, B
|
Iэ, {Iк}, мА
|
Uкэ. нас, B
|
Ікбо, мкА
|
fгp, {fh21}, МГц
|
|
П307
|
30
|
120
|
80
|
80
|
250
|
16.50
|
20
|
10
|
-
|
3
|
20
|
|
П307А
|
30
|
120
|
80
|
80
|
250
|
30.90
|
20
|
10
|
-
|
3
|
20
|
|
П307Б
|
15
|
120
|
80
|
80
|
250
|
50.150
|
20
|
10
|
-
|
3
|
20
|
|
П307Г
|
15
|
120
|
80
|
80
|
250
|
16.50
|
20
|
10
|
-
|
3
|
20
|
|
П308
|
30
|
120
|
120
|
120
|
250
|
30.90
|
20
|
10
|
-
|
3
|
20
|
|
Тип прибора
|
Предельные значения параметров при Тп = 25 °С
|
Значения параметров при Тп = 25 °С
|
|
Ік.
макс, мА
|
Ік.и.
макс, мА
|
Uкэя.макс,
{Uкэо.гр}, [Uкэо.макс],
B
|
Uкбо.
макс, B
|
Uэбо.
макс, B
|
Рк.макс, мВт
|
h21, {h21Э}
|
Uкб,
{икэ}, B
|
Iэ, {Iк}, мА
|
Uкэ. нас, B
|
Ікбо, мкА
|
fгр,
{fмакс}, МГц
|
Кш, дБ
|
|
2Т3117А
|
400
|
800
|
60
|
60
|
4
|
{300}
|
40.200
|
5
|
200
|
0,5
|
5
|
200
|
-
|
|
ГТ311Б
|
50
|
-
|
12
|
-
|
2
|
150
|
30.180
|
3
|
15
|
0,3
|
5
|
-
|
-
|
|
КТ312Б
|
30
|
60
|
35
|
-
|
4
|
{225}
|
25.100
|
2
|
20
|
0,8
|
10
|
-
|
-
|
|
КТ315И
|
50
|
-
|
60
|
-
|
6
|
100
|
30
|
{10}
|
{1}
|
-
|
1
|
250
|
-
|
|
КТ339А
|
25
|
-
|
{25}
|
40
|
4
|
260
|
25
|
10
|
7
|
-
|
1
|
300
|
-
|
|
КТ3102В
|
100
|
200
|
{30}
|
30
|
5
|
{250}
|
200.500
|
5
|
2
|
-
|
0,01
|
-
|
10
|
|
Тип
прибора
|
Предельные значения параметров при Тп = 25 °С
|
Значения параметров при Тп = 25 °С
макс, мА
|
Ік.и.
макс, мА
|
Uкэя.макс,
{Uкэо.гр}, [Uкэо.макс],
B
|
Uкбо.
макс, B
|
Uэбо.
макс, B
|
Рк.макс, мВт
|
h21, {h21Э}
|
Uкб,
{икэ}, B
|
Iэ, {Iк}, мА
|
Uкэ. нас, B
|
Ікбо, мкА
|
fгр,
{fмакс}, ГГц
|
Кш, дБ
|
|
1Т313А
|
50
|
-
|
{7}
|
12
|
0,7
|
100
|
10.230
|
{3}
|
15
|
0,7
|
5
|
0,3.1
|
8
|
|
ГТ376А
|
10
|
-
|
{7}
|
7
|
0,25
|
35
|
10.150
|
5
|
2
|
-
|
5
|
1
|
4
|
|
КТ326А
|
50
|
-
|
15
|
20
|
4
|
200
|
20.70
|
2
|
10
|
1,2
|
0,5
|
0,4
|
-
|
|
КТ3127А
|
20
|
-
|
20
|
20
|
3
|
100
|
25.150
|
5
|
3
|
-
|
1
|
0,6
|
5
|
|
КТ3128А
|
20
|
-
|
20
|
20
|
3
|
100
|
15.150
|
5
|
3
|
-
|
1
|
0,8
|
5
|
|
П418Г
|
10
|
-
|
{7}
|
10
|
0,3
|
50
|
8.70
|
1
|
10
|
-
|
3
|
0,4
|
-
|
|
Тип
прибора
|
Предельные значения параметров
при Тп = 25 °С
|
Значения параметров при Тп = 25
°С
|
|
Ік.
макс,
мА
|
Ік.и.
макс,
мА
|
UкэR.макс,
{Uкэо.гр}, [Uкэо.макс],
B
|
Uкбо.
макс, B
|
Uэбо.
макс, B
|
Рк.макс,
мВт
|
h21,
{h21Э}
|
Uкб,
{икэ}, B
|
Iэ, {Iк}, мА
|
Uкэ. нас, B
|
Ікбо,
мкА
|
fгр,
{fмакс}, ГГц
|
Кш,
дБ
|
|
1Т311А
|
50
|
-
|
12
|
12
|
2
|
{150}
|
15.180
|
3
|
15
|
0,3
|
5
|
0,3
|
8
|
|
2Т368Б
|
30
|
60
|
15
|
15
|
4
|
{225}
|
50.300
|
1
|
{10}
|
-
|
0,5
|
0,9
|
3,3
|
|
2Т396А-2
|
40
|
40
|
10
|
15
|
3
|
{30}
|
40.250
|
2
|
{5}
|
-
|
0,5
|
2,1
|
-
|
|
КТ325Б
|
30
|
60
|
15
|
15
|
4
|
{225}
|
70.210
|
5
|
{10}
|
-
|
0,5
|
0,8
|
-
|
|
КТ325В
|
30
|
60
|
15
|
15
|
4
|
{225}
|
160.400
|
5
|
{10}
|
-
|
0,5
|
1
|
-
|
|
КТ366В
|
45
|
70
|
{10}
|
15
|
4,5
|
{90}
|
50.200
|
{1}
|
15
|
0,25
|
0,1
|
1
|
-
|
|
Тип прибора
|
Предельные значения параметров при Тп = 25 °С
|
Значения параметров при Тп = 25 °С
|
|
Ік.
макс, А
|
UкэR.
макс, В
|
Рк.макс, Вт
|
Т,°С
|
Тп.
макс, °С
|
Тмакс, °С
|
h21Э
|
Uкб, {Uкэ},
B
|
Iэ,
мА
|
Ікбо, мкА
|
fh21, МГц
|
Rтп-с, °С / Вт
|
|
ГТ402А
|
0,5
|
25
|
0,6
|
-
|
85
|
55
|
30.80
|
1
|
3
|
20
|
1
|
100
|
|
ГТ402Б
|
0,5
|
25
|
0,6
|
-
|
85
|
55
|
60.150
|
1
|
3
|
20
|
1
|
100
|
|
ГТ402В
|
0,5
|
40
|
0,6
|
-
|
85
|
55
|
30.80
|
1
|
3
|
20
|
1
|
100
|
|
КТ502А
|
0,15
|
25
|
0,35
|
25
|
125
|
85
|
40.120
|
5
|
10
|
1
|
5
|
214
|
|
КТ502Б
|
0,15
|
25
|
0,35
|
25
|
125
|
85
|
80.240
|
5
|
10
|
1
|
5
|
214
|
|
КТ502В
|
0,15
|
40
|
0,35
|
25
|
125
|
85
|
40.120
|
5
|
10
|
1
|
5
|
214
|
|
Тип прибора
|
Предельные значения параметров при Тп = 25 °С
|
Значения параметров при Тп = 25 °С
|
|
Ік.
макс, А
|
UкэR.
макс, В
|
Рк.макс, Вт
|
Т,°С
|
Тп.
макс, °С
|
Тмакс, °С
|
h21Э
|
Uкб, {Uкэ},
B
|
Iэ,
мА
|
Ікбо, мкА
|
fh21, МГц
|
Rтп-с, °С / Вт
|
|
ГТ404Е
|
0,5
|
25
|
0,6
|
25
|
85
|
55
|
60.150
|
1
|
3
|
25
|
1
|
100
|
|
ГТ404Ж
|
0,5
|
40
|
0,6
|
25
|
85
|
55
|
30.80
|
1
|
3
|
25
|
1
|
100
|
|
ГТ404И
|
0,5
|
40
|
0,6
|
25
|
85
|
55
|
60.150
|
1
|
3
|
1
|
100
|
|
КТ503А
|
0,15
|
{25}
|
0,35
|
-
|
125
|
-
|
40.120
|
5
|
{10}
|
1
|
5
|
214
|
|
КТ503Б
|
0,15
|
{25}
|
0,35
|
-
|
125
|
-
|
80.240
|
5
|
{10}
|
1
|
5
|
214
|
|
КТ503В
|
0,15
|
{40}
|
0,35
|
-
|
125
|
-
|
40.120
|
5
|
{10}
|
1
|
5
|
214
|
|
Тип
прибора
|
Предельные значения
параметров при Тп = 25 °С
|
Значения параметров
при Тп = 25 °С
|
|
Ік.
макс,
мА
|
Ік.и.
макс,
мА
|
Uкэя.макс,
{Uкэо.гр}, [Uкэо.макс],
B
|
Uкбо.
макс, B
|
Uэбо.
макс, B
|
Рк.макс,
мВт
|
h21,
{h21Э}
|
Uкб,
{икэ}, B
|
Iэ, {Iк}, мА
|
Uкэ. нас, B
|
Ікбо,
мкА
|
fгр,
{fмакс}, МГц
|
|
2Т313А
|
0,6
|
0,7
|
[50]
|
60
|
5
|
1,5
|
30.120
|
10
|
1
|
0,5
|
0,5
|
200
|
|
2Т629АМ-2
|
1
|
-
|
50
|
50
|
4,5
|
1
|
25.80
|
1,5
|
500
|
0,8
|
5
|
250
|
|
2Т632А
|
0,1
|
0,35
|
[120]
|
120
|
5
|
0,5
|
50
|
{10}
|
1
|
0,5
|
1
|
200
|
|
КТ644Г
|
0,6
|
1
|
40
|
60
|
5
|
1
|
100.300
|
10
|
150
|
0,4
|
0,1
|
200
|
|
П607А
|
0,3
|
0,6
|
25
|
30
|
1,5
|
{1,5}
|
60.200
|
{3}
|
{250}
|
2
|
300
|
60
|
|
П608
|
0,3
|
0,6
|
25
|
30
|
1,5
|
{1,5}
|
40.120
|
{3}
|
{250}
|
2
|
300
|
90
|
|
Тип прибора
|
Предельные значения параметров при Тп = 25 °С
|
Значения параметров при Тп = 25 °С
|
|
Ік.
макс, мА
|
Ік.и.
макс, мА
|
Uкэя.макс,
{Uкэо.гр}, [Uкэо.макс],
B
|
Uкбо.
макс, B
|
Uэбо.
макс, B
|
Рк.макс, мВт
|
h21, {h21Э}
|
Uкб,
{икэ}, B
|
Iэ, {Iк}, мА
|
Uкэ. нас, B
|
Ікбо, мкА
|
fгр,
{fмакс}, МГц
|
|
2Т608Б
|
0,4
|
0,8
|
60
|
60
|
4
|
0,5
|
50.160
|
5
|
200
|
1
|
10
|
200
|
|
КТ601А
|
0,03
|
-
|
100
|
100
|
2
|
0,5
|
16
|
{20}
|
10
|
-
|
{500}
|
40
|
|
КТ603Е
|
0,3
|
0,6
|
10
|
10
|
3
|
0,5
|
60.200
|
2
|
150
|
1
|
1
|
200
|
|
КТ605А
|
0,1
|
0,2
|
250
|
300
|
5
|
0,4
|
10.40
|
40
|
20
|
8
|
[20]
|
40
|
|
КТ645Б
|
0,3
|
0,6
|
40
|
40
|
4
|
0,5
|
80
|
10
|
2
|
0,5
|
10
|
200
|
|
КТ646А
|
1
|
1,2
|
50
|
60
|
4
|
1
|
40.200
|
5
|
200
|
0,85
|
10
|
200
|
|
Тип
прибора
|
Предельные значения
параметров при Тп = 25 °С
|
Значения параметров
при Тп = 25 °С
|
|
Ік.
макс,
А
|
Ік.и.
макс,
А
|
Uкэя.макс,
{Uкэо.гр}, [Uкэо.макс],
B
|
Uкбо.
макс, B
|
Uэбо.
макс, B
|
Рк.макс,
Вт
|
h21,
{h21Э}
|
Uкб,
{икэ}, B
|
Iэ, {Iк}, А
|
Uкэ. нас, B
|
Ікбо,
мА
|
fгр,
{fмакс}, МГц
|
|
1Т702В
|
30
|
-
|
{40}
|
60
|
4
|
150
|
15.100
|
{1,5}
|
30
|
0,6
|
12
|
0,12
|
|
2Т818А
|
15
|
20
|
80
|
100
|
5
|
100
|
20
|
{5}
|
{5}
|
1
|
-
|
3
|
|
ГТ703Д
|
3,5
|
-
|
[40]
|
-
|
-
|
15
|
20.45
|
1
|
0,05
|
0,6
|
0,5
|
0,01
|
|
КТ814А
|
1,5
|
3
|
25
|
-
|
5
|
10
|
40
|
{2}
|
{0,15}
|
0,6
|
0,05
|
3
|
|
КТ835А
|
3
|
-
|
30
|
30
|
-
|
-
|
25
|
{1}
|
{1}
|
0,35
|
0,1
|
3
|
|
П210
|
12
|
-
|
{60}
|
-
|
-
|
60
|
15
|
-
|
-
|
-
|
12
|
{0,1}
|
|
Тип
прибора
|
Предельные
значения параметров при Тп = 25 °С
|
Значения
параметров при Тп = 25 °С
|
|
Ік.макс, А
|
Ік.и.макс,
А
|
UкэR.гр, {Uкэо.макс}, B
|
Uэбо. макс,
B
|
Рк.макс, {Рк.и.макс}, Вт
|
h21, {h21Э}
|
Uкб, {Uкэ}, B
|
Iэ, {Iк}, А
|
Uкэ. нас, B
|
Ікбо, мА
|
fгp, {fh21}, МГц
|
|
2ТК235-40-1
|
25
|
40
|
90
|
6
|
{3300}
|
10
|
5
|
1,5
|
5
|
-
|
|
2Т704А
|
2,5
|
4
|
[1000]
|
4
|
15
|
10.100
|
15
|
1
|
5
|
[5]
|
3
|
|
2Т819В-2
|
15
|
20
|
40
|
5
|
40
|
20
|
{5}
|
{5}
|
1
|
-
|
3
|
|
2Т848А
|
15
|
-
|
400
|
7
|
35
|
20
|
5
|
15
|
1,5
|
5
|
3
|
|
ГТ705Д
|
3,5
|
-
|
{20}
|
-
|
15
|
90.250
|
1
|
{0,5}
|
1
|
[1,5]
|
{0,01}
|
|
КТ815А
|
1,5
|
3
|
25
|
5
|
10
|
40
|
2
|
0,15
|
0,6
|
{0,05}
|
3
|
|
Тип прибора
|
Предельные значения
параметров при Тп = 25 °С
|
Значения параметров
при Тп = 25 °С
|
|
Ік.макс, А
|
Ік.и.макс,
А
|
UкэR.гр, {Uкэо.макс}, B
|
Uэбо. макс,
B
|
Рк.макс, {Рк.и.макс}, Вт
|
h21, {h21Э}
|
Uкб, {Uкэ}, B
|
Iэ, {Iк}, А
|
Uкэ. нас, B
|
Ікбо, мА
|
fгp, {fh21}, МГц
|
|
1Т910АД
|
10
|
20
|
25
|
-
|
35
|
50.320
|
10
|
{10}
|
0,6
|
6
|
30
|
|
2Т505А
|
1
|
2
|
250
|
5
|
5
|
25.140
|
{10}
|
{0,5}
|
1,8
|
0,1
|
20
|
|
ГТ906АМ
|
10
|
-
|
75
|
1,4
|
15
|
30.150
|
{10}
|
{5}
|
0,5
|
{8}
|
-
|
|
КТ837А
|
7,5
|
-
|
{60}
|
15
|
30
|
10.40
|
5
|
2
|
2,5
|
0,15
|
-
|
|
КТ865А
|
10
|
-
|
160
|
6
|
100
|
40.200
|
{4}
|
{2}
|
2
|
0,1
|
15
|
|
П601АИ
|
-
|
1,5
|
25
|
0,7
|
3
|
40.100
|
3
|
0,5
|
2
|
1,5
|
20
|
|
Тип прибора
|
Предельные значения
параметров при Тп = 25 °С
|
Значения параметров
при Тп = 25 °С
|
|
Ік.макс, А
|
Ік.и .макс,
А
|
UкэR.гр, {Uкэо.макс}, B
|
Uэбо. макс,
B
|
Рк.макс, {Рк.и. макс},
Вт
|
h21, {h21Э}
|
Uкб, {Uкэ}, B
|
Iэ, {Iк}, А
|
Uкэ. нас, B
|
Ікбо, мА
|
fгp, {fh21}, МГц
|
|
2Т504Б
|
1
|
2
|
150
|
250
|
10
|
15.140
|
{5}
|
{0,5}
|
1
|
0,1
|
20
|
|
2Т803А
|
10
|
-
|
[60]
|
-
|
60
|
18.80
|
10
|
5
|
2,5
|
1
|
20
|
|
П701Б
|
0,5
|
-
|
[40]
|
40
|
10
|
30.100
|
{10}
|
0,5
|
7
|
0,1
|
20
|
|
П702
|
2
|
-
|
{60}
|
60
|
40
|
25
|
{10}
|
{1,1}
|
2,5
|
5
|
4
|
|
ТК135-25-0,5
|
16
|
25
|
{30}
|
{50}
|
80
|
10.100
|
5
|
12,5
|
2
|
10
|
6
|
|
ТК135-25-1
|
16
|
25
|
{60}
|
{100}
|
80
|
10.100
|
5
|
12,5
|
2
|
10
|
6
|
4.
Интегральная
микросхема
Интегральная
микросхема — микроэлектронное изделие, выполняющее
определенную функцию преобразования и обработки сигналов и имеющее высокую
плотность упаковки электрически соединенных элементов (или элементов и
компонентов) и (или) кристаллов. Это изделие с точки зрения требований к
испытаниям, приемке, поставке и эксплуатации рассматривается как единое целое.
Термин «интегральная микросхема» имеет два подчиненных понятия: элемент ИС (или
просто элемент) и компонент ИС (или просто компонент).
Элемент — это часть ИС, реализующая
функцию какого-либо простого электрорадиоэлемента (например, транзистора,
диода, резистора, конденсатора). Элемент нельзя отделить от кристалла ИС (или ее
подложки) как самостоятельное изделие, следовательно, его нельзя испытать,
упаковать и эксплуатировать. Примеры интегральных элементов: пленочный резистор
в гибридной ИС, транзистор в полупроводниковой ИС.
Компонент — это часть ИС, также
реализующая функцию какого-либо электрорадиоэлемента, однако компонент перед
сборкой ИС был
самостоятельным изделием в специальной упаковке (комплектующее изделие).
Компонент в принципе может быть отделен от изготовленной ИС (например, для
замены при ремонте). Примеры интегральных компонентов: бескорпусный транзистор,
керамический конденсатор в гибридной ИС.
Классификация ИС
В зависимости от
технологии изготовления ИС могут быть полупроводниковыми, пленочными или
гибридными. В ГОСТ 17021—75 даются следующие определения этим трем
разновидностям ИС.
В полупроводниковой ИС
все элементы и межэлементные соединения выполнены в объеме и на поверхности
полупроводника.
В пленочной ИС все
элементы и межэлементные соединения выполнены только в виде пленок проводящих и
диэлектрических материалов. Вариантами пленочных являются тонкопленочные и
толстопленочные ИС.
Различие между
тонкопленочными и толстопленочными ИС может быть количественным и качественным.
К тонкопленочным условно относят ИС с толщиной пленок до
1 мкм, а к толстопленочным — ИС с толщиной пленок свыше 1 мкм. Качественные
различия определяются технологией изготовления пленок. Элементы тонкопленочной
ИС наносятся на подложку, как правило, с помощью термовакуумного осаждения и
катодного распыления, а элементы толстопленочной ИС изготавливаются
преимущественно методом шелкографии с последующим выжиганием.
Наконец, к гибридным микросхемам относят
ИС, содержащие, кроме элементов, простые и сложные компоненты (например,
кристаллы полупроводниковых ИС). Частным случаем гибридной ИС является
многокристальная ИС (совокупность нескольких бескорпусных ИС на одной
подложке).
В зависимости от функционального
назначения ИС делятся на две основные категории — аналоговые и цифровые.
Аналоговые ИС (АИС) предназначены для преобразования и обработки сигналов,
изменяющихся по закону непрерывной функции. Частным случаем АИС является ИС с
линейной характеристикой (линейная микросхема, ЛИС). К цифровым относятся ИС, с
помощью которых преобразуются и обрабатываются сигналы, выраженные в двоичном
или другом коде. Вариантом определения ЦИС является термин логическая
микросхема (операции с двоичным кодом описываются логической алгеброй).
При появление микропроцессорной техники
в 1981 г. в ГОСТ 17021—75 были добавлены четыре термина. Микропроцессор определен
как устройство, управляемое программным способом, осуществляющее процесс
обработки цифровой информации и управления. Это устройство изготовлено на
основе одной или нескольких БИС.
Операционные
усилители
Операционным
усилителем (ОУ) принято называть интегральный усилитель постоянного тока с
большим коэффициентом усиления, с помощью которого можно строить узлы
аппаратуры с параметрами, зависящими только от свойств цепи отрицательной
обратной связи, в которую он включен. ОУ можно использовать для построения
самых разнообразных узлов аппаратуры (по различным источникам — более 200).
К140УД1А,
К140УД1Б, К140УД1В, КР140УД1А, КР140УД1Б, КР140УД1В
Микросхемы
представляют собой операционные усилители средней точности без частотной
коррекции. Содержат 22 интегральных элемента. Корпус К140УД1А-К140УД1В типа
301.12-1, масса не более 1,5 г, КР140УД1А-КР140УД1В — типа 201.14-1. масса не
более 1,5 г.
Условное графическое
обозначение К140УД1, КР140УД1
Назначение
выводов: К140УД1: 1 - напряжение питания (- Un); 2, 3, 12 — контрольные; 4 - общий; 5 - выход; 7 - напряжение питания (+ Un); 9 - вход инвертирующий; 10 - вход неинвертирующий.
КР140УД1: 1 -
напряжение питания (- Un); 2, 4, 14 - контрольные; 5 - общий; 7- выход; 8 - напряжение питания
(+ Un); 10 - вход инвертирующий; 11 - вход неинвертирующий.
Общие рекомендации по
применению
При
одновременной подаче на входы ИС синфазного и дифференциального входных
напряжений потенциал на каждом входе не должен превышать 1,5 и З В для К140УД1,
КР140УД1А, 3 и 6 В для К140УД1Б, К140УДВ, КР140УДБ, КР140УДВ.
Электрические
параметры
Номинальное
напряжение питания:
К140УД1
А, КР140УД1А……………………
± 6,3 В ± 0,5%
К140УД1Б,
К140УД1В, КР140УД1Б,
КР140УД1В
..........................................
.. ± 12,6 В ± 0,5%
Максимальное
выходное напряжение:
при Uп = ± 6,3 В, Rн=5,05к0м,
Uвх = ± 0,1 В:
К140УД1А
………………………………………………. >±2,8 В
КР140УД1А
…………………………………………....
>ЗВ
при Uп = ± 12.6 В, Rн =
5,05 кОм:
К140УД1Б,
К140УД1В, КР140УД1Б,
КР140УД1В
при Uвх = -0,1 В……………………………….. >6В
К140УД1Б,
К140УД1В при Uвх=0,1 В ..................................... >-5,7 В
Напряжение
смещения нуля:
при
Uп = ± 6,3 В, Rн
=5,05 кОм для К140УД1А,
КР140УД1А
………………………………………………. < ±7 мВ
при
Un = ± 12,6 В, Rн=
5,05 кОм:
К140УД1Б.
К140УД1В, КР140УД1В………………………… <±7 мВ
КР140УД1Б
…………………………………………. < ±5 мВ
Ток
потребления:
К140УД1А,
КР140УД1А…………………………… < 4,5 мА
К140УД1Б,
К140УД1В, КР140УД1Б, КР140УД1В …< 10 мА
Входной
ток:
При
Un = ± 6,3 В, Rн
=5,05 кОм
для
К140УД1 А, КР140УД1А <
7 мкА
при Un = ± 12,6 В. Rн
=5,05 кОм:
КР140УД1Б
……………… < 7,5 мкА
К140УД1Б,
К140УД1В, КР140УД1В ……………… < 9 мкА
Разность
входных токов
К140УД1А-
К140УД1В, КР140УД1А- КР140УД1В………….. < 2,5 мкА
Коэффициент
усиления напряжения:
при Un = ± 6,3 В, Uвх=0,1
В, Rн = 5,05 кОм
для
К140УД1А, КР140УД1А..............500…4500
при Un =
± 12,6 В, Uвх
= 0,1 В, Rн =5,05 кОм:
К140УД1Б
..……………………………….1350...12 000
КР140УД1Б
……………………….2000...12 000
КР140УД1В,
К140УД1В……………………………….>8000
Коэффициент ослабления
синфазного входного напряжения
…...> 60 дБ
Средний температурный
коэффициент напряжения смещения….<60мкВ/°С
Средний температурный
коэффициент
разности входных токов
при 7= - 45...+ 25 °С………………< ± 50 нА / °С
Максимальная скорость
нарастания выходного напряжения:
К140УД1А
……………………………>1 В/мкс
К140УД1Б, К140УД1В
…………………………..>3,5
В/мкс
КР140УД1А
…………………………..> 0,2 В /мкс
КР140УД1Б,
КР140УД1В…………………………..> 0,4 В/мкс
Время установления
выходного напряжения ……………….<1,5 мкс
Входное сопротивление:
К140УД1А, КР140УД1А
…………………………………..50 кОм
К140УД1Б, К140УД1В,
КР140УД1Б, КР140УД1В ……………..30 кОм
Выходное
сопротивление…………………………………..............300 Ом
Частота единичного
усиления ……………………………0,1 МГц
Предельно допустимые режимы эксплуатации
Напряжение питания:
К140УД1А, КР140УД1А ..
……………… …………………≤ ± 6,6 В
в предельном
режиме……………………………………………..≤ ± 7 В
К140УД1Б, К140УД1В,
КР140УД1Б, КР140УД1В…………..≤ ± 13,2 В
в предельном режиме с
учетом пульсаций ……………….≤ ± 14 В
Дифференциальное
входное напряжение…………………………≤ ± 1 В
в предельном режиме
………………………..± 1,2 В
Синфазное входное
напряжение:
К140УД1А,
КР140УД1А………………………….≤±ЗВ
в предельном режиме
…………………………≤ ± 3,3 В
К140УД1Б, К140УД1В,
КР140УД1Б, КР140УД1В……………..≤ 6 В
в предельном режиме ......………………………..≤
± 6,3 В
Выходной ток
…………………………..≤ 2 мА
в предельном режиме
……………………………..≤
2,5 мА
Температура окружающей
среды:
К140УД1
………………………-45...+ 85 °С
КР140УД1
…………………………-45...+ 70 °С
К140УД2А,
К140УД2Б
Микросхемы представляют
собой операционный усилитель средней
точности с составными транзисторами на входе, без частотной
коррекции, где
47 интегральных элемента.
Корпус
типа 301.12-1, масса не более 1,5г.
Условное графическое
обозначение К140УД2 (А, В)
Назначение выводов: 1 - напряжение питания
(- Un); 2 - коррекция 1; 5
- выход; 7 - напряжение питания (+ Un); 8 - коррекция
2; 9 - вход инвертирующий; 10
- вход
неинвертирующий; 11 - коррекция 3; 12
- коррекция 4.
Общие рекомендации по применению
Не рекомендуется
подводить какие-либо электрические сигналы к выводам ИС, не используемым
согласно электрической схеме (в том числе к шинам «питание» и «корпус»).
Замену ИС в аппаратуре
рекомендуется проводить тольм при
отключенных источниках питания.
Для обеспечения
устойчивости работы ИС необходимо включать корректирующие цепи.
Длина проводника от
корпуса ИС до конденсаторов или резисторов,
не используемых для частотной коррекции и шунтирующих источник питания, не
должна превышать 50 мм.
Электрические параметры
Номинальное напряжение
питания:
К140УД2А ……………………± 12,6 В ± 5%
К140УД2Б …………………………..±6,3
В ±5%
Выходное напряжение:
При Un = ± 12,6 В
…………………………..≥±10В
При Un=
± 6,3 В ……………..≥ ± 3 В
Напряжение
смещения нуля:
При Un=12,6В для К140УД2А……………………………………..... ≤5мВ
Входной
ток при
Un = ± 12,6 В и Un =± 6,3 В…………………≤ ± 0,7 мкА
Разность
входных токов при Un = ± 12,6 В и Un =± 6,3 В …... ≤± 0,2 мкА
Ток
потребления:
К140УД2А
при Un = ± 12,6 В…………………………………………≤8 мА
К140УД2Б
при Un = ± 6.3 В ..……… ……………………….≤ 5 мА
Коэффициент
усиления:
К140УД2А
при Un = ± 12,6 В …………………………….30 ·103...240 ·103
К140УД2Б
при Un= ±6,3 В .…………………………………. 2·103...50 ·103
Предельно допустимые
режимы эксплуатации
Напряжение
литания
К140УД2А
. ……………………………………………± 13,3 В
в
предельном режиме с учетом пульсаций……………………. ±15 В
К140УД2Б....................................................±6,6
В
в
предельном режиме ……………………………………±7,5 В
Напряжение
между входами при RГ≥ 1 кОм
К140УД2А . ... ……………………………………………………±4 В
в предельном режиме
..…………………………………………..± 5 В
К140УД2Б .. ……………………………….± 2 В
в предельном режиме . …………………………….± 2,8
В
Напряжение каждого входа относительно
общей точки: при Rr> 1 кОм.
К140УД2А
.........................................±6В
в предельном режиме…………………………………………….± 7
В
К140УД2Б…………………………………………….±ЗВ
в предельном режиме………………………………………………. ±
4 В
при Rr ≥10 кОм.
К140УД2А…………………………………………………………. ±13,ЗВ
в предельном режиме ... ..…………………………………………..±
15 В
К140УД2Б . . .
..……………………………………………………..±6,6 В
в предельном режиме . ..
.…………………………………………..±7,5 В
Выходной ток (пиковый):
К140УД2А . .……………………………………………………….13 мА
К140УД2Б…………………………………………………………..6 мА
Сопротивление нагрузки . ..…………………………………≥
1 кОм
Емкости нагрузки .………………………………………….≤
100 пФ
Температура окружающей
среды………………………...-45...+ 70 °С
Цифровые интегральные
схемы
Цифровые интегральные схемы
применяются очень широко в
различных электронных устройствах, не говоря уж об их очевидной области
применения - вычислительной технике. Цифровые сигналы передают информацию либо
в виде величины, кратной стандартному временному интервалу
между ними, либо в виде двух уровней сигнала: низкого уровня (логический 0) и
высокого уровня (логическая 1).
К155ИД4,
КБ155ИД4-4, КМ155ИД4
Микросхемы представляют
собой сдвоенный дешифратор- демультиплексор 2-4. Содержат 131 интегральный
элемент. Корпус типа 238.16-1, масса не более 2 г. и типа 201.16-5, масса не
более 2,5 г.
Условное графическое
обозначение К155ИД4, КБ155ИД4-4, КМ155ИД4
Назначение выводов: 1
- информационный вход D; 2
- стробирующий вход
; 3 - адресный вход В; 4
- выход
8;
5 — выход
4; 6
- выход
2;
7 - выход
1; 8
- общий;
9 - выход 1; 10 -
выход
2; 11 - выход 4; 12 -
выход
8; 13 - адресный вход А; 14 -
стробирующий (инверсный) вход
; 15 - информационный
(инверсный) вход ; 14 — напряжение
питания.
Электрические параметры
Номинальное напряжение
питания 5 В ± 5%
Выходное напряжение
низкого уровня ≤0,4 В
Выходное напряжение
высокого уровня ≥ 2,4 В
Напряжение на
антизвонном диоде ≥-1,5 В
Входной ток низкого
уровня ≤ - 1,6 мА
Входной ток высокого
уровня ≤ 0,04 мА
Входной пробивной ток ≤
1 мА
Ток короткого замыкания
-18. -55 мА
Ток потребления ≤
40 мА
Потребляемая
статическая мощность (30 МГц) ≤210 мВт
Время задержки
распространения при включении
по входу 2, по выходам
4—7,
по входам 14, 15
по выходам 9—12,
по входу 13
по выходам 5, 7, 9, 11,
по входу 3 по выходам
6, 7, 9,
10 ≤ 27 нс
по входу 3 по выходам 4, 5, 11, 12
по входу 13
по выходам 4, 6, 10, 12 ≤32 нс
по входу 1
ло выходам 4— 7 ≤30 нс
Время распространения
при выключении:
по входу 2, по выходам
4—7,
по входам 14, 15
по выходам 9—12,
по входу 13
по выходам 5, 7, 9, 11,
по входу 3 по выходам 6, 7,9, 10 ≤20 нс
по входу 3 по выходам 4, 5, 11, 12,
по входу 13
по выходам 4, 6, 10, 12
≤ 32 нс
по входу 1
по выходам 4—7 ≤ 24 нс
К155АГ1
Микросхема
представляет собой одновибратор с логическим элементом на входе. Содержит 55
интегральных элементов. Корпус типа 201.14-1, масса не более 1 г.
Условное графическое
обозначение К155АГ1
Назначение
выводов: 1 —выход; 2, 8, 12, 13 — свободные; 3, 4, 5 —входы; 6 — выход; 7 — общий; 9, 10, 11—для подключения времязадающей цепи; 14 — напряжение питания.
Электрические
параметры
Номинальное
напряжение питания 5 В ± 5%
Выходное
напряжение низкого уровня ≤0,4 В
Выходное
напряжение высокого уровня ≥ 2,4 В
Напряжение
на антизвонном диоде ≥-1,5 В
Входной
ток низкого уровня.
по
выводам 3, 4 ≤
-1,6 мА
по
выводу 5 ≤- 3,3 мА
Входной
ток высокого уровня:
по
выводам
3, 4 ≤0,04мА, по
выводу 5 ≤ 0,08 мА
Входной
пробивной ток ≤1 мА
Ток
короткого замыкания . -18 ... - 55 мА
Ток
потребления:
при UBX = 0 .≤25 мА
при UВХ = 4,5 В ≤ 40 мА
Потребляемая
статическая мощность . ≤171 мВт
Время задержки распространения при
включении:
по выводам 3, 4 ≤ 80 нс,
по
выводу 5 ≤ 65 нс
Время задержки распространения при
выключении:
по выводам 3, 4 ≤ 70 нс,
по
выводу 5 ≤ 55 нс
Рекомендации по применению
Значение внешнего сопротивления между
выводами 11 и 14:
1,4 кОм ≤R
≤40
кОм.
Максимальная емкость между выводами 10 и 11 не более 1000 мкФ.
полупроводник заряд примесь
диод
СПИСОК ЛИТЕРАТУРЫ
1
Портала О.Н., Халоян А.А., Божко З.В. СПРАВОЧНИК Радиокомпоненты
и материалы: Под
ред. Н.М. Корнильева – Киев. «Радиооматор», 1998.-720с.
2
Нефедов А.В. Интегральные микросхемы и их зарубежные аналоги Тома
1, 2 : - М.: Радио Софт, 200.
3
Лавриненко
В.Ю. Справочник по полупроводниковым приборам:
Киев: «Техника»,1984.
4
Харченко В.М. ОСНОВЫ ЭЛЕКТРОНИКИ:- М.: ЭНЕРГОИЗДАТ, 1982
5
Голомедова А.В. Транзисторы малой мощности :-М.:
«Радио и связь», 1995
6
Петухов В.М. Биполярные транзисторы средней и
большой мощности сверхвысокочастотные и их зарубежные аналоги Том 4 :-М.:
«Радио и связь», 1997
7
Москатов Е.А. Справочник по полупроводниковым приборам_издание_1
8
Тарабрин Б.В. -
Интегральные микросхемы Справочник:-М.: «Радио и связь», 1983
Размещено на