Дільник частоти з коефіцієнтом ділення К = 210 на JK-тригерах
РЕФЕРАТ
Метою даного курсового проекту є схемотехнічна розробка
дільника частоти з коефіцієнтом ділення К = 210 на JK-тригерах.
Курсовий проект
складається з двох частин: пояснювальної записки та графічної частини.
Пояснювальна записка виконана за допомогою засобів обчислювальної техніки.
Пояснювальна
записка виконана на білих аркушах формату А4. Зміст пояснювальної записки
складається з трьох розділів: загальний розділ, спеціальний розділ, та розділ
охорони праці. Текст містить 9 рисунків та 2 таблиці, нумерація рисунків та
таблиць починається з кожного розділу. У текстовій частині проекту є формули,
які використовувалися для розрахунків.
У курсовому
проекті був виконаний розрахунок потужності.
Для розрахунку потужності була складена
програма, яка написана мовою Pascal, у тексті є лістінг цієї програми. Пояснювальна
записка містить 27 аркушів.
Графічна частина виконана на аркуші формату А1.
Вона містить схему електричну принципову дільника частоти з коефіцієнтом ділення
К=210 на JK-тригерах.
МІКРОСХЕМА, ПОТУЖНІСТЬ, РОЗРАХУНОК, ДІЛЬНИК
ЧАСТОТИ, ЛІЧИЛЬНИК, ТРИГЕР
Вступ
1 Загальний розділ
1.1 Аналіз технічного завдання
1.2 Огляд аналогічних пристроїв
1.3 Розробка схеми електричної
функціональної
1.4 Вибір елементної бази
2 Спеціальний розділ
2.1 Аналіз схеми дільника частоти
2.2 Принцип роботи дільника частоти
згідно схеми електричної принципової
2.3 Розрахунок споживаної потужності
2.4 Програма розрахунку споживаної
потужності на алгоритмічній мові
3 Охорона праці та навколишнього
середовища
Висновок
Література
ВСТУП
Характерна особливість науково-технічного прогресу, який визначає
подальше могутнє підняття суспільного виробництва - поширене впровадження досягнень
обчислювальної техніки у всі напрями.
Рішення задач науково-технічного прогресу має потребу в застосування засобів
обчислювальної техніки і персональних комп'ютерів на робочих місцях економістів,
інженерів, персоналу, що управляє.
Досягнення мікроелектронної технології дозволили значно розширити можливості
всіх класів електронно-обчислювальних машин (ЕОМ).
Розроблені нові мікропроцесорні обчислювальні засоби, які служать основою
і персональних ЕОМ
Цифрові методи і цифрові пристрої, які реалізовані на інтегральних
мікросхемах різного ступеня інтеграції, а також на мікропроцесорних засобах,
мають широкі перспективи використання в цифрових системах передачі і розподілу
інформації в телевізійній, радіоприймальній і іншій апаратурі зв'язку. Цифрові
системи стануть важливішими. Вони складаються з імпульсних і цифрових
пристроїв, які здійснюють посилення, генерацію, формування, перетворення імпульсних
сигналів.
Цифрові пристрої виконують функції збереження і обробка цифрової
інформації, перетворення інформації з аналогової форми зображення в цифрову, і
навпаки.
Інформація, яка подається в цифрові пристрої і виводиться з них зображається
у формі кодових комбінацій, елементами яких є логічна одиниця і логічний нуль.
У цій же формі циркулює інформація у середині цифрових пристроїв.
Таким чином, будь-яка інформація в цифрових пристроях зображається у вигляді
послідовності значень 1 і 0.
Електронна обчислювальна машина є складним інженерно-технологічним
комплексом. З моменту створення конструкції машин перетерпіли вельми істотні
зміни. В порівнянні з першими зразками сучасні обчислювальні машини є
надійнішими і здійсненими.
З пристроїв, які оперували з декількома тисячами слів, вони перетворилися
на системи, здатні працювати з пам'яттю 4 Гбайта і більш. При цьому робочий
такт скоротився від тисячної до мільярдної частки секунди. Методи організації
роботи ЕОМ дозволяють досягти величезних швидкостей обчислення.
Незалежно від типу будь-яку ЕОМ можна представити у вигляді центральної
частини - ядра ЕОМ, і сукупності пристроїв для зв'язку із зовнішнім середовищем.
Найбільш поширеними пристроями в блоках комп'ютера є регістри і лічильники.
Регістри забезпечують прийом, зберігання і зрушення коду слова, перетворення
паралельного двійкового коду в послідовний і навпаки, порозрядні логічні
операції. Лічильники служать для рахунку і зберігання коду числа підрахованих
сигналів. І тому їх можна виявити в ядрі ЕОМ - процесорі, і в контролерах
пристроїв для зв'язку із зовнішнім середовищем.
Сучасні ЕОМ, на даному етапі розвитку, є комплексом програм і технічних
засобів, призначених для вирішення завдань наукового і технічного характеру,
виконання економічних і статичних розрахунків, рішення задач управління різними
технологічними процесами об'єктами.
Конструювання, будучи частиною процесу проектування, - складний і
багатообразний процес. Перш за все, від конструктора потрібний, окрім добре
розвиненого просторового мислення, уміння одночасно враховувати безліч самих
різносторонніх вимог до конструкції машини, окремим її частинам і застосовувати
все те краще, що накопичено в процесі попередніх робіт. Конструктор повинен
створювати машини з високим ступенем надійності. Цьому сприяють новітні
досягнення у області мікроелектроніки і мікромініатюризації.
У різних вузлах ЕОМ широко застосовуються лічильники для підрахунку циклу
(у АЛУ), для підрахунку тактової частоти (у падаючому генераторі) і т.д.
Нашою промисловістю випускається велика різноманітність лічильників. На
них можна реалізувати практично будь-який необхідний лічильник з потрібними нам
функціями і можливостями. Лічильники прийнято розрізняти на ті, що
підсумовують, віднімають і реверсивні. Звичайно лічильник має ланцюг установки
в нульове положення, проте ця умова необов'язково, початковий стан може
встановлюватися передачею в лічильник коду деякого числа.
Лічильники можуть виконувати функції подільників частоти, тобто приладів,
що формують з імпульсної послідовності з частотою fвх імпульсну послідовність,
на виході останнього тригера, з частотою fвих, в К разів меншу за вхідну. При
такому використанні лічильників немає необхідності знати, яке число в ньому
записане в поточний момент, тому подільники в деяких випадках можуть бути
значно простіші за лічильники. [1]
1 ЗАГАЛЬНИЙ РОЗДІЛ
1.1 Аналіз технічного завдання
лічильник дільник частота електричний
Лічильник - вузол ЕОМ, який здійснює рахунок і зберігання коду числа
підрахованих сигналів. Під сигналами розуміються як перепади потенціалу, так і
імпульси
Лічильники є цифровими автоматами Мура, в яких новий стан лічильника
визначається його попереднім стану і значенням логічної змінної на вході.
Внутрішні стани лічильників характеризуються коефіцієнтом переліку Кпер, що
визначає кількість його стійких станів. Основними параметрами є роздільна
здатність або максимальна швидкодія і інформаційна місткість.
Вирішальна здатність - це мінімальний час між двома сигналами, які
надійно фіксуються лічильником.
Максимальна швидкодія лічильника - величина, зворотня вирішальній здібності
і рівна числу сигналів, що фіксуються лічильником в одиницю часу.
Інформаційна місткість - максимальне число сигналів, яке може бути
підраховане лічильником. Кількісно місткість лічильника рівна коефіцієнту переліку
Кпер.
Лічильники розрізняються призначенням, типом і кількістю використовуваних
тригерів, режимами роботи, порядком зміни стану, організацією зв'язку між тригерами
лічильника і іншими особливостями його структури.
Лічильники можуть бути однорозрядні, багаторозрядні, двійкові, десяткові,
а також з будь-яким іншим цілим по значенню коефіцієнтом переліку.
По порядку зміни стану можуть бути лічильники з природним і довільним
(примусовим) порядком зміни стану.
У лічильниках з природним порядком зміни стану значення коду кожного
подальшого стану лічильника відрізняється на одиницю від коду попереднього
стану. У лічильниках з довільним порядком зміни стану значення кодів сусідніх
станів можуть відрізнятися більш ніж на одиницю.
Лічильники з природним порядком зміни станів підрозділяються на прості
(що підсумовують і віднімають) і реверсивні, які залежно від сигналів, що
управляють, можуть працювати як в режимі складання, так і в режимі віднімання.
За способом організації рахунку лічильники ділять на асинхронні і синхронні.
В асинхронних лічильниках перемикання тригерів відбувається послідовно в часі,
в синхронних лічильниках - паралельно (одночасно) в часі.
Однорозрядні двійкові лічильники будуються на основі Т- тригерів, що здійснюють
складання за модулем 2, тобто рахунок і зберігання не більше двох сигналів
відповідно до характеристичного рівняння. У загальному випадку n-розрядний
двійковий лічильник – це пристрій, закон функціонування якого можна представити
графом (рисунок 1.1). Звичайно вихідні сигнали лічильника співпадають з його
станом, і тому вершини графа відмічені тільки одним значенням, що характеризує
як стан лічильника, так і значення його вихідних сигналів. Мікрооперація
рахунку збуджується сигналом У.
Рисунок 1.1 - Граф функціонування
У двійкових лічильниках, що підсумовують, рахунковий вхід кожного
подальшого тригера сполучений з виходом попереднього таким чином, що під час
переходу тригера молодшого розряду із стану „1” в стан „0” в ланцюзі
перенесення між тригерами з'являється сигнал перенесення, під впливом якого тригер
старшого розряду змінює свій стан на протилежний. Залежно від способу
організації ланцюгів перенесення розрізняють двійкові лічильники з послідовним,
наскрізним, паралельним і груповим перенесеннями.
Двійкові лічильники, що віднімають, реалізують мікрооперацію віднімання.
Будуються аналогічно двійковим лічильникам, що підсумовують, з послідовним, наскрізним,
паралельним і груповим перенесенням.
У віднімаючих двійкових лічильниках вхід кожного подальшого тригера
сполучений з виходом попереднього таким чином, що під час переходу молодшого
розряду тригера із стану „0” в „1” в ланцюзі перенесення з'являється сигнал
перенесення, що переводить тригер старшого розряду в протилежний стан.
Двійкові лічильники, що віднімають, окремо використовуються рідко. У
реверсових лічильниках операції віднімання і складання організуються разом.
Дільник частоти - пристрій, який при поданні на його вхід періодичної
імпульсної послідовності формує на виході таку ж послідовність, але що має
частоту повторення імпульсів, в певну кількість раз меншу, ніж частота
повторення імпульсів вхідної послідовності.
Відмінність дільників частоти від лічильників полягає в наступному: у
лічильнику кожна комбінація стану тригерів визначає в деякій системі числення
число імпульсів, що поступили до даного моменту часу. У дільнику частоти послідовність
станів може бути вибрана довільною. [2]
1.2 Огляд аналогічних пристроїв
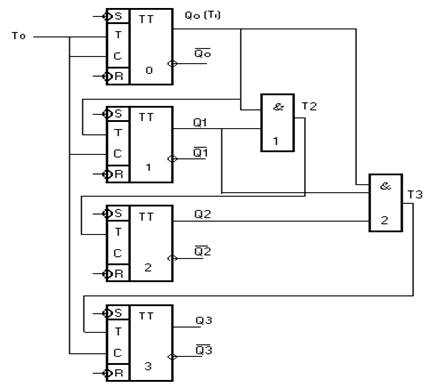
Підсумовуючий лічильник із наскрізним перенесенням.
При наскрізному перенесенні тригери лічильника об'єднуються в групи,
усередині кожної групи здійснюється паралельне перенесення, а між групами -
послідовне.
На рисунку 1.2 представлена схема лічильника із наскрізним перенесенням,
кожна група якого містить по два тригери. При такій організації перенесення всі
схеми множення повинні бути двовходовими. Час встановлення коду в лічильнику із
наскрізним перенесенням визначається затримкою перемикання тригера, затримка
перемикання схем „І” і інвертора в одній групі і кількістю груп. Таким чином,
швидкодія такого лічильника є проміжною між швидкодіями лічильників з
послідовним і паралельним перенесенням.
Рисунок 1.2 – Схема підсумовуючого лічильника із наскрізним перенесенням
Реверсовий лічильник.
Рисунок 1.3 - Схема реверсового лічильника
Зв'язки між тригерами реверсового лічильника відповідають як підсумовуючому
лічильнику, так і віднімаючому, але працює тільки один із зв'язків, який
визначається командою “Реверс” і подається на елементи „І-НІ”, включені в
ланцюзі передачі сигналу перенесення (рисунок 1.3). [3]
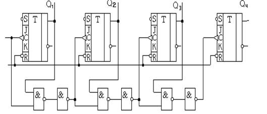
Двійковий лічильник з паралельним перенесенням.
Двійкові лічильники з паралельним (одночасним) перенесенням будуються на
синхронних Т- тригерах (рисунок 1.4). Ланцюг паралельного перенесення
побудований на елементах „І”. По мірі збільшення розрядності лічильника
кількість входів у схем „І” зростатиме.
Формування сигналів Ті в ланцюзі паралельного перенесення відбувається
одночасно і закінчується до приходу наступного чергового рахункового сигналу Т0.
Тому всі тригери в лічильнику як з паралельним, так і із наскрізним
перенесенням перемикаються одночасно.
Введення ланцюга паралельного перенесення дозволяє скоротити час розповсюдження
сигналів перенесення.
Рисунок 1.4 - Схема двійкового лічильник з паралельним перенесенням.
Структурна організація двійкових лічильників з паралельним перенесенням
значно спрощується, якщо їх будувати на JK-тригерах з вбудованими логічними елементами
І. [4]
1.3 Розробка схеми електричної функціональної
Для побудови схеми електричної принципової дільника частоти необхідно
побудувати схему електричну функціональну.
Більш економічні,
а тому і більш розповсюджені лічильники, які побудовані на лічильних
Т-тригерах. Після кожного тактового імпульсу Т сигнал на вході змінюється на
протилежний і тому частота вихідних імпульсів вдвічі менша частоти імпульсів,
що надходять.
На рисунку 1.5
приведена функціональна схема асинхронного двійкового лічильника.
Рисунок 1.5 - Асинхронний двійковий
лічильник із послідовним перенесенням
Зібравши послідовний ланцюжок з n лічильних
тригерів (з'єднуючи вихід попереднього тригера із входом С наступного), ми
отримаємо частоту
.
При цьому кожний вхідний імпульс змінює код числа на виході лічильника на 1 в
інтервалі від 0 до 
Швидкодія двійкового лічильника із послідовним перенесенням залежить
від швидкодії тригера молодшого розряду, так як кожний наступний тригер зменшує
частоту сигналів, які надходять на його вхід, і дорівнює часу Тсч
розповсюдження сигналів перенесення.
Час Тсч макс встановлення коду в лічильнику із послідовним перенесенням
дорівнює:
Тсч.макс = ntТ (1.1)
де: n – кількість розрядів лічильника; tТ – час затримки сигналу в одному
розряді лічильника.
Перед початком переліку лічильник встановлюється сигналом „Уст.0” в
стан логічного „0”, а потім в лічильник може бути записаний будь який
трирозрядний Х2Х1Х0 паралельний код. Нехай в лічильник записаний двійковий код
«111». Після подання 7-го вхідного сигналу Т0 в лічильнику буде встановлений
код «000», а 8-ий вхідний сигнал Т0 встановить лічильник в стан «111» (рисунок
1.6).
Рисунок 1.6 – Часова
діаграма роботи двійкового лічильника
Чим більше розрядність тим швидше перехідні процеси в лічильнику і тим
нижче частота його роботи. Однак лічильники із послідовним перенесенням під час
їх побудови характеризуються малою кількістю елементів и міжелементних
зв’язків.
Асинхронний двійковий лічильник може бути побудований на D- та JK –
тригерах, які працюють в режимі лічильного Т – тригера.
Побудувати лічильник на однорозрядних JK – тригерах, число яких
дорівнює числу розрядів лічильного коду, можно шляхом об’єднання прямого виходу
Qі молодшого розряду, на якому формується сигнал перенесення, із синхронізуючим
входом С тригера старшого розряду (рисунок 1.7).
Рисунок 1.7 –
Схема електрична функціональна 4-розрядного лічильника прямої лічби із
послідовним перенесенням
Максимальне
число, що зберігається в лічильнику при повному заповненні його одиницями
дорівнює N=24-1=15=(1111)2. Такий лічильник працює з коефіцієнтом рахунку К
(модулем), кратним цілій степені 2, і в ньому відбувається циклічний перебір
К=2n стійких станів. Лічильник має входи примусової установки в 0.
1.4 Вибір елементної бази
Після того, як побудована
схема електрична функціональна дільника обираємо елементну базу для цієї схеми.
Дільник треба побудувати на JK-тригерах и це краще зробить на мікросхемах серії
К555 або К155. Із всіх цих мікросхем обираємо мікросхеми серії К555, т. я. їх
особливістю є висока швидкодія, пов’язана з використанням діодів Шотки, і мала
потужність. Ці діоди формуються за допомогою контакту між базовою металізацією
та колекторною областю n-типа кожного транзистора схеми, в результаті чого виходить
діодна структура метал-кремній, яка підключена до колектору. Такий діод має
більш низьке пряме падіння напруги.
Десятикратне
побільшення номіналів резисторів у порівнянні з мікросхемами серії К155
приводить до зменшення потужності.
За завданням до
курсового проекту дільник необхідно побудувати на JK-тригерах, а тому обираємо
мікросхему К555ТВ9 (рисунок 1.8). Мікросхема К555ТВ9 представляє собою два
синхронних JK – тригера, які перемикаються по від’ємному фронту.
Рисунок 1.8 –
Умовне графічне позначення ІМС К555ТВ9
Кожен тригер мікросхеми має інформаційні входи
J і K, лічильний вхід С, встановлюючі входи R и S, прямий та інверсний виходи.
Рівень логічного нуля на вході R встановлює
тригер в стан лог. „0”, рівень логічної одиниці на вході S встановить тригер в
стан лог. „1”. Коли на входах R и S рівень логічної одиниці, то
інформація, яка надходить на входи J і K, впливає на стан виходів тригера в
момент переключення тактового імпульсу С із стану логічної одиниці в стан логічного
нуля. Коли на тактовому вході постійний рівень логічного нуля або логічної
одиниці, то зміна станів інформаційних входів не впливає на стан виходів
тригера.
Стани виходів тригерів, незалежно від стану
входів приведено в таблиці 1.1.
Таблиця 1.1 - Таблиця переходів тригерів
мікросхеми К555ТВ9
|
Входи
|
Виходи
|
|
S
|
R
|
C
|
J
|
K
|
Прямий
|
Інверсний
|
|
0
|
1
|
Х
|
Х
|
Х
|
1
|
0
|
|
1
|
0
|
Х
|
Х
|
Х
|
0
|
1
|
|
0
|
0
|
Х
|
Х
|
Х
|
1*
|
1*
|
|
1
|
1
|
|
0
|
0
|
Н
|
Н
|
|
1
|
1
|
|
1
|
0
|
0
|
|
1
|
1
|
|
0
|
1
|
0
|
1
|
|
1
|
1
|
|
1
|
1
|
Переключення
|
Переключення
|
|
1
|
1
|
1
|
Х
|
Х
|
Н
|
Н
|
Для фільтрації
низькочастотних та високочастотних завад обираємо конденсатори керамічні і
електролітичні.
2 СПЕЦІАЛЬНИЙ РОЗДІЛ
2.1 Аналіз схеми дільника частоти
Аналіз включає в себе опис
функціонування заданої схеми перемикальними функціями у відповідності з
таблицею переходів. Данні перемикальні функції потрібні при побудові схеми
електричної принципової.
В лічильнику із послідовним
перенесенням сигнали перенесення розповсюджуються послідовно від молодшого
розряду до старшого. Для прикладу розглянемо синтез та роботу трирозрядного
двійкового лічильника що підсумовує з натуральною зміною станів, закон
функціонування якого задається таблицею переходів (таблиця 2.1).
Зміна молодшого розряду Qо
пов’язана із зміною одиничного значення сигналу лічення Т0 на значення нуля, а
зміна стану кожного наступного розряду Qі пов’язана із зміною стану логічної
„1” на стан логічного „0” попереднього Qi-1 розряду.
Так як кожен тригер лічильника виконує
операцію додавання по модулю 2, то закон функціонування трирозрядного
двійкового лічильника що підсумовує може бути заданий характеристичними
рівняннями :

Q0(t+1) = QotTotvQotTot;

Q1(t+1) =
QitTotvQitTot; (2.1)
Q2(i+1) =
Q2tT1tvQ2tT1t;
2.2 Опис
принципу роботи за схемою електричною принциповою
За технічним завданням треба
розробити схему дільника частоти 10-розрядного на JK-тригерах. Схема електрична
принципова лічильника приведена на рисунку 2.1.
Таблиця 2.1 – Закон функціонування
трирозрядного лічильника що підсумовує
№вх.сигн.Т0
|
Т0
|
Q2
|
Q1
|
Q0
|
1
|
1
|
0
|
0
|
0
|
0
|
0
|
0
|
1
|
2
|
1
|
0
|
0
|
1
|
0
|
0
|
1
|
0
|
3
|
1
|
0
|
1
|
0
|
0
|
0
|
1
|
1
|
4
|
1
|
0
|
1
|
1
|
0
|
1
|
0
|
0
|
5
|
1
|
1
|
0
|
0
|
0
|
1
|
0
|
1
|
6
|
1
|
1
|
0
|
1
|
0
|
1
|
1
|
0
|
7
|
1
|
1
|
1
|
0
|
0
|
1
|
1
|
1
|
8
|
1
|
1
|
1
|
1
|
0
|
0
|
0
|
0
|
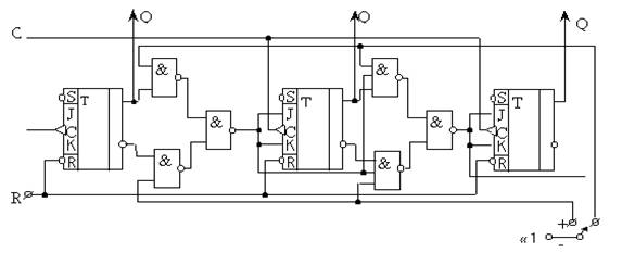
Робота дільника – це послідовне
з’єднання дільників частоти з коефіцієнтом ділення, який дорівнює двом. Вихід
кожного з дільників підключений до входу наступного. На виході кожного дільника
частота проходження імпульсів у два рази нижче ніж на вході.
Кожен JK-тригер має асинхронні
входи: R -
для встановлення лічильника в нульовий стан та S - для запису в лічильник
будь-якого паралельного двійкового коду; входи J і K в кожному тригері
об’єднані і на них подається рівень логічної „1”; вхід С кожного тригера є
лічильним входом.
Рисунок 2.1 – Схема
електрична принципова дільника частоти з коефіцієнтом ділення К=210 на
JK-тригерах
2.3
Розрахунок споживаної потужності
Pi = Ii * U * n, (2.2)
де Pi - потужність;
Ii - струм, що протікає через мікросхему даного типу;
U - напруга живлення мікросхеми;
n - кількість мікросхем даного типа.
Використовуючи цю формулу і довідкові дані для мікросхеми типу К555ТВ9,
проводиться розрахунок потужності даного пристрою.
При розрахунках використані наступні позначення:
i = 1 - це мікросхема типу К555ТВ9;
Проведемо розрахунок потужності: Р = 0.03 * 5 * 5 = 0.75 Вт;
Сумарна потужність дорівнює:
Р = 0.75 Вт.
2.4 Програма розрахунку споживаної потужності на
алгоритмічній мові
Program POWER;
var P,I,U:real;n,m,k:integer;
begin
writeln ('Введіть кількість типів елементів');
read (m);
k:=1; P:=0;
while k<=m do begin
writeln ('Введіть кількість элементів',k,'-го типу);
read (n);
writeln ('Введіть споживаний струм (у амперах)');
read (I);
writeln ('Введіть напругу живлення (у вольтах)');
read (U);
writeln ('Початкові дані');
writeln ('U=',u:2:1,'B I=',i:2,'A n=',n,'шт.');
P:= Р + U*I*n
end;
writeln ('Споживана потужність P=',p:6:2, 'Вт')
end.
Turbo Pascal Version 7.0 Copyright (c) 1983,92 Borland International
Введіть кількість типів елементів
Введіть кількість элементов1-го типу
5
Введіть споживаний струм (у амперах)
0.03
Введіть напругу живлення (у вольтах)
5
Початкові дані
U= 5.0B I=0.0300 A n=5шт.
Споживана потужність P= 0.75Вт
3. ОХОРОНА ПРАЦІ
ТА НАВКОЛИШНЬОГО СЕРЕДОВИЩА
Технологія виробництва виготовлення блоку складається з різних
технологічних операцій: виготовлення деталей, складки їх у виріб, наладки блоку.
Сучасна технологія виготовлення ДП складається з великого числа операцій.
При виготовленні ДП можуть виникнути наступні небезпеки:
- поразка електричним струмом;
- термоопіки і хімічні опіки;
- поразка шкірних покривів;
- отруєння;
- шум, вібрація;
- світлові дії газорозрядних ламп.
Більшість речовин і матеріалів, вживаних при виготовленні ДП є шкідливими
і представляють небезпеку для здоров'я і життя людини. Шкідливі речовини і їх
пари можуть проникати в організм людини через органи дихання, шкіру, травний
тракт.
Електричні з'єднання проводяться паянням. Під час паяння мають місце
наступні небезпечні чинники: опіки, поразка електричним струмом, отруєння свинцем,
який міститься в припої, теплове випромінювання.
При виконанні робіт по нанесенню захисних покриттів і пояснюючих написів,
існує небезпека гострого отруєння, джерелом якого є розчинники і найдрібніші частинки
при розпилюванні емалей [9].
На основі описаних небезпечних і шкідливих виробничих чинників розроблена
низка заходів щодо забезпечення безпеки праці.
Для забезпечення електробезпеки застосовуються окремо або в поєднанні один
з одним наступні технічні способи і засоби:
- захисне заземлення;
- занулення;
- мала напруга;
- захисне відключення;
- ізоляція токоведучих частин;
- захисні пристрої;
- попереджувальна сигналізація;
- блокування;
- запобіжні пристосування і ін.
Рекомендується місця для виробництва друкарської плати виділяти в окремі приміщення,
для яких передбачені спеціальні заходи по забезпеченню безпеки праці: посилена вентиляція,
захисні огорожі і т.д. При виготовленні друкарської плати щоб уникнути травм і профзахворювань
робота з шкідливими речовинами проводиться з використанням фільтруючих засобів індивідуального
захисту органів дихання, до яких відносяться універсальні респіратори і протигази.
Для захисту рук як засоби індивідуального захисту застосовуються рукавиці і рукавички
з різних матеріалів, а також захисні мазі, пасти і т.д. Для захисту очей застосовуються
окуляри.
Для зниження шкідливих чинників при нанесенні захисних покриттів і паянні,
основними методами захисту є загальна вентиляція з місцевими відсмоктуваннями і
індивідуальні засоби захисту
Пожежна безпека при експлуатації приладу відповідно до ГОСТ 12.1.004-85
«Пожежна безпека» забезпечується:
- системою запобігання пожежі;
- системою протипожежного захисту;
- організаційно-технічними заходами.
Оскільки неможливо видалити горючі матеріали, потрібно виключити джерела
запалення.
Для запобігання утворення у горючому середовищі джерел запалення передбачають:
- застосування в конструкції швидкодіючих засобів захисного відключення
можливих джерел запалення;
- виключення можливості появи іскрового заряду статичної електрики в
горючому середовищі з енергією рівною і вище за мінімальну енергію запалення по
ГОСТ 12.1.004-91 «Пожежну безпеку»;
- застосування устаткування, що задовольняє вимогам електростатичної іскробезпеки.
Для зменшення небезпеки виникнення пожежі забороняється використання
електричних кабелів з пошкодженою ізоляцією і поганими контактами в місцях
з'єднання, з'єднання електричних дротів між собою і з металоконструкціями,
застосування саморобних запобіжників.
Для зниження пожежної небезпеки рекомендується встановити первинні засоби
пожежегасіння, а також систему автоматичної пожежної сигналізації на основі
комбінованого інформувача ДІП-1, який призначений для виявлення вогнища пожежі
в закритих приміщеннях по прояву диму або локальному підвищенню температури і
розрахований для контролю площі до 150 метрів, висоти стелі до 4 метрів.
Чутливість інформувача до диму не більше 10%, чутливість до температури - 70-10
С.
Як первинні засоби пожежегасіння пропонується використовувати:
- ручний вогнегасник ОУ-5;
- легко-пінний вогнегасник ОВП-5;
- азбестове полотно 1,5х2 м.
Як організаційно-технічні заходи рекомендується проводити навчання робочого
персоналу правилам пожежної безпеки [10].
ВИСНОВКИ
В процесі виконання
курсового проектування була розроблена схема електрична принципова для
виготовлення дільника частоти з коефіцієнтом ділення К=210, згідно вимогам
технічного завдання.
Була
обрана елементна база, яка реалізована на ІМС серії К555.
Для усунення завад як по високій, так і по низькій частоті обрані керамічні і
електролітичні конденсатори.
В
процесі виконання проекту закріплені навики самостійного розв’язання
схемотехнічних задач, методика оформлення текстової та графічної документації з
використанням обчислювальної техніки і систем автоматизованого проектування при
розв’язанні оптимізаційних задач, розвинулися навики роботи з технічною
літературою і стандартами.
ЛІТЕРАТУРА
1. Нешумова К.А. ЭВМ и системы.- М:
«Высшая школа», 1989. – 366 с.
2. Преснухин Л.Н., Нестеров П.В. ЦВМ.-М: «Высшая
школа», 1984. – 255с.
3. Анисимов Б.В., А.Я. Савельев.
Основы конструирования и производства ЭВМ.- М: ''Высшая школа''. 1972. – 188с.
4. Лярский В.Ф., Мурадян О.Б. Электрические
соединители.-М: ''Радио и связь'',1988. – 272с.
5. Ушаков Н.Н. Проектирование, монтаж и наладка
элементов ЭВМ.-М: ''Машиностроение'', 1970. – 180с.
6. Ольхов Б.О. Основы проектирования
сборочных единиц ЭВМ.-М: ''Машиностроение'' 1980. – 255с.
7. Терещук Р.М., Терещук Н.М., Седов
С.А. Полупроводниковые приемо–усилительные устройства.–К, «Наукова думка»,
1987. – 235с.
8. Фрумкин Г.Д. Расчет и
конструирование радиоэлектронной аппаратуры.-: М ''Высшая школа'', 1988. –
300с.
9 Ткачук К. Н. Охрана труда и окружающей среды в
радиоэлектронной промышленности. - К.: Высшая школа, 1988. – 189с.
10 Под ред. С. П. Павлова. Охрана
труда в радиоэлектронной промышленности. – М. : Радио и связь, 1985. – 150с.
Размещено
на