Технические средства регулирования, контроля, защиты

  • Вид работы:
    Курсовая работа (т)
  • Предмет:
    Информатика, ВТ, телекоммуникации
  • Язык:
    Русский
    ,
    Формат файла:
    MS Word
    384,43 kb
  • Опубликовано:
    2011-03-07
Вы можете узнать стоимость помощи в написании студенческой работы.
Помощь в написании работы, которую точно примут!

Технические средства регулирования, контроля, защиты

Введение

Основной целью совершенствования любого производственного процесса в различных отраслях народного хозяйства в настоящее время является достижение максимального производственного эффекта, т. е. увеличения производительности оборудования, повышения качества готовой продукции при минимальных затратах труда, сырья и энергии. Для выполнения этой задачи разрабатывается новая технология, новое прогрессивное оборудование, преимущественно непрерывного действия, на базе которого формируются непрерывно поточные технологические линии высокой производительности. При этом одновременно решаются вопросы комплексной механизации вспомогательных и транспортных операций. Для обеспечения оперативного контроля и управления такими технологическими процессами применяют автоматические приборы контроля и устройства, позволяющие снизить долю ручного труда в управлении работой машин и аппаратов, а так же разрабатывают соответствующую им систему управления.

В настоящее время автоматизация производственных процессов развивается в двух направлениях: первое — создание систем локальной автоматизации технологических процессов, которые, как правило, обеспечивают стабилизацию заданных рабочих режимов путем поддержания постоянными или изменяющимися по заданной программе параметров процесса; второе — создание автоматизированных систем управления технологическими процессами и производством в целом с применением персональных компьютеров (ПК). Применение автоматизированных систем управления с использованием ПК, математических моделей и экономико-математических методов повышает уровень организации производства и оперативности взаимодействия персонала с технологическим оборудованием. В результате этого появляется возможность перехода к оптимизированным режимам технологических процессов, что увеличивает производительность оборудования, повышает эффективность использования сырья и материалов, а также предотвращает аварийные ситуации. Качество готовой продукции улучшается, ее характеристики стабилизируются.

Решение проблемы увеличения производства удобрения связано не только с улучшением старой технологии, но и, главным образом, с разработкой принципиально новых методов переработки сырья, обеспечивающих наиболее полное использование его, уменьшение потерь, повышение выхода и качества готовой продукции, расширение ее ассортимента, снижение расхода энергоресурсов в технологических процессах. Эти обстоятельства потребуют создание новых методов измерения и приборов для автоматического контроля и регулирования параметров технологических операций, технических средств автоматизации для поддержания оптимальных режимов работы оборудования и централизованного автоматизированного управления производственными процессами.

Исходя из сказанного, основной задачей в области организации производства химической промышленности на ближайший период является создание автоматизированных систем управления технологическими процессами (АСУ ТП) и автоматизированных систем управления производством в целом (АСУП).

В этих условиях особо важное значение приобретает подготовка квалифицированных кадров, способных умело эксплуатировать современное оборудование, эффективно использовать автоматические устройства и системы автоматизации, участвовать в их совершенствовании.

1. Описание технологической схемы процесса

Исходное сырье из емкости 1 насосом 2 направляется в колонну 3. Колонна 3 обогревается кипятильником 4. Пары из верха колонны через воздушный конденсатор 5 поступают в отстойник 6. Верхний углеводородный слой насосом 7 частично возвращается в колонну 3, остальная часть идет на дальнейшую переработку. Кубовая жидкость насосом 9 подается в колонну 8 (под вакуумом). Пары колонны через конденсаторы 10, 11 стекают в емкость 13, откуда насосом 12 часть их возвращается в колонну 8 на орошение, остальная часть идет на переработку. Кубовая жидкость подается также на переработку.

2. Выбор и обоснование параметров контроля

Контролю подлежат те параметры, по значениям которых осуществляется оперативное управление технологическим процессом, а также его пуск и остановка. К таким параметрам относятся все режимные и выходные параметры, а также входные параметры, при изменении которых в объект будут поступать возмущения. Обязательному контролю подлежат параметры, значения которых регламентируются технологической картой.

Контролю подлежат все регулируемые параметры:

1   Уровень исходного сырья в емкости 1;

2   Давление и температура в колоннах 3 и 8;

3   Расход флегмы после насосов 7 и 12;

4   Расход кубовой жидкости, подаваемой насосом 9 в колонну 8;

5   Температура и давление греющего пара.

Контроль расхода смеси необходим для расчета технико-экономических показателей.

Сигнализации подлежат все параметры, изменения которых могут привести к аварии, несчастным случаям или серьезному нарушению технологического режима. К ним относятся:

1   Уровень исходного сырья в емкости 1;

2   Уровень в емкостях 1 и 13;

3   Температура продукта в колоннах 3 и 8;

Оперативный технологический персонал при оповещении его устройствами сигнализации о нежелательных событиях должен принять соответствующие меры по их ликвидации. Если эти меры окажутся не эффективными и параметр, характеризующий состояние объекта управления достигнет аварийного значения, должны сработать системы противоаварийной защиты, которые автоматически по заданной программе перераспределяют материальные и энергетические потоки, включают и отключают аппараты объекта с целью предотвращения взрыва, аварии, несчастного случая, выпуска большого количества брака.

Схема подлежит защите при отклонении следующих параметров:

·   повышение температуры в колонне 3 ;

·   повышении или понижение давления в колоне 8;

Защита заключается в автоматическом прекращении подачи исходной смеси в систему при отклонении любого из вышеперечисленных параметров.

3. Выбор и обоснование параметров регулирования, управляющих воздействий и схем

Из всех параметров характеризующих процесс, необходимо выбрать те, которые подлежат регулированию и изменением которых целесообразно вносить регулирующее воздействие. Для этого необходимы результаты анализа целевого назначения процесса.

Исходя из результатов анализа выбирают критерий управления, его заданное значение и параметры, изменением которых наиболее целесообразно на него воздействовать. Последнее осуществляется на основе статических и динамических характеристик процесса, дающих представление о взаимозависимости параметров.

Показателем эффективности работы системы является температура и давление (разрежение) в колоннах 3 и 8.

На них действуют следующие возмущения:

1   температура греющего пара;

2   изменение расхода подаваемого в колонны продукта;

3   температура окружающей среды;

В проекте используются следующие САР (Системы автоматического регулирования):

1   САР расхода флегмы в колонны 3 и 8;

2   САР расхода продукта, подаваемого в колонну 8;

 

4. Выбор и обоснование технических средств регулирования, контроля, защиты и блокировки


Для измерения давления продукта в верхней части колонн 3 и 8 выбираем:

Для контроля давления в нижней и верхней части колонн выбираем:

Интеллектуальные датчики давления серии Метран-100 производитель -промышленная группа "Метран". Россия г.Челябинск

Интеллектуальные датчики давления серии Метран-100 предназначены для измерения и непрерывного преобразования в унифицированный аналоговый токовый сигнал и/или цифровой сигнал в стандарте протокола HART следующих входных величин:

- избыточного давления (Метран-100-ДИ);

- абсолютного давления (Метран-100-ДА);

- разности давлений (Метран-100-ДД);

- гидростатического давления (Метран-100-ДГ).

Управление параметрами датчика:

- кнопочное со встроенной панели;

- с помощью HART-коммуникатора или компьютера.

Измеряемые среды: жидкости, пар, газ, в т.ч. газообразный кислород и кислородосодержащие газовые смеси; пищевые продукты Диапазон измеряемых давлений:- 0-1 МПа;

Основная погрешность измерений до ±0,1% от диапазона.

Исполнение: – взрывозащищенное (Ех, Вн);

Выходной сигнал 4-20 mA

Напряжение питания 12-42 в

Для контроля давления в колонне 8 (разрежение)– применим Метран 100 ДВ с датчиком разрежения 1233.

Для колонны 3 – Метран 100 ДИ с датчиком 1133.

Для измерения расхода принимаем прибор:

Promag 33 –Электромагнитный расходомер фирмы Endress+Hauser со следующими характеристиками:

Степень защиты IP 67 (EN 60529), NEMA 4X

Окружающая температура -20...+60 оС

Ударо- и вибростойкость: Ускорение до 2 g / 2 ч в день; 10...10 Гц

(полная измерительная система)

Кабельные вводы Питающий и сигнальный кабели (выходы) PG 13.5 кабельные вводы (5...15 мм) или NPT 1/2".

Питание 85...260 В АС, 45...65 Гц 20...55 В АС, 16...62 В DC

Потребляемая мощность: АС: < 15 ВА (включая сенсор) DС: < 15 Вт (включая сенсор)

Электрическая изоляция: Вход и выходы электрически изолированы от питания, от сенсора и между собой.

Токовый выход 0/4...20 мА, возможность настройки, электрически изолирован, RL < 700 Ω

(с HART не менее 250 Ом), выбор постоянной времени, задание конечного значения шкалы.

Импульсный/частотный выход.

Взрывозащищенное исполнение:

Компактное и раздельное исполнение для: CENELEC: EEx d/de Ex-zone 2: VDE 0165

Функция полного самоконтроля измерительной системы обеспечивает высокую ее надежность. Любые системные ошибки (ошибка по току катушки, ошибки усилителя, DAT, EEPROM,ROM, RAM) или возможные сбои питания, немедленно отображаются через сконфигурированный релейный выход 1.

Соответствующее сообщение об ошибке отображается на дисплее трансмиттера. C помощью функции диагностики можно просмотреть любые имеющиеся сбои и определить их причину.

При сбое питания, все данные измерительной системы надежно сохраняются в памяти EEPROM (не требующей батарей).

Измерительная система Promag 33 полностью удовлетворяет требованиям по безопасности EN 61010 "Меры защиты электрического оборудования для измерений, управления, регулирования и лабораторных процедур", требованиям по электромагнитной совместимости (EMC) согласно EN 50081 Часть 1 и 2 / EN 50082.

Для измерения уровня в емкостях 1, 6 и 13 применяем:

Измеритель уровня емкостной Liquicap M типа FMI 51 Изготовитель-Endress+Hauser GmbH+Co. KG (Германия) с маркировкой взрывозащиты ExiaIIB/НС Т3

Измеритель уровня Liquicap M предназначен для измерения уровня жидкостей. Измеритель уровня относится к взрывозащищенному электрооборудованию группы II по ГОСТР 51330.0 и предназначен для применения во взрывоопасных зонах в соответствии с присвоенной маркировкой взрывозащиты. Основные технические данные:

Взрывоопасные смеси по ГОСТ Р 51330.11.категории НА, ИВ, ПС группы Т1...Т6

Вид взрывозащиты-искробезопасная электрическая цепь уровня ia взрывонепроницаемая оболочка

Маркировка взрывозащиты.- lExd[ia]IIB/IICT3...T6 или ExiaIIB/ИСТЗ...Т6

Степень защиты оболочки по ГОСТ 14254.- IP65

Степень защиты от поражения электрическим током по ГОСТ 12.2.007.0.- класс III

Электрические параметры:

- напряжение питания, В -не более 37

- потребляемая мощность, Вт. -не более 1

Таблица 1 –Параметры искробезопасной электрической цепи

Электронный модуль

Ui,B

Ii, мА

Pi, Вт

Ci, нФ

Li, мкГн

FEI50Н

30

120

1

2,4

мала

FEI57C

19.2

108

1

2,4

мала

контроль регулирование датчик термопреобразователь

Условия эксплуатации:

- температура окружающей среды, °С -50 до +70

- температура технологической среды, °С -80 до+200

Для контроля температур в колоннах 3 и 8:

Термопреобразователи ТМ-9201 со встроенным преобразователем.

Производитель ООО НПФ «Сенсорика» [1]

Предназначены для измерения температуры газообразных, жидких, сыпучих веществ, не разрушающих материал защитной арматуры. Используются в системах автоматизированного контроля и регулирования на объектах энергетики, нефтяной, газовой, горнодобывающей и других отраслях промышленности. Обеспечивают непрерывное преобразование температуры в унифицированный выходной сигнал 4..20 мА по 2-х проводной схеме.

Датчик состоит из первичного термопреобразователя и измерительного преобразователя, который монтируется в головку типа АГ термопреобразователя.

Диапазон измеряемых температур, °С (0  150)

Номинальная статическая характеристика (НСХ):- 100М;

Погрешность: предел допускаемой основной погрешности не более 0,5%

Количество чувствительных элементов: 1;

Преобразователь имеет линейно возрастающую характеристику выходного сигнала. Зависимость между входным током и температурой термопреобразователя сопротивления определяется формулой:

Iвых= 4+16·(Т–Тмин)/(Тмах–Тмин)

где Iвых - значение выходного тока, мА;

Т - значение температуры, °С;

Тмах, Тмин - верхний и нижний пределы преобразования температур

Для управления подачи продукта в САР расхода предлагаю использовать в качестве регулирующего органа:

Электропневматический позиционер IP8000

Электропневматический позиционер линейного и поворотного типа. Предназначен для пропорционального управления перемещением исполнительных механизмов, приводами регулирующей арматуры.

· Устойчив к ударным и вибрационным нагрузкам

· Высокая точность позиционирования

· Стабильное управление даже малогабаритными исполнительными устройствами

· Возможность установки на различные типы пневмоприводов

· Взрывозащищенное(IР8*00-000-Х14) и низкотемпературное взрывозащищенное (IP8*00-000-X14-L) исполнения

· Исполнение с датчиком положения, выход 4-20 мА (IP8100-001 -J)

Для питания всех приборов, установленных по месту ведения технологического процесса выбираем: Блоки питания БП Карат -22, производитель «Метран», г.Челябинск.

Блоки питания БП Карат-22 осуществляют преобразование напряжения 220 В переменного тока в стабилизированное напряжение постоянного тока 36 В (24 В) для питания датчиков.

Технические характеристики:

• Выходное напряжение 24 или 36 В

• Класс стабилизации - 0,2

• Питание (220) В, (501) Гц

• Потребляемая мощность, ВА:

15 - для одноканального исполнения;

26 - для двухканального исполнения;

60- для восьмиканального исполнения.

В качестве прибора регулирования, регистрации, сигнализации и сбора данных предлагаю использовать:

Программируемый контроллер SIMATIC S7-300 фирмы Siemens.

SIMATIC S7-300 - это модульный программируемый контроллер, предназначенный для построения систем автоматизации низкой и средней степени сложности.

Модульная конструкция, работа с естественным охлаждением, возможность применения структур локального и распределенного ввода-вывода, широкие коммуникационные возможности, множество функций, поддерживаемых на уровне операционной системы, удобство эксплуатации и обслуживания обеспечивают возможность получения рентабельных решений для построения систем автоматического управления в различных областях промышленного производства.

Эффективному применению контроллеров способствует возможность использования нескольких типов центральных процессоров различной производительности, наличие широкой гаммы модулей ввода-вывода дискретных и аналоговых сигналов, функциональных модулей и коммуникационных процессоров.

Контроллеры SIMATIC S7-300 имеют модульную конструкцию и могут включать в свой состав:

Модуль центрального процессора (CPU). В зависимости от степени сложности решаемой задачи в контроллерах могут быть использованы различные типы центральных процессоров, отличающихся производительностью, объемом памяти, наличием или отсутствием встроенных входов-выходов и специальных функций, количеством и видом встроенных коммуникационных интерфейсов и т.д.

Модули блоков питания (PS), обеспечивающие возможность питания контроллера от сети переменного тока напряжением 120/230В или от источника постоянного тока напряжением 24/48/60/110В.

Сигнальные модули (SM), предназначенные для ввода-вывода дискретных и аналоговых сигналов с различными электрическими и временными параметрами.

Коммуникационные процессоры (CP) для подключения к сетям PROFIBUS, Industrial Ethernet, AS-Interface или организации связи по PtP (point to point) интерфейсу.

Функциональные модули (FM), способные самостоятельно решать задачи автоматического регулирования, позиционирования, обработки сигналов. Функциональные модули снабжены встроенным микропроцессором и способны выполнять возложенные на них функции даже в случае отказа центрального процессора ПЛК.

Интерфейсные модули (IM), обеспечивающие возможность подключения к базовому блоку (стойка с CPU) стоек расширения ввода-вывода. Контроллеры SIMATIC S7-300 позволяют использовать в своем составе до 32 сигнальных и функциональных модулей, а также коммуникационных процессоров, распределенных по 4 монтажным стойкам. Все модули работают с естественным охлаждением.

Центральные процессоры S7-300C оснащены набором встроенных входов и выходов, а также набором встроенных функций, что позволяет применять эти процессоры в качестве готовых блоков управления.

Выбираем следующие модули:

Модуль с релейными выходами SM 322; DO 8 \ 230 VAC REL.

Характеристики

Модуль с релейными выходами S.M 322; DO 8 х 230 VAC RHL имеет следующие характеристики:

• 8 выходов, изолированных группами по 2

• номинальное напряжение на нагрузке от 24 В пост. тока до 120 В пост. тока, от 48 В персы, тока до 230 В перем. тока

• пригоден для соленоидных вентилей, контакторов, пускателей переменного и постоянного тока, электродвигателей мощностью до 1 л.с. и индикаторных ламп.

Данные для выбора исполнительных устройств:

Непрерывный тепловой ток макс. 3 А

Цепь, параллельная контакту (внутренняя) – Варистор SIOV-CU4032К275 Частота переключения:

• механическая– макс. 10 Гц

• активная нагрузка– макс. 2 Гц

• индуктивная нагрузка по IEC 947-5-l, DC 13/AC 15 –макс. 0,5 Гц

• ламповая нагрузка –макс. 2 Гц

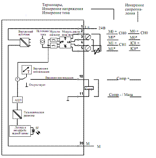
Рис.1– Принципиальная схема модуля с релейными выходами SM 322; DO 8 \ 230 VAC REL

Выбираем 6 аналоговых двухканальных модуля ввода SM331;AI2xl2Bit

Характерные особенности

Аналоговый модуль ввода SM 331; AI2 х 12 Bit имеет следующие характерные особенности:

• Два входа в одной группе каналов

• Разрешение измеряемого значения (в зависимости от установленного времени интегрирования)

• 9 битов+ знак

• 12 битов+знак

• 14 битов+знак

• Вид измерения, выбираемый для группы каналов:

напряжение ток

сопротивление температура

• Произвольный выбор диапазона измерений на группу каналов

• Программируемая диагностика

• Программируемое диагностическое прерывание

• Один канал с контролем границ

• Программируемое прерывание при переходе границы

 

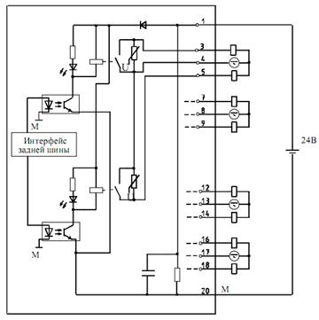
Рис.2– Принципиальная схема аналогового модуля ввода SM 331; AI 2 12Bit

Продолжение таблицы 2


± 1000 мВ:

/10МОм


± 2,5 В:

/100 кОм


± 5 В;

/100 кОм


от 1 до 5 В;

/100 кОм


± 10В:

/100 кОм

• Ток

± 3,2 мА;

25 Ом


± 10 мА;

25 Ом


± 20 мА;

25 Ом


от 0 до 20 мА;

25 Ом


от 4 до 20 мА;

25 Ом

150 Ом:

/10МОм


300 Ом:

/10МОм


600 Ом:

/10МОм

• Термопары

Тип Е, N, J, К, L

/10МОм

Процессорный модуль–CPU 312 характеризуется следующими показателями:

Микропроцессор;

200-400 нс на выполнение бинарной инструкции.

Рабочая память объемом 32 Кбайт, RAM (приблизительно 10 K инструкций);

для выполнения загруженной секции программы и хранения оперативных данных. Микро карта памяти (до 4 Мбайт), используемая в качестве загружаемой памяти, а также сохранения архива проекта (с комментариями и таблицей символов), архивирования данных и управления рецептами.

Гибкие возможности расширения;

подключение до 8 модулей S7-300 (1-рядная конфигурация).

Интерфейс MPI;

позволяет устанавливать одновременно до 6 соединений с программируемыми контроллерами S7-300/400, программаторами, компьютерами и панелями операторов. Одно из этих соединений зарезервировано для PG-, одно - для OP функций связи. MPI позволяет создавать простейшие сетевые структуры с объединением до 16 центральных процессоров и поддержкой механизма передачи глобальных данных.

Парольная защита доступа;

для защиты от несанкционированного доступа к программе пользователя

Буфер диагностических сообщений;

хранит 100 последних сообщений об ошибках

Необслуживаемое сохранение данных;

при перебоях в питании контроллера центральный процессор автоматически сохраняет текущие данные и использует их после восстановления напряжения питания.

Программируемые параметры и свойства

Из среды STEP 7 могут настраиваться следующие параметры и свойства центрального процессора:

Интерфейс MPI;

определение адреса станции.

Параметры рестарта/цикла выполнения программы;

определение максимального времени сканирования программы, перезапуска и выполнения функций самодиагностики.

Объем реманентной области памяти;

Определение объема данных (количества битов памяти, таймеров, счетчиков и блоков данных), сохраняемых при перебоях в питании контроллера.

Тактовые биты;

установка адреса.

Уровень защиты;

установка прав на доступ к программе и данным.

Системная диагностика;

установка порядка обработки диагностических сообщений.

Периодические прерывания;

установка периода повторения прерываний.

Прерывания по дате и времени;

установка стартовой даты и времени, а также периода повторения прерываний.

Информационные функции и функции отображения

Отображение состояний и ошибок;

светодиодная индикация, отображение программных ошибок, ошибок по времени, ошибок ввода-вывода, режимов работы RUN/STOP, рестарта и т.д.

Функции тестирования;

в процессе выполнения программы программатор позволяет отображать состояния сигналов , модифицировать и считывать значения переменных, получать доступ к содержимому стека.

Информационные функции;

с помощью программатора можно получить информацию об объеме памяти и режимах работы центрального процессора, объеме занятой и свободной памяти, текущем времени цикла выполнения программы, просмотреть содержимое буфера аварийных сообщений в текстовом формате.

Встроенные коммуникационные функции

PG/OP функции связи

Обмен глобальными данными через MPI

Функции стандартной S7 связи

S7 функции связи (только сервер)

Системные функции

Центральный процессор поддерживает широкий спектр функций диагностики, настройки параметров, синхронизации, аварийной сигнализации, измерения временных промежутков и т.д.

Заключение

С помощью измерений получают информацию о состоянии производственных, экономических и социальных процессов. Измерительная информация служит основой для принятия решений о качестве продукции при внедрении систем качества, в научных экспериментах и т.д. И только ее достоверность и точность обеспечивают правильность решений на всех уровнях управления.

Эффективное сотрудничество с другими странами, совместные разработки научно-технических программ (например, в области освоения космоса, медицины, охраны окружающей среды и т. д.), дальнейшее развитие торговых отношений требуют взаимного доверия к измерительной информации, являющейся, по существу, основным объектом обмена при совместном решении научно-технических проблем, основой взаимных расчетов при торговых операциях, заключении контрактов на поставку материалов, изделий, оборудования. Создание единого подхода к измерениям гарантирует взаимопонимание, возможность унификации и стандартизации методов и средств измерений, взаимного признания результатов измерений и испытаний продукции в международной системе товарообмена.

Для количественного определения (измерения) того или иного параметра, характеристики продукции, процесса, т. е. любого объекта, необходимо следующее: выбрать параметры, которые характеризуют интересующие нас свойства объекта; установить степень достоверности, с которой следует определять выбранные параметры, а также допуски, нормы точности и т. д.; выбрать методы и средства измерений для достижения требуемой точности; обеспечить готовность средств измерений выполнять свои функции привязкой средств измерений к соответствующим эталонам (посредством периодической проверки, калибровки средств измерений); обеспечить учет и создание требуемых условий для проведения измерений, обработку результатов измерений и оценку характеристик погрешностей.

Список литературы

1. Кирпичников П. А., Берсенев, В. В. Попова Л. М. «Альбом технологических схем основных производств промышленности синтетического каучука.» Учебное пособие для вузов. — 2-е изд., перераб. — Л.: Химия, 1986 — 224 с. ил.

2. Преображенский В.П. Теплотехнические измерения и приборы. Издательство «Энергия», 1978 г.

3. «Сенсорика.Перечень выпускаемой продукции. Датчики, контрольно-измерительные приборы, средства автоматизации.» Екатеринбург 2007 г.

4. Уим Ван де Камп. «Теоретические и практические аспекты измерения уровня.» Москва 2006 г.

5. Электрические измерения. Учебник для вузов. Под ред. Фремке А.В. Издательство «Энергия», 1980 г.

6. Основы метрологии и электрические измерения. . Учебник для вузов. Под ред. Душина Е.Д. Издательство «Энергия», 1980 г.

7. http://www.siemens.com

 

Похожие работы на - Технические средства регулирования, контроля, защиты

 

Не нашли материал для своей работы?
Поможем написать уникальную работу
Без плагиата!
Без нейросетей!