Проектування високошвидкісної лінії внутрішньозонового зв'язку Одеської області

  • Вид работы:
    Дипломная (ВКР)
  • Предмет:
    Информатика, ВТ, телекоммуникации
  • Язык:
    Русский
    ,
    Формат файла:
    MS Word
    2,37 Mb
  • Опубликовано:
    2011-01-29
Вы можете узнать стоимость помощи в написании студенческой работы.
Помощь в написании работы, которую точно примут!

Проектування високошвидкісної лінії внутрішньозонового зв'язку Одеської області

Реферат

Об'єкт проектування - синхронна транспортна мережа Одеської області з використанням SТМ - 4.

Мета роботи - спроектувати високошвидкісну лінію внутрішньозонового зв'язку.

Метод проектування - розрахунковий із використанням комп'ютерних технологій.

В дипломному проекті була спроектована високошвидкісна лінія внутрішньозонового зв'язку Одеської області. Приведено розрахунок числа каналів і ПЦП, розрахунок довжин ділянок регенерації. Також приведений розрахунок параметрів лінійного тракту. Надані рекомендації по прокладенню та монтажу оптичного кабелю. Для проектованої мережі розглянено техніко-економічне обґрунтування.

1. Проектування синхронної транспортної мережі

1.1 Загальні положення

У даному дипломному проекті у відповідності з технічним завданням, необхідно проектувати високошвидкісну лінію внутрішньозонового зв'язку Одеської області, яка повинна з'єднувати міста: Одеса, Біляївка, Б. Дністровський, Татарбунари, Кілія, Ізмаїл, Рені, Болград, Арциз, Тарутине, Сарата.

Передача сигналів ЦСП здійснюється по кабельним, радіорелейним і супутниковим лініям зв'язку. Технологія SDH орієнтована на використання волоконно-оптичних кабелів, в яких передача практично не підлягає дії електромагнітних завад, що надає мережі надійність та самовідбудову. Тому, як середовище передачі проектуємої лінії зв'язку, візьмемо волоконно-оптичний кабель. Для проектування високошвидкісної лінії передачі необхідно вибрати конфігурацію мережі.

1.2 Конфігурація мережі

1.2.1 Топологія мереж SDН

Розглянемо базові топології і їх особливості:

а) «точка-точка» - є найбільш простим прикладом базової топології SDH (малюнок 1.1). Вона може бути реалізована за допомогою термінальних мультиплексорів ТМ, як на схемі без резервного каналу прийому/передачі, так і за схемою з стовідсотковим резервуванням типу 1+1, що використовує основний і резервний електричний чи оптичний агрегатні виходи (канали прийому/передачі). При виході з ладу основного каналу мережа в лічені десятки мілісекунд автоматично переходить на резервний;

Рисунок 1.1 - Топологія «точка-точка», реалізована з використанням ТМ

б) топологія «послідовний лінійний ланцюг» (малюнок 1.2). Ця базова топологія використовується, коли інтенсивність трафіку в мережі не так велика й існує необхідність відгалужень у ряді точок на лінії, де можуть вводитися і виводитися канали доступу. Вона реалізується з використанням як термінальних мультиплексорів на обох кінцях, так і мультиплексорів вводу/виводу в точках відгалуження. Ця топологія нагадує послідовний лінійний ланцюг, де кожен мультиплексор вводу/виводу є окремою її лапкою. Вона може бути представлена вигляді послідовного лінійного ланцюга без резервування, або більш складним ланцюгом з резервуванням типу 1+1;

Рисунок 1.2 - Топологія «послідовний лінійний ланцюг», реалізований на ТМ й ТDМ

в) топологія «зірка» (малюнок 1.3), що реалізує функцію концентратора. У цій топології один з віддалених вузлів мережі, зв'язаний з центром комутації чи вузлом мережі SDН на центральному кільці, відіграє роль концентратора, де частина трафіку може бути виведена на термінали користувачів, що тоді як залишкова його частина може бути розподілена по іншим віддаленим вузлам. Іноді таку схему називають оптичним концентратором, якщо на його входи "Подаються частково заповнені потоки рівня STМ-N (чи потоки рівня на ступінь нижче), а на його вихід надходить STМ-N. Фактично ця топологія нагадує топологію «зірка», де як цей гральний вузол використовується мультиплексор SDH.

Рисунок 1.3 – Топологія «зірка» з мультиплексором як концентратор

 


г) топологія «кільце» (малюнок 1.4). Ця топологія широко використовується для побудови SDН мереж перших двох рівнів SDН-ієрархії (155 і 622 Мбіт/с).

Основна перевага цієї топології - легкість організації захисту типу 1+1, завдяки наявності в синхронних мультиплексорах SMUХ двох пар (основної і резервної) оптичних агрегатних виходів (каналів прийому/передачі); схід - захід, що дають можливість формування подвійного кільця з убудованими потоками, і шляхового захисту.

1.2.2 Функціональні методи захисту синхронних потоків

При проектуванні мереж СЦІ важливо забезпечити їхню надійність і живучість. Технологія SDH дозволяє організувати таку мережу, при якій досягається не тільки висока надійність функціонування, обумовлена використанням ВОК, але і можливість збереження або відновлення (за дуже короткий час - у десятки мілісекунд) працездатності мережі, навіть у випадку відмовлення одного з елементів або середовища передачі - кабелю. Крім того, вмонтовані засоби контролю і керування полегшують і прискорюють виявлення несправностей і переключення на резервні ємності. Тому стосовно до мереж SDH іноді використовується термін - «самозаліковующієся».

Існують різні методи забезпечення швидкого відновлення працездатності синхронних мереж, що можуть бути зведені до наступних схем:

• резервування ділянок мережі по схемах 1+1 і 1:1 по рознесених трасах;

• організація кільцевих мереж, що самовідновлюються, резервованих по схемах 1+1 і 1:1;

• резервування термінального устаткування по схемах 1:1 і N:1; відновлення працездатності мережі шляхом обходу непрацездатного вузла;

використання систем оперативного переключення.

1.2.3 Характеристика обслуговуваних пунктів

Метою даного дипломного проекту є створення сучасної телекомунікаційної мережі і організація якісного зв'язку для передачі інформації річних видів між населеними пунктами області.

Обґрунтуємо необхідність зв'язку між вибраними пунктами. Тяжіння вибраних пунктів за послугами зв'язку залежить від чисельності населення. Ступінь зацікавленості у зв'язку залежить від економічних, культурних та соціально-побутових відношень між населеними пунктами.

Наведемо скорочену характеристику обслуговуваних пунктів:

Одеса - один із великих обласних, адміністративних, наукових і культурних центрів України. Населення міста складає 1500000 м. людей. У структурі зайнятості населення найбільший розвиток належить промисловості заводи: кабельний,станко-будівельний,антрацитний, завод „Стальканат”, олійножировий комбінат. Одеса - багатофункціональний центр.

Біляївка - районний центр. Населення – 94,7тис.людей. У структурі зайнятості населення превалююче значення має основна галузь промисловості: сільськогосподарське виробництво,добре розвивається рибна промисловість.

Б. Дністровський- районний центр. Населення-62,8 тис. людей. У структурі зайнятості населення превалююче значення в економіці має сільськогосподарське виробництво.Є різні комбінати.

Татарбунари- районний центр. Населення-48,8тис. людей. У структурі (зайнятості населення превалююче значення належить промисловості. Основні галузі промисловості займає сільськогосподарське виробництво.

Кілія- районний центр. Населення-68,5тис. людей. У структурі Зайнятості населення превалююче значення належить. Основні галузі промисловості: (заводи, ремонтні майстерні); харчова (комбінати: хлібний, м'ясний, молокозавод).Головне направлення економіки району – виробництво сільськогосподарської продукції, побутовий комбінат,рибне господарство.

Ізмаїл- районний центр. Портове місто. Населення- 80,7 тис. людей. У структурі зайнятості населення превалююче значення належить промисловості. Місто промисловий центр. Основні галузі: харчова промисловості, головне місце в економіці району займає сільськогосподарське виробництво.Є декілька вищих та середніх НЗ.

Рені- районний центр. Портове місто. Населення-42,3 тис. людей. У структурі (зайнятості населення превалююче значення належить, ведуча галузь народного господарства районна є сільськогосподарське виробництво з розвитком рослинництва і скотоводства. Мається п’ять промислових і дві будівельні організації.

Болград- районний центр.Район граничить з Румунією. Населення-81,6тис. людей. У структурі зайнятості населення превалююче значення належить сільськогосподарському виробництву.є декілька фабрик і заводів.

Арциз- районний центр. Населення-61,8 тис. людей. У структурі зайнятості населення превалююче значення належить, основні галузі: харчова промисловості, сільськогосподарське виробництво.

Тарутине - районний центр. Населення-56,1тис. людей. У структурі зайнятості населення превалююче значення належить, основні галузі промисловості сільському господарству.

Сарата- районий центр. Населення – 55,6 тис. людей. У структурі зайнятості населення перевалюєте значення належить промисловості (41% від загальної кількості зайнятих), транспорту (7,2%), будівництву (6,3%). Місто – промисловий центр. Основні галузі: (Металовиробництво, виробництво вина, харчова промисловість).

1.2.4 Обґрунтування і розрахунок числа каналів і ПЦП

Число каналів, що зв'язують обрані населені пункти, в основному залежить від чисельності населення в цих пунктах і від ступеня зацікавленості окремих груп населення у взаємозв'язку.

Чисельність населення в будь-якому населеному пункті може бути визначена на підставі статистичних даних останнього перепису населення. Звичайно перепис населення здійснюється один раз у п'ять років, тому при перспективності проектування варто врахувати приріст населення. Кількість населення в заданому пункті і його підлеглих околицях з урахуванням середнього приросту визначається по формулі (1.1).

люд.,      (1.1)

де Ho - число мешканців під час проведення перепису населення, люд.;

 - середній річний приріст населення в даній місцевості, % (приймається 2-3)%);

t - період, визначаємий як різниця між призначеним роком перспективного

проектування і роком проведення перепису населення, рік. Рік перспективного проектування приймається на 5-10 років вперед у порівнянні з поточним часом. Якщо в проекті прийняти 5 років вперед, то

 (1.2)

де tn - рік складання проекту;

tо - рік, до якого відносяться дані Но.

У перспективі кількість абонентів, що обслуговуються тою чи іншою (кінцевою АМТС, визначаються в залежності від чисельності населення, що Мешкає в зоні обслуговування. 1 Приймаючи середній коефіцієнт оснащування вселення телефонними апаратами рівним 0.3, кількість абонентів у зоні АМТС

                                 (1.3)

Використовуючи формули (1.1), (1.2) і (1.3) розрахуємо чисельність населення у всіх обраних пунктах.

Взаємозв'язок між обраними кінцевими і проміжними пунктами визначається на основі статистичних даних, отриманих підприємствами зв'язку за попередні проектуванню роки. і фактично ці взаємозв'язки виражають через коефіцієнт тяжіння КТ, що, як показують дослідження, коливається в широких межах, від 0.1% до 12%. У проекті КТ = 5%, тобто КТ = 0,05.

Враховуючи це, а також ту обставину, що телефонні канали в міжміському в'язку мають переважаюче значення, попередньо необхідно визначити кількість телефонних каналів між обраними пунктами. Для розрахування кількості телефонних каналів і первинних цифрових потоків (ПЦП) можна скористатися наближеною формулою (1.4.).

/30            (1.4)

де К й β - постійні коефіцієнти, що відповідають фіксованій доступності і заданим утратам, звичайно втрати задаються рівними 5%, тоді ДО= 1,3; β= 5,6;

у - питоме навантаження, тобто середнє навантаження, створюване одним абонентом, у = 0,05 Эрл;

Ма і Мв - кількість абонентів, що обслуговуються кінцевими АМТС відповідно в пунктах А і Б.

Таким чином, можна розрахувати число каналів і ІІЦІІ для телефонного зв’язку між пунктами. І Іо кабельній лінії передачі організовують канали й інші види зв'язку, а також враховують і транзитні канали. Розрахунки числа каналів і GWG для телефонного зв’язку між пунктами приведемо в таблиці 1.2.

Таблиця 1.1 – Кількість населення з урахуванням середнього приросту

Таблиця 1.2. Первинні цифрові потоки ПЦП


Білявка

Б. Дністровський

Татарбунари

Кілія

Ізмаїл

Рені

Болград

Арциз

Тарутине

Сарата

Всього

Білявка

-

5

5

2

1

4

6

4

2

4

33

Б. Дністовський

-

-

4

1

1

3

2

2

1

2

14

Татарбунари

-

-

-

1

1

4

3

3

1

1

14

Кілія

-

-

-

-

1

3

2

4

1

1

12

Ізмаїл

-

-

-

-

-

3

3

2

4

5

17

Рені

-

-

-

-

-

-

4

3

3

1

11

Болград

-

-

-

-

-

-

-

4

1

2

7

Арциз

-

-

-

-

-

-

-

-

1

1

2

Тарутине

-

-

-

-

-

-

-

-

-

1

1

Сарата

-

-

-

-

-

-

-

-

-

-

-

Всього

-

5

9

4

4

17

20

22

14

18

111

ПЦП ввода вивода

33

19

23

16

21

28

27

24

15

18

-


1.3 Вибір системи передач. Характеристика і технічні дані обраної системи передач

1.3.1 Вибір системи передач

Ґрунтуючись на розрахованій кількості каналів, обираємо апаратуру синхронної цифрової ієрархії STМ-1/4.

Мультиплексор SТМ-1/4 призначений для організації цифрового потоку зі швидкістю передачі 155(622)Мбіт/с. працюючий по одномодовому оптичному кабелю довжиною хвилі 1300нм. Для кільцевих структур побудови мережі використовується мультиплексор з функцією вставки/виділення (рис 1.6), призначений для забезпечення простого доступу до трібутарних потоків РDH і SDH

Рисунок 1.5 - Схема мультиплексора з функцією вставки/виділення

Основні технічні характеристики синхронного мультиплексора SМА-1 фірми «SIEMENS» приведені в таблиці 1.3.

Таблиця 1.3 - Основні технічні характеристики SMA-1 фірми «SIEMENS»

Найменування показників

Одиниця виміру

Мультиплексор 5М 1

1

2

3

1 Номінальна швидкість

Мбіт/с

155,520

2 Напруга електроживлення

В

40,5-75

3 Споживана потужність

Вт

70-160

4 Швидкість вхідних потоків основний варіант на хвильовий опір 75 Ом, 120 Ом

Мбит/с

2,048

5 Номінальна амплітуда імпульса:

- симетричні з'єднувачі

- коаксіальні з'єднувачі


В

В


3±10%

2,37+10%

6 Послаблення

дБ

6 при 1024Гц

7 Кількість інтерфейсів на модуль

КІЛЬКІСТЬ

21

8.Загальне число потоків

КІЛЬКІСТЬ

63

9.Лінійний код

-

HDB 3

10.Номінальна тривалість імпульсу

НС

244

11 .Частота синхронізації

кГц

2048

12.Точність установки частоти синхронізації не гірше

од.

1

13. Діапазон довжини хвилі

нм

1285 - 1330

14. Енергетичний потенціал на довжині хвилі 1300 нм

дБ

36

15.Тип волокна оптичного кабелю

-

Одномодовий

Іб. Переключення на резервний модуль

с

10

17. Переключення на резервну лінію

мс

25

1.3.2 Характеристика транспортної системи

Досягнення сучасної техніки комутації і передачі привели до того, що зникла необхідність у створенні сучасної цифрової транспортної мережі чи системи. Транспортна система (ТС) -це інфраструктура, поєднуюча ресурси мережі, що виконують функції транспортування. При транспортуванні виконуються не тільки переміщення інформації, але й автоматизоване і програмне керування складними конфігураціями (кільцевими і розгалуженими), контроль, оперативне переключення та інші мережні функції. ТС є базою для всіх існуючих планованих служб, для інтелектуальних, персональних і інших перспективних мереж, у яких можуть використовуватися синхронний чи асинхронний способи переносу інформації.

Транспортна система СЦІ - органічна сполука інформаційної мережі і системи контролю і керування SDH. Навантаженням інформаційної мережі СЦІ можуть бути сигнали існуючих мереж ПЦІ, а також сигнали нових служб і мереж зв'язку. Аналогові сигнали попередньо перетворюються в цифрову форму за допомогою наявного на мережі устаткування.

В інформаційній мережі СЦІ чітко витримується розподіл по функціональних шарах. Мережа містить три топологічне незалежних шари (канали, тракти і середовище передачі), які підрозділяються на більш спеціалізовані шари. Кожен шар виконує визначені функції і має точки доступу. Вони оснащені власними засобами контролю і керування, що мінімізує зусилля при ліквідації аварій і знижує їхній вплив на інші шари. Функції шару залежать від фізичної реалізації нижнього обслуговуючого шару. Кожен шар може створюватися й удосконалюватися незалежно.

В інформаційній мережі використовуються принципи контейнерних перевезень. Завдяки цьому мережа SDН досягає універсальних можливостей транспортування різнорідних сигналів. У транспортній системі SDН переміщаються не самі сигнали навантаження, а нові цифрові структури віртуальні контейнери, у яких розміщаються сигнали навантаження, що підлягають транспортуванню. Мережні операції з контейнерами виконуються незалежно від змісту. Після доставки на місце і вивантаження сигнали навантаження знаходять вихідну форму. Тому транспортна система SDН є прозорою.

Створення мережних конфігурацій, контроль і керування окремими станціями і всією інформаційною мережею здійснюється програмне і дистанційно а допомогою системи обслуговування SDH.

У шарі середовища передачі самими великими структурами SDН є синхронні транспортні модулі (SТМ), що представляють собою формати лінійних сигналів. Для створення високошвидкісних лінійних сигналів використовується синхронне мультиплексування потоків інформації.

1.3.3 Структури мультиплексування SDH і РDH

Розглянемо групоутворення синхронних транспортних модулів (SТМ). Інформація, що надходить у мережу, узгоджується зі структурами, за допомогою яких підтримується з'єднання. У SDН ці структури утворюються в мережних шарах секцій і трактів і транспортують цифрові потоки, а також широкосмугову інформацію. У функції цих структур входять також компенсація можливих змін швидкості і фаз транспортуючих по мережі SDH цифрових потоків. Така компенсація забезпечує функціонування SDН як синхронної мережі, що допускає плезіохронний режим.

Синхронні мультиплексори фірми «SIEMENS» формують потоки синхронної цифрової ієрархії і плезіохронної цифрової ієрархії. На малюнку 1.7 показані організація і зв'язки структур мультиплексування ієрархій SDН і PDH.

Рисунок 1.6 - Структури мультиплексування SDН і PDH

Мультиплексування починається з формування контейнера. Вхідні потоки PDH упаковуються в контейнери SDН С-12, С-3 чи С-4 відповідно плезіохронному методу зрівняння швидкостей; кожна стандартна швидкість передачі інформації потоку PDH постійно призначаються контейнеру визначеного розміру. Шляхом вдавання до контейнерів заголовка тракту (POH) з контейнерів створюються віртуальні контейнери VС-12, VС-2, VС-3 чи VС-4. Тобто VС=РОH+C. Трактовий заголовок РОН створюється (ліквідується) у пунктах, у яких організується (розформовується) VС, і контролює тракт між цими пунктами. У функції РОН контроль якості тракту і передача аварійної та експлуатаційної інформації. РОН тракту вищого порядку містить так само інформацію про структуру інформаційного навантаження VС. Кожен віртуальний контейнер VС-12 чи VС-2 генерує, разом з відповідними покажчиками TU (покажчик даних), трібутарних одиницю TU-12 чи ТU-3. 'ІU забезпечує узгодження між мережними шарами трактів нижчого і вищого порядків і містить інформаційне навантаження і ТU покажчик, що показує відступ початку циклу навантаження від початку циклу VС вищого порядку.

'TU = ТU-покажчик + VС.

Один чи кілька TU, що займають визначені фіксовані позиції в навантаженні VС вищого порядку, називають «групою трібутарних одиниць» (ТUG). TUG утворюється шляхом генерування байтів ТU-12 U-З.

Через свій розмір віртуальний контейнер VС-4 може передаватися тільки безпосередньо в циклі SТМ-1. Віртуальний контейнер VС-4 разом з відповідним покажчиком АU утворює адміністративну одиницю АU-4. Тобто АU = AU-покажчик + VС. Покажчик AU містить різницю фаз між циклами SDН більш високого порядку і відповідним віртуальним контейнером VС-4. Один чи кілька АU, що займають визначені фіксовані позиції в навантаженні SТМ, називаються «групою адміністративних одиниць» (АUG) Група містить однорідний набір блоків АU-3 чи один АU-4.

SТМ-N утворюється побайтним з'єднанням N-АUG і секційного заголовка SOH:

SТМ-М = SOH + NxAUG.

1.3.4 Структура циклу модуля SТМ-1

Розглянемо логічну структуру модуля SТМ-1, представлену у вигляді циклу SТМ-1 з його заголовками. Модуль SТМ-1 має швидкість 155 Мбіт/с. Крім інформаційного навантаження модуль SТМ-1 має надлишкові сигнали (ОН), що забезпечують автоматизацію функцій контролю, керування й обслуговування (ОАМ) і допоміжні функції. Такі надлишкові сигнали називаються «заголовками». Оскільки SТМ використовується в мережному шарі секцій, його заголовок називається секційним (S0Н). Він підрозділяється на заголовки регенераційної (R SOH) і мультиплексної (М SOН) секцій. R SОН передається між регенераторами, a М SОН між пунктами, у яких формується і розформовується STM, проходячи регенератори транзитом. R SOH - виконує функції циклової синхронізації, контролю помилок, указівки порядку сінхронізуємого модуля, а також створює канали передачі даних, службового зв'язку і користувача. М SOH – виконує функції контролю помилок і створює канали керування системою автоматичного переключення на резерв, передачі даних і службового зв'язку.

Структура циклу модуля STM-1 приведена на малюнку 1.8

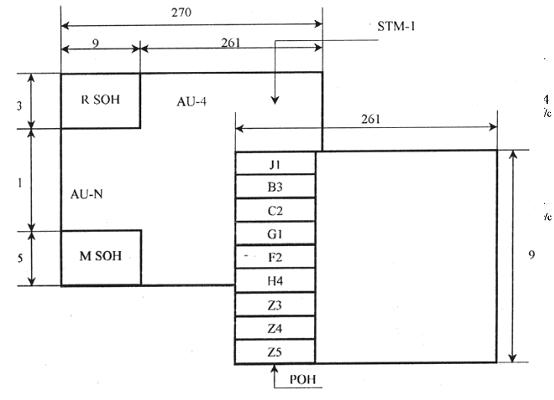
Цикл STM має період повторення 125 мкс. Звичайно цикл представляється у вигляді двовимірної структури (матриці), формат якої: 9 рядків на 270 однобайтних стовпців 9(270=2430 елементів). Кожен елемент відповідає одному байту (8 біт) інформації і швидкості 64 кбіт/с. Весь цикл STM-1 має швидкість передачі рівну 64(2430=155520 кбіт/с). Цикл STM-1 складається з трьох груп полів: поле секційних заголовків - регенераційної секції (R SOH) формату 3х9 байтів і мультиплексної секції (М SOH) формату 5х9 байтів; поле покажчика AU-4 формату 1х9 байтів; поле корисного навантаження формату 9х261 байтів.

Блок AU-4 служить для переносу одного віртуального контейнера VC-4, що має свій маршрутний (трактовий) заголовок POH (лівий стовпець розміром 9 байтів). Основне призначення РОH - забезпечити цілісність на маршруті від точки зборки віртуального контейнера до точки його розбирання.

Байти заголовка мають наступні значення:

• байт J1 - використовується для передачі в циклічному режимі 64(8 бітових структур для перевірки цілісності зв'язку;

• байт ВЗ - ВІР-8 код, що контролює помилки парності в попередньому контейнері;

• байт С2 - покажчик типу корисного навантаження. Несе інформацію про наявність корисного навантаження;

• байт Gl - покажчик стану маршруту. Використовується для передачі інформації про стан лінії до віддаленого термінала (наприклад, про наявність чи помилок збоїв на дальньому кінці);

• F2, Z3 - байти, то можуть бути задіяні користувачем даного маршруту для організації каналу зв'язку;

• H4 - узагальнений індикатор положення навантаження, використовується для організації мультифреймов;

• Z4 - байт зарезервований для можливого розвитку системи;

• Z5 - байт оператора, зарезервований для цілей адміністрування мережі.

Розглянемо структуру заголовків циклу STM-1. Заголовок SOH (малюнок 1.9) складається з двох блоків: R SOH - заголовка регенераторної секції розміром 3х9=27 байт і М SOH - заголовка мультиплексної секції розміром 5х9=45 байт.

Рисунок 1.7 - Структура циклу STM-1 і VC-4

Заголовки R SOU і M SOH містять наступні байти:

байти А1, А1, А І, А2, А2, А2 є ідентифікаторами наявності циклу STM-1 у циклі STM-N (А 1 =11110110, А2=00101000);

-байт В1 і три байти В2 формують дві кодові послідовності, використовувані для перевірки на парність з метою виявлення помилок у попередньому фреймі:

-BІP-8 формує 8-бітну послідовність для розміщення в В1 і ВІР-24 - 24-бітну послідовність для розміщення в трьох В2;

-байт С1 визначає значення третьої координати «с» - глибину інтерлівінга в схемі мультиплексування STM-N;

-байти D1-D12 формують службовий канал передачі даних DCC: D1-D3 формують DCC канал регенераторної секції (192 Кбіт/с), D4-D12 - DCC канал мультиплексної секції (576 Кбіт/с);

-байти E1, Е2 можуть бути використані для створення службових каналів голосового зв'язку: Е1 для регенераторної секції (64 Кбіт/с), E2 для мультиплексної секції (64 Кбіт/с);

-байт F1 зарезервований для створення каналу передачі даних голосового зв'язку, для потреб користувача;

-байти КІ, К2 використовуються для сигналізації та керування автоматичним переключенням на справний канал при роботі в захищеному режимі - APS;

-байти Zl, Z2 є резервними за винятком біт 5-8 байтів Zl, використовуємих для повідомлень про статус синхронізації,

-байт S1 - байт SSM - cигнал маркера синхронізації. У ньому передається інформація про якість джерела синхронізації;

-шість байтів, позначених знаком , можуть бути використані як поля визначені середовищем передачі;

-байти, позначені зірочками, не піддаються (на відміну від інших) процедурі шифрування заголовку;

-усі непомічені байти зарезервовані для наступної міжнародної стандартизації.

 

Рисунок 1.8 - Структура заголовків SOH циклу STM-1

1.4 Комплектація обладнання

У даному дипломному проекті використовується обладнання SM 1 фірми «SIEMENS». SM 1 виконує функції лінійного і станційного обладнання. Усього Використовується 10 SM 1, по одному в наступних населених пунктах Одеса, Біляївка, Роздільна, Фрунзівка, Котовськ, Кодима, Балта, Любашівка, Ананьїв, Шіряєво. Комплектація мультиплексора SMA 1 здійснюється наступними модулями:

E12W (робочий) - модуль вставки/виділення потоків 2 Мбіт/с. На одному модулі можна виділяти до 21 потоку 2 Мбіт/с, можливе резервування модулів у режимі 1 +1, цей модуль призначений для нормальної роботи;

Е12Р (резервний) - модуль для переключення на резерв (захист плати);

ОІ 155 - модуль оптичного лінійного тракту. Модуль ОІ 155 містить двунаправлений синхронний інтерфейс. Структура потоків даних і їхні характеристичні параметри відповідають рекомендації ITU-TG.957 для лінійних потоків STM-1 зі швидкістю передачі 155 Мбіт/с. Модуль ОІ 155 виконує функції мультиплексування/демультиплексування SDH для потоків ТU-3, TU-2 і 'I'U-12 рівні AU-4. Потоки SDH можуть передаватися в закритій формі на високому рівні або розосереджуватися по низьких рівнях. Необхідні функції поточного контролю і керування реалізовані для всіх рівнів. Обробка заголовка потоку STM-1 і переключення на резерв (захист тракту) виконуються разом з комутаційним полем;

SN - модуль комутаційного поля. Ядром комутаційного поля є не блокуєма повнодоступна матриця тимчасового комутатора ємністю 1008 еквівалентів VC-12. Матриця здійснює всі переключення під керуванням встроєного мікроконтролера. Усі плезіохронні сигнали які підключаються перед вводом у комутатор перетворюються у віртуальний контейнер відповідного рівня на підставі рекомендації ITU-T № G.709. комутатор забезпечує підключення сигналів рівнів: 'I'U-12 (2 Мбіт/с), TU-2 (6,3 Мбіт/с), TU-3 (34 Мбіт/с) і AU-4 (140 Мбіт/с). При цьому можлива організація наступних видів з'єднань:

- двонаправлене;

- шлейф;

- доступ до розділення;

- віщання.

Рисунок 1.9 - Функціональна схема комутаційного поля

ОHА - модуль доступу до заголовка SDH потоків STM 1. Модуль ОНА підтримує наступні інтерфейси:

- інтерфейси даних 64 кбіт/с на підставі ITU-T G.703;

- інтерфейси мовних сигналів (двохпроводні, чотирьохпроводні);

- комутаційне поле для прямого з'єднання зі службовими каналами;

- комутація конференц-з'єднання каналів службового зв'язку;

- кнопковий телефонний апарат з тональним набором;

- генерація викличних сигналів і акустичних тональних сигналів;

джерело синхронізації. Усі модулі мультиплексора SMA 1 мають загальну функціональну групу SET для синхронізації мультиплексорів SMA 1. Як джерела опорних сигналів можуть використовуватися наступні джерела синхросигналів:

- зовнішній опорний тактовий генератор 2,048 Мгц (вхідний сигнал ТЗ);

- суміжний потік даних STM-1 (вхідний сигнал Т1);

- потік даних 2,048 Мбіт/с (вхідний сигнал T4);

- внутрішній кварцовий генератор (вихідний сигнал ТО).

Як вхідні сигнали можуть бути вибрані до 6 різних зовнішніх джерел

синхросигнала;

UCU-C - модуль блоку керування - це універсальний процесор з операційною системою UNIX, що виконує функції керування синхронним обладнанням SEMF і функції передачі повідомлень MCF у блоці керування системою (SCU);

LAD - модуль локальної аварійної сигналізації і жорсткого диска. Модуль LAD - це частина блоку керування системою (SCU); найбільш важливими функціями модуля LAD є наступні функції:

масова пам'ять блоку SCU на змінному жорсткому диску 2,5 дюйми (планується дзеркальне копіювання твердого диска);

генерація аварійних повідомлень і повідомлень про помилки;

одержання програмних аварійних повідомлень, повідомлення про перешкоди й аварійні сигнали апаратних засобів від модуля UCU-C. Блок керування UCU-U і модуль локальної аварійної сигналізації і короткого диска разом складають блок керування системою (SCU). Блок SCU відповідає за керування і поточний контроль синхронного мультиплексора (функція SEMF) і передає інформацію між інтерфейсами QD2F і QD2B (функція MCF).

Кожен модуль, крім модулів UCU-C і LAD, містить один чи два периферійних блоки керування (PCU). PCU - це процесор для контролю пристроїв передачі даних, регулювання конфігурації і зв'язку з блоками керування системою (SCU) більш високого рівня.

На малюнку 1.11 представлена взаємодія описаних модулів SMA 1. Синхронні мультиплексори SMA 1 являють собою модульні підстативи. Існують підстативи двох типів:

подвійний підстатив, із двома рядами модулів, максимальна кількість виділяємих потоків - 252;

одиночний підстатив, з одним поруч модулів, максимальна кількість виділяємих потоків - 125.

Даним проектом передбачається застосування одиночного підстатива (малюнок 1.12.).

Підстативи синхронних мультиплексорів SMA 1 призначені для установки стативах ETS1 з розмірами 600 мм ( 2200 мм ( 300 мм (ширина, висота, глибина).

Кожен мультиплексор постачений панеллю локальної сигналізації аварійних станів. Панель запобіжних автоматів знаходиться у верхній частині статива ETS1. З боків статива передбачений простір для підведених до мультиплексора кабелів.

При розробці мультиплексорів SMA 1 були використані принципи децентралізації, що дозволило відмовитися від єдиного блоку живлення. Кожен модуль містить свій перетворювач, що виробляє напруги, використовуємо модулями. Застосування такого підходу значно збільшило надійність пристрою і зменшило споживану потужність.

SТМ-1

 

SТМ-1

 

Тактові сигнали

Рисунок 1.10 - Взаємодія модулів SMA -1


 

Рисунок 1.11 – Механічна конструкція SMA 1

1.5 Вибір типу оптичного кабелю

Ведуча роль в удосконаленні ліній зв'язку належить волоконно-оптичним кабелям, що у порівнянні зі звичайними металевими володіють рядом переваг:

• висока завадозахищеність від зовнішніх електромагнітних полів;

велика широкосмуговість. ВОК працюють у діапазоні частот 1014 – 1015Гц.

У світловому діапазоні збільшується несуча частота в 6-10 разів. Звідси |теоретично збільшується обсяг передаваємої інформації. Працюють оптичні лінії зі швидкістю передачі до 10 Гбіт/с (дослідні зразки до 100 Гбіт/с);

мале загасання енергії в оптичному волокні дозволяє істотно збільшити довжину регенераційної ділянки;

• дефіцитні метали (мідь, свинець) замінені кварцем;

висока скритність передачі інформації;

великі будівельні довжини кабелю (2 км і більше) забезпечують менше число з'єднань, що збільшує надійність ВОЛЗ;

зниження маси кабелю.

Оптичний кабель може бути використаний при звичайній побудові зонової телефонної мережі, але більш повно його переваги використовуються при організації зв'язку за кільцевою схемою.

Від правильності вибору оптичного кабелю залежать капітальні витрати й Експлуатаційні витрати на проектовану ВОЛП. На вибір впливають, з одного боку, параметри ВОСП (широкосмуговість чи швидкість передачі інформації, довжина хвилі оптичного випромінювання, енергетичний потенціал, припустима дисперсія, спотворення), з іншого боку, оптичний кабель повинний задовольняти і технічним вимогам:

можливість прокладки в тих же умовах, у яких прокладаються електричні кабелі;

максимальне використання існуючої техніки;

стійкість до зовнішніх впливів і т.д.

Для внутрішньозонових мереж становлять інтерес оптичні кабелі з довжинами хвилі 1,3 і 1,55 мкм, що дозволяють реалізувати регенераційні ділянки (РД) довжиною 60 -100 км. Промисловістю випускаються кабелі наступних марок: OKJI, ОКЗ, ОКЛБ, ОКЛК.

Виходячи з технічних характеристик STM-1, приведених у таблиці 1.2, у проекті будемо використовувати кабелі марок ОКЛБ, ОКЛ, ОКЛК. Дамо коротку характеристику даного кабелю.

Кабель оптичний одномодовий для магістральних і зонових мереж на довжину хвилі =1,3 мкм, кілометричний коефіцієнт загасання 0,22 дБ/км, середньоквадратичне значення дисперсії оптичного волокна (0В) 3,5 пс/нм км. Кабель призначений для прокладки в трубах, колекторах кабельної каналізації, грунтах усіх категорій, на мостах через болота і водяні переходи, Температура, що допускається при експлуатації від -40 до +50°С. Будівельна довжина оптичного кабелю повинна бути не менш 2000 м. У розрахунках будемо брати будівельну довжину рівну lбуд=2 км. Припустиме зусилля, що роздавлює, для даного кабелю дорівнює 1000 Н/див, Припустиме розтяжне зусилля від 7000 до 80000 Н.

    1.5.1 Конструкція. Маркірування і характеристики оптичного кабелю

Відмінними рисами оптичного кабелю від мідного є:

а) велика будівельна довжина (4-5 км);

б) мала механічна міцність;

в) висока надійність.

Мала механічна міцність в оптичному кабелі компенсується введенням у його конструкцію арміруючих елементів, таких як сталевий трос, високоміцних хімічних ниток типу кевлар і т.п. Зовнішня поліетиленова оболонка кабелів, що прокладаються не в КТК, захищається бронею, що також як і кабель покривається поліетиленовою оболонкою. Сучасна броня являє собою сталеву гофровану оболонку товщиною 0,5мм зменшуючи радіус вигину кабелю. Її перевага перед традиційною бронею (дві сталевих стрічки з перекриттям) - захист від вологи.


1.5.2 Конструкція оптичного кабелю ОКЛБ

Елемент конструкції

Товщина, мм

Діаметр, мм

Оптичне волокно


0,25

Оболонка оптичного модуля

0,35

2,7

Центральний силовий елемент


3,0

Гідрофоб



Проміжня поліетиленова оболонка

1,5

11,9

Броня із сталевих стрічок

2 х 0,3 + 0,5

14,0

Зовнішня поліетиленова оболонка

2,0

18,4


Рисунок 1.12 - Оптичний кабель ОКЛБ

1.6 Розрахунок довжини ділянок регенерації

Довжина регенераційної ділянки РД цифрової волоконно-оптичної системи (ЦВОСП) залежить від багатьох факторів, найважливішим з яких є:

-енергетичний потенціал (Е) ЦВОСП, рівний:

Е = Рпер - Рпр, дБ,

де Рпер - абсолютний рівень потужності оптичного сигналу випромінювання, дБм;

Pпp - абсолютний рівень потужності оптичного сигналу на вході прийомного пристрою, при якому коефіцієнт помилок чи імовірності помилки Рош одиночного регенератора не перевищує заданого значення, дБм;

Е - енергетичний потенціал визначає максимальне-припустиме загасання оптичного сигналу в оптичному волокні (0В), роз'ємних і нероз'ємних з'єднувачах на РД, а також в інших вузлах ЦВОСП.

- дисперсія в 0В, ов, пс/нм км. Дисперсійні явища в 0В призводять до розширення в часі спектральних і модових складових сигналу, тобто до різного часу їхнього поширення, що призводить до зміни форми і тривалості оптичних імпульсних сигналів, до їхнього розширення;

- перешкоди, обумовлені тепловими шумами резисторів, транзисторів, напівпровідникових діодів, підсилювачів, шумами джерел оптичного випромінювання, шумами через відображення оптичного випромінювання від торцевої поверхні 0В, медовими шумами через інтерферентності моди, що поширюються в 0В; цей вид перешкод інтегрально враховується як власні шуми;

- квантовий чи фантомний шум, носієм якого є сам оптичний сигнал (у силу його малості в порівнянні з іншими складовими шумів оптичного JI Т, у проекті його не враховуємо і вплив враховується як вплив дестабілізуючих факторів);

- коефіцієнт загасання 0В; α’ , дб/км;

- мінімально детектуєма потужність (МДМ) Wмдм, що відповідає мінімальному порогові чутливості прийомного пристрою - фотоприймача ЦВОСП із заданою імовірністю помилки.

Для визначення довжини РД складається його розрахункова схема (малюнок1.14).

Рисунок 1.13 - Розрахункова схема РУ ЦВОСП

03-Р - оптичний з'єднувач роз'ємний (їхнє число на РД дорівнює 2),

НРП - регенераційний пункт, що не обслуговується,

ПРОМ - приемопередаючий оптичний модуль, що перетворює оптичний сигнал в електричний, що відновлює параметри останнього і перетворить його в оптичний;

OЗ - Н - оптичний з'єднувач нероз’ємний, число яких на одиницю менше числа будівельних довжин ОК, що складають РД,

Як бачимо з малюнка 1.13 загасання РД дорівнює:

Ард = 2Адв + N Авв+α рд) + At + Рз, дБ, (1.6)

де Адв - загасання, внесене роз'ємним оптичним з'єднувачем, рівне 0.5..1...1,5дБ;

N - число нероз'ємних оптичних з'єднувачів;

Авв – загасання, внесене нероз'ємним оптичним з'єднувачем, дБ;

α - коефіцієнт загасання 0В, дБ/км;

рд - довжина регенераційної ділянки, км;

At - допуски на температурні зміни параметрів ЦВОСП, у тому числі й ОК, для типових ВОСП рівні 0,5... 1,5дБ;

РЗ - допуски на погіршення параметрів елементів ЦВОСП з часом (старіння, деградація і т.п.), Ав=2...6 дб (залежить від типів джерела і приймача оптичного випромінювання та їхніх комбінацій).

Для лінійного обладнання СП синхронної цифрової ієрархії завжди відомим є рівень передачі, тобто Рпер = +2 ...-4 дб.

Довжину регенераційної ділянки знайдемо по формулі:

, км (1.7)

Енергетичний потенціал Е візьмемо з технічних даних апаратури SMA1, рівний 36 дб (таблиця 1.2).

Усі величини у формулі (1.7) відомі, крім N - числа нероз'ємних оптичних з’єднань. Число N на одиницю менше числа будівельних довжин.

Визначимо довжину РД /рд мах, вважаючи, що загасання внесене нероз’ємними з'єднувачами дорівнює нулю. При такому допущенні довжина РД визначиться з вираження:

 к= ,км (1.8)

 (км)

Тепер знаючи lру мах, визначимо число будівельних довжин ОК, що складають РД по формулі (1.9):

 (1.9)

де символ Ц означає округлення убік більшого числа.

 км

Число нероз'ємних оптичних з'єднувачів обчислюємо по формулі (1.10):

N = Nбуд - 1

N=46-1=45

Загасання, внесене цими з'єднувачами, дорівнює N Авв. Отже, довжина РД |повинна бути зменшена на величину

 , км (1.11)

 (км)

З обліком (1.8) - (1.11) довжину РД визначимо по формулі:

 

lрд = lpд мах - , км 1рд=92- 15=77 (км)

1.7 Схема організації зв'язку і мультиплексного плану

Для забезпечення зв'язку між обраними населеними пунктами організується 111 двохмегабітних потоків. Інші потоки - резервні, використовуються на транзит, розвиток, для оренди, а також для організації в зв'язку з обласним кільцем, структурна схема приведена на малюнку 1.15. Одеса, Біляївка, Б.Дністровськ, Татарбунари, Кілія, Ізмаїл, Рені, Болград, Арциз, Тарутине, Сарата

Свердловськ 1^

SMA < 12n'^


2. Розрахунок параметрів лінійного тракту

2.1 Розрахунок первинних параметрів оптичного волокна

Одномодове оптичне волокно (ООВ) є направляючою системою для поширення електромагнітних хвиль. Для їхнього поширення по світловоду використовується відоме явище повного внутрішнього відображення на границі двох діелектричних середовищ n1 і n2 , де n1 − середовище поширення хвилі НЕ11, обмежена середовищем n2, при цьому n1<n2/1/.

Середовищем поширення й обмеження є кварцове скло з різною концентрацією легуючих добавок для одержання різних показників переломлення (ПП) n1 і n2, n1 =1,46 і n2 = 1,457.

Визначимо відносне значення ПП:


По оптоволокну ефективно передаються тільки промені, укладені усередині тілесного кута , величина якого обумовлена кутом повного внутрішнього відображення. Цей тілесний кут характеризується числовою апертурою:


де  - апертурний кут падіння лучачи,

 = arcsin 0,093 = 5,336°

Для ООВ діаметр сердечника вибирається таким, щоб забезпечити умови поширення тільки однієї моди НЕ 11. У цьому випадку, з умови одномодовости, нормована частота:

,

де d = 10 мкм - діаметр серцевини ОВ;

 =1,3 мкм - довжина хвилі оптичного випромінювання.


Одномодова передача реалізується на гібридній хвилі НЕ11 ця хвиля нульове значення кореня функції Бесселя Pnm=0,000, отже, вона не має критичної частоти і може поширюватися при будь-якій частоті. Всі інші хвилі мають кінцеве значення, і вони не поширюються на частотах нижче критичної. Інтервал значень Рnm, при яких поширюється лише один тип хвилі НЕ11 знаходиться в межах 0<Pnm<2,25. Тому при виборі діаметра серцевини ОВ и виборі частоти передачі виходимо з цієї умови Pnm=l,883.

Визначимо критичну частоту, при якій поширюється лише один тип хвилі НЕ 11:

, Гц

де з = 3 ∙ 108 м/с - швидкість світла.

(Гц)

Визначимо також довжину хвилі:

(мкм)

Таким чином, по даній направляючій системі поширюється лише одна хвиля НЕ11 при про = 1,298 мкм.

2.1.1 Розрахунок вторинних параметрів оптичного волокна

В одномодових світловодах відсутній модова дисперсія й у цілому дисперсія виявляється істотно менше. У даному випадку можливий прояв хвилевідної й матеріальної дисперсії, але при довжинах хвиль  = 1,2...1,6 мкм відбувається їхня компенсація, тобто мат  вв.

При взаємодії усіх факторів форма сигналу на прийомі не відома. Тому як міру дисперсії використовується среднеквадратична дисперсія в оптоволокні:

н, пс/км,

де = 5нм - ширина смуги довжин хвиль оптичного випромінювання;

н = 3,5 пс/км - номінальне значення среднеквадратичної дисперсії для ОК типу ОКЛ.

=5∙ 3,5 = 17,5 , пс/км.

Отже,  = 17,5 пс/км, що істотно менше модової дисперсії багатомодового ОК.

2.2 Розрахунок швидкодії ВОСП

Вибір типу ОК може бути оцінений розрахунком швидкодії системи і порівнянням його з припустимим значенням.

Швидкодія системи визначається інертністю її елементів і дисперсійних властивостей ОК.

ІІовна припустима швидкодія системи визначається швидкістю передачі В', біт/з, способом модуляції оптичного випромінювання, типом лінійного коду і визначається по формулі:

, нс

де  - коефіцієнт, що враховує характер лінійного сигналу (вид лінійного коду). =0,7 для коду NRZ.

Відповідно до рекомендацій МСЭ-Т лінійним кодом транспортних систем SDH є код NRZ.

(нс)

Загальна очікувана швидкодія ВОСП визначається по формулі:

, нс,

де tпер - швидкодія передавального оптичного модуля (ПОМ), що залежить від швидкості передачі інформації й типу джерела випромінювання; tпер = 1 не (для швидкості 155 М біт/с);

tпр - швидкодія прийомного оптичного модуля (ПРОМ), обумовлене швидкістю

передачі інформації і типом фотодетектора (ФД), tnp = 0,8 , нс;

tов - розширення імпульсу на довжині РУ.

, нс,

де  - дисперсія, обумовлена в залежності від типу волокна.

tсв=17,5∙ 77=1,45 нс

 (нс),

Тому що =1.69 нс < =4.52 нс те вибір типу кабелю і довжини РУ зроблений вірно.

Величина

, нс

називається запасом по швидкодії.

При < станційне і лінійне устаткування ВОЛП будуть забезпечувати безпомилкову передачу лінійного сигналу.

2.3 Розрахунок порога чутливості ПРОМ

Однієї з основних характеристик приймача оптичного випромінювання є його чутливість, тобто мінімальне значення що виявляється (детектуємою) потужності оптичного сигналу, при якій забезпечуються задані значення відносини сигнал/шум або імовірність помилок.

В умовах ідеального прийому, тобто при відсутності і шуму перекручувань для забезпечення імовірності помилок не гірше 10-9 потрібна генерація 21 фотона на кожен прийомний імпульс. Це є фундаментальною межею, що властивий будь-якому фізично реалізованому фотоприймачеві і називається квантовою межею детектування.

Відповідній зазначеній межі мінімальна середня потужність оптичного сигналу тривалістю

 с/біт,

= =6,45∙ 10-9 (з/біт)

називається мінімально детектуємою потужністю (МДМ).

Мінімальна середня потужність оптичного сигналу на вході ПРОМ, при якій забезпечується задане відношення сигнал/шум або імовірність помилок, називається порогом чутливості.

2.4 Розрахунок розподілу енергетичного потенціалу

Рівень оптичної потужності сигналу, що падає на вхід ПРОМ, залежить від енергетичного потенціалу ВОСП, утрат потужності в ОВ, утрат потужності в рознімних з'єднувачах, втрат у нероз'ємних з'єднувачах.

Вихідні дані для розрахунку розподілу енергетичного потенціалу помістимо в таблицю 2.1.

Таблиця 2.1 Енергетичний потенціал

Параметри

Обозначене

Одиниця виміру

Значення

Рівень потужності передачі оптичного сигналу

Рпер

дБм

-4

Мінімальний рівень потужності прийому

Рпр min

дБм

-40

Енергетичний потенціал ВОСП

Э

ДБ

36

Довжина РУ

Lpy

KM

77

Будівельна довжина ОК

Lc

KM

2

Кількість будівельних довжин ОК на РУ

Nc

-

53

Кількість рознімних з'єднувачів на РУ

Np

-

2

Загасання оптичного сигналу на рознімному з'єднувачі

Ap

ДБ

0,5

Кількість нероз'ємних з'єднувачів ОВ на РУ

nh

-

45

Загасання оптичного сигналу на нероз'ємному з'єднувачі

ah

дБ

0,1

Коефіцієнт загасання ОВ

α

ДБ

0,3


Рівень передачі оптичного сигналу Рпср = - 4 дБм. Рівень сигналу після першого рознімного з'єднувача:

Ррl = Рпeр - Ар = - 4 - 0,5 = - 4,5 дБм

Рівень сигналу після першого нероз'ємного з'єднувача станційного ОК і лінійного ОК

Рнl = Ррl - Ан = - 4,5 - 0,1 = - 4,6 дБм

Рівень сигналу після нероз'ємного з'єднувача на позиції 2 км

Рн2 = Рнl - Lс ? - Ан = - 4,6 - 2 0,3- 0,1 = - 5,3 дбм

Рівень сигналу після нероз'ємного з'єднувача на позиції 4 км

Рнз = Рн2 - lс ? - Ан = -5,3 - 2 0,3 - 0,1 = - 6 дбм

Таким чином, розрахуємо рівні сигналу після всіх нероз'ємних з'єднувачів. Наприклад:

Рн4 = - 6,7 дБм

Рн5 = - 7,4 дбм

І так далі, до

Рн49 = - 38,2 дБм

Рівень сигналу після 49-го нероз'ємного з'єднувача дорівнює -38,2 дбм. Рівень сигналу після 2-го рознімного з'єднувача

Рр2 = Рн49 – Ар= - 38,2 - 0,1 = - 38,3 дбм

Рівень сигналу після 2-го рознімного з'єднувача є рівнем прийому

Рпр = Рр2 = - 38,3 дБм

Загальне загасання на оптичній сполучній лінії складає

Арові = Рпер- Рпр = - 4 - (- 38,3) = 34,3 дБм

За результатами розрахунків можна зробити висновок, що загасання на оптичної сполучної лини менше енергетичного потенціалу ВОСП, рівного Э =36 дБ.

Експлуатаційний запас системи можна прийняти аз = 4 дБм,

Для транспортних систем SDH у технічних даних приводиться максимальний рівень прийому. Розрахований рівень прийому не повинний бути більше максимально можливого рівня прийому, але і не повинний бути нижче мінімально можливого рівня прийому:

Рпр min  Рпр  Рпр max

- 40 дБм  - 38,3 дБм  - 4 Дб.

Відповідно до технічного завдання до дипломного проекту потрібно спроектувати високошвидкісну волоконно-оптичну лінію внутрішньозонового зв'язку, що повинна з'єднати за кільцевою схемою міста: Одеса, Біляївка,Б.Дністровський,Татарбунари,Кілія,Ізмаїл,Рені,Болград,Арциз,ТарутинеСарата( Одеської області) Схема представлена на малюнку 2.4.

Частина території одеської області, по якій буде проходити проектуєма траса, має рівнинний рельєф. Це землевласницькі освоєні рівнини з чорноземними ґрунтами, тому, щоб уникнути відчуження земель сільськогосподарського, значення буде правильним проектувати трасу уздовж автомобільних доріг. Крім того, прокладка траси уздовж автомобільних доріг полегшить експлуатацію ВОЛП.

Загальна довжина траси складає 480 км.

2.6 Будівництво BOJIЗ. Рекомендації з прокладки і монтажу

2.6.1 Підготовчі роботи

При будівництві ВОЛЗ передбачається 100%-ный вхідний контроль ОК на кабельній площадці. Усі барабани з кабелем у міру надходження від заказника па кабельну площадку повинні бути зареєстровані в спеціальному журналі. Вивозити барабани на трасу, робити прокладку без проведення вихідного контролю не дозволяється. Барабани з ОК піддаються зовнішньому оглядові на відсутність механічних ушкоджень. Після зняття обшивання з барабана перевіряють зовнішній стан кабелю, наявність заводських паспортів.

У паспорті повинні бути зазначені наступні дані:

- марка кабелю;

- відповідність Дст;

- довжина кабелю;

- матеріал покриття 0В;

- киллометричне загасання і гранична смуга пропущення на заданій довжині кожного ОВ;

- величина хроматичної дисперсії на заданій довжині хвилі;

- результати електричних вимірів металевих елементів кабелю при наявності мідних жил;

- штамп В'ГК заводу виготовлювача;

- дата виготовлення.

При використанні ОК закордонного виробництва вищевказані дані, зазначені в паспорті, можуть відрізнятися й узгоджуватися між замовником і постачальником кабелю.

У випадку відсутності заводського паспорта на кабель потрібно запросити його дублікат у заводу виготовлювача.

При наявності заводських паспортів проводять контрольні виміри оптичних параметрів ОВ і електричних вимірів металевих елементів кабелю мідні жили для організації дистанційного харчування. Результати вхідного контролю повинні фіксуватися в протоколах. У випадку виявлення значних дефектів, що знижують якість і надійність кабелю; повинний , бути складений акт при участі представників підрядчика, замовника й інших зацікавлені організації. При цьому треба дотримувати інструкцій з, прийомові продукції виробничо - технічного призначення і товарів народного споживання по кількості і якості, підтвердженими 1 постановою Держарбітражу України, а також спеціальними пунктами договору або контракту між замовником постачальником ОК.

2.7 Прокладка оптичного кабелю (OK)

2.7.1 Прокладка кабелю у відриту траншею

Розмотування і прокладка кабелю у відриту траншею виконуються зі спеціально обладнаної машини або з кабельного візка, що переміщають по трасі уздовж траншів. При цьому кабель опускається або па брівку, або в траншею. Якщо рельєф місцевості не дозволяє використовувати технікові; прокладка здійснюється вручну, при цьому не допускається, щоб кабель тягся по землі.

При розмотуванні кабелю з барабана, барабан повинний обертатися руками робочих укладальників, не під дією кабелю, що укладається.

Покладений у траншеї кабель спочатку засипається піском або м'яким ґрунтом, тобто створюється над кабелем ґрунтова подушка що запобігає мех. ушкодження ОК при засипанні його раніше викопаним ґрунтом.

2.7.2 Прокладка кабелю через залізниці.

На перетинанні з залізними, шосейними дорогами ОК прокладається в заздалегідь прокладену поліетиленову трубку. Кінець трубки повинний знаходитися не менш чим 1м від краю насипу і не менш 0,8м під її підставою

У місцях перетинання траси прокладки ОК із ґрунтовими дорогами або з з'їздами від автодоріг прокладка ОК допускається без поліетиленової трубки. Прокладений у траншеї кабель засипається шаром (100-150мм) м'якого ґрунту, на якому викладається захист із цегельної кладки або залізобетонних плит.

На перетинанні з польовими дорогами захист кабелю не використовується. На перетинанні з брущатими дорогами кабель укладається безпосередньо в ґрунт із відновленням дорожнього покриття.

Для прокладки кабелю використовуються спеціалізовані кабелеукладачі.

2.7.3 Прокладка кабелю кабелеукладачем на перетинаннях з підземними комунікаціями

У місці перетинання кабелю з трубопроводом, кабелем зв'язку, силовим кабелем, водопроводом або мс іншими підземними комунікаціями (спорудженнями) риється котлован. Барабан з кабелем знімається з кабелеукладача і переноситься до відкритого котловану. Кабелеукладач переганяється за місце перетинання. Кабель петлею пропускається під перешкодою, закладається в касету кабелеукладача, після цього продовжується прокладка кабелю в ґрунт.

При прокладці кабелю на перетинанні з іншими підземними спорудженнями повинні бути прийняті міри, що виключають можливість ушкодження цих споруджень.

2.7.4 Прокладка кабелю в кабельній каналізації

Прокладка кабелю в кабельній каналізації може здійснюватися як ручним, так і механізованим способом з використанням пристосувань для прокладки ОК.

За узгодженням із заказником прокладка кабелю може здійснюватися як по вільним, так і по зайнятих каналах кабельної каналізації. Прокладка кабелю по зайнятих каналах повинна здійснюватися в поліетиленових трубах ГП-1Т-32,11НТ-40 заздалегідь прокладених у цих каналах. Застосування поліетиленової трубки захищає кабель від ушкоджень при прокладці інших кабелів. Прокладка кабелю по вільних каналах здійснюється без поліетиленової трубки, за умови, що в цих каналах прокладки інших кабелів не буде, якщо докладка кабелю з металевими проводами передбачається, те прокладка повинна виконуватися в поліетиленових трубах.

Прокладка в поліетиленові трубки проводиться безпосередньо вручну, з бухти, установлених біля колодязя па пересувному тамбурі.

Кінець поліетиленової трубки, оснащений концовиком у виді кулі, що вводять у канал кабельної каналізації. У транзитних колодязях і на поворотах, робітники проводять додаткову підтяжку трубки. При необхідності трубку потрібно прокручувати навколо осі, з одночасним проштовхуванням. У колодязях поліетиленову трубку обрізають ножівкою, залишаючи запас трубки рівний 200-250 мм. від капала. Після цього в кожнім колодязі, па вході і на виході, тимчасово на період прокладки залишають по одній утулці. Втулка захищає трубку, при заготівлі і прокладці кабелю. Допускається зрощування коротких довжин поліетиленової трубки з метою використання її для прокладки в проектах довжиною до 80м. Зрощування виконується за допомогою манжета з оцинкованого заліза, довгої 150 мм, товщиною 1.5-2 мм, що вставляються в стик труби. Поверх манжета встановлюють термоусаживаемую трубку довгої 250 мм.

При будівництві ВОЛС виникає потреба зрощування окремих будівельних довжин ОК і його підключення до приймально-передавальної апаратури. Послідовність монтажу на кабелях імпортного виробництва передає заказник, що стежить за виконання через свого представника, що веде контроль за виконанням схованих робіт. Монтажні роботи необхідно здійснювати відразу ж після прокладки всіх СД на регенераційній ділянці, після контрольних вимірів. Зрощуючи СД ОК на трасі виконується за допомогою сполучних захисних муфт. Захисні будівельні муфти можуть бути, прохідного або тупикового типу.

Конструкції з'єднання муфт, для монтажу ОК повинні задовольняти наступним вимогам:

- Захист місця з'єднання від механічних навантажень;

- Практичність;

- Можливість викладення технології запасу 0В 800-1000 м; (для виконання ремонтних робіт) по припустимому радіусі не міні 40 мм із фіксацією місця з'єднання волокон;

- Виключення можливості витаскування кабелю з муфт під дією механічних навантажень;

- Забезпечення легкого доступу до місця з'єднання ПРО при проведень ремонтно-профілактичних робіт;

- Можливість повторного використання муфт.

ОВ, особливо місця їхнього з'єднання мають високу чутливість на усі види механічних навантажень: розтягання, вигин, стиск і т.д.

Захист ОВ, у місцях їхнього з'єднання від дії таких видів навантажень здійснюється шляхом вільного викладення ОВ у муфті, а механічні навантаження, що діють на кабель повинний закінчуватися на корпусі муфт, без передачі зусилля на волокно.

При великій кількості ОВ, на проміжних і кінцевих пунктах, технологічних приміщеннях, монтується розподільна муфта, або розподільна шафа, у який дожитися кабель, що поширюється на кілька станційних кабелів меншої ємності в непальній оболонці.

2.7.5 Прокладка кабелю через р. Дністер

В даному дипломному проекті планується перехід через р. Дністер в районі смт. Біляївка. Середня глибина р. Дністер=6-8м, ширина=350м., швидкість течії=15-20 м/с. Для прокладки кабелю застосовується безтраншейна технологія прокладки через водні перегороди. Застосуємо буровий пристрій “Grundodnill”, який забезпечує горизонтально-направлене буріння. Технологія горизонтально-направленого буріння під руслом рік (рис. 2.4) включає:

· Розміщення бурової установки на одному з берегів річки в проектній зоні заглиблення та придання її каретці розраховуємого кута заглиблення (5-20 градусів);

· Підготовчі роботи (установка та монтаж допоміжного устаткування);

· Буріння скважини до виходу бурової головки в розрахованій точці на протилежному березі річки;

· Пофазне розширення пробуреної скважини зворотнім ходом (по необхідності);

· Протяжка труб (металевих, поліетиленових) в розширену скважину;

· Демонтаж бурової установки.

Використовуємі будівельними організаціями бурові установки забезпечують довжину переходу в границях в бурових робіт до 800 м, заглиблення кабелю (труби) до 10 м (від відмітки робочого горизонту води)

Рисунок 2.5- Технологія горизонтального направленого буріння

Здійснення переходу через водну перегороду (р. Дністер) методом горизонтального направленого буріння: 1-бурова установка; 2- бурова головка; 3- кривий переходник та датчик управління; 4- бурова колона для буріння направляючої скважини- сукупність всіх звинчивающихся разом бурових штанг (3-6 м); 5- розрахована траекторія переходу бурової скважини; 6-розширювач скважини з шарниром; 7- робочий трубопровід; h- розрахункова глибина заложення трубопроводу.

3. Техніко-екомичне обґрунтування

У даній главі дипломного проекту приводиться розрахунок технико-зкономических показників для проектованої ВОЛС.

Лінія зв'язку створюється на базі устаткування SDH, має топологію побудови «кільце». Довжина траси складає 480 км. Лінія забезпечує 111 ПЦП.

Споживачами міжміського зв'язку будуть підприємства, населення, також частина каналів буде надаватися для передачі данньїх й здаватися в оренду.

Розміщення проектованого устаткування СП SDH передбачається здійснювати на свободньїх площах ЛАЦ існуючих будинків, кабель буде прокладьіваться в існуючій кабельній каналізації. Прийом нового штату не передбачається.

Таким чином, поставлена задача відноситься до технічного переозброєння.

3.1 Розрахунок капітальних витрат

Капітальні вкладення - це витрати на розширення відтворення основних виробничих фондів.

Капітальні вкладення є найважливішим економічним показником, тому що безпосередньо характеризують, у що обходиться створення нових споруджень техніки зв'язку.

Тому що розміщення устаткування виробляється на існуючих площах, то витрати на будівництво будинків не передбачені.

Усі зроблені розрахунки представлені нижче в табличній формі (таблиця 3.1) Таким чином, з розрахунку кошторисів одержимо, що сума капітальних вкладень складає 3012363 гривень.

Таблиця 3.1 - Кошторис витрат на устаткування

Найменування робіт або витрат

Одиниці

виміру

Кількість

одиниць

Кошторисна вартість, грн.

Одиниця

Загальне

А Устаткування фірми «SIEMENS»





Базове устаткування





(мультиплексор, плат SN (2

комплект

15

6195

618900

шт ),UCU, LAD)

плата

15

7190

71700

Плата службового зв'язку

плата

30

7155

214400

Плата E12W

плата

12

5990

59500

Плата Е12Р

сгойка

12

4760

47750

Статив

плата

20

142850

285800

Плата ОI 155





Разом




1308500


Таблиця 3.2 - Відомість обсягу робіт на будівництво ВОЛП

Найменування робіт

Одиниця виміру

Кількість одиниць

1

2

3

1 Будівельні роботи 2

1. Риття траншів екскаватором

200м3

403,18

2. Засипання траншів бульдозером

200м3

403,18

3. Риття котлованів для муфт

3,7м3

199

4. Засипка котлаванів для муфт

3,7м3

199

5. Риття котлованів для замірних стовпчиків

0,19м3

9

6. Засипання котлованів для замірних стовпчиків

0,19м3

9

7. Пристрій підземних переходів методом проколу полотнини шосейних доріг

UJT

1

2. Монтажні роботи

1. Прокладка оптичного кабелю кабелеукладачем

км

99,980

2. Прокладка кабелю в кабельні каналізації

км

2,197

3. Прокладка через р.Дністер

шт

1

4. Монтаж муфт на ОК.

шт

72

5. Пристрій уведення

шт

6


Таблиця 3.3 - Кошторис на будівництво ВОЛП

Обґрунтування

Найменування

Одиниця виміру

Кількість Одиниць

Вартість, Одиниць грн.

Усього, грн.

Загальна

У тому числі зарплата

Загальна

У тому числі зарплата

1

2

3

4

5

6

7

8

УСН

Прокладка ОК кабелеукладачем

KM

99,980

7500

340

748462

43930

Прокладка ОК у відкриту траншею

KM

2,122

12000

380

25464

906,4

Прокладка ОК у кабельну каналізацію

KM

2,187

10000

600

19647

1276,8

Перехід підземний схований до 30м

шт.

1

4000

210

5000

215

Вартість ОК:

1. ОКЛ

2. ОКЛБ


KM

KM


2,197 101.919


7632 1 1788




16660,9 1199188



Разом





2767644,7


Планові накоплення 6%









114358.97



Усього по кошторисі









2544133.8



3.2 Розрахунок чисельності штату

Розрахунок чисельності працівників по обслуговуванню проектованої волоконно-оптичної лінії зонового зв'язку.

Таблиця 3.4 - Загальні норми часу

Найменування видів робіт

Одиниці виміру

Норматив

на од. чол.

Кількість одиниць

Усього чол. година

Поточне обслуговування телефонних каналів без переприйому

канал

2,5

487

1188,5

Профілактика каналообразуючого устаткування

стійка

4

8

28

Поточне обслуговування 1 км кабелю

км

4,8

255

1256

Усього




2613,6

Чисельність штату знайдемо по формулі:

, чол

де Котп - коефіцієнт, що враховує резерв на підміну під час відпусток, Котп=1,08;

Фрв - місячний фонд робочого часу, Фрв= 169,2 ч;

Нi - норматив на обслуговування.

(чол)

У результаті одержимо, що на обслуговування лінійного і станційного устаткування необхідно 16 чоловік.

3.3 Розрахунок фонду заробітної плати

Розрахунок річного фонду заробітної плати (З) виробляється на основ чисельності виробничого персоналу (Р) і середньої місячної заробітної плати одного працівника (З), тобто

3=Р∙ 3∙ 12,

де 3 - середня місячна заробітна плата одного працівника, рівна 450 грн.

З=16∙ 450∙ 12=67300 (грн.)

Відрахування на соціальні нестатки виробляється в розмірі 38,5 % від річного фонду заробітної плати, тобто

Оосн=0,385∙ 3

Оосн = 0,385∙ 67300 = 25972 (грн.)

3.4 Розрахунок амортизаційних відрахувань

Розрахунок суми річних амортизаційних відрахувань виробляється на основ збірника «Норми амортизаційних відрахувань по основних фондах народного господарства РФ» по формулі:

,

де А - сума річних амортизаційних відрахувань;

аi- норма амортизаційних відрахувань у відсотках від середньорічної вартості основних виробничих фондів і-го виду; і = 1,п (п - число видів основних фондів);

Фоснi - середньорічна вартість основних виробничих фондів i-го виду.

У нашому випадку Фi= 3012363,4; аi = 5 %.

(грн)

4. Охорона праці і навколишнього середовища

Начальник цеху проводить детальну перевірку стану охорони праці в цеху, приймає рішення по зауваженнях, зробленим майстром, контролює виконання заходів щодо усунення недоліків, виявлених при попередніх перевірках. Результати перевірки начальник цеху записує в журнал другої ступіні. Третя ступінь щоквартальна. Головний інженер і інженер по техніці безпеки перевіряють стан охорони праці в цілому по підприємству, контролюють усунення недоліків, виявлених на першій і другій ступінях перевірки. Результати оформляються, складається акт і, якщо мається грубе порушення, видається наказ по підприємстві.

Для зменшення випадків виробничого травматизму на підприємствах зв'язку проводяться інструктажі. Існують наступні види інструктажів:

- вступний інструктаж - проводиться при надходженні на роботу інженером по техніці безпеки по програмі, затвердженої керівником підприємства. Оформляється в контрольному листі, що зберігається в особистій справі працівника;

- первинний інструктаж на робочому місці проводиться також при надходженні на роботу й оформляється в контрольному листі. Для зв'язаних з електроустаткуванням протягом 10-12 змін проводиться стажування на робочому місці;

- повторний інструктаж проводиться раз у півроку й у будівельних організаціях раз у три місяці;

- позаплановий інструктаж проводиться, у випадку якщо змінилося устаткування, стався нещасливий випадок або працівник був відсутній на своєму робочому місці більш трьох місяців;

- цільовий інструктаж проводиться при виконанні разових робіт, робіт з підвищеною небезпекою або особливо небезпечних.

Крім того, проводиться аналіз нещасних випадків, що відбулися на підприємстві. За результатами аналізів нещасних випадків намічаються шляхи їхнього попередження. Основні шляхи попередження нещасних випадків:

- автоматизація і комплексна механізація виробничих процесів;

- раціоналізація технологічних процесів, модернізація устаткування й інструментів;

- застосування дистанційного керування;

- застосування додаткових що обгороджують, запобіжних пристроїв;

- упровадження світлозвукової сигналізації;

- застосування світлових приладів;

- застосування удосконалених засобів захисту;

- усунення або зменшення впливу шуму, вібрації, електромагнітного випромінювання;

- поліпшення висвітлення і метеоумов на робочих місцях;

- розумне сполучення режимів праці і відпочинку.

4.1 Режим праці і відпочинку

У процесі праці працездатність, тобто здатність людини до трудової діяльності визначеного роду, а відповідно, і функціональний стан організму піддаються змінам. Підтримка працездатності на оптимальному рівні ? основна мета раціонального режиму праці і відпочинку.

Режим праці і відпочинку - це встановлювані для кожного виду робіт порядок чергування періодів роботи і відпочинку і їхня тривалість. Раціональний режим - таке співвідношення і зміст періодів роботи і відпочинку, при яких висока продуктивність праці сполучиться з високою і стійкою працездатністю людини без ознак надмірного стомлення протягом тривалого часу. Таке чергування періодів праці і відпочинку дотримується в різні відрізки часу: протягом робочої зміни, доби, тижня, року відповідно до режиму роботи підприємства. Установлення суспільно необхідної тривалості робочого часу і розподіл його по календарних періодах на підприємстві досягаються при розробці правил, у яких передбачається порядок чергування й тривалість періоду роботи і відпочинку. Цей порядок прийнятий називати режимом праці і відпочинку.

Одне з основних питань установлення раціональних режимів праці і відпочинку - це виявлення принципів їхньої розробки. Таких принципів три:

- задоволення потреби виробництва;

- забезпечення найбільшої працездатності людини;

- сполучення суспільних і особистих інтересів.

Перший принцип полягає в тім, що при виборі оптимального режиму праці і відпочинку потрібно визначити такі параметри, що сприяють кращому використанню виробничих фондів і забезпечують найбільшу ефективність виробництва. Режим праці і відпочинку будуються стосовно до найбільш раціонального виробничого режиму, для того, щоб забезпечити нормальний плин технологічного процесу, виконання заданих обсягів виробництва, якісне і своєчасне проведення планово-профілактичного ремонту й огляду устаткування при скороченні його простоїв у робочий час.

Другий принцип говорить, що не можна будувати режими праці і відпочинку без обліку працездатності людини й об'єктивної потреби організму у відпочинку в окремі періоди його трудової діяльності. З метою обліку фізіологічних можливостей людини (у рамках установлених законом розпоряджень по охороні праці і тривалості робочого часу) варто розробляти такий порядок чергування часу праці і відпочинку, визначати таку їхню тривалість, що забезпечували б найбільшу працездатність і продуктивність праці.

Третій принцип припускає, що режим праці і відпочинку повинний бути орієнтований на облік і забезпечення деякою мірою задоволення особистих інтересів працюючих і окремих категорій працівників (жінок, молоді, учнів і т.д.).

Таким чином, при виборі оптимального режиму праці і відпочинку потрібний комплексний соціально-економічний підхід. Метою подібного підходу є повна і всебічна оцінка його оптимізації з погляду обліку особистих і суспільних інтересів, інтересів виробництва і фізіологічних можливостей людини. У зв'язку з цим слід зазначити, що науково обґрунтованим режимом купа і відпочинку на підприємствах є такий режим, що щонайкраще забезпечує одночасне сполучення підвищення працездатності і продуктивності праці, збереження здоров'я трудящих, створення сприятливих умов для всебічного розвитку людини.

Сьогодні на підприємствах зв'язку застосовують чотиримісячний режим праці, що повною мірою відповідає вищенаведеним вимогам у місцях застосування відкритого вогню, паління, виконання електро- та газозварювальних робіт. Приміщення ЛАЦ повинне бути обладнане первинними засобами пожежегасіння, вуглекислими і брометиловими вогнегасниками. Не допускається застосування пінних вогнегасників для гасіння вогнищ пожежі на установках які знаходяться під напругою.

4.2 Цивільна оборона

Цивільна оборона (ГО) - це комплекс заходів державної системи захисту обслуговуючого персоналу, спрямований на попередження несприятливого впливу наслідків надзвичайної ситуації (ЧС) або максимального ослаблення ступеня їхнього негативного впливу, від повного і розумного обліку всіх принципом і способів забезпечення безпеки залежить ефективність захисту населення.

У надзвичайній ситуації, щоб максимально послабити ступінь негативного впливу, необхідно й організовано:

- провести евакуацію обслуговуючого персоналу, інші евакуаційні заходи;

- укрити людей у захисних спорудженнях;

- використовувати засобу індивідуального захисту;

- при необхідності застосувати засобу медичної профілактики.

Важливу роль у цій ситуації грає організованість дій при висновку

або виклику обслуговуючих перестала з небезпечної зони: зараження, затоплення і т.д.

Захистити людей від сучасних засобів поразки від впливу радіації, отруйних речовин, біологічних засобів у залежності від захисних властивостей, помістивши них у спеціальних захисних спорудженнях-притулках або протирадіаційних укриттях.

Щоб захистити від влучення в організм людини отруйних речовин існують засобу індивідуального захисту. При необхідності сказати першу медичну допомогу, зробити все можливе, щоб максимально послабити дії вражаючих факторів.

Стійкість об'єктів зв'язку в надзвичайних ситуаціях - це здатність функціонувати (забезпечувати зв'язок, здійснювати обслуговування і т.д.) в умовах впливу вражаючих факторів надзвичайної ситуації, а при руйнуваннях або ушкодженнях - здатність відновлювати функціонування в найкоротший термін.

Стійкість об'єкта залежить від:

- міцності конструкції будинків і споруджень;

- сили вражаючого фактора;

- ступеня захищеності;

- схеми функціонування об'єкта, системи зв'язку і надійності керування;

- можливостей постачання;

- системи ремонту і відновлення, наявність ремонтного устаткування, інструмента, запасного устаткування і матеріалів;

- організованості при захисті людей, наявність індивідуальних засобів захисту, здатності обслуговуючого персоналу працювати в умовах надзвичайних ситуацій.

Безумовно, здатність робітників та службовців працювати в таких умовах залежить від спокою, впевненості в захищеності від впливу надзвичайної ситуації, від ефективності заходів щодо забезпечення надійності функціонування устаткування.

4.3 Міри безпеки при роботі на кабельних лініях зв'язку

Охорона праці - система законодавчих, соціально-економічних, організаційних, технічних, санітарно-гігієнічних і лікувально-профілактичних заходів і засобів, що забезпечують безпеку, збереження здоров'я і працездатності людини в процесі праці. Охорона праці досліджує трудовий процес з позиції забезпечення його безпеки для життя і здоров'я трудящих.

На початку робіт необхідно перевірити наявність і справність інструмента, захисних засобів, сход, драбин, запобіжних пристосувань і т.д. Усі захисні засоби повинні перевірятися у встановлені спеціальними правилами терміни.

Особлива увага дотриманню правил техніки безпеки необхідно приділяти при виконанні найбільш небезпечних робіт, виконуваних у даному проекті: навантаженню, розвантаженню барабанів, залізобетонних виробів, блоків, цистерн НРП і інших важких предметів; риття траншів і котлованів поблизу силових кабелів і газопроводів. Перед початком робіт на особливо небезпечних ділянках проводиться відповідний інструктаж з техніки безпеки.

Вантажно-розвантажувальні роботи виробляються, як правило, механізованим способом за допомогою кранів, автозагрузчиків, блоків і т.д. Механізований спосіб є обов'язковим для вантажів масою 60 кг, а також при підйомі вантажів на висоту більш 3м.

Грабарства повинні вироблятися під спостереженням виконроба або майстри. При виявленні газу в траншеях або котлованах роботи в них повинні бути негайно припинені, а люди виведені з небезпечної зони.

Прокладка кабелю кабелеукладачем дозволяється на ділянках, що не мають підземних споруджень. При прокладці кабелю вручну на кожного робітника повинний приходитися ділянка масою не більш 35 кг.

При монтажних роботах будь-яка увага повинна бути приділена виконанню вимог по безпечному звертанню з паяльними лампами і газовими пальниками. Усі роботи, зв'язані з вимірами на лінії, повинні вироблятися особами, одне з яких відповідально за техніку безпеки.

При роботі з оптичним волокном його відходи при обробці необхідно складати в окрему шухляду, і після закінчення монтажу спорожняти шухляда в спеціально відведеному місці або закапувати відходи в землю. Варто уникати влучення залишків оптичного волокна на одяг. Роботу з оптичним волокном необхідно робити у фартуху з клейонки.

Монтажний стіл і стать у монтажно-вимірювальній автомашині після кожної зміни необхідно обробляти пилососом, а потім протерти мокрою ганчіркою. Віджимання ганчірки варто робити в щільних гумових рукавицях.

При роботі з приладом для зварювання ОК варто дотримувати наступних вимог:

- усі підключення і відключення приладів, що вимагають розмикання електричних ланцюгів або з'єднання з високовольтними ланцюгами приладів варто робити при цілком відключеній напрузі;

- прилади повинні бути заземленими;

- під час настроювальних робіт необхідно пам'ятати, що трансформатор, високовольтні проводи, електроди в режимі зварювання знаходяться під високою напругою;

- забороняється експлуатація приладів зі знятим захисним кожухом блоку електродів;

- не рідше одного разу в тиждень необхідно робити перевірку справності ізоляції високовольтних проводів;

- забороняється працювати приладом при ушкодженій ізоляції високовольтних проводів;

- до роботи з апаратом допускаються особи, що пройшли вступний інструктаж, інструктаж з техніки безпеки на робочому місці з подальшою перевіркою знань і які мають групу з електробезпечності не нижче третьої.

4.4 Лазерна безпека

4.4.1 Вплив лазерного випромінювання на органи зору

Основний елемент зорового апарата людини - сітківка очі - може бути уражена лити випромінюванням видимого (від 0.4 мкм) і ближнього ИК-диапазонов (до 1.4 мкм ), що порозумівається спектральними характеристиками людського ока. При цьому кристалик і очне яблуко, діючи як додаткова фокусуюча оптика, істотно підвищують концентрацію енергії на сітківці, що, у свого черга, на кілька порядків знижує максимально припустимий рівень (МДУ) опромінення зіниці.

4.4.2 Вимоги безпеки при експлуатації й обслуговуванні лазерних виробів

Виконання наступних вимог безпеки повинне забезпечувати виключення або максимальне зменшення можливості опромінення персоналу лазерним випромінюванням, а також впливу на нього інших небезпечних факторів:

- до ремонту, налагодженню й іспитам лазерних виробів допускаються особи, що мають відповідну кваліфікацію і пройшли інструктаж з техніки безпеки у встановленому порядку:,

- до роботи з лазерними виробами допускаються особи, що досягли вісімнадцяти років, що не мають медичних протипоказань, що пройшли курс спеціального навчання відповідно до ДСТ 12.0.004, навчання у встановленому порядку роботі з конкретними лазерними виробами й атестацію на групу по охороні праці при роботі на електроустановках з відповідною напругою;

- при експлуатації виробів вище класу 2 повинно призначатися особа, відповідальне за охорону праці при їхній експлуатації;

- лазерні вироби, що знаходяться в експлуатації, повинні піддаватися регулярній профілактичній перевірці. При проведень профілактичної перевірки варто звертати особливу увагу на безвідмовність роботи всіх захисних пристроїв.

Висновок

У даному дипломному проекті розроблена високошвидкісна волоконно-оптична лінія зонового зв'язку між населеними пунктами, . Одеса, Біляївка Б.Дністровський, Татарбунари, Кілія, Ізмаїл, Рені, Болград, Арциз, Тарутине, Сарата з використанням SDH устаткування STM-4. Була дана характеристика перерахованих вище населених пунктів, що існує мережі зв'язку, приведені обґрунтування і розрахунок числа ПЦП. Охарактеризовано транспортну систему, а також зроблений розрахунок основних параметрів лінійного тракту. Мережа сконфігурована за принципом «кільце», організоване керування мережею зв'язку, здійснена маршрутизація транспортних потоків і організація службового зв'язку.

У населених пунктах . Одеса, Біляївка, Б.Дністровський,Татарбунари, Кілія, Ізмаїл,Рені, Болград, Арциз, Тарутине, Сарата встановлюється по одному синхронному мультиплексору SMA-1, виготовленого фірмою «SIEMENS».

Розраховано параметри надійності оптичної лінії передачі, а також параметри економічної ефективності. Проектована ВОЛП є доцільною і відповідає сучасним умовам.

Список використаних джерел

Книги

1. Слепов Н.Н. Синхронні цифрові мережі SDH. - Москва, 1997. - 149 с.

2. Оптичні системи передачі / Б.В. Шпаків, В.И. Іванов, В.В. Крухмалев; Під ред. В.И. Іванова. - М.: Радіо і Зв'язок, 1994. - 224 с.

3. Будівництво і технічна експлуатація волоконно-оптичних ліній зв'язку / В.А. Андрєєв, В.А. Бурдин, Б.В. Попов, А.И. Польников; Під ред. Б.В. Попова. -М.: Радіо і Зв'язок, 1995. - 198 с.

4. Дьоміна Е.В. і ін. Організація, планування й керування підприємством зв'язку. - М.: Радіо і Зв'язок, 1990. - 352 с.

5. Баєва Н.Н, И.К. Бобровская, В.А. Брескин, Е.Л. Федорова. Многоканальная електросвязь й РРЛ / Підручник для вузів зв'язку. - М.: Радіо і зв'язок, 1984. -216с.

6. Корнійчук B.I. Оптичні системи передачі: Підручник для студентів вузів / B.I. Корнійчук, Т.В. Макаров, І.П. Панфілов. - К.: Техніка, 1994. - 600с.

7. Атлас автомобільних доріг Одеської області. - Одеса: Изд-во Одеса, 2000.

8. Довгий С.О., Омельяненко Ю.І. Телекомунікації України. Частина друга / За зам. ред. С.О. Довгого. - К.: Укртелеком, 2002. - 352 с.

9.Корнейчук В.И. Підручник 2002

Патентна документація

1. S42022-D3502-H4-1-5618. Технічний опис SMA 1R2 фірми

«SIEMENS» / Public Communication Networks Group Hofmannstrasse 51, D-81359Munchen.

Методичні розробки

1. Кім Л.Т. Синхронна цифрова ієрархія/Електрозв'язок.-1991.- № 3.-С.2-6.

2. Корнейчук В.И.,Макаров Т.В., Панфілов И.П.Дроживальский О.П. Проектування волоконно-оптических систем передачі:Учеб.посібник / Укр. державна академія зв'язку ім. А.С. Попова. Одеса, 1999. 118с.

3. Оптичні кабелі. Основні характеристики та методи випробувань // Керівний нормативний документ з стандартизації Державного комітету зв'язку та інформатизації України. - Київ, 2001.

4. Організація волоконно-оптичних систем передавання двостороннього зв'язку по одному світловоду для міських мереж зв'язку // Рекомендації Державного комітету зв'язку та інформатизації України. Київ, 2000.

5. Проектування фрагмента транспортної мережі SDH // Комплексне завдання з курсові «Інтегральна цифрова система зв'язку» та методичні вказівки щодо його виконання

Похожие работы на - Проектування високошвидкісної лінії внутрішньозонового зв'язку Одеської області

 

Не нашли материал для своей работы?
Поможем написать уникальную работу
Без плагиата!
Без нейросетей!