Кафедра
АиТ
По мере развития современной
промышленности все большее число ее отраслей используют для различных нужд
водород. Еще некоторое время назад водород как сырье имел весьма ограниченное
значение, а в настоящее время мировая потребность в нем составляет десятки
миллионов кубометров в час.
Современные
промышленные методы получения водорода можно подразделить на две группы:
химические и электрохимические. К химическим – относятся методы переработки
твердых и тяжелых жидких топлив и углеводородных газов (коксового, природного,
газов нефтепереработки и т.д.).
К
электрохимическим методам производства водорода относится, прежде всего,
электролиз воды, а также электролиз водных растворов NaCl для получения хлора и
каустической соды; одновременно в качестве побочного продукта электролиза NaCl
получается дешевый водород. Существенное количество водорода получается побочно
также при электрохимическом производстве хлората натрия, перекиси водорода и
некоторых других продуктов.
В
отличие от всех перечисленных методов производства водорода при электролизе
воды непосредственно получают и водород, и кислород высокой чистоты. В газах
электролиза практически отсутствуют посторонние примеси, кроме паров воды и
взаимных примесей одного газа в другом, что значительно упрощает очистку
водорода. Благодаря отсутствию трудно устранимых и отравляющих примесей
электролитический водород может быть использован в любых производствах. Он
обладает особенными преимуществами в тех случаях, когда требуется высокая
чистота газов.
Поэтому для синтеза
полимеров, гидрогенизации жиров, каталитических процессов гидрирования,
производство перекиси водорода, полупроводников и ряда других веществ –
применяют электролитический водород.
Электролиз воды выгодно
отличается от других методов получения водорода простотой технологической
схемы, доступностью и дешевизной сырья – воды, высокой надежностью в
эксплуатации, не сложностью в обслуживании установок.
Основным недостатком
электрохимического метода получения водорода является его большая
энергоемкость. В отличии от химических методов себестоимость электролитического
водорода мало зависит от масштабов производства так как основные затраты (около
70 % себестоимости) приходится на расходуемую электроэнергию.
Целью диссертационной
работы является создание многофун-кциональной автоматизированной системы
управления, обеспечивающей безопасную эксплуатацию оборудования и протекание
технологического процесса производства водорода.
- исследование технологического
процесса получения водорода методом электролиза как объект автоматизации и
управления;
- выбор контролируемых и регулируемых
параметров и разработать техническую структуру АСУТП;
- построение моделей АСУ и алгоритмов
обеспечения безопасности методом объектно-ориентированного моделирования;
- разработка технических предложений
по созданию двухуровневой АСУТП с определением ее функций и состава
современного программного-технического комплекса;
Методы исследования
базируются на методологии целевого объектно-ориентированного подхода к решению
задач исследования технологических объектов и построению достоверных и
работоспособных моделей процессов и систем управления для их функционирования
в режиме реального времени.
1. Методом объектно-ориентированного
анализа построена модель обеспечения безопасности процесса в виде
технологических алгоритмов. (Выбраны и обоснованы информативные параметры и управляющие
воздействия; определены их взаимосвязи).
2. Разработана модель и
программное обеспечение симулятора (имитатора), позволяющий в режиме реального
времени исследовать процесс и технологию управления им. Это позволяет
организовать отладку ПО в лабораторных условиях. Симулятор используется также
для обучения персонала.
3. На базе Citect-Scada разработано прикладное программное обеспечение для АРМ
оператора.
В рассматриваемом технологическом процессе водород
получают методом электролиза воды, который состоит из следующих стадий:
Процесс электролиза воды
с получением водорода и кислорода описывается следующим уравнением:
Вследствие малой
электропроводности воды, при электролизе применяется водный раствор электролита
- едкого калия. При разложении воды на катоде выделяется водород, на аноде -
кислород.
В щелочных растворах, где
концентрация ионов водорода и доля их в переносе тока по раствору очень мала,
выделение водорода на катоде происходит преимущественно за счет прямого разряда
молекул воды с образованием атомов водорода и ионов ОН-:
При электролизе и переносе тока принимают участие
все находящиеся в электролите ионы. Доля их участия определяется относительной
концентрацией и подвижностью ионов. В щелочных электролитах в следствие очень
низкой концентрации ионов водорода перенос тока осуществляется почти
исключительно ионами и гидроксидами ОН-.
В процессе электролиза
дистиллированная вода расходуется на производство водорода и кислорода, а также
уносится в виде паров с выработанными парами.
Для приготовления
дистиллята используется пар, который поступает в дистиллятор поз. 1. Далее
дистиллят подается в емкость накопления поз. 2. При наполнении емкости вода
сбрасывается в сточные воды. Из емкости накопления дистиллят подается в емкость
приготовления электролита поз. 3.
В качестве электролита
для применяется раствор с массовой едкого кали (20-30%).Тв6ердое едкое кали в
виде гранул поставляется в стальных барабанах весом по 50кг. Щелочь из
барабанов высыпается в передвижной бункер, который посредством ручной толи
транспортируется на верхнюю площадку растворителей щелочи. Где через
разгрузочный люк бункера щелочь засыпается в корзину растворителя, куда
подается через щелочь струя воды под давлением, создаваемое насосом.
Растворенная в корзине щелочь свободно стекает и растворитель, и раствор снова
подается в корзину до полного растворения щелочи. Растворение продолжается до
получения концентрированного раствора электролита. По окончанию растворения
щелочи, раствор откачивается в емкость, где массовая доля едкого кали в
растворе добавлением воды доводится до (20-30)% или откачивается через фильтр непосредственно
в электролизеры для корректировки концентрации электролита.
При хранении электролита
необходимо исключать его контакт с воздухом для уменьшения вероятности
образования карбонатов, ускоряющих коррозийные процессы в электролизерах.
Для устойчивой и более
надежной работы электролизеров в электролит вводится двухромовокислый калий К2С2О7
в таком количестве, чтобы массовая концентрация его в электролите составляла
2-3 кг/м3. Рассчитанное количество К2С2О7
растворяется в горячей воде, раствор двухромовокислого калия подается
непосредственно в электролизере.
Готовый электролит
заполняет питательный бак поз. 4. Уровень в питательном баке должен занимать не
менее 33%. Электролит самотеком поступает в электролизеры.
Процесс электролиза
осуществляется в электролизерах типа ЭФ 24/12-12. Техническая
характеристика электролизера типа ЭФ 24/12-12 приведена в таблице 1.1.
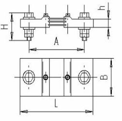
Электролизер ЭФ представляет собой ряд стальных рам круглого сечения с
диафрагмами и электродами. Каждая ячейка электролизера (рисунок 1.1)
состоит из рамы с асбестовой диафрагмой, одного основного и двух выносных электродов,
расположенных по обе стороны диафрагмы.
Диафрагмы: прикреплены к рамам на заклепках.
Основной электрод, служащий разделительной стенкой ячейки, выполнен из сплошного стального листа (3 мм), выносные электроды — из перфорированных
листов (2 мм). В одной ячейке
основной электрод служит, анодом, а другой - катодом. Выносной катод размещен на большем расстоянии от основного
электрода, чем выносной анод, что находится в соответствии с большим объемом газа, выделяющимся на катоде. Основные электроды изолированы от диафрагменных
рам при помощи прокладок из паротита.
Все ячейки плотно прижаты друг к другу и стянуты между концевыми
стальными плитами четырьмя стяжными болтами. Для упругости
системы (возможны усадки прокладок) по концам стяжных болтов
предусмотрены тарельчатые пружины. В верхней части каждой
ячейки имеются два отверстия: одно для отвода водорода, другое
— кислорода. В нижней части ячейки имеется одно отверстие — для
ввода электролита.
Электрический ток подводится к крайним
монополярным электродам. Из основных частей электролизера никелируются:
а) рамы с припаренными трубками, газовыми и питательным каналами; б)
основные электроды с анодной стороны; в) выносные электроды с
двух сторон; г) концевая анодная плита (со стороны выносного электрода).
Пройдя регуляторы давления,
газы отводятся:
водород, с содержанием объемной доли кислорода не более 1%, в отделение очистки
на очистку от примеси кислорода, а кислород, с содержанием объемной доли
водорода не более 2%, в реcиверный
парк кислорода поз. 13/1-13/2 или гидрозатвор поз. 12 в атмосферу.
Очистка водорода от примеси кислорода
многоуровневая. Водород после подогрева поз. 14 поступает в контактном аппарате
поз. 16, где газы проходят слои разогретого потоком водорода палладиевого
катализатора от плюс 100 до 140 0С.
При этом водород
взаимодействует с содержащимся в нем кислородом, образуя воду.
Реакция экзотермическая и
проходит с выделением тепла. В качестве катализатора применяется палладиевый
катализатор: Хлористый палладий, нанесенный на носитель. Такой катализатор
обеспечивает требуемую степень очистки водорода до содержания объемной доли
кислорода в нем не более 0,0005%.
После контактного
аппарата, где вследствие протекания реакции соединения водорода с кислородом
температура поднимается до (120-180)0С. Водород охлаждается в
холодильнике поз. 17, при этом пары воды, образовавшиеся при каталитической
очистке частично конденсируются и отделяются во влагоотделение поз. 20, и далее
сбрасывается в сборник продувок. Из влагоотделтиеля поз. 20 подогретый
электронагревателем поз. 15 водород поступает в осушитель первой ступени далее
второй ступени.
В холодильниках 23-42 водород
охлаждается и подается на механическую очистку поз. 27-28. Очищенный водород
поступает на заполнения ресиверного парка. В сборнике продувок поз. 29
собирается конденсат, который сбрасывается в сливной бак, откуда откачивается
насосом.
При максимальном
заполнении парка водородом его избыток сбрасывается в атмосферу через
газо-сбросную трубу.
К основным
физико-химическим свойствам водорода относятся то, что водород - самый легкий
из газов, не имеет цвета и запаха, легко воспламеняется и горит синеватым, мало
светящимся пламенем. Его молекулярный вес - 2,016, а удельный вес при
температуре 0 0С и давлении 760 мм.рт.ст. составляет 0,09г/мм3 кипит водород при температуре – 252,7 0С, а плавится при –259,4
0С относительная плотность – 0,0695.
При повышении температуры
и давления водород диффундирует в металлы. В обычных условиях при комнатной
температуре, молекулы водорода малоактивны. Реакционная способность водорода
значительно возрастает при нагревании, под действием света, электрической искры
и электрического разряда, в присутствии катализатора. Водород вступает в
химические соединения со многими элементами. На воздухе и в чистом кислороде
водород сгорает, образуя воду. При отношении Н2:О2 = 2:1
образуется гремучая смесь взрывается при пропускании электрической искры или
поджигании. В присутствии катализаторов (платины, никеля, железа и др.)
водород-кислородная смесь взрывается при незначительном нагревании. Смеси
водорода с кислородом и воздухом взрывоопасные в широком интервале концентраций
водорода. Пределы взрываемости и самовоспламенения водорода приведены в
таблице 1.2.
|
Смеси водорода
|
Предел взрывае-
мости Н2, в %
|
Температура самовоспламе-
Нения, 0С
|
Максмим. скорость распространения пламени, см/сек
|
|
Нижний
|
Верхний
|
|
С кисло-
родом
|
4,0
|
95
|
510
|
890
|
|
С воздухом
|
4,0
|
75
|
510
|
267
|
В таблице 1.3 дается характеристика исходного сырья
и полуфабрикатов.
Таблица 1.3 - Характеристика
исходного сырья
|
Наименование
|
№ ГОСТ или ТУ
|
Показатели пожаровзрыво-опасности
|
Примечание
|
|
Калий едкий
|
ГОСТ 4203-65
|
Твердое белое кристаллическое
вещество. При попадании на кожу вызывает сильные ожоги, особенно опасен для
глаз
|
Применяется для увеличения
электропроводности электролита
|
|
Вода (пар)
|
ГОСТ 6752-71
|
Негорючая жидкость, токсическими
свойствами не обладает
|
Применяется как основное сырье при
получении водорода методом электролиза
|
|
Калий двухрарово
кислый
|
ГОСТ 2652-71
|
Негорючее твердое вещество.
Вдыхание пыли раздражает и обжигает слизистую оболочку, вызывает появление
язв
|
Вспомогательный продукт, добавляют
в электролит для уменьшения коррозии в электролизере.
|
|
Азот
|
ГОСТ 9293-59
|
Не горюч, не взрывоопасен. Не
токсичен
|
Применяется для продувки аппаратов
и трубопроводов.
|
1.3
Основные
признаки аварийного состояния производства
и меры по его устранению
Технологический процесс получения водорода является
пожаро- взрывоопасным процессом. В связи с этим ниже в таблице 1.4 приводятся
основные признаки аварийного состояния производства и меры по их устранению.
Это позволит обоснованно разработать функциональную схему автоматизации,
алгоритмы управления процессом, распознавания и устранения пред аварийных и
аварийных ситуаций на производстве.
Таблица 1.4 - Основные признаки аварийного состояния
производства
|
Аварийная
ситуация
|
Меры по
устранению
|
|
1
|
2
|
|
1. Отключение силовой
электроэнергии на электролизеры
|
-
аварийными клапанами дублировать отключение электролизеров;
-
двухходовые клапаны на линиях водорода и кислорода перевести в
положение «в атмосферу»;
-
электролизеры продуть азотом;
-
контролировать постоянно объем водорода в контактном аппарате;
|
|
2. Загрязнение водорода
кислородом более 1% объемных после электролизера. Загрязнение кислорода
водородом более 1% объемных после электролизера.. Течь электролита из ванны
электролизера
|
-
аварийной кнопкой отключить электролизер;
-
отсечные и двухходовые клапаны на линиях водорода и кислорода
перевести в положение «в атмосферу»;
-
электролизеры продуть азотом;
|
|
|
|
Продолжение таблицы 1.4
|
|
|
1
|
2
|
|
3. Повышение содержания
водорода в воздушном пространстве производственных помещений более 1%
объемных. Возникновение взрывов, пожаров в производственных помещениях.
|
-
аварийной кнопкой отключить электролизеры;
- отсечные и двухходовые клапаны на линиях водорода и кислорода
перевести в положение
«в атмосферу;
- электролизеры продуть азотом;
- закрыть электрозадвижку на трубопроводе подачи водорода в контактном
аппарате, осуществлять постоянный контроль объема водорода в контактном
аппарате;
-
продуть азотом трубопроводы и аппараты отделения очистки водорода;
-
при пожаре и взрыве вызвать
пожарную команду, газоспасательную службу, сообщить диспетчеру завода
|
|
4. Возникновение пожара или
взрыва на контактном аппарате водорода
|
- отключить
подачу водорода в газгольдер и потребителям;
- сбросить
водород из газгольдера в атмосферу через газосборную трубу открытием задвижки
на клапанной коробке;
- продуть
газгольдер водорода азотом через узел управления у электрозадвижки на
трубопроводе подачи водорода в газгольдер;
|
|
Окончание таблицы 1.4
|
|
|
1
|
2
|
|
5. Отсутствие азота
|
-
аварийной кнопкой отключить электролизер;
-
отсечные и двухходовые клапаны на линиях водорода и кислорода
перевести в положение
«в атмосферу»;
|
|
6. Отсутствие
сжатого воздуха для КИПиА
|
- аварийной
кнопкой отключить электролизер;
- отсечные
и двухходовые клапаны на линиях водорода и кислорода перевести в положение
«в атмосферу», при этом отсечные клапаны на линиях водорода и
кислорода, следствии падения воздуха на них, автоматически закроются;
- электролизеры
продуть азотом.;
|
|
7. Отсутствие обратной холодной
воды на электролизере.
|
-
осуществлять постоянный контроль температуры электролита в электролизерах,
при повышении температуры более 900 электролизеры отключить;
-
отсечные и двухходовые клапаны на линиях водорода и кислорода
перевести в положение
«в атмосферу»
|
1.4 Рекомендации по
автоматизации анализируемого
технологического процесса
В результате анализа
технологического процесса получения водорода выявлены следующие недостатки:
-
не обеспечивается
стабильность протекания технологического процесса;
-
отсутствие
централизованной системы контроля параметров технологического процесса;
-
не выполняются
требования технологического регламента;
-
не обеспечивает
требования технико-экономических показателей;
-
недостаточный
контроль за технологическим процессом;
-
отсутствие
архивирования данных;
-
устаревшее
оборудование.
Применение
АСУТП позволит выполнить следующие функции:
-
непрерывный сбор
первичной информации от устройств нижнего уровня;
-
обработка
первичной информации;
-
управление
стадиями процесса в автоматическом режиме.
-
регистрация
срабатывания сигнализации и исторических данных;
-
хранение
информации с возможностью ее обработки;
-
визуализация
информации в виде мнемосхем, графиков;
В связи с большими размерами аппаратов,
оборудования и площадью занимаемое производством целесообразно использовать
сетевую структуру сбора информации с применением современных пожаро-
взрывозащищенных средств контроля и управления. Это позволит сократить
монтажные и эксплуатационные расходы на пульты и щиты. В результате
проведенной модернизации системы автоматизации операторское место должно быть
обеспечено управляющей вычислительной машиной (УВМ).
2 РАЗРАБОТКА АСУТП ПРОИЗВОДСТВА ВОДОРОДА
2.1
Выбор контролируемых и регулируемых параметров
На
основе анализа технологического процесса составим таблицу контролируемых и
регулируемых параметров.
Одними
из основных параметров характеризующих качественный и безопасный процесс
протекания технологического процесса, а также влияют на скорость электролиза,
являются напряжение и сила тока подаваемые на электролизер. Напряжение
поддерживается в пределах 200-300 В, ток 1000 А.
В
результате электролиза воды происходит выделение большого количества тепла.
Поэтому необходимо контролировать температуру газов на выходе из электролизеров
в пределах 75±5 ºС и температуру обратного
электролита в пределах 65±5
ºС. Пройдя барботирования полученные газы скапливаются в регуляторах
давления при температуре 35 ºС и давлении 0,5-1,0 МПа.
Процесс
разделения газов на выходе из электролизеров не является идеальным. Превышение
критической смеси газов может привести к взрыву, в следствии чего контролируем
содержание водорода в кислороде на выходе из электролизера, не более 1,5 %,
содержание кислород в водороде, не более 1,0 %. После прохождения очистки
водорода доля кислорода в нем составляет 0,0005 %. Во избежании утечек
водорода необходимо контролировать его содержание в производственных
помещениях.
Для
приготовления электролита используют дистиллят получаемый из пара, который
подается под давлением 0,12-0,45 МПа в пародистилятор. Расход пара составляет
200-400 кг/час.
Контроль
уровня осуществляется в емкости сбора дистиллята, в емкости питания
электролизеров электролитом.
|
Технологический параметр
|
Значение контроли-руемой величины
|
Место контроля
параметра
|
Метод контроля параметра
|
Вид контроля и управления
|
|
Кон-троль
|
Регист-рация
|
Регули-рование
|
Сигнализация
|
Блокировка
|
|
1
|
2
|
3
|
4
|
5
|
6
|
7
|
8
|
9
|
10
|
|
Приготовление дистиллята
|
|
|
|
|
|
|
|
|
|
1
|
Давление пара, поступающего в пародистиллятор
|
0,12·¸0,45МПа
|
трубопровод
|
|
+
|
-
|
-
|
-
|
|
|
2
|
Расход пара
|
200¸400 кг/час
|
трубопровод
|
|
+
|
-
|
-
|
-
|
|
|
3
|
Температура пародистиллята после холодильника
|
30 ± 5 0С
|
трубопровод
|
|
+
|
-
|
-
|
-
|
|
|
Приготовление электролита
|
|
|
|
|
|
|
|
|
|
4
|
Уровень накопления дистиллята
|
|
емкость
|
|
+
|
-
|
+
|
+
|
|
|
Получение водорода
|
|
|
|
|
|
|
|
|
|
5
|
Уровень электролита
|
|
емкость
|
|
+
|
-
|
+
|
мин. 33%
|
|
|
6
|
Сила
тока на ВАКЭЛ
|
1000 А
|
электролизер
|
|
+
|
+
|
+
|
макс. 1000 А
|
макс. 1000 А
|
|
7
|
Напряжение на электролизере
|
200-230 В
|
электролизер
|
|
+
|
+
|
+
|
|
|
|
8
|
Температура водорода
|
75 ± 5 0С
|
на выходе из
электролизера
|
|
+
|
+
|
-
|
-
|
|
|
9
|
Температура кислорода
|
75 ± 5 0С
|
на выходе из
электролизера
|
|
+
|
+
|
-
|
-
|
|
|
10
|
Температура электролита
|
65 ± 5 0С
|
Выход
разделитель-ных колон
|
|
+
|
+
|
+
|
-
|
|
|
11
|
Концентрация водорода в кислороде
|
1,5 %
|
на выходе из
электролизера
|
|
+
|
+
|
-
|
макс.1,5%
|
макс.1,5%
|
|
13
|
Концентрация кислород в водороде
|
1,0 %
|
на выходе из
электролизера
|
|
+
|
+
|
-
|
макс.1,0%
|
макс.1,0%
|
Таблица 2.1 - Таблица
основных технологических параметров контроля, регулирования, сигнализации и
блокировки
Окончание таблицы 2.1
|
1
|
2
|
3
|
4
|
5
|
6
|
7
|
8
|
9
|
10
|
|
14
|
Давление водорода
|
0,5-1,0 МПа
|
Регулятор давления
|
|
+
|
+
|
-
|
|
|
15
|
Давление и кислорода
|
0,5-1,0 МПа
|
Регулятор давления
|
|
+
|
+
|
-
|
-
|
|
|
16
|
Температура водорода и
кислорода
|
35 0С
|
На выходе из
промывателей
|
|
+
|
+
|
-
|
макс.35
|
|
|
Очистка и осушка водорода
|
|
|
|
|
|
|
|
|
|
17
|
Температура водорода
|
100-140 0С
|
электроподогревателя
|
|
+
|
+
|
+
|
-
|
|
|
18
|
Температура водорода
|
100-180 0С
|
Контактный аппарат
|
|
+
|
+
|
+
|
-
|
|
|
19
|
Температура водорода
|
35 0С
|
в холодиль-никах
|
|
+
|
+
|
+
|
-
|
|
|
20
|
Концентрация кислород в водороде
|
0,0005 %
|
трубопровод
|
|
+
|
+
|
+
|
-
|
|
2.2 Функциональная
схема автоматизации
Функциональная схема
автоматизации предназначена для отображения технических решений по
автоматизации и является одним из основных проектных документов и средством
общения технологов со специалистами по механизации и автоматизации производств.
Функциональная
схема, представленная на графическом листе
5502. Д05.275 - АТХ-031.
При разработке
функциональной схемы производства водорода решались следующие задачи:
-
получение
первичной информации о состоянии технологического процесса и оборудования;
-
стабилизация
технологических параметров процесса;
-
контроль и
регистрация технологических параметров процесса и состояния технологического
оборудования.
В технологическом
процессе производится контроль температуры пара в пародистилляторе (1а),
электролита в электролизере (49а, 54а, 60а, 65а) и на выходе из разделительных
колонн (2а, 5а, 8а, 11а), водорода (3а, 6а, 9а, 12а) и кислорода(4а, 7а, 10а,
13а) в разделительных колоннах, водорода (14а, 16а, 18а, 20а) и кислорода (15а,
17а, 19а, 21а,) в промывателе, водорода на выходе электронагревателя (22а,
25а), в контактном аппарате (23а), I и II ступени очистки (26а, 27а, 28а,
29а), в холодильнике (24а, 30а, 31а).
Для этого используется
термопреобразователь сопротивления ТСПУ Метран 276, с унифицированным выходным
сигналом, изображенный на рисунке 2.1.
Назначение
термопреобразователя ТСПУ Метран 276: Предназначен для преобразования
температуры твердых, жидких, газообразных и сыпучих веществ в унифицированный
токовый выходной сигнал. Обеспечивает измерение температуры нейтральных и
агрессивных сред.
Рисунок 2.1 - ТСПУ Метран-276
Конструктивные
особенности и преимущества: востренный в головку датчика измерительный
преобразователь преобразует измеряемую температуру в унифицированный токовый
выходной сигнал, что дает возможности построения систем АСУТП без применения
дополнительных нормирующих преобразователей:
-
НСХ: 100П для
ТСПУ Метран-276.
-
класс допуска: В
или С.
-
количество
чувствительных элементов: 1 или 2.
-
схема соединений:
2-х, 4-х проводная
-
диапазон
измеряемых температур: 0…300ОС.
-
выходной сигнал:
0-5мА, 4-20мА.
-
степень защиты от
воздействия пыли и воды: IP65
по ГОСТ 14254.
-
поверка: периодичность
не реже одного раза в год.
Далее сигнал подается на
УВМ. для контроля и регистрации. Для управления температурой водорода и
кислорода в разделительных колоннах используется электропневматический
преобразователь ЭПП (3б, 4б, 6б, 7б, 9б, 10б, 12б, 13б) который преобразует
электрический сигнал в пневматический. Качестве исполнительного механизма
служи регулирующий пневмоклапан 25ч30нж (3в, 4в, 6в, 7в, 9в, 10в, 12в, 13в).
Измерение давления пара
(32а), водорода (33а, 35а, 37а, 39а), кислорода (34а, 36а, 38а, 40а) в колоннах
регулирования давления, водорода на выходе механической очистки (41а),
осуществляется с помощью датчики давления Метран 55 представленный на рисунке
2.2
Рисунок 2.2 - Метран 55
Назначение: предназначены для работы в системах
автоматического контроля, регулирования и управления технологическими
процессами. Датчики работают со вторичной регистрирующей и показывающей
аппаратурой, регуляторами и другими устройствами автоматики, воспринимающими
стандартный токовый сигнал:
Измеряемые среды: жидкость, пар, газы.
Исполнение взрывозащищенное.
Выходной сигнал: 0-5, 4-20, 0-20 мА.
Межповерочный интервал : 2 года.
Расход пара (42а) и
водорода после очистки измеряется расходомером с унифицированным выходным
сигналом Метран-350-М (рисунок 2.3).
Измеряемые среды: газ,
пар, жидкость Параметры измеряемой среды:
-
температура:
-40...260ОС
интегральный монтаж;
-40...450ОС
удаленный монтаж датчика;
-
максимальное
избыточное давление в трубопроводе 10 МПа;
Диаметр условного прохода
трубопровода (Ду), мм:
-
для всего
модельного ряда 50... 1820;
-
для встраиваемых
в трубопровод моделей (вариант с участком трубы) 12,5...50
Пределы измерений расхода
рассчитываются для конкретного применения.
Пределы основной
допускаемой относительной погрешности при измерении массового (объемного)
расхода: ±1,5%.
Средний срок службы - 10
лет.
Уровень дистилята (44а) и
электролита (45а) измеряется УЗК-датчиком LTC-Т10 (рисунок 2.4)
LTC служит для
непрерывного измерения уровня насыпных твердых веществ и жидкости. Колебания
плотности, температуры не влияют на измерения.
Далее сигнал поступает на
УВМ, где производится автоматический контроль. Затем сигнал преобразуется из
электрического в пневматический ЭПП (44б, 45б), и отправляется на регулирующий
пневмоклапан 25ч30нж (44в, 45в).
Рисунок 2.4 - LTC
Для аварийного управления технологическим процессом
и управлением вентиляцией помещений (46а, 57а) используется газоанализатор АГ
0012 (AG 0012) рисунок 2.5
Рисунок 2.5
- Газоанализатор АГ 0012 (AG 0012)
Газоанализатор АГ 0012 (AG 0012) предназначен для
непрерывного автоматического измерения объемной доли водорода, аргона, азота,
гелия, метана и двуокиси углерода в невзрывоопасных двух или многокомпонентных
газовых смесях и выдачи измерительной информации в виде показаний по цифровому
дисплею и стандартных электрических выходных сигналов информационной связи с
другими изделиями.
Область применения: металлургические,
нефтеперерабатывающие заводы, ТЭС, электролизные установки, контроль утечек
водорода в охлаждающей системе турбогенераторов и других технологических
установках.
Принцип работы: термокондуктометрический
Выходной сигнал: унифицированный 0-5, 0-20, 4-20 мА
Газоанализатор АГ 0012 (AG 0012) измеряет
концентрацию газа в воздухе и передает информацию УВМ. При критическом значении
концентрации включается сигнализация и производится отключение электролизеров.
Сигнал, после УВМ попадает на электромагнитный пускатель (46б, 57б) и
отправляется на исполнительный механизм
МЭО-16/20-0,23-77 (46в, 57в).
Контроль за содержанием кислорода в водороде (47а,
52а, 58а, 63а, 68а) и содержание водорода в кислороде(48а, 53а, 59а, 64а) также
осуществляется с помощью газоанализатор АГ 0012 (AG 0012).
Для контроля силы тока подаваемого на электролизер
используются шунты измерительные стационарные
75ШИСВ (50а, 55а, 61а, 66а) рисунок 2.6.
Рисунок 2.6 - Шунт
измерительный стационарный 75ШИСВ
Контроль за содержанием влаги в водороде после
влагоотделителей осуществляется с помощью гигрометра БАЙКАЛ-2ВМ (69б, 70б,
71б)
БАЙКАЛ-2ВМ применяется
для автоматического измерения и сигнализации объемной доли влаги и абсолютной
влажности в азоте, воздухе, углекислом газе, водороде, кислороде, инертных и
других газах и их смесях, используемых в технологических процессах рисунок 2.7.
Датчик гигрометра
относится к взрывозащищенному оборудованию, имеет маркировку 1Exd11CT1 (69а,
70а, 71а), может устанавливаться вовзрывозащищенных зонах класса В-1а согласно
ПУЭ.
Длина
соединительного кабеля между датчиком и блоком измерения не более 300 м.
Рисунок 2.7
- Гигрометр БАЙКАЛ-2ВМ
Предел измерений объемной доли влаги: до 1000 ppm
для области измерений: 0…1 ppm - ±10%
для области измерений: 1…10 ppm -±4%
для области измерений: 10…1000 ppm - ± 2,5%
Выходной сигнал: 4-20 или 0-5 мА
Время установления показаний: не более 3 мин
Общий расход анализируемого газа: не более 1000
см3/мин
Параметры анализируемой среды: температура
+5...+50°
2.3 Функции и
функциональная структура
системы автоматизации
Основными целями при
разработке АСУТП получения водорода определяются:
–
обеспечение
стабильности протекания технологического процесса;
–
выполнение
требований технологического регламента;
–
обеспечение
требуемых и планируемых показателей;
–
оптимизация
технологических регламентов.
Достижение перечисленных
целей осуществляется с участием оператора путем его взаимодействия с
техническими и программными средствами АСУТП.
Контроль и регулирование производится с помощью
УВМ. Он осуществляет измерение и стабилизацию основных технологических
параметров процесса, выполняет централизованный сбор, обработку и представление
информации. На чертеже 2102. Д04.275 - АТХ-033. представлена функциональная
структура АСУТП производства водорода.
Функциональные задачи
АСУТП реализуются в следующих подсистемах:
-
подсистема сбора
и обработки информации о технологическом процессе;
-
подсистема
оперативного контроля технологических параметров;
-
ситуационный
анализ состояния технологического процесса;
-
подсистема
документирование технологического процесса;
-
подсистема
формирование и реализации управляющих воздействий;
-
диагностика
состояния технологического оборудования.
Отображение текущих
параметров на мониторе оператора позволяет следить за ходом процесса. Здесь
производится отображение текущих значений, которые при необходимости выводятся
на печать или отправляются в архив данных.
Контроль состояния
оборудования и текущих значений параметров производит УВМ автоматически. Он
анализирует сложившуюся ситуацию и вовремя сигнализирует критическое отклонение
параметров. Здесь же производится формирование автоматического управляющего
воздействия.
Графическое представление
сигнализации на мнемосхеме помогает быстро реагировать на отклонение
параметров и вовремя принять решения по ее устранению, т.е. самостоятельно
изменить значение параметров.
2.4 Техническая
структура АСУТП
Состав технических средств АСУТП показан на чертеже
5502. Д05.275 - АТХ-034. Основными компонентами технического обеспечения
рассматриваемой АСУ являются вычислительный комплекс, устройство связи с
объектом и устройство связи с оператором. Устройство связи с объектом
обеспечивает сбор информации с участков производства и ее предварительную
обработку. Здесь таковыми выступают: датчики, нормирующий преобразователь,
модули ввода, модули вывода и исполнительный механизм. Показания снимаются с
датчиков и обрабатываются для дальнейшей работы. А готовые управляющие
воздействия преобразовываются модулями вывода и поступают на исполнительный
механизм.
Вычислительный комплекс
состоит из УВМ. Он обеспечивает обработку информации в реальном времени.
Производит автоматический контроль, отображает информацию на мониторе
оператора. Выводит на печать нужные параметры в реальном времени. Оператор при
необходимости с помощью УВМ может вмешаться в ход процесса.
2.5 Структурная схема
АСУТП
Исходя из выбранных
функций, сначала выбираем структуру системы автоматизации, а затем средства
реализации этой структуры.
В данном дипломном проекте для автоматизации технологического
производства водорода предлагается использовать двухуровневую структуру системы
контроля и управления.
Первый уровень представляет собой систему датчиков контроля или первичных
преобразователей технологических параметров, исполнительных механизмов и
модулей удаленного сбора данных. На этом уровне происходит измерение и
преобразование значений технологических параметров в информационный сигнал.
Обязательным требованием к таким приборам является наличие стандартных
электрических сигналов на выходе преобразователей.
На этом же уровне системы автоматизации используются микроконтроллеры
либо модули удаленного сбора данных. Они осуществляют прием, нормирование,
согласование, первичную обработку и передачу сигналов в управляющий компьютер
(РС), который по функциональному признаку относится к второму уровню.
На втором уровне происходит обработка, анализ и выдача оператору
информации о значении технологических параметров процесса. Благодаря полученной
информации РС в режиме непосредственного цифрового управления при помощи
программного алгоритма вырабатывает управляющее воздействие на исполнительные
механизмы, приводы аппаратов и другие устройства взаимодействия с
технологическим объектом автоматизации. При наличии на производстве нескольких
РС, встроенные в них устройства обмена позволяют осуществлять передачу
информации друг другу для совместной и более эффективной работы.
Для построения схемы автоматизации производства водорода произведен выбор
технических средств контроля и управления технологическим процессом. В качестве
сетевого контролера выбрано устройство серии ICOS-8000,
предназначенные для построения территориально-распределенных систем сбора
данных и управления, обеспечивающие выполнение следующих функций:
-
аналоговый ввод-вывод;
-
дискретный ввод-вывод;
-
первичное преобразование информации;
-
прием команд от удаленной вычислительной системы и передача в ее адрес
преобразованных данных с использованием интерфейса RS-485.
ICOS-8000 состоит из трех
модульных компонентов: процессор, кросс-плата, модули ввода-вывода. Каждое устройство
может содержать до 8 модулей (64 канала ввода-вывода). Имеется возможность
гибкого конфигурирования системы и входящих в ее состав устройств в зависимости
от количества и вида контролируемых параметров, а также от расположения
контролируемых объектов. Устройства серии ICOS-8000
могут объединяться в многоточечную сеть на базе интерфейса RS-485, управляемую
центральным компьютером. Применение локально устанавливаемых модулей
ввода-вывода позволяет существенно снизить затраты на монтаж, а также обеспечивает
повышенные удобства в процессе обслуживания.
Каждая система ICOS-8000
использует 2-проводную линию для связи с управляющим компьютером по
мультиабонентским сетям на базе интерфейса RS-485. Благодаря использованию
символьного протокола обмена в качестве управляющей может быть применена любая
вычислительная платформа.
Повышенные удобства монтажа и простота изменения
конфигурации устройства обеспечены применением специальной объединительной
панели, предназначенной для установки модулей. Кроме того, имеется возможность
установки на отдельную панель или на DIN-рельс. Для подключения источников
сигналов используется терминальный соединитель с винтовой фиксацией,
обеспечивающий возможность оперативного присоединения и повышенные удобства при
обслуживании.
К особенностям
контроллеров ICOS-8000 относится:
-
подключение до 256 систем к одному последовательному порту;
-
до 64 каналов цифрового ввода-вывода или аналоговых канала;
-
удаленная настройка диапазонов и типов входных аналоговых сигналов;
-
гальваноразвязка по входу/выходу/питанию и контроль с помощью
сторожевого таймера;
-
двухпроводные мультиабонентские сети на базе интерфейса RS-485;
-
протокол обмена на базе ASCII-кодов;
-
скорость передачи данных до 115 кбит;
-
напряжение питания от +10 до +30 В;
-
легкая установка на DIN-рельс или панель;
-
фронтальное подключение, характерное для программируемых логических
контроллеров;
-
программа настройки включена в комплект поставки;
-
диапазон рабочих температур от –10 до +70°С;
-
диапазон температур хранения от –25 до +85°С;
-
влажность: от 5 до 95% без конденсации влаги.
В данном дипломном проекте используется совместимый
программируемый микроконтроллер ICOS-8811.
Микроконтроллер ICOS-8811
предназначен для использования в локальных и распределенных системах
автоматизации в качестве автономного контроллера. Он обеспечивает прием и
выдачу аналоговых и дискретных сигналов, первичное преобразование сигналов по
запрограммированным пользователем алгоритмам и обмен информацией по
Рисунок 2.7 - Контроллер I-8811
последовательным каналам связи на
базе интерфейса RS-485. Контроллер имеет открытую архитектуру и может
программироваться как с помощью традиционных языков программирования (С,
ассемблер), так и с помощью языков логического программирования в соответствии
со стандартом МЭК-61131 (в настоящий момент поддержка ICOS-8811 реализована в системах программирования
UltraLogik и Paradym-31). Таким образом, ICOS-8811 удачно сочетает в себе качества программируемого
логического контроллера (PLC) с простой и открытой архитектурой IBM PC совместимых
компьютеров.
Характеристика
микроконтроллера:
-
процессор: 80188, 16-разрядный;
-
память ОЗУ: 256 кбайт;
-
флэш-ПЗУ: 256 кбайт;
-
операционная система: ROM-DOS;
-
часы реального времени: встроенные;
-
сторожевой таймер: встроенный;
-
количество обслуживаемых модулей ввода-вывода:8;
-
последовательных порта: RS-232 и RS-485;
-
напряжение изоляции: 3000 В;
Для сбора сигналов с датчиков используются
8-канальные модули аналогового ввода ICOS 87017:
Каналы: 8 дифференциальных;
Эффективное разрешение: 16 бит;
Типы входного сигнала: мВ, В, мА ;
Входной диапазон: ±150, ±500 мВ, ±1, ±5, ±10 В; 0…20
мА ;
Напряжение изоляции: 1000 В (пост.)
Частота выборки: 10 Гц (общая)
Входное сопротивление: 2 МОм
Полоса пропускания: 13,1 Гц
Точность не хуже: ±0,1%
Дрейф нуля: ±0,3 мкВ/°С
Дрейф диапазона: ±25 РРМ/°С
Ослабление сигнала при 50/60 Гц — 92 дБ/мин
Потребляемая мощ ность:
1,0 Вт
Рисунок 2.8 - I-87017
4-канальный модуль аналогового вывода
Каналы: 4
Эффективное разрешение: 12 бит
Типы выходного сигнала: мА, В
Выходной диапазон: 0…20, 4…20 мА, 0…10 В
Напряжение изоляции: 500 В (пост.)
Точность:
±0,1% для токового выхода;
±0,1% для выхода напряжения
Разрешающая способность: 0,015%
Дрейф нуля:
выход напряжения: ±30
мкВ/°С;
токовый выход: ±0,2
мкА/°С
Рисунок 2.9 I-87024
Программируемая скорость нарастания выходного
сигнала: 0,125…0,128 мА/с; 0,0625…64,0 В/с
Токовый нагрузочный резистор: 0…500 Ом (источник)
Потребляемая мощность: 2,5 Вт
В качестве удаленного
сбора информации и управления технологическим процессом выбраны
микроконтроллеры серии ICOS-7000 представленные на
рисунке 2.10
Характеристика микроконтроллера I-7017:
Модуль
аналогового ввода на 8 каналов;
16-разрядный
АЦП;
6 дифференциальных и 2 однополюсных канала;
Программная
настройка для работы с мВ, В или мА;
Гальваническая
изоляция: 3000 В.
Характеристика микроконтроллера I-7024:
Модуль аналогового вывода на 4 канала;
12-разрядный ЦАП;
Программная настройка выхода на В или мА; Контроль
состояния выхода;
Программируемая
скорость изменения сигнала навыходе:
от 0,125 до 128,0 мА/с или от
0,0625 до 64 В/с;
Гальваническая изоляция: 3000 В.
|
Рисунок 2.10 - Микроконтроллеры удаленного доступа
|
|
Характеристика микроконтроллера I-7022:
Модуль аналогового вывода на 2 канала;
12-разрядный
ЦАП
Программная настройка выхода на В или мА
_ Контроль
состояния выхода;
Программируемая
скорость изменения сигнала на выходе:
от 0,125 до 128,0 мА/с или от
0,0625 до 64 В/с;
Гальваническая изоляция: 3000 В.
Для обработки полученной информации, контроля за технологическим
процессом и управления им необходим персональный компьютер:
-
дисплей: цветной
с диагональю 15 дюймов и разрешением 1024 ×768 точек;
-
процессор: Intel
Pentium III до 850 МГц;
-
память ОЗУ: до
256 Мбайт;
-
CD ROM: 57
скоростной;
-
контроллер
Ethernet.
Порты ввода вывода: 4 последовательных порта (3
×RS 232, 1 ×RS 232/422/485), 1 универсальный параллельный порт, 2
порта USB, порты для подключения клавиатуры и мыши (PS/2), входы и выходы
звуковой подсистемы.
3 МОДЕЛИРОВАНИЕ ТЕХНОЛОГИЧЕСКОГО ПРОЦЕССА
3.1 Построение функциональной модели
автоматизированной системы и алгоритмов обеспечения безопасности методом
объектно-ориентированного моделирования
3.1.1
Описание метода моделирования
Для анализа и проектирования,
рассматриваемого технологического процесса, целесообразно использовать методы
объектно-ориентированного подхода с применением UML, который представляет собой
общецелевой язык визуального моделирования, разработанный для спецификации,
визуализации, проектирования и документирования компонентов программного
обеспечения и других систем. Язык UML одновременно является простым и
мощным средством моделирования, который может быть эффективно
использован для построения концептуальных, логических и графических моделей сложных
систем самого различного целевого назначения. Этот язык вобрал в себя наилучшие
качества методов программной инженерии.
Базовые
понятия языка UML комбинируются и расширяются таким образом, что специалисты
объектного моделирования получают возможность самостоятельно разрабатывать модели систем в самых различных областях приложений
[12-14].
Конструктивное использование языка UML основывается на
понимании общих
принципов моделирования систем и особенностей процесса объектно-ориентированного
анализа и проектирования. Выбор выразительных средств для построения моделей
сложных систем предопределяет те задачи, которые могут быть решены с использованием
данных моделей. При этом одним из основных принципов построения моделей систем
является принцип абстрагирования, который предписывает включать в модель только те
аспекты проектируемой системы, которые имеют непосредственное отношение к
выполнению системой своих функций или своего целевого предназначения.
При этом все второстепенные детали опускаются, чтобы
чрезмерно не усложнять процесс анализа и исследования полученной модели.
Другим принципом построения моделей сложных
систем является принцип многомодельности. Этот принцип представляет собой
утверждение о том, что
никакая единственная модель не может с достаточной степенью адекватности описывать различные аспекты системы. Наиболее
общими представлениями сложной системы принято считать статическое и
динамическое представления, которые, в свою очередь, могут подразделяться на
другие более частные представления. Феномен сложной системы как раз и состоит
в том, что никакое ее единственное
представление не является достаточным для адекватного выражения всех особенностей моделируемой системы
[15].
Еще одним принципом прикладного системного анализа
является принцип иерархического построения моделей сложных систем. Этот принцип
предписывает рассматривать процесс построения модели на разных уровнях абстрагирования или
детализации в рамках фиксированных представлений. При этом исходная или
первоначальная модель сложной системы имеет наиболее общее представление
(метапредставление). Такая модель строится на начальном этапе проектирования и может
не содержать многих деталей и аспектов моделируемой системы.
При разработке часто возникает проблема изменения
функциональности системы, заключающаяся как в добавлении новых функций, так и в
модификации уже существующих. Использование объектных методов позволяет
локализовать изменения таким образом, чтобы изменение функциональности одного модуля не привело к
ошибкам в работе других, а также быстро и четко выделить модули,
поведение которых изменится в результате данного изменения.
Использование
UML облегчает проблему сопровождаемости проекта, поскольку основная информация о проекте хранится в
визуальной форме. Средства визуального моделирования, поддерживающие UML, позволяют автоматизировать анализ и
проектирование программных систем, а интегрированные в них средства
автоматической кодогенерации дают возможность привязывать исходный код
объектно-ориентированных языков программирования (C++, Java, Delphi, Power Builder, Visual Basic, Forte, Ada, Smalltalk и других) прямо к элементам
модели и вести разработку кода внутри построенной модели.
Язык
UML определяет набор диаграмм, описывающих модели, и базовую нотацию. Он включает в себя описание семантики,
расширения и комментарии по применению. В документации семантика представлена
как на естественном языке, так и в
нотации UML в виде метамодели. Описание графической нотации сопровождается
примерами диаграмм.
Моделирование сложной системы средствами UML сводится к ее
описанию в различных проекциях. Каждая проекция описывает определенный аспект
разрабатываемой системы, а все вместе они определяют систему с должной степенью полноты,
правильности и адекватности. В UML для описания системы при анализе и
проектировании предусмотрены следующие графические диаграммы.
Диаграммы прецедентов (Use Case Diagram) применяются для
анализа проблемной области и разработки функциональной структуры системы. Эта методология в
настоящее время широко применяется для анализа бизнес-систем и реинжиниринга
деятельности компаний.
На основании диаграмм прецедентов строятся модели
поведения системы (Interaction Diagrams). Они позволяют
рассмотреть выполнение определенных функций системы и спроектировать поведенческие
свойства классов. Это осуществляется с помощью диаграмм последовательности (Sequence Diagrams) и диаграмм
взаимодействия (Collaboration Diagrams), которые в
совокупности отображают трехмерную модель взаимодействий между классами, с учетом временных
параметров этих взаимодействий.
Диаграммы классов (Class Diagrams) применяются для проектирования иерархической
структуры классификации объектов системы. Кроме атрибутивной и поведенческой
структуры классов, диаграммы классов позволяют выделить связи и зависимости между классами и объектами
системы.
Диаграммы состояний (State Diagram) позволяют описать
иерархическую
структуру состояний объектов системы и переходы между состояниями под воздействием
определенных событий. Особый вид диаграмм состояний -диаграммы активности (Activity Diagrams) позволяют описать
алгоритмы выполнения
отдельных операций.
Диаграммы размещения (Deployment Diagrams) позволяют спроектировать архитектуру
системы и обозначить процессы, выполняемые на отдельных вычислительных узлах
системы, что особенно важно для проектирования распределенных систем,
использующих интернет-технологии.
Диаграммы компонент (Component Diagrams) предназначены для грамотного
разделения приложения на модули, что является очень сложной задачей. Это позволяет эффективно распределить работу
внутри коллектива разработчиков и
избежать ошибок несовместимости компонент приложения, правильно
работающих в отдельности. Использование грамотного разделения программы на компоненты дает возможность накопления
наработок в отдельных областях
(создания библиотек готовых компонентов), их повторного использования и сборки готовых программ из ранее
разработанных компонентов.
Разные
разработчики могут применять UML по своему усмотрению в зависимости от своих проблемных областей и используемых технологий.
3.1.2 Разработка
функциональной модели системы
Результаты анализа требований к системе формализуются с
помощью функциональной модели, которая определяет, какие функции должны выполняться
системой, вне зависимости от ее структуры. Наполнение (реализация) функций
происходит в терминах объектов, обладающих определенными свойствами и поведением.
Создание функциональной модели, как правило, начинается с
представления проектируемой системы в виде наборов актеров, взаимодействующих с
системой
с помощью так называемых прецедентов, то есть сначала мы определяем, что взаимодействует
с системой. Примерами таких «действующих лиц», или внешних актеров, могут быть: пользователь системы,
оператор, оборудование, система, внешняя по отношению к данной. В свою очередь
прецедент описывает, что система
предоставляет актеру - то есть определяет некоторый набор транзакций или услуг, совершаемый актером при
диалоге с системой, при этом ничего не
говорится о том, каким образом будет реализовано взаимодействие. Диаграмма прецедентов несет в себе высокий
уровень абстракции, что позволяет еще на ранних этапах проекта определить и
зафиксировать функциональные требования к системе и обеспечить гибкий и
эффективный механизм взаимодействия
между разработчиком и заказчиком проекта.
Каждый из случаев
использования системы может быть рассмотрен, как функция системы и подвергнут дальнейшей декомпозиции в терминах функций. В результате возникает дерево функциональной
декомпозиции. Каждая функция может
быть разбита на несколько более мелких. Такое разбиение обычно соответствует либо структурной декомпозиции
функциональных требований (на фазе
анализа), либо выделению подзадач, решение которых требуется для осуществления основной цели (на фазе проектирования).
На диаграмме прецедент обозначается
овалом, внутри которого или под ним указывается
его имя. Актер также представляется в виде условного обозначения. Взаимодействие между актером и прецедентом
обозначается линией.
Для построения модели прецедентов необходимо
сформулировать требования к рассматриваемой системе и провести их
декомпозицию. Целью технологического процесса в целом считаем достижение максимальной
производительности технологической линии при обеспечении безопасности процесса
и заданного качества изделий. Для решения глобальной цели необходимо
обеспечить достижение максимальной производительности при обеспечении
безопасности и заданного качества изделий на каждой фазе технологического
процесса.
Так, для фазы электролиза цель формализуется следующим образом [9]:
Где Q – производительность
процесса электролиза;
х1,х2,…,хn – технологические параметры;
n – количество параметров,
влияющих на производительность электролиза:
К – качество полученного газа;
Кmin, Кmax – соответственно минимальные и максимальные
значения качества;
Б, Бmin –
соответственно безопасность и допустимый уровень безопасности.
К={к1, к2, …кm}
где к1, к2, …кm – показатели качества.
Для достижения каждой из
полученных целей необходимо реализовать другие подцели, и т.д.
На рисунке 3.1 Обобщенная функциональная модель обеспечения
безопасности ТП получения водорода, представленная в виде
формализованной декомпозиции целей..
Рисунок 3.1 –
Обобщенная функциональная модель обеспечения безопасности ТП получения водорода
Обеспечение безопасности
процесса электролиза достигается за счет, во-первых, осуществления
прогноза опасных и критических ситуаций, и, во-вторых, своевременного принятия решения и
реализации управляющих воздействия на ТП для
недопущения и (или) устранения опасных ситуаций.
Указанные цели представлены на рисунке 3.2 в виде диаграммы прецедентов. В качестве актеров выступает
оператор системы, следящий за ходом ТП и технолог задающий технологический
регламент.
Рисунок 4.2 – Представление целей
управления ТП в виде диаграммы прецедентов
Основные прецеденты
определяются целями процесса электролиза (рисунок 3.1). Обобщенная модель реализации цели
«Обеспечение безопасности» приведена на
рисунке 3.3 в виде расширенной диаграммы данного прецедента.
Рисунок 3.3 – Обобщенная модель
реализации цели (прецедента) «Обеспечения безопасности»
В результате анализа технологического процесса выявлены следующие критические
ситуации
-
S1 повышение содержимого кислорода в водороде ;
-
S2 повышение содержимого водорода в кислороде;
-
S3 повышение температуры электролита на выходе из разделительных
колон;
-
S4 одновременное повышение удельных энергозатрат и температуры в
электролизере;
-
S5 повышение давления в колоннах регулирования давления
Отсюда, Б={S1,S2,S3,S4,S5}.
В качестве показателей распознавания критических ситуаций
выбраны следующие
параметры:
-
удельные
энергозатраты, определяемые отношением энергии,
подводимой
электролизерам, к производительности, (Еэлек);
-
температура
газов на выходе из разделительных колон (Тгаз);
-
резкое
уменьшение текущей производительности (Q) электролизера;
- давление водорода (Рводор) и кислорода
(Ркисл.)
При достижении текущими показателями безопасности предельно допустимых значений режим
работы электролизера считается критическим.
Величины предельно допустимых значений показателей
безопасности могут быть взяты из технологического регламента, либо из анализа аварий.
Таким образом, система обеспечения безопасности процесса
получения водорода методом электролиза предназначена для распознавания (по величине
и характеру изменения показателей) и устранения критических ситуаций при работе
электролизера путем изменения его режимов.
Функциональная модель предоставляет средства для
спецификации требований к системе. Дальнейшая детализация этих требований, а также их
проекция на ее структуру, осуществляется с помощью диаграмм классов и последовательностей.
3.1.3 Разработка
алгоритмов функционирования системы
Диаграмма последовательности делает упор
на временную последовательность передаваемых сообщений, важен порядок, вид и
имя сообщения, на диаграмме изображаются исключительно те объекты, которые
непосредственно участвуют во взаимодействии,
и не показываются возможные статические ассоциации с другими объектами.
Диаграмма
последовательности имеет два измерения, первое - слева направо, в виде
вертикальных линий, изображающих объекты, участвующие во взаимодействии.
Верхняя часть линий дополняется прямоугольником, содержащим
имя класса объекта или имя экземпляра объекта. Второе измерение
- вертикальная временная ось. Сообщения, посылаемые одним объектом другому,
изображаются в виде стрелок с именем сообщения и упорядочены по времени
возникновения.
Алгоритм управления локальным прецедентом «Устранение опасных и критических ситуаций»,
представлена на рисунке 3.4 в виде
обобщенной диаграммы последовательности.
Рисунок 3.4 - Алгоритм
управления локальным прецедентом «Устранение опасных и
критических ситуаций» в виде обобщенной диаграммы последовательности
Диаграммы деятельности - это один из пяти видов диаграмм, применяемых
для моделирования динамических аспектов поведения системы. Диаграмма
деятельности это по существу блок-схема, которая показывает, как поток управления
переходит от одной деятельности к другой.
Диаграммы деятельности можно
использовать для моделирования динамических аспектов поведения
системы. Как правило, они применяются, чтобы промоделировать последовательные
(а иногда и параллельные) шаги вычислительного процесса. С помощью
диаграмм деятельности можно также моделировать жизнь объекта,
когда он переходит из одного состояния в другое в разных точках
потока управления. Диаграммы деятельности могут использоваться самостоятельно
для визуализации, специфицирования, конструирования и документирования динамики
совокупности объектов, но они пригодны также и для моделирования потока
управления при выполнении некоторой операции. Если в диаграммах
взаимодействий акцент делается на переходах потока управления
от объекта к объекту, то диаграммы деятельности описывают переходы от одной
деятельности к другой. Деятельность - это некоторый относительно
продолжительный этап выполнения в автомате. В конечном итоге деятельность
сводится к некоторому действию, которое составлено из атомарных вычислений,
приводящих к изменению состояния системы или возврату значения. Диаграмма
деятельности может содержать простые и составные состояния, точки ветвления, разделения и слияния.
В потоке управления, моделируемом диаграммой деятельности,
происходят различные события: вычисление
выражения, в результате чего изменяется значение некоторого атрибута или
возвращается некоторое значение. Также можно выполнить операцию над объектом,
послать ему сигнал или даже создать
его или уничтожить. Все эти выполняемые атомарные вычисления называются
состояниями действия, поскольку каждое из них есть состояние системы,
представляющее собой выполнение некоторого действия. Состояния действия изображаются прямоугольниками с закругленными
краями. Внутри такого символа записывается произвольное выражение (текст или
математическая формула).
Состояния действия не могут быть
подвергнуты декомпозиции. Кроме того, они атомарны. Это
значит, что внутри них могут происходить различные события, выполняемая в
состоянии действия работа не может быть прервана. Обычно предполагается,
что длительность одного состояния действия занимает неощутимо малое время.
В противоположность этому состояния
деятельности могут быть подвергнуты дальнейшей декомпозиции, вследствие
чего выполняемую деятельность можно представить с помощью других диаграмм
деятельности. Состояния деятельности не являются атомарными, то есть могут быть
прерваны. Предполагается, что для их завершения требуется заметное время. Можно
считать, что состояние действия - это частный вид состояния деятельности, а конкретнее
- такое состояние, которое не может быть подвергнуто дальнейшей декомпозиции. А
состояние деятельности можно представлять себе как составное состояние, поток
управления которого включает только другие состояния деятельности и действий.
Состояния деятельности и действий обозначаются одинаково, с тем отличием,
что у первого могут быть дополнительные части, такие как действия входа и
выхода (то есть выполняемые соответственно при входе в состояние и выходе из
него), и оно может сопровождаться спецификациями подавтоматов.
Когда действие или деятельность в
некотором состоянии завершается, управления сразу переходит в
следующее состояние действия или деятельности. Для описания этого потока используются
переходы, показывающие путь из одного
состояния действия или деятельности в другое. Переход представляется простой
линией со стрелкой.
Поток управления должен где-то
начинаться и заканчиваться. Начальное состояние обозначается закрашенным кружком,
конечное - закрашенным кружком внутри
окружности.
Простые последовательные
переходы встречаются наиболее часто, но их одних достаточно для моделирования любого потока
управления. Как и в блок-схеме, в модель
включаются ветвления, которые описывают различные пути выполнения в зависимости от значения некоторого
булевского выражения. Точка ветвления
представляется ромбом. В точку ветвления может быть ровно один переход, а выходить - два или более. Для
каждого исходящего перехода задастся
булевское выражение, которое вычисляется только один раз при входе в точку ветвления. Ни для каких двух исходящих
переходов эти сторожевые условия не должны
одновременно принимать значение «истина», иначе поток управления
окажется неоднозначным. Но эти условия должны покрывать все возможные варианты,
иначе поток остановится.
Для удобства разрешается использовать ключевое слово иначе
для пометки того из исходящих переходов,
который должен быть выбран в случае, если условия, заданные для всех остальных переходов, не выполнены.
Реализовать итерацию можно, если ввести
два состояния действия - в первом устанавливается значение счетчика,
во втором оно увеличивается - и точку ветвления, вычисление в которой показывает,
следует ли прекратить итерации.
Простые и ветвящиеся
последовательные переходы в диаграммах деятельности используются чаще всего.
Однако можно встретить и параллельные потоки. В UML для обозначения
разделения и слияния таких параллельных потоков
выполнения используется синхронизационная черта, которая рисуется в виде
жирной вертикальной или горизонтальной линии. Каждый из параллельно выполняющихся потоков управления существует в
контексте независимого активного объекта, который, как правило, моделируется
либо процессом, либо вычислительной нитью.
Точка слияния представляет
собой механизм синхронизации нескольких параллельных потоков
выполнения. В эту точку входят два пли более перехода, а выходит ровно один.
Выше точки слияния деятельности, ассоциированные с приходящими в нее путями,
выполняются параллельно. В точке слияния параллельные
потоки синхронизируются, то есть каждый из них ждет, пока все остальные
достигнут этой точки, после чего выполнение продолжается в рамках одного
потока.
Помимо потока управления на диаграммах
деятельности можно изображать поток объектов-значений. В потоке
объектов-значений участвует объект, являющийся входным параметром для одной
деятельности и выходным — для другой.
Объект-результирующее значение
изображается в виде пунктирной стрелки, идущей от деятельности к состоянию
объекта, а входное значение - в виде пунктирной стрелки, идущей в
обратном направлении, то есть от состояния объекта к деятельности. Если
результатом выполнения деятельности является несколько объектов-значений или если за
ней следует несколько потоков управления, то стрелки начинаются от знака
развилки (ромб). Точно так же, в случае наличия нескольких входных значений,
стрелки заканчивайся на знаке слияния.
Рассмотрим более подробно
прогнозирование и анализ опасных и критических ситуаций. Алгоритм функционирует следующим
образом. Производится опрос текущих параметров
процесса электролиза в том числе: давления водорода (Рводорi;) и
кислорода (Pкислi), производительности (Qi), тока
Ij и
напряжения Ui на электролизере, температуры
электролита Тэлекi.
Вычисляется текущее значение энергозатрат:
Еудi=Ui(Ii-Iхх)/Qi , кВт·ч/м3,
где Ui,Ii – текущее
значение напряжения и тока;
Iхх – ток пуска
электролизера;
Qi – текущее
значение производительности процесса;
Производится
последовательное сравнение текущих значений производительности
Qi, давления Рводорi; и Pкислi с предшествующей производительностью Qi-i и давлениями Рводорi-i и Pкислi-i, а также указанных текущих показателей безопасности
(ЕУДi) с предельными.
Если текущее значение любого
параметра приближается к предельному, то рекомендуется изменить режим работы пресса.
Если же критическую ситуацию устранить
невозможно, выдается рекомендация по остановке процесса.
Рассмотрим критическую ситуацию, превышения
давления кислорода и водорода в разделительных колоннах. Алгоритм безопасности в виде диаграммы деятельности
для этой ситуации приведена на
рисунке 3.5. Эта ситуация характеризуется резким падением
производительности по сравнению с предшествующей при одновременном возрастании давления в зоне Pкислi. Повышением содержания кислорода в водороде. Выдается рекомендация о наличии возможной
аварийной ситуации. При повторном
прохождении по этой же ветви (то есть ситуация сохраняется в течение цикла
опроса) рекомендуется аварийный останов электролизера.
В случае отсутствия критической ситуации, проверяется наличие критической ситуации,
характеризуемой повышением текущих удельных энергозатрат. Степень опасности и
соответствующие рекомендации устанавливаются в зависимости от того, в
какой из зон находится величина Еудi: опасной - (Ераб < Еудi < Еудпред) или критической
- (Еудi
> Еудпред + 0,3), а также и от величины
текущих параметров процесса электролиза и возможности их изменения
с целью устранения данной критической ситуации. Алгоритм безопасности для этой
ситуации приведен на рисунке 3.7.
Аналогично действуют и алгоритмы для
ситуаций S3 и S4. Характер рекомендаций,
предупреждающих о ситуации S4 в электролизере, зависит от величины
температуры (T)
и уровня Lэлектролита
в электролизере. При достижении I предельного значения режим работы считается опасным.
Рекомендуется изменить режим подачи
электролита, в критический ситуации
произвести аварийное отключение.
Рисунок
3.6 – Алгоритм безопасности в виде диаграммы деятельности для ситуации
«Повышение давления газов»
Рисунок 3.7 – Алгоритм безопасности в виде диаграммы
деятельности для ситуации «Повышение удельных энергозатрат»
3.1.4 Разработка информационной структуры системы
Диаграмма классов (class diagram) служит для представления статической информационной структуры модели системы в
терминологии классов объектно-ориентированного программирования.
Диаграмма классов отражает различные информационные взаимосвязи между
отдельными страницами учебника, такими как
главная страница и страницы учебника, а также описывает их внутреннюю структуру
и типы отношений. На диаграмме не указывается информация о временных аспектах функционирования системы. С этой точки зрения
диаграмма классов является дальнейшим развитием концептуальной модели проектируемой системы. Диаграмму классов
принято считать графическим представлением таких структурных
взаимосвязей логической модели системы, которые не зависят или инвариантны от
времени.
Класс в языке UML
служит для обозначения множества объектов, которые обладают одинаковой структурой,
поведением и отношениями с объектами из других классов. В нашем случае классами
являются окна пользователя: главное окно,
страница тестирования, страница словаря терминов. Графически класс изображается в виде прямоугольника, который
дополнительно может быть разделен горизонтальными линиями на разделы или
секции. В этих разделах указываются имя
класса, например, электролизер, атрибуты (переменные или параметры), и операции
(методы, действия), например уменьшить ток питания .
-
зависимость
- это отношение использования (обозначаются пунктирной линией со стрелкой);
-
обобщение связывает общие классы с более специализированными, что известно под названием отношением
типа подкласс\суперкласс или потомок\родитель
(линия с треугольником);
-
ассоциация
является структурным отношением между сущностями;
Рисунок 3.8 - Информационная структура
системы управления процессом электролиза в виде обобщенной диаграммы классов
Таким образом, в соответствии с
поставленными целями и на основе разработанных функциональных моделей процесса
и системы построен алгоритм обеспечения безопасности в виде диаграмм
последовательности и деятельности, а также информационная структура системы
управления. Тем самым показана возможность применения объектно-ориентированного
моделирования для формализации целенаправленной разработки эффективных
алгоритмов и прикладных программ для управления потенциально опасными
процессами в составе АСУ реального времени.
3.2 Техническое
моделирование технологического процесса
3.2.1 Цели и задачи
технического моделирования технологического процесса
На этапе
проектирования АСУТП производства водорода целесообразно использовать
техническую модель имитации сигналов технологического процесса. Это вызвано
тем, что производство является взрывоопасным, а применение модели позволит
протестировать разработанную систему на работоспособность, создавая различные
варианты аварийного состояния производства, что невозможно произвести на
реальном оборудовании.
В диссертационной работе
разработан имитатор сигналов осиновых контролирующих параметров (таблица. 3.1)
стадии приготовления дистиллята и электролиза воды. Функциональная схема данных
участков представлена на рисунке 3.7.
Таблица 3.1 - Осиновые контролируемые
параметры
|
поз
|
Контролируемый параметр
|
Значение контролируемой величины
|
Контроль
|
Регули-рование
|
Сигна-лизация
|
|
1
|
Давление пара
|
0,12-0,45 МПа
|
+
|
-
|
-
|
|
2
|
Расход пара
|
200-400 кг/час
|
+
|
-
|
-
|
|
3
|
Уровень дистиллята
|
3 м
|
+
|
+
|
+
|
|
4
|
Сила тока
|
1000 А
|
+
|
-
|
-
|
|
5
|
Температура водорода
|
75 0С
|
+
|
-
|
-
|
|
6
|
Температура кислорода
|
75 0С
|
+
|
-
|
-
|
|
7
|
Температура электролита
|
65 0С
|
+
|
-
|
-
|
|
8
|
Содержание H2 в О2
|
1,5 %
|
+
|
-
|
-
|
|
9
|
Содержание О2 в H2
|
1,0 %
|
+
|
-
|
-
|
|
10
|
Давление водорода
|
0,5 МПа
|
+
|
-
|
-
|
|
11
|
Давление кислорода
|
0,5 МПа
|
+
|
-
|
-
|
Структурная схема модели
является двухуровневой. Нижний уровень - уровень объекта имитирует датчики для
сбора информации о ходе технологического процесса, электроприводы и исполнительные
механизмы для реализации регулирующих и управляющих воздействий. Датчики
поставляют информацию локальным программируемым логическим контроллерам.
В качестве сетевого
контроллера выбрано устройство серии ICOS-8000, предназначенные для построения территориально-распределенных
систем сбора данных и управления. Устройства серии ICOS-8000 могут объединяться в
многоточечную сеть на базе интерфейса RS-485, управляемую центральным
компьютером.
Верхний уровень - включает, прежде всего, одну
станцию управления, представляющую собой автоматизированное рабочее место
(АРМ) оператора. В качестве рабочей станции используется ПЭВМ типа IBM PC.
Станция управления предназначена для отображения хода технологического процесса
и оперативного управления. Эти задачи реализуются с помощью SCADA - системы.
SCADА - это специализированное программное обеспечение, ориентированное на
обеспечение интерфейса между оператором и системой управления.
IBM PC совместимый программируемый
микроконтроллер.
Программируемый
микроконтроллер ICOS-8411 обеспечивает прием и выдачу
аналоговых и дискретных сигналов, первичное преобразование сигналов по
запрограммированным пользователем алгоритмам и обмен информацией по
последовательным каналам связи на базе интерфейса RS-485. Контроллер имеет
открытую архитектуру и может программироваться как с помощью традиционных
языков программирования (С, ассемблер), так и с помощью языков логического
программирования в соответствии со стандартом МЭК-61131 (в настоящий момент
поддержка ICOS-8411 реализована в системах
программирования UltraLogik и Paradym-31). Таким образом, ICOS-8411
удачно сочетает в себе качества программируемого логического контроллера (PLC)
с простой и открытой архитектурой IBM PC совместимых компьютеров.
- процессор:
80188, 16-разрядный.
-
память ОЗУ: 256 кбайт.
-
флэш-ПЗУ: 256 кбайт.
-
операционная система: ROM-DOS.
-
часы реального времени: встроенные.
-
сторожевой таймер: встроенный.
-
количество обслуживаемых модулей ввода-вывода: 4.
-
последовательных порта: RS-232 и RS-485.
-
напряжение изоляции: 3000 В.
Сигналы с имитатора заводятся на модули аналогового
ввода ICOS-87017 имеющий 8 дифференциальных каналов,
эффективное разрешение 16 бит, входной диапазон: ±150, ±500 мВ, ±1, ±5, ±10 В;
0…20 мА, напряжение изоляции 1000 В (пост.), частота выборки 10 Гц (общая),
входное сопротивление 2 МОм.
Для реализации сброса уровня дистиллята и
управления имитатором используется 4 – канальный релейный модуль ICOS-8060. Напряжение пробоя: 500 В. Замыкание (среднее) 3
мс. Размыкание (среднее) 1 мс. Полное время переключения 10 мс.
Питание имитатора производится от 4-канального
модуля аналогового вывода ICOS-8024: эффективное
разрешение 12 бит; выходной диапазон: 0…20, 4…20 мА, 0…10 В; напряжение
изоляции 500 В.
3.2.2 Разработка имитатора процесса получения
водорода
На рисунке 3.8
представлена схема имитации сигналов с участка подготовки дистиллята. Она
реализует изменение таких параметров как: давление, расход пара перед
дистиллятором, повышение и сброс уровня дистиллята в приемном баке.
Рисунок 3.11 - Схема имитации подготовки дистиллята.
Сигналы данной схемы
снимаются с шунтов R2, R3 и изменяются с помощью построечного
резистора R1 в пределах от 0 до 10 В. Для
имитации изменения уровня дистиллята в баке снимается напряжение с конденсатора
С1. При достижении нужной величины напряжения конденсатор С1 разряжается на
сопротивление нагрузки R5 с
помощью реле модуля I-8060. Чтобы
исключить влияние изменения напряжения С1, на общую схему используется
микросхема.
Расчет сопротивлений R1, R2, R3
производится по закону Ома при питании схемы 10 В и токе 20 мА. Примем R1=0 Ом, то R2 равно:
R2=10В/20мА = 500 Ом
Для обеспечения изменения
Uвых= 0,1В –10В берем соотношение R2:R1, как 1:10 следовательно R1=5 кОм.
Время заряда
конденсатора определяется зависимостью: 3Т=RC.
Примем время заряда С1
600с, емкость С1=1000 мФ, тогда:
R4= 3000/600 = 500 Ом
Рисунок. 3.12 - Схема имитации
электролизера
На рисунке 3.12 представлена электрическая схема
имитации сигналов датчиков электролизёра. Она реализует изменение температуры
водорода, кислорода, электролита под влиянием изменения силы тока, подаваемого
на электроды, а также интенсивности охлаждения газов в разделительных колонках.
Имитация изменения температуры водорода реализуется по плечу схемы R3R4, а кислорода по плечу R2R5. Влияние силы
тока на процесс электролиза осуществляется с помощью реостата R1. С сопротивления резистора R6 снимается напряжение, показывающее
изменение температуры электролита. Для исключения взаимного влияния токов,
протекающих по цепям R3R4 и R2R5, в эти цепи
включены диоды VD1,VD3 и VD2,VD4
соответственно. Данная схема позволяет с помощью реле К1 и К2 модуля I-8060 реализовать аварийную ситуацию
выхода из строя одной из разделительных колон. Номиналы элементов сведены в
таблице
Рисунок 3.13 - Схема
имитации разделительных колонн.
Представленная схема на рисунке 3.13 формирует
сигналы датчиков, контролирующих изменение давления кислорода и водорода в
колоннах, а также концентрацию этих газов друг в друге. Элементы, реализующие
изменение данных параметров не зависят друг от друга и собраны в параллельную
схему.
Выходной сигнал каждой цепи должен изменятся в
пределах от 0.1 до 10 В. Для этого используем цепь, состоящую из двух
резисторов, переменного Rпер и постоянного Rпост. Примем Rпер=0,
тогда Rпост равно:
Rпост=10В/20мА=500 Ом
Для реализации заданного предела максимальное
значение Rпер должно быть равно 5кОм. В
схеме, изображенной на рисунке 3.6 Rпер. =R1=R2=R3=R4, а Rпост.=R5=R6=R7=R8.
Рисунок 3.14
- Схема питания имитатора сигналов.
Питание имитатора осуществляется постоянным током
от модуля аналогового вывода I-8024. Данный модуль
обеспечивает изменение напряжения от 1 до 10 В при максимальном токе 5 мА. Для
питания имитатора требуется минимальный ток 20 мА. Поэтому, для увеличения тока
питания, подаваемого от I-8024, используем эмиттерный
повторитель тока с питанием от блока с напряжением 24 В. Данная схема приведена
на рис. 3.14.
На рисунке 3.15 представлена общая схема имитатора.
Внешний вид и фотография разработанного имитатора представлен на рисунке
3.17., 3.18.

Рисунок 3.16 - Внешний вид имитатора
3.17 – Имитатор сигналов
4 РАЗРАБОТКА ПРИКЛАДНОГО ПРОГРАМНОГО ОБЕСПЕЧЕНИЯ ПОДСИСТЕМЫ НА ОСНОВЕ SCADA-СИСТЕМЫ
4.1 Выбор программного обеспечения
При проектировании
современных систем автоматизации вопросу выбора системного и прикладного
программного обеспечения уделяется не меньше
внимания, чем вопросу выбора КТС. ПО, в зависимости от конечного пользователя,
может представлять как среду исполнения и исполнительную среду, так и среду проектирования и среду
представления, тем самым образуя связь
всех уровней технических средств между собой и оператором. От надёжности работы системного
программного обеспечения зависит функциональность всей системы автоматизации в
целом. Исходя из задач АСУТП к системному
ПО выдвигались следующие основные требования:
-
высокая производительность;
-
малая
ресурсоёмкость;
-
надёжность;
-
многозадачность в реальном масштабе времени;
-
развитость и высокая скорость графического интерфейса;
-
поддержка всех распространённых сетевых протоколов.
Рассмотрев варианты операционных систем
начиная от широко распространённых MS - DOS и Windows 9x и заканчивая узко
специализированными QNX и SNA была выбрана операционная система Windows NT Workstation.
Операционная система Windows NT Workstation позиционируется прежде всего как клиент
в сетях Windows NT Server, а также в сетях NetWare, Unix, Vines. В сетях NetWare рабочие станции Windows
NT восполняют известный пробел - отсутствие
хорошего сервера приложений. Компьютер с установленной на нем Windows NT может быть рабочей
станцией и в одноранговых сетях, выполняя одновременно функции и клиента, и
сервера. Windows NT Workstation может применяться в качестве ОС
автономного компьютера, если необходимы повышенная производительность или
секретность, а также при реализации сложных графических приложений, например, в
системах автоматизированного управления и проектирования. Таким образом Windows NT -сетевая операционная система с приложениями для Internet, сервисами файлов и
печати, службой удаленного доступа, встроенным маршрутизатором, индексированием файлов и
управлением сетью.
При выборе операционной системы учитывалось наличие в Windows NT Workstation распределенной модели объектной
компоновки (Distributed Component Object Model). Модель объектной компоновки (СОМ)
позволяет разработчикам программ создавать приложения, состоящие из отдельных
компонент. Распределенная модель (DCOM) в Windows NT 4.0 расширяет СОМ таким образом, что позволяет отдельным
компонентам взаимодействовать через Internet. DCOM является растущим
стандартом Internet, опубликованным в соответствии с форматом, определенным в
спецификациях RFC 1543. Стандарт передачи данных DCOM находит
широкое применение в современных промышленных
системах сбора и обработки информации.
Очень важным аспектом операционной системы Windows NT является её надёжность и отказоустойчивость (reliability and robustness)
обеспечивающиеся архитектурными особенностями, которые защищают прикладные
программы от повреждения друг другом и операционной системой. Windows NT использует отказоустойчивую структурированную обработку особых ситуаций на всех архитектурных уровнях, которая
включает восстанавливаемую файловую систему NTFS и обеспечивает защиту с помощью встроенной системы безопасности и усовершенствованных методов
управления памятью.
В таблице 4.1 приведены сравнительные характеристики
различных версий операционных систем Windows.
Таблица 4.1 - Сравнительные характеристики ОС Windows
|
Windows 3.11
|
Windows 95
|
Windows NT 3.51
|
Windows XP
|
|
Рекомендуемый объем ОЗУ, Мбайт
|
2
|
2
|
16
|
128
|
|
Требуемый процессор
|
386Х
|
486DX
|
486DX
|
PentiumIII-300
|
|
Минимальное необходимое пространство на
диске Мбайт
|
7
|
30
|
90
|
500
|
|
Файловая система
|
FAT
|
FAT,FAT32
|
FAT,NTFS
|
FAT,NTFS
|
|
Поддержка Plug&Play
|
нет
|
да
|
да
|
Да
|
|
Пароль при запуске ПК
|
нет
|
да
|
да
|
Да
|
|
Программы DOS
|
да
|
да
|
да
|
Да
|
|
Программы Windows 3.1
|
да
|
да
|
да
|
да
|
|
Вмести в одной виртуальной DOS-машине
|
да
|
да
|
да
|
да
|
В качестве прикладного программного обеспечения использовался набор утилит фирмы IPC "7000 Utiliti". Данный набор
утилит позволяет производить программное
объединение используемых модулей аналогового и дискретного ввода/вывода
а также производить диагностику и первичную настройку этих модулей. Настройка производится по следующему
алгоритму:
Модуль серии I-8000 должен подключаться к
компьютеру через преобразователь интерфейса I-7520. На клеммы питания преобразователя и модуля необходимо
подать постоянное напряжение 24В соответствующей полярности. Клеммы данных
модуля и преобразователя интерфейса следует соединить в соответствии со знаком.
Для запуска утилиты
необходимо: в меню «Пуск» -> «Программы» найти группу «7000 utility» и запустить программу «7000 util».
Для поиска модулей
сначала необходимо настроить параметры последовательного порта (рисунок 4.1).
Рисунок 4.1 –
настройки порта
Для этого необходимо
нажать кнопку «ComPort». В
появившемся окне выбрать порт №1 «COM1», скорость обмена 115200 и нажать кнопку «ОК».
Далее необходимо нажать кнопку поиска модулей «Search» (рисунок 4.2). Затем в раскрывшемся
окне запустить поиск (кнопка пуск « » ). Через некоторое время ниже появиться
список найденных модулей (после появления искомого модуля можно приостановить
поиск кнопкой пауза).
При нажатии на выбранный
из списка модуль появляется окно настройки и тестирования модуля (рисунок
4.3). Например: для модуля I-8017
необходимо установить величину и тип входного сигнала. При нажатии на кнопку
"Run" наличие сигнала на каждом
канале, после чего нажать кнопку "Stop".
Рисунок 4.2 – Поиск модулей
Рисунок 4.3 – Окно настройки модулей
4.2 Выбор SCADA-системы
4.2.1 Определение и
общая структура SCADA
SCADA – процесс сбора информации реального времени с удаленных точек
(объектов) для обработки, анализа и возможного управления удаленными объектами.
Требование обработки реального времени обусловлено необходимостью доставки
(выдачи) всех необходимых событий (сообщений) и данных на центральный интерфейс
оператора (диспетчера). В то же время понятие «реального времени» отличается
для различных SCADA-систем. Прообразом современных систем SCADA на ранних
стадиях развития автоматизированных систем управления являлись системы
телеметрии и сигнализации.Все современные SCADA-системы включают три основных
структурных компонента (рисунок 4.4).
Remote Terminal Unit
(RTU) – удаленный терминал, осуществляющий обработку задачи (управление) в
режиме реального времени; в зависимости от конкретного применения может
представлять собой от примитивных датчиков, осуществляющих съем информации с
объекта, до специализированных многопроцессорных отказоустойчивых
вычислительных комплексов, осуществляющих обработку информации и управление в режиме
жесткого реального времени. Применение устройств низкоуровневой обработки
информации позволяет снизить требования к пропускной способности каналов связи
с центральным диспетчерским пунктом.
Master Terminal Unit
(MTU), Master Station (MS) – диспетчерский пункт управления (главный терминал);
осуществляет обработку данных и управление высокого уровня, как правило в
режиме мягкого (квази-) реального времени; одна из основных функций –
обеспечение интерфейса между человеком-оператором и системой (HMI, MMI). В
зависимости от конкретной системы MTU может быть реализован в виде от
одиночного компьютера с дополнительными устройствами подключения к каналам
связи до больших вычислительных систем (мэйнфреймов) и/или объединенных в
локальную сеть рабочих станций и серверов. Как правило, и при построении MTU
используются различные методы повышения надежности и безопасности работы
системы.
Communication System
(CS) – коммуникационная система (каналы связи), необходима для передачи данных
с удаленных точек (объектов, терминалов) на центральный интерфейс
оператора-диспетчера и передачи сигналов управления на RTU (или удаленный
объект – в зависимости от конкретного исполнения системы).
Рисунок 4.4 -
Основные функциональные компоненты SCADA-системы
Можно выделить четыре основных функциональных компонента SCADA-систем:
-
человек-оператор;
-
компьютер взаимодействия
с человеком;
-
компьютер
взаимодействия с задачей (объектом);
-
задача
(объект управления).
Особенности процесса управления в современных
диспетчерских системах сосредоточены в следующих положениях:
-
процесс SCADA применяется в
системах, в которых обязательно наличие человека (оператора, диспетчера);
-
процесс
SCADA был разработан для систем, в которых любое неправильное воздействие может
привести к отказу (потери) объекта управления или даже катастрофическим
последствиям;
-
оператор
несет, как правило, общую ответственность за управление системой, которая, при
нормальных условиях, только изредка требует подстройки параметров для достижения
оптимальной производительности;
-
активное
участие оператора в процессе управления происходит нечасто и в непредсказуемые
моменты времени, обычно в случае наступления критических событий (отказы, нештатные
ситуации и пр.);
-
действия
оператора в критических ситуациях могут быть жестко ограничены по времени (несколькими минутами или
даже секундами).
К SCADA-системам предъявляются следующие основные
требования:
-
надежность
системы (технологическая и функциональная);
-
безопасность
управления;
-
точность
обработки и представления данных;
-
простота расширения системы.
Требования безопасности и надежности управления в SCADA включают:
-
любой
единичный отказ оборудования не должен вызвать выдачу ложного выходного
воздействия (команды) на объект управления;
-
любая
единичная ошибка оператора не должна вызвать выдачу ложного выходного
воздействия (команды) на объект управления;
-
все операции по
управлению должны быть интуитивно-понятными и удобными для оператора (диспетчера).
Таблица
4.2 - Сравнительная характеристика SCADA-систем, представленных на российском
рынке
|
Название продукта
|
Bridge WIEV
|
cimplisity HMI
|
FIX
|
iFIX
Dynamics
|
iconics Genesys
|
Sitect 6.0
|
RealFlex for QNX
|
Sitex for QNX
|
Trase Mode 5/04
|
Simatic WinCC
|
|
Фирма-разработчик
|
National
Instruments, США
|
GE FANUC
Automation США
|
Intellution, США
|
Intellution, США
|
Iconics, США
|
Sitect
Австралия
|
RealFlex System
inc, США
|
Jade Software Великобр.
|
AdAstra, Россия
|
Siemens
AG, Германия
|
|
О т к р ы т о с т ь
|
|
Управл. PLC
|
|
|
|
|
|
|
|
|
|
|
|
1
|
через DDE
|
+
|
+
|
+
|
+
|
+
|
+
|
+
|
+
|
+
|
+
|
|
через DLL
|
+
|
+
|
+
|
+
|
+
|
+
|
+
|
+
|
+
|
+
|
|
через OLE
|
+
|
+
|
+
|
+
|
+
|
+
|
+
|
+
|
+
|
+
|
|
через OPC
|
+
|
+
|
+
|
+
|
+
|
+
|
+
|
+
|
+
|
+
|
|
2
|
Обмен с прилож
|
|
|
|
|
|
|
|
|
|
|
|
через API
|
+
|
+
|
+
|
+
|
|
+
|
+
|
+
|
+
|
+
|
|
через DLL
|
+
|
+
|
+
|
+
|
|
+
|
+
|
+
|
+
|
+
|
|
через COM
|
|
|
|
|
+
|
|
|
|
|
|
|
через OLE
|
|
|
|
|
+
|
|
|
|
|
|
|
К о н т р о л л е р ы
|
|
3.
|
Какие поддерж.
|
|
пр. все
|
>300
|
>300
|
|
>800
|
>130
|
>70
|
>300
|
S* и др
|
|
4.
|
П. шины canbus
|
+
|
|
|
|
|
+
|
+
|
+
|
+
|
|
|
-"- profibus
|
|
|
|
|
+
|
+
|
+
|
+
|
+
|
|
-"- fieldbus
|
+
|
|
|
|
|
|
|
|
+
|
|
|
-"- Modbus
|
|
|
|
|
|
|
+
|
+
|
|
+
|
|
5.
|
Связь с PLC
|
|
|
|
|
|
|
|
|
|
|
|
напрямую
|
+
|
+
|
+
|
+
|
|
|
+
|
+
|
+
|
+
|
|
собств. проток.
|
+
|
+
|
+
|
+
|
|
+
|
+
|
+
|
+
|
+
|
|
пром. шина
|
+
|
+
|
+
|
+
|
|
+
|
+
|
+
|
+
|
+
|
|
Таблица 4.2-
Продолжение
|
|
|
Название продукта
|
Bridge WIEV
|
cimplisity HMI
|
FIX
|
iFIX
Dynamics
|
iconics Genesys
|
Sitect 6.0
|
RealFlex for QNX
|
Sitex for QNX
|
Trase Mode 5/04
|
Simatic WinCC
|
|
третьей фирмы
|
+
|
редко
|
+
|
+
|
|
+
|
+
|
+
|
+
|
+
|
|
А л а р м ы
|
|
6.
|
Уровни приорит.
|
255
|
задаёт
|
16
|
∞
|
1000
|
999
|
5
|
99
|
23
|
256
|
|
7.
|
Ген. e-mail сооб.
|
+
|
+
|
|
+
|
+
|
+
|
+
|
+
|
+
|
+
|
|
Все пакеты включают группирование
алармов, онлайновую фильтрацию, алармы по нижним и верхним уровням изменения
параметров по скорости и уровню, автоматическую реакцию
|
|
В о з м о ж н о с т и H M I
|
|
Все пакеты имеют
объектно-ориентированный графический редактор библиотеку стандартных
графических символов, библиотеку сложных графических объектов, стандартные
возможности оконного редактирования, возможность работы с трендами,
возможность навигации по страницам изображения, анимацию, мультимедиа.
|
|
|
|
|
|
|
|
|
|
|
|
|
|
С и с т е м а о т ч ё т о в
|
|
8.
|
Встроен ген отч.
|
+
|
+
|
|
|
+
|
|
+
|
+
|
+
|
+
|
|
9.
|
Метод вырез\вст.
|
+
|
+
|
|
|
+
|
|
+
|
+
|
+
|
+
|
|
10.
|
Печать и архив.
|
+
|
+
|
+
|
+
|
+
|
+
|
+
|
+
|
+
|
+
|
|
О п ц и и / А в т о м а т и з а ц и
я
|
|
11.
|
Статист. Управл.
|
+
|
+
|
+
|
+
|
|
+
|
+
|
+
|
+
|
+
|
|
12.
|
Поддерж. Рецеп.
|
+
|
+
|
+
|
+
|
|
+
|
+
|
+
|
+
|
+
|
|
13.
|
Нечёткая логика
|
+
|
+
|
+
|
+
|
|
+
|
|
+
|
+
|
с Simatic
|
|
14.
|
Автообр. Событии.
|
+
|
+
|
+
|
+
|
|
+
|
+
|
+
|
+
|
+
|
|
П о д д е р ж и в а е м ы е О С
|
|
15.
|
Win. 95
|
+
|
+
|
+
|
|
+
|
+
|
|
|
+
|
+
|
|
Win. NT
|
+
|
+
|
+
|
+
|
+
|
+
|
|
|
+
|
+
|
Таблица 4.2-
Продолжение
|
Название продукта
|
Bridge WIEV
|
cimplisity HMI
|
FIX
|
iFIX
Dynamics
|
iconics Genesys
|
Sitect 6.0
|
RealFlex for QNX
|
Sitex for QNX
|
Trase Mode 5/04
|
Simatic WinCC
|
|
UNIX
|
|
+
|
|
|
|
|
|
|
|
|
|
VMS
|
|
+
|
|
|
|
|
|
|
|
|
|
В н е д р е н и е
|
|
16.
|
Стоимость (у.е.)
|
3980-7972
|
300-14000
|
900-13000
|
2000-11000
|
480-11000
|
655-10855
|
2425-11200
|
1370-10150
|
590-2799
|
1140-13560
|
|
17.
|
Рыночная полит
|
5
|
5
|
5
|
5
|
5
|
4
|
3
|
4
|
5
|
5
|
|
В о з м о ж н о с т и с р е д ы р
а з р а б о т к и
|
|
18.
|
Язык прогр. сцен
|
LabView
|
WBA
|
свой
|
WBA
|
WBA
|
яз. сце-нариев
|
CSL
|
CBL
|
ТехноAL
|
ANSI C
|
|
19.
|
Граф. язык
|
LabView
|
|
|
|
IEC 61131-3
|
IEC 61131-3
|
SFC, LD, FBD
|
SFC, LD, FBD
|
ТехноFBD
|
|
|
20.
|
Пакет компл авт
|
|
+
|
BATCH
|
BATCH
|
|
+
|
+
|
+
|
+
|
+
|
|
Все пакеты имеют возможность
симуляции, разработки и тестирования/отладки в режиме on-Line, распределённой
разработки, расширения инструментальными пакетами (toolkits), позволяющих создавать
драйверы в/в, графические объекты и т.п.
|
|
К о н ф и г у р и р о в а н и е с
и с т е м ы
|
|
21.
|
Макс. ч-ло т. в/в
|
∞
|
∞
|
∞
|
∞
|
∞
|
61405
|
128000
|
65000
|
1024000
|
64К
|
|
Во всех пакетах любой узел может
быть сервером в/в, сервером трендов, во всех пакетах (кроме Bridge View)
выполняется конфигурируемость по числу точек ввода/вывода
|
|
С о п р о в о ж д е н и е / э к с п
л у а т а ц и я
|
|
22.
|
Рыночный стаж
|
4
|
29
|
16
|
3
|
1,5
|
9
|
15
|
4
|
10
|
10
|
|
23.
|
Простота исполь
|
10
|
10
|
8
|
10
|
8
|
10
|
9
|
9
|
10
|
10
|
|
24.
|
Время обучения
|
5 дн.
|
1 день
|
3 дня
|
3 дня
|
10 дн.
|
4 дня
|
3 дня
|
3 дня
|
1 день
|
7 дн.
|
|
25.
|
К-во инсталляци
|
|
|
|
|
|
|
|
|
|
|
|
в мире
|
?
|
1000000
|
110000
|
1000
|
12000
|
100000
|
1500
|
700
|
4000
|
10000
|
4.2.2
Характеристика выбранной SCADA-системы
Citect обладает функциональными характеристиками, надежностью
и производительностью, которые позволяют разрабатывать как интегрированные
системы уровня предприятия, так и производительные автономные приложения.
С самого начала Citect
проектировался и разрабатывался как средство реализации всех требований предприятия
в виде единой интегрированной системы. Единый программный пакет содержит все
необходимые компоненты, устраняющие как необходимость использования дополнительного
программного обеспечения, так и фрагментацию данных. Первый же пакет Citect
для Windows, установленный в 1992 году, поднял планку для SCADA-систем на базе
ПК на новый уровень производительности: 33000 точек дискретного ввода, 16000
точек аналогового ввода, 4000 аналитических кривых, 50 операторских станций,
резервирование в стиле распределенных DCS-систем, общая база данных,
конфигурирование с любого компьютера и скорость вывода информации на дисплей
менее 2-х секунд.
Высокая степень
автоматизации операций, функциональная полнота, контроль качества и
тестирование гарантируют максимальную возможную надежность Citect, который благодаря этому может
использоваться в различных ответственных приложениях атомной энергетики, авиации
и других областях.
Среда исполнения организована как «клиент-серверная»
архитектура
Файловый сервер – представляет собой центральное
хранилище файлов, выдающее по запросу клиента необработанные данные. Клиент сам
обрабатывает и фильтрует информацию (локально), что создает большую нагрузку
на сеть. В отличие от этого в клиент - серверной архитектуре большая часть по
обработке данных выполняется сервером, так что клиент может запрашивать только
нужную информацию. Это значит, что по сети передаются только пакеты
"полезных данных" меньшего размера, что существенно уменьшает
нагрузку на сеть.
Основа надежности клиент
- серверной архитектуры – это Виртуальная Сеть Данных (VDN – Virtual Data
Network).
Реализовать все возможности клиент-серверной
архитектуры можно только на уровне задач. Каждая задача при этом должна
исполнять только одну роль – клиента или сервера – и взаимодействовать с
другими задачами посредством клиент-серверных взаимосвязей.
В Citect есть пять основных типов
задач:
-
взаимодействие с
устройствами ввода/вывода;
-
контроль
аварийных состояний (тревог);
-
отчеты;
-
графики;
-
отображение
информации.
Задача управления вводом/выводом
выполняет все операции по обмену данными с устройствами ввода/вывода "по
поручению" остальных задач. Для них задача управления вводом/выводом – это
один из серверов (а сами задачи – его клиенты).
Сервер тревог собирает и
сортирует всю информацию, получаемую им от сервера ввода/вывода. Если на экране
виден список тревог, то это означает, что задача отображения запрашивает у
сервера данные о конкретных тревогах.
Если
на экран что-либо выводится, то это значит, что задача Отображения
(клиент) запрашивает какие-либо данные у задачи управления вводом/выводом
(сервера). Сервер ввода/вывода собирает и сортирует все исходные данные, но
клиенту Отображения передает только запрошенную информацию.
Серверы
графиков и отчетов работают аналогично серверам ввода/вывода и
тревог, предоставляя своим клиентам обработанную информацию.
Если в
отчет включены графики или данные об тревогах, то сервер отчетов начинает выступать
по отношению к серверам трендов и тревог как клиент. В процессе подготовки
отчета сервер отчетов обращается к другим серверам за необходимой информацией.
Поскольку
каждый сервер предназначен для поддержки нескольких клиентов, то добавление
нового дисплейного клиента выполняется всего несколькими щелчками мыши на новом
компьютере – без какого-либо вмешательства в действия существующей системы. Все
клиенты отображения получают информацию от одного и того же сервера
ввода/вывода. Таким образом, на базе локальной сети создается виртуальная сеть
– без каких-либо потерь функциональных возможностей.
Если в
системе есть дополнительные сервера, то они могут использоваться для повышения
избыточности архитектуры. Например, если в систему добавляется резервный сервер
тревог, то он всегда будет готов взять на себя управление в случае отказа
основного.
Даже
если все задачи будут исполняться на нескольких компьютерах, объединенных в одну
локальную сеть, взаимоотношения между клиентами и серверами останутся теми же
самыми – клиент-серверная архитектура.
Одним из
наиболее важных факторов, влияющих на построение быстродействующего и
эффективного клиент-серверного приложения, является минимизация объемов
возвращаемой сервером информации. По мере возрастания объемов хранимых данных
преимущества клиент-серверной архитектуры становятся все более и более
очевидными.
Citect позволяет реализовать в системной
архитектуре: гибкость и масштабируемость.
Гибкость – это
возможность модификации системной архитектуры. Вместо того, чтобы привязывать
пользователя к какой-либо одной схеме, Citect дает ему возможность самому выбирать
архитектуру – использовать все лучшее, что есть в централизованной и
распределенной обработке.
С самого начала ориентированный на клиент-серверные
архитектуры, Citect функционально состоит из следующих пяти отдельных задач:
-
Ввод/Вывод – управление
и оптимизация всех операций по обмену данными.
-
Тревоги –
мониторинг всех тревог: аналоговых, дискретных, SPC.
-
Отчеты –
управление, планирование и подготовка отчетов.
-
Графики – Сбор,
сохранение и построение графиков на основе статистических данных.
-
Отображение –
человеко-машинный интерфейс, взаимодействующий со всеми остальными задачами для
поддержания вывода информации на дисплей (обновления вывода и исполнения
команд).
Все задачи исполняются независимо
друг от друга. Благодаря этой уникальной архитектуре пользователь имеет
возможность сопоставлять каждой задаче свой компьютер. В частности, одна машина
может быть выделена для вывода информации и создания отчетов, а другая – для
вывода данных, обслуживания ввода/вывода и построения графиков.
В сетевых системах Citect
обеспечивает применение централизованной базы данных. Наличие всего одной общей
базы – это огромное преимущество, поскольку в этом случае все изменения
выполняются всего в одном месте (а используются везде).
4.3 Создание
визуального интерфейса
На рисунке 4.5 изображено
главное окно технологического процесса. Данное окно является стандартным
шаблоном меню в SETECT, которое
появляется при запуске программы. На нем представлены кнопки перехода к окнам
отображения технологического процесса, а также выход из SCADA-системы. В верхнем правом углу
отображается текущая дата и время.
Рисунок 4.5 - Меню системы
На рисунке 4.6 изображено
окно процесса эликтролиза. Представлена мнемосхема включает в себя:
дистиллятор; емкость приема дистиллята; емкость приготовления электролита;
питательный бак оснащенные датчиками, электролизеры, разделительные колонны, промыватели газов и
колонны регулирования давления.
В точках контроля
находятся панели отображения параметров. В зависимости от приближения значения
данных к придельному значению, индикаторы меняют цвет:
- зеленый –норма;
- желтый – приближение к
границе;
- красный – критическая
ситуация.
Ввод задающих значений
осуществляется непосредственно в ячейки индикаторов.
При достижении
критических значений система выводит предупреждения о опасности и способы их
устранения (рисунок 4.7).
Отображенные на экране
исполнительные механизмы: кран, насос, вентиляторы, при срабатывании изменяют
зеленный цвет на серый. Возможен переход из автоматического режима в ручной.
В нижней части экрана
расположены клавиши перехода к остальным окнам.
Рисунок 4.6 – Мнемосхема ТП
Данные
срабатывания тревог автоматически заносятся в архив. Просмотр параметров
текущего режима возможно виде одиночного графика (Рисунок 4.8). На рисунке 4.9
представлена страница аппаратных сигнализаторов, на которой отображаются
данные архива.
Рисунок 4.7 – Сообщения «Аварийная
ситуация»
Рисунок 4.8 – Одиночный тренд.
Рисунок 4.9 – Страница аппаратных сигнализаторов
Рисунок 4.10– Протокол действия оператора
ЗАКЛЮЧЕНИЕ
В ходе
выполнения магистерской диссертации в соответствии с поставленным заданием была
создана многофункциональная автоматизированная система управления,
обеспечивающая безопасную эксплуатацию оборудования и протекание
технологического процесса производства водорода.
Для этого был проведен
анализ технологического процесс исследование технологического процесса
получения водорода методом электролиза как объект автоматизации и управления. Выбраны контролируемые и регулируемые
параметры, разработана техническая структура АСУТП.
Методом объектно-ориентированного
анализа построена модель обеспечения безопасности процесса в виде
технологических алгоритмов. (выбраны и обоснованы информативные параметры и
управляющие воздействия; определены их взаимосвязи).
Разработана модель и
программное обеспечение симулятора (имитатора), позволяющий в режиме реального
времени исследовать процесс и технологию управления им. Это позволяет
организовать отладку ПО в лабораторных условиях. Симулятор используется также
для обучения персонала.
На базе Citect-Scada разработано прикладное программное обеспечение для АРМ
оператора.
СПИСОК ЛИТЕРАТУРЫ
1. Якименко Л. М., Модылевская И. Д.,
Ткачек З. А. Электролиз воды. – М.: Химия, 1970. – 264 с.
2. Водород. Свойства, получение,
хранение, транспортирование, применение. Справочник /Д. Ю. Гамбург, В. П.
Семенов, Н. Ф. Дубовкин, Л. Н. Смирнова; Под ред. Д. Ю. Гамбург, Н. Ф.
Дубовкин. – М.: Химия, 1989. – 672 с.
3. Иоффе В. Б. Основы производства
водорода. – Л.: ГОСТОПТЕХИЗДАТ, 1960. – 430 с.
4. Технологический регламент ООО
«Салаватстекло».–2003.– 150 с.
5. Серебрянский Ф. З. Электролизеры для
производства водорода и кислорода. Химическое и нефтеперерабатывающее
машиностроение. – М.: ЦИНТИХИМНЕФТЕМАШ, 1969. – 49 с.
6. Якименко Л. М. Получение водорода,
кислорода и щелочей. – М.: Химия, 1974. – 552 с.
7. Клюев А. С. И др; Под ред. Клюева А.
С. Проектирование систем автоматизации технологических процессов: Справоч.
пособие – М.: Энергия, 1980. – 512 с.
8. Кулаков М. В. Технологические
измерения и приборы для химических производств. М.: Машиностроение, 1974. – 464
с.
9. Фарзане Н. Г., Илясов Л. В.,
Азим-заде А. Ю. Технологические измерения и приборы. - М.: Высшая школа, 1989.
– 465 с.
10. Каталоги компании «ICOS».
11. Макаренко В. Г. Схемы автоматизации. Учебное пособие к
курсовому и дипломному проектированию. ЮРГТУ (НПИ) – Новочеркасск, 1999. – 48
с.
12. Каталоги компании «МЕТРАН».
13. Стефании Е. П. Основы построения АСУТП. – М.:
Энергоиздат, 1982. – 349 с.
14. Р. А. Нейдорф, А. В. Ситников. Моделирование химико-технологических
процессов на ЭВМ. – Новочеркасск, 1986.
15. СанПиН 2.2.1/2.1.1.1200-03 «Санитарно-защитные зоны и
санитарная классификация предприятий».
16. НПБ 105-95 «Определение категорий помещений и зданий
по взрывопожарной и пожарной опасности».
17. СНиП 21-01-97 «Пожарная безопасность зданий и
сооружений».
18. СНиП 31-03-2001 «Огнеопасность зданий и сооружений».
19. СНиП 23-05-95 «Строительные нормы и правила РФ.
Естественное и искусственное освещение».
20. СН 2.2.4/2.1.8.566-96 «Производственная вибрация,
вибрация в помещениях жилых и общественных зданиях».
21. СН 2.2.4/2.1.8.562-96 «Шум на рабочих местах, в
помещениях жилых, общественных зданий и на территории жилой застройки».
22. ГОСТ 12.1.019-79 (2001) «Электробезопасность».
23. ГОСТ 12.1.044-89 «Пожароопасность веществ и материалов.
Номенклатура показателей и методы определения».
24. СН 2.2.2.542-96 «Эргономические требования и
требования безопасности».
25. НПБ 155-96 «Пожарная техника. Огнетушители переносные.
Основные показатели и номенклатура».
26. В. К. Беклешов. Технико-экономическое обоснование
дипломных проектов. – М.: «Высшая школа», 1991.
27. В. П. Свечкарев. Системы автоматизации и управления
технологическими процессами и производствами. Новочеркасск 2001.
28. Л. Н. Липатов. Типовые процессы химической технологии
как объекты управления. М.: Химия, 1973.
ПРИЛОЖЕНИЕ
А
(Справочное)
Листинг
Сicode – программы «Обеспечение безопасности процесса»
string DO_vkl[31]="DO_2","DO_4","DO_6","DO_8","DO_10","DO_12","DO_14","DO_16","DO_18","DO_20",
"DO_22","DO_24","DO_26","DO_28","DO_30","DO_32","DO_34","DO_36","DO_38","DO_40",
"DO_42","DO_44","DO_64","DO_66","DO_69","DO_71","DO_77","DO_79","DO_81","DO_83","DO_85";
string DI_vkl_otkl[31]="DI_41","DI_42","DI_43","DI_44","DI_45","DI_46","DI_47","DI_48","DI_49","DI_50",
"DI_51","DI_52","DI_53","DI_54","DI_55","DI_56","DI_57","DI_58","DI_59","DI_60",
"DI_61","DI_62","DI_73","DI_74","DI_93","DI_94","DI_65","DI_66","DI_75","DI_67","DI_68";
string DO_otkl[31]="DO_1",
"DO_3", "DO_5", "DO_7",
"DO_9", "DO_11", "DO_13",
"DO_15", "DO_17", "DO_19",
"DO_21", "DO_23",
"DO_25", "DO_27", "DO_29",
"DO_31", "DO_33", "DO_35",
"DO_37", "DO_39",
"DO_41",
"DO_43","DO_63","DO_67","DO_68","DO_70","DO_76","DO_78","DO_80","DO_82","DO_84";
/* string DI_otkl[31]="DI_41",
"DI_42", "DI_43", "DI_44", "DI_45",
"DI_46", "DI_47", "DI_48", "DI_49",
"DI_50",
"DI_51", "DI_52",
"DI_53", "DI_54", "DI_55", "DI_56",
"DI_57", "DI_58", "DI_59", "DI_60",
"DI_61",
"DI_62","DI_73","DI_74","DI_93","DI_94","DI_65","DI_66","DI_75","DI_67","DI_68";
*/
/*string
DO_zakr[9]="DO_64","DO_66","DO_69","DO_71","DO_77","DO_79","DO_81","DO_83","DO_85";
string
DI_zakr[9]="DI_73","DI_74","DI_93","DI_94","DI_65","DI_66","DI_75","DI_67","DI_68";
string
DO_otkr[9]="DO_63","DO_67","DO_68","DO_70","DO_76","DO_78","DO_80","DO_82","DO_84";
string DI_otkr[9]="DI_73","DI_74","DI_93","DI_94","DI_65","DI_66","DI_75","DI_67","DI_68";
*/
//******************************************************************************
string DO_zakr_otkr[8]="DO_87","DO_88","DO_72","DO_73","DO_75","DO_102","DO_103","DO_104";
string DI_zakr_otkr[8]="DI_85","DI_86","DI_00","DI_00","DI_69","DI_70","DI_71","DI_72";
INT pr_start=0;
INT NewVal_DO_otkl[31];
INT Val_DO_otkl[31];
INT NewVal_DO_vkl[31];
INT Val_DO_vkl[31];
INT NewVal_DO_zakr_otkr[8];
INT Val_DO_zakr_otkr[8];
FUNCTION
podygrish()
INT i;
IF pr_start=0 THEN
FOR i=0 TO 30 DO
Val_DO_vkl[i]=TagRead(DO_vkl[i]);
IF Val_DO_vkl[i]=1
THEN TagWrite(DI_vkl_otkl[i],1); TagWrite(DO_vkl[i],0);
END
Val_DO_otkl[i]=TagRead(DO_otkl[i]);
IF Val_DO_otkl[i]=1
THEN TagWrite(DI_vkl_otkl[i],0); TagWrite(DO_otkl[i],0);
END
//
Val_DO_vkl[i]=TagRead(DO_vkl[i]);
NewVal_DO_otkl[i]=0;
NewVal_DO_vkl[i]=0;
END
pr_start=1;
end
//========================================================
FOR i=0 TO 30 DO
NewVal_DO_otkl[i]=TagRead(DO_otkl[i]);
if NewVal_DO_otkl[i] <>
Val_DO_otkl[i] then
Val_DO_otkl[i] =
NewVal_DO_otkl[i];
if NewVal_DO_otkl[i]=1
then
TagWrite(DI_vkl_otkl[i],0);
TagWrite(DO_otkl[i],0);
NewVal_DO_otkl[i]=0;
Val_DO_otkl[i]=0;
end
end
END
FOR
i=0 TO 30 DO
NewVal_DO_vkl[i]=TagRead(DO_vkl[i]);
if NewVal_DO_vkl[i] <>
Val_DO_vkl[i] then
Val_DO_vkl[i] =
NewVal_DO_vkl[i];
if NewVal_DO_vkl[i]=1
then
TagWrite(DI_vkl_otkl[i],1);
TagWrite(DO_vkl[i],0);
NewVal_DO_vkl[i]=0;
Val_DO_vkl[i]=0;
end
end
END
//****************************************************************************
FOR i=0 TO 7 DO
NewVal_DO_zakr_otkr[i]=TagRead(DO_zakr_otkr[i]);
if NewVal_DO_zakr_otkr[i]
<> Val_DO_zakr_otkr[i] then
Val_DO_zakr_otkr[i] =
NewVal_DO_zakr_otkr[i];
if NewVal_DO_zakr_otkr[i]=1
then
TagWrite(DI_zakr_otkr[i],1);
else
TagWrite(DI_zakr_otkr[i],0);
end
end
END
//*************************************************
if DO_89=1 then DI_87=1;DO_89=0;
end
if DO_90=1 then DI_88=1;DO_90=0;
end
if DO_91=1 then DI_89=1;DO_91=0;
end
if DO_92=1 then DI_87=0;DI_88=0;DI_89=0;DO_92=0;
end
END
FUNCTION
Set_ust1()
PageSetInt(1,AI_1_Low);
PageSetInt(2,AI_2_Low);
PageSetInt(3,AI_3_Low);
PageSetInt(4,AI_4_Low);
PageSetInt(5,AI_5_Low);
PageSetInt(6,AI_6_Low);
PageSetInt(7,AI_8_Low);
PageSetInt(8,AI_9_Low);
PageSetInt(9,AI_10_Low);
PageSetInt(10,AI_11_Low);
PageSetInt(11,AI_12_Low);
PageSetInt(12,AI_13_Low);
PageSetInt(13,AI_14_Low);
PageSetInt(14,AI_17_Low);
PageSetInt(15,AI_18_Low);
PageSetInt(16,AI_19_Low);
PageSetInt(17,AI_20_Low);
PageSetInt(18,AI_21_Low);
PageSetInt(19,AI_22_Low);
PageSetInt(20,AI_23_Low);
PageSetInt(21,AI_24_Low);
PageSetInt(22,AI_25_Low);
PageSetInt(23,AI_26_Low);
PageSetInt(31,AI_1_Norma);
PageSetInt(32,AI_2_Norma);
PageSetInt(33,AI_3_Norma);
PageSetInt(34,AI_4_Norma);
PageSetInt(35,AI_5_Norma);
PageSetInt(36,AI_6_Norma);
PageSetInt(37,AI_8_Norma);
PageSetInt(38,AI_9_Norma);
PageSetInt(39,AI_10_Norma);
PageSetInt(40,AI_11_Norma);
PageSetInt(41,AI_12_Norma);
PageSetStr(42,AI_13_Norma);
PageSetStr(43,AI_14_Norma);
PageSetStr(44,AI_17_Norma);
PageSetInt(45,AI_18_Norma);
PageSetInt(46,AI_19_Norma);
PageSetInt(47,AI_20_Norma);
PageSetInt(48,AI_21_Norma);
PageSetInt(49,AI_22_Norma);
PageSetInt(50,AI_23_Norma);
PageSetInt(51,AI_24_Norma);
PageSetInt(52,AI_25_Norma);
PageSetInt(53,AI_26_Norma);
PageSetInt(61,AI_1_High);
PageSetInt(62,AI_2_High);
PageSetInt(63,AI_3_High);
PageSetInt(64,AI_4_High);
PageSetInt(65,AI_5_High);
PageSetInt(66,AI_6_High);
PageSetInt(67,AI_8_High);
PageSetInt(68,AI_9_High);
PageSetInt(69,AI_10_High);
PageSetInt(70,AI_11_High);
PageSetInt(71,AI_12_High);
PageSetStr(72,AI_13_High);
PageSetStr(73,AI_14_High);
PageSetStr(74,AI_17_High);
PageSetInt(75,AI_18_High);
PageSetInt(76,AI_19_High);
PageSetInt(77,AI_20_High);
PageSetInt(78,AI_21_High);
PageSetInt(79,AI_22_High);
PageSetInt(80,AI_23_High);
PageSetInt(81,AI_24_High);
PageSetInt(82,AI_25_High);
PageSetInt(83,AI_26_High);
END
//=================файл vozv_page.ci========================
INT
FUNCTION
vozv_page(STRING NamePage)
INT vozv;
IF PageInfo(0)=NamePage THEN
vozv=1;
ELSE
vozv=0;
END
RETURN vozv;
END
//========================================================
NT hFont1,hFont;
INT hFormkach=-1;
//================файл F_parameter.ci =================
INT
FUNCTION
F_parameter(REAL Parameter, REAL niz, REAL
verx)
INT Col;
IF ((Parameter < niz) OR
(Parameter > verx)) THEN
Col=1;
ELSE
Col=0;
END
RETURN Col;
END
//---------------------------------------------
INT
FUNCTION
F_vyxod(REAL Param_vxod, REAL
Param_vyxod)
INT Col;
IF (Abs(Param_vxod-Param_vyxod)>=Delta_t)
THEN
Col=1;
ELSE
Col=0;
END
RETURN Col;
END
//---------------------------------------------
INT
FUNCTION
F_parameter4(REAL Parameter, REAL niz)
INT Col;
IF Parameter < niz THEN
Col=1;
ELSE
Col=0;
END
RETURN Col;
END
//---------------------------------------------
INT
FUNCTION
F_parameterv(REAL Parameter, REAL verx)
INT Col;
IF Parameter >= verx THEN
Col=1;
ELSE
Col=0;
END
RETURN Col;
END
//-----------------------------------------
INT
FUNCTION F_parameter2(INT Parameter,INT
hi)
INT Color;
IF (Parameter > hi) THEN
Color=1;
ELSE
Color=0;
END